Прошлую зиму откатал без вебасты - особо не расстраивался, но знание того, что она есть и не работает, немного огорчает
У меня есть клеммы под второй аккум, пульт в двери. Соответственно, дорестайл.
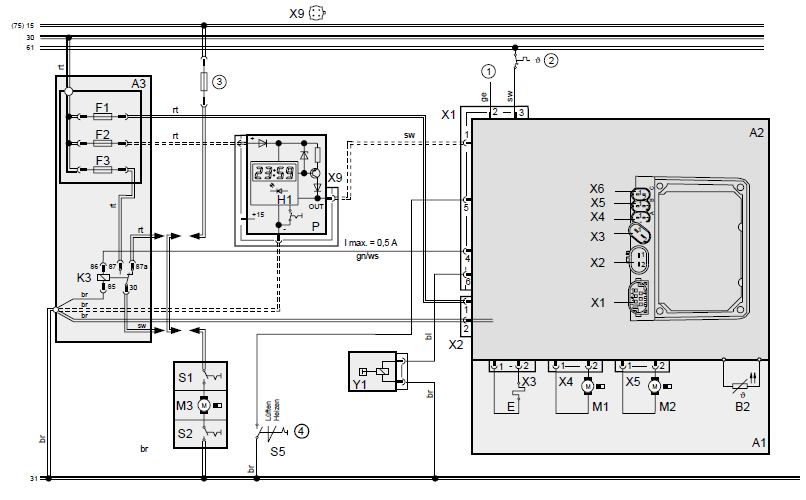
Вебаста с пульта включается, шуршит, а из выхлопной трубы дует прохладный воздух. Я так понимаю, она вроде бы жива, но не разгорается.
С чего начать? Проверить свечу? Нужно ли вебасту для этого снимать или возможно так подлезть?
Диагностику делал - никаких ошибок не было. Хочу на выходных еще раз этим заняться, ибо делал давно, может что и запамятовал...
Кстати, как определить ее модель? Сколько лазил - никаких табличек не нашел.. или они все грязью покрылись..




