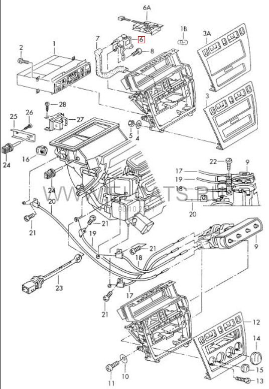
За центральным дефлектором нашел "виновника". Сняв этот моторчик(на схеме №6), понял что ему уже ничего не поможет.
Для чего он нужен?
И на сколько его отключение влияет на максимальную скорость?
P.S. Будит ли выдавать ошибку при его отключении?
да разобрался, снимаешь подрулевую обшивку, и для удобства центральный дефлектор(будь осторожнее со съемом, я сломал одну решетку, пришлось на разборке брать, благо стоит всего 250рShOOtnick писал(а):user210
не подскажешь, разобрался с этим вентилятором или нет?