У меня стоит Эльза 3.7
заранее спасибо!!!
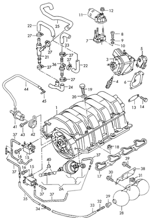
это я нашел в Эльзе У меня проблема в том что я не помню куда втыкивается патрубок №24, потому как в коллекторе на том месте куда он может дотянуться два сопуна, одинакового диаметра он подходит и в один и в другой, а они в коллекторе помоему имеют разные каналы..... хотя могу ошибаться может это и одно и тоже и вторая проблема я не знаю что втыкивать во второй сопун.....
спасибо за +1, всегда рад помочь почувствуешь по педали, хватать должно сразу а не где-то посередине (ну Если мембрана цела, нормальные шланги и колодки)alex@prip.ru писал(а):до переборки тормоза были нормальные вроде а что с ними не так должно быть ?
кстати да тормоза были мягкие..... ну если с A3 сравнивать....

Согласен, родные хомуты не держат, на днях залез под капот в целях навести чистоту и наткнулся на такую проблему, нижний патрубок (№24) у меня слетел полностью. Все хомуты поменял на новые, действительно, тормоза стали хватать в самом начале.VolumeX писал(а):я ставил вместо оригинального обычный хомут как раз на соединении шланга №24 и дросселя.
Тормоза стали жёстче.