, привет друзья!
нужна помощь:
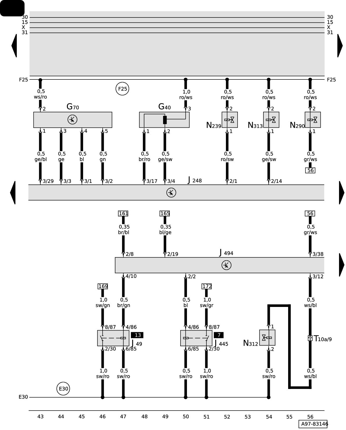
не едит авто... ошибки по ОБОИМ расходомерам (обрыв/короткое замыкание)
ошибки не удаляются
меряю входное напряжение на фишках обоих ДМРВ (2-й контакт разъема)-напряжения нет....
в литературе написано- "расходомер G70, G246 поключен к терминалу 30 через реле J317"
проверил - не прозванивается этот + от реле к фишке расходомера
полез отсек с ЭБУ
на блоке ЭБУ №1, 3-разъем нашел все остальные 3 провода (прозвонил) обоих ДМРВ, а питание не нашел!!!!!
вопрос!
как приходит 12В на 2-й контакт разъемов ДМРВ???
судя по жгуту- он должен быть где-то в этом отсеке...
или нет?
может у кого есть схема этого узла?
Спасибо!
схема подключения ДМРВ AKF
-
- Реклама
- dmitry7312
- Член Клуба
- Сообщения: 1152
- Зарегистрирован: Сб дек 27, 2014 1:54 am
- Репутация: 30
- Модель: a8
- Мотор: akf
- Город: Беларусь. Глубокое
- Имя: Дмитрий
-
dimutik
- Член Клуба
- Сообщения: 2292
- Зарегистрирован: Вт июн 15, 2010 8:26 pm
- Награды: 1
- Репутация: 77
- Модель: A8D3 BARABAN
- Мотор: BFM
- Город: Переславль-Залесский
- Имя: Дмитрий
схема подключения ДМРВ AKF
Питание от одного провода, но через предохранитель.
Последний раз редактировалось dimutik Вс сен 15, 2024 3:40 pm, всего редактировалось 1 раз.
- dmitry7312
- Член Клуба
- Сообщения: 1152
- Зарегистрирован: Сб дек 27, 2014 1:54 am
- Репутация: 30
- Модель: a8
- Мотор: akf
- Город: Беларусь. Глубокое
- Имя: Дмитрий
схема подключения ДМРВ AKF
Спасибо, тезка!
в итоге- от предохранителя бросал отдельно провод на ближайший ДМРВ (G70)...
(как оказалось, "+" между собой у обоих расходомерах звонился)
получается, я подал "+" на всю группу F25 ?
в итоге- от предохранителя бросал отдельно провод на ближайший ДМРВ (G70)...
(как оказалось, "+" между собой у обоих расходомерах звонился)
получается, я подал "+" на всю группу F25 ?
- dmitry7312
- Член Клуба
- Сообщения: 1152
- Зарегистрирован: Сб дек 27, 2014 1:54 am
- Репутация: 30
- Модель: a8
- Мотор: akf
- Город: Беларусь. Глубокое
- Имя: Дмитрий
схема подключения ДМРВ AKF
еще вопрос, на будущее:
что такое D101,
где это будет отражено в самом авто?
предполагал, что Т10b5 это обозначение разъема, но в натуре там нет таких цифр...
научи Дима, читать эти схемы...
что такое D101,
где это будет отражено в самом авто?
предполагал, что Т10b5 это обозначение разъема, но в натуре там нет таких цифр...
научи Дима, читать эти схемы...
-
dimutik
- Член Клуба
- Сообщения: 2292
- Зарегистрирован: Вт июн 15, 2010 8:26 pm
- Награды: 1
- Репутация: 77
- Модель: A8D3 BARABAN
- Мотор: BFM
- Город: Переславль-Залесский
- Имя: Дмитрий
схема подключения ДМРВ AKF
F25, D101 это просто соединения, скрутки, в косе проводов, Т10b5 - да, разъём 10-пиновый, пин №5.
- dmitry7312
- Член Клуба
- Сообщения: 1152
- Зарегистрирован: Сб дек 27, 2014 1:54 am
- Репутация: 30
- Модель: a8
- Мотор: akf
- Город: Беларусь. Глубокое
- Имя: Дмитрий
схема подключения ДМРВ AKF
ясно...
еще раз спасибо!
еще раз спасибо!


