подключение webasto к системе охлаждения
-
- Реклама
-
voron100
- Сообщения: 353
- Зарегистрирован: Сб июн 11, 2011 9:53 am
- Репутация: 3
- Модель: Audi Q7
- Мотор: BAR 4.2
- Город: Новый Уренгой
- Имя: Валентин
подключение webasto к системе охлаждения
Доброе утро. Сижу и думаю как подсоединить нештатный вебасто к системе охлаждения ?? В обратку на печку... слишком большие теплопотери... в подачу на печку ... будет тот же эффект. Я вот и задумался. А что если вебасто подсоединить в разрез трубки идущей к генератору от теплообменника??
-
dimutik
- Член Клуба
- Сообщения: 2261
- Зарегистрирован: Вт июн 15, 2010 8:26 pm
- Награды: 1
- Репутация: 77
- Модель: A8D3 BARABAN
- Мотор: BFM
- Город: Переславль-Залесский
- Имя: Дмитрий
Re: подключение webasto к системе охлаждения
нештатная не будет салон греть, т.к. клапана закрыты
-
voron100
- Сообщения: 353
- Зарегистрирован: Сб июн 11, 2011 9:53 am
- Репутация: 3
- Модель: Audi Q7
- Мотор: BAR 4.2
- Город: Новый Уренгой
- Имя: Валентин
Re: подключение webasto к системе охлаждения
У нас в -45гр салон не надо греть ... лишь бы движок прогрелся 
-
Alex_999
- Член Клуба
- Сообщения: 3192
- Зарегистрирован: Ср дек 09, 2009 5:56 pm
- Награды: 1
- Репутация: 85
- Модель: А6 2004;
- Мотор: BDH 2.5TDi;
- Город: 32 RUS
- Имя: Алексей
- Откуда: Брянск 32 RUS
- Контактная информация:
Re: подключение webasto к системе охлаждения
В малый круг врезайся где удобней 
Не стоит ездить быстрее,, чем летает твой ангел хранитель..
-
voron100
- Сообщения: 353
- Зарегистрирован: Сб июн 11, 2011 9:53 am
- Репутация: 3
- Модель: Audi Q7
- Мотор: BAR 4.2
- Город: Новый Уренгой
- Имя: Валентин
Re: подключение webasto к системе охлаждения
Вобщем подключился я в разрез трубки идущей с теплообменника до генератора . Но возник косяк.... на улице -25 гр. Гидроник хорошо греет за 25 мин до 50гр. двигатель. Но при этом в бачке поднимается ОЖ до верху...
- vadimkin
- Член Клуба
- Сообщения: 2085
- Зарегистрирован: Чт июл 05, 2012 8:34 am
- Репутация: 41
- Модель: .
- Мотор: 2 ноги
- Город: возле Мурманска
- Имя: Вадим
Re: подключение webasto к системе охлаждения
поставили так-же как и штатную, и все быстро там греет мотор. Так-же живу не на югах. Салон грею когда заведу.
To victory, always!
-
Severodvinsk
- Член Клуба
- Сообщения: 585
- Зарегистрирован: Пт май 25, 2012 8:40 am
- Награды: 1
- Репутация: 24
- Модель: Dodge
- Мотор: 3,3
- Город: Темрюк
- Имя: Александр
- Откуда: Город у Белого моря
Re: подключение webasto к системе охлаждения
Если не секрет, что поставил?voron100 писал(а):нештатный вебасто
Если Вы слышите, как где-то взлетает ракета, знайте, это разгоняется Audi A8!
-
voron100
- Сообщения: 353
- Зарегистрирован: Сб июн 11, 2011 9:53 am
- Репутация: 3
- Модель: Audi Q7
- Мотор: BAR 4.2
- Город: Новый Уренгой
- Имя: Валентин
Re: подключение webasto к системе охлаждения
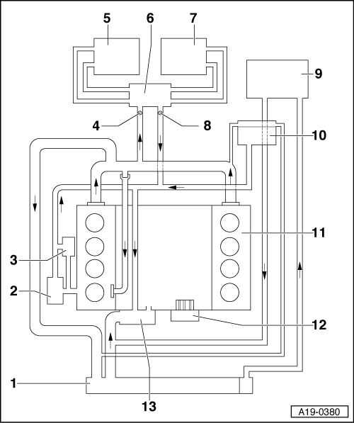
Не могу я разобраться с циркуляцией.... вот на теплообменник масляного фильтра приходит две трубки одна сверху а вторая соединяет блок и теплообменником....вот где подача а где обратка??
-
dimutik
- Член Клуба
- Сообщения: 2261
- Зарегистрирован: Вт июн 15, 2010 8:26 pm
- Награды: 1
- Репутация: 77
- Модель: A8D3 BARABAN
- Мотор: BFM
- Город: Переславль-Залесский
- Имя: Дмитрий
Re: подключение webasto к системе охлаждения
две схемы, первая без, вторая с штатным отопителем, разберёшься
-
voron100
- Сообщения: 353
- Зарегистрирован: Сб июн 11, 2011 9:53 am
- Репутация: 3
- Модель: Audi Q7
- Мотор: BAR 4.2
- Город: Новый Уренгой
- Имя: Валентин
Re: подключение webasto к системе охлаждения
Я так понимаю что вход в вебасто идет с верхнего патрубка радиатора , идет через вебасто и заходит в печку??
-
dimutik
- Член Клуба
- Сообщения: 2261
- Зарегистрирован: Вт июн 15, 2010 8:26 pm
- Награды: 1
- Репутация: 77
- Модель: A8D3 BARABAN
- Мотор: BFM
- Город: Переславль-Залесский
- Имя: Дмитрий
Re: подключение webasto к системе охлаждения
так точно, штуцер под номером 2 - вход на вебасто, под номером 5 -выход с неё, через печку нештатная не будет работать, закипит
- vadimkin
- Член Клуба
- Сообщения: 2085
- Зарегистрирован: Чт июл 05, 2012 8:34 am
- Репутация: 41
- Модель: .
- Мотор: 2 ноги
- Город: возле Мурманска
- Имя: Вадим
Re: подключение webasto к системе охлаждения
ево 5 квт.Severodvinsk писал(а):Если не секрет, что поставил?
viewtopic.php?f=126&t=48417 тут фоты есть.
To victory, always!
-
voron100
- Сообщения: 353
- Зарегистрирован: Сб июн 11, 2011 9:53 am
- Репутация: 3
- Модель: Audi Q7
- Мотор: BAR 4.2
- Город: Новый Уренгой
- Имя: Валентин
Re: подключение webasto к системе охлаждения
Всмысле закипит???? И почему работать то не будет не штатная вебасто ?? Можно поподробнеееdimutik писал(а):так точно, штуцер под номером 2 - вход на вебасто, под номером 5 -выход с неё, через печку нештатная не будет работать, закипит
- vadimkin
- Член Клуба
- Сообщения: 2085
- Зарегистрирован: Чт июл 05, 2012 8:34 am
- Репутация: 41
- Модель: .
- Мотор: 2 ноги
- Город: возле Мурманска
- Имя: Вадим
Re: подключение webasto к системе охлаждения
dimutik писал(а):через печку нештатная не будет работать, закипит
To victory, always!
-
voron100
- Сообщения: 353
- Зарегистрирован: Сб июн 11, 2011 9:53 am
- Репутация: 3
- Модель: Audi Q7
- Мотор: BAR 4.2
- Город: Новый Уренгой
- Имя: Валентин
Re: подключение webasto к системе охлаждения
Тоесть как по схеме и с нештатной вебастой?? Печка хуже не греет??
- vadimkin
- Член Клуба
- Сообщения: 2085
- Зарегистрирован: Чт июл 05, 2012 8:34 am
- Репутация: 41
- Модель: .
- Мотор: 2 ноги
- Город: возле Мурманска
- Имя: Вадим
Re: подключение webasto к системе охлаждения
Да нет, все так-же... только салон она не греет и диагностикой штатной она не видна.
это я про D2.
на D3 этот номер
может не пройти.
на D3 этот номер
Последний раз редактировалось vadimkin Ср мар 25, 2015 6:51 pm, всего редактировалось 1 раз.
To victory, always!
-
voron100
- Сообщения: 353
- Зарегистрирован: Сб июн 11, 2011 9:53 am
- Репутация: 3
- Модель: Audi Q7
- Мотор: BAR 4.2
- Город: Новый Уренгой
- Имя: Валентин
Re: подключение webasto к системе охлаждения
А номерок шланга с тройноком не подскажете??
-
dimutik
- Член Клуба
- Сообщения: 2261
- Зарегистрирован: Вт июн 15, 2010 8:26 pm
- Награды: 1
- Репутация: 77
- Модель: A8D3 BARABAN
- Мотор: BFM
- Город: Переславль-Залесский
- Имя: Дмитрий
Re: подключение webasto к системе охлаждения
если заводить на салон, то антифриз тупо упрётся в закрытый клапан, чтоб его открыть, надо включить климат, на штатной он включается по кану, а тут я незнаю как его включить, заводи выход на двигатель
-
voron100
- Сообщения: 353
- Зарегистрирован: Сб июн 11, 2011 9:53 am
- Репутация: 3
- Модель: Audi Q7
- Мотор: BAR 4.2
- Город: Новый Уренгой
- Имя: Валентин
Re: подключение webasto к системе охлаждения
Клапана закрываются только в двух случаях: 1 когда вкл печку на минимум и вкл кондиционер. 2 когда сам нажимаешь на кнопку off на климате и глушишь авто. Сам лично проверял. Во втором случае если нажали кнопку off то антифриз через печку не пройдет.
-
voron100
- Сообщения: 353
- Зарегистрирован: Сб июн 11, 2011 9:53 am
- Репутация: 3
- Модель: Audi Q7
- Мотор: BAR 4.2
- Город: Новый Уренгой
- Имя: Валентин
Re: подключение webasto к системе охлаждения
Подключил вебасто так как на схеме изображено. При открытии термостата печка начинает дуть холодным.... что делать??
-
dimutik
- Член Клуба
- Сообщения: 2261
- Зарегистрирован: Вт июн 15, 2010 8:26 pm
- Награды: 1
- Репутация: 77
- Модель: A8D3 BARABAN
- Мотор: BFM
- Город: Переславль-Залесский
- Имя: Дмитрий
Re: подключение webasto к системе охлаждения
ты вход на печку с двигателя то заглушил?
-
voron100
- Сообщения: 353
- Зарегистрирован: Сб июн 11, 2011 9:53 am
- Репутация: 3
- Модель: Audi Q7
- Мотор: BAR 4.2
- Город: Новый Уренгой
- Имя: Валентин
Re: подключение webasto к системе охлаждения
Да заглушил.
-
dimutik
- Член Клуба
- Сообщения: 2261
- Зарегистрирован: Вт июн 15, 2010 8:26 pm
- Награды: 1
- Репутация: 77
- Модель: A8D3 BARABAN
- Мотор: BFM
- Город: Переславль-Залесский
- Имя: Дмитрий
Re: подключение webasto к системе охлаждения
вход на вебасто понятно- со шланга радиатора, а выход с вебасто куда подключил?
-
voron100
- Сообщения: 353
- Зарегистрирован: Сб июн 11, 2011 9:53 am
- Репутация: 3
- Модель: Audi Q7
- Мотор: BAR 4.2
- Город: Новый Уренгой
- Имя: Валентин
Re: подключение webasto к системе охлаждения
В подачу печки естественно






