Замена заднего дивана, на диван с электрикой и попогревами
-
- Реклама
-
Alcogol
- Почетный член Клуба
- Сообщения: 3597
- Зарегистрирован: Вт сен 09, 2008 11:35 am
- Награды: 1
- Репутация: 108
- Модель: A4 B6
- Мотор: 1.8T
- Город: Msk
- Имя: Андрей
- Откуда: Москва
Регулировка и подкачка питаются от другой фишки нежели подогрев. Прозванивать надо. А там уже сам думаю откуда легче начать, либо сидение заднего дивана открутить, либо консольку с реостатиками разобрать. В обеих точках замерить приходит ли туда что-нибудь из 12 вольтOSA писал(а):Всем привет!
Проблемка с подогревом заднего сиденья,перестали греть сразу с левой и правой стороны.
предахронитель в багажнике проверил (нормальный)
Подскажите где ещё чего смотреть?
Остальные регулировки и подкачка работают.
А далее пиши. Впринципе ничего сложного, обычный метод исключения

-
Alcogol
- Почетный член Клуба
- Сообщения: 3597
- Зарегистрирован: Вт сен 09, 2008 11:35 am
- Награды: 1
- Репутация: 108
- Модель: A4 B6
- Мотор: 1.8T
- Город: Msk
- Имя: Андрей
- Откуда: Москва
ну соответственно если доходит до реостата, но от него не доходит до фишки, значит реостатик, если и до фишки доходит под задним сидением значит надо проверить ту кнопку которая срабатывает при погружении тела в сидение, далее убедиться в том что терморезисторы исправны и если всё работает нижеперечисленное и сидуха не греет то значит сам элемент... Думаю примерно так

-
Numenor
- Почетный член Клуба
- Сообщения: 3659
- Зарегистрирован: Чт авг 07, 2008 8:23 am
- Награды: 1
- Репутация: 56
- Модель: ...
- Мотор: ...
- Город: Питер
- Имя: АлексеЙ
Подскажи тогда уж и мне, Андрей, раз владеешь вопросом.
У меня подогрев водительского сидения работает только по бокам. Причем и спинка и подушка. А само очковое место и позвоночник промерзают
И отсоединял фишку зеленую под сидением и делал замеры тестером. С реостата приходит на обогрев 1,67в ( 3-й коричневый и 4-й ч.-желтый контакты);
А на температурный сенсор 7,35в ( 3-й коричневый и 2-й ч.-белый контакты). Смена положений реостата не даёт изменений показаний тестера.
Это при включенном зажигании и пустом сидении водителя.
Пассажирская сторона греет нормально. Спасибо.
У меня подогрев водительского сидения работает только по бокам. Причем и спинка и подушка. А само очковое место и позвоночник промерзают
И отсоединял фишку зеленую под сидением и делал замеры тестером. С реостата приходит на обогрев 1,67в ( 3-й коричневый и 4-й ч.-желтый контакты);
А на температурный сенсор 7,35в ( 3-й коричневый и 2-й ч.-белый контакты). Смена положений реостата не даёт изменений показаний тестера.
Это при включенном зажигании и пустом сидении водителя.
Пассажирская сторона греет нормально. Спасибо.
Предельная глубина у всех разная, у каждого своя.
-
Alcogol
- Почетный член Клуба
- Сообщения: 3597
- Зарегистрирован: Вт сен 09, 2008 11:35 am
- Награды: 1
- Репутация: 108
- Модель: A4 B6
- Мотор: 1.8T
- Город: Msk
- Имя: Андрей
- Откуда: Москва
Numenor писал(а):Подскажи тогда уж и мне, Андрей, раз владеешь вопросом.
У меня подогрев водительского сидения работает только по бокам. Причем и спинка и подушка. А само очковое место и позвоночник промерзают![]()
И отсоединял фишку зеленую под сидением и делал замеры тестером. С реостата приходит на обогрев 1,67в ( 3-й коричневый и 4-й ч.-желтый контакты);
А на температурный сенсор 7,35в ( 3-й коричневый и 2-й ч.-белый контакты). Смена положений реостата не даёт изменений показаний тестера.
Это при включенном зажигании и пустом сидении водителя.
Пассажирская сторона греет нормально. Спасибо.
1.67 вольт это наверно маловато. я у себя кинул 12 вольт на подогрев. устройство самого элемента обогревающего не знаю, странно что кусками так работает, если там параллельно разные сегменты подключены, то вполне вероятно что обогрев может так кусками работать если некоторые из них вышли из строя... Может их попробовать запитать без реостата? Как бы напрямую в качестве проверки?

-
Numenor
- Почетный член Клуба
- Сообщения: 3659
- Зарегистрирован: Чт авг 07, 2008 8:23 am
- Награды: 1
- Репутация: 56
- Модель: ...
- Мотор: ...
- Город: Питер
- Имя: АлексеЙ
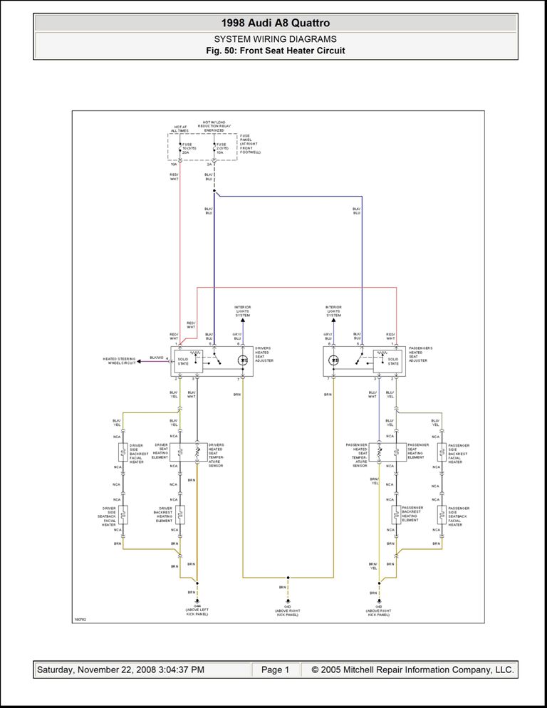
Схема от дорестайла, но думаю у меня принцип такой же.
Подключение греющего элемента производил напрямую от свободного аккумулятора. Ждал минут 5 пока нагреется, боковины чуть-чуть нагрелись( а может рукой нагрел в нетерпении
), остальное -нет.
Неужели элемент заломан...
Подключение греющего элемента производил напрямую от свободного аккумулятора. Ждал минут 5 пока нагреется, боковины чуть-чуть нагрелись( а может рукой нагрел в нетерпении
Неужели элемент заломан...
Предельная глубина у всех разная, у каждого своя.
-
Alcogol
- Почетный член Клуба
- Сообщения: 3597
- Зарегистрирован: Вт сен 09, 2008 11:35 am
- Награды: 1
- Репутация: 108
- Модель: A4 B6
- Мотор: 1.8T
- Город: Msk
- Имя: Андрей
- Откуда: Москва
ну тогда по идее он и от батарейки пальчиковой в полтора вольта должен нагреться...Numenor писал(а):Замерил точно, только если зависимость есть от присутствия водителя, тогда...
по поводу напряжения прокомментировать эти 1.6 не могу... Не пойму в чём дело
тут не в напряжении похоже дело, реально сам элемент пострадал и греет только сбоку. с этим надо как то бороться

- moto73
- Член Клуба
- Сообщения: 3105
- Зарегистрирован: Чт мар 28, 2013 6:59 pm
- Репутация: 40
- Модель: Киа
- Мотор: 2,5 tdi
- Город: Ульяновск
- Имя: Максим
Re: Замена заднего дивана, на диван с электрикой и попогрева
Обратимся вновь к старой, но полезной теме)) У меня сейчас такая же картина. То есть остальные фишки просто болтаюся без дела, а одна подключена всего??Alcogol писал(а):Спинка одна так и осталась на 500 ом и ваг ком не ругается когда она подкючена как датчик.
В любой ситуации нужно оставаться человеком...
- moto73
- Член Клуба
- Сообщения: 3105
- Зарегистрирован: Чт мар 28, 2013 6:59 pm
- Репутация: 40
- Модель: Киа
- Мотор: 2,5 tdi
- Город: Ульяновск
- Имя: Максим
Re: Замена заднего дивана, на диван с электрикой и попогрева
Мужики, а одиночная красная фишка? Это же провод идет к центральной панели на кнопку опускания подголовников?
В любой ситуации нужно оставаться человеком...
- Stanislav
- Член Клуба
- Сообщения: 598
- Зарегистрирован: Чт июн 18, 2015 6:44 pm
- Репутация: 14
- Модель: S8 2008
- Мотор: BSM 5.2
- Город: Асбест
- Имя: Стас
Замена заднего дивана, на диван с электрикой и попогревами
Всем привет! Если у меня из старых сидений выходило две фишки с каждой стороны, две двух контактных и две с одним контактом, я подключаю две двухконтактные и айрбек работает? Может быть, что датчика присутствия у меня на машине нет?
Audi 80 1.9 TD 1994 г.в. - продал
Audi A6 2.6 1996 г.в. - продал
Audi A8 3.3 TDI quattro 2002 г.в. - продал
Audi A6 2.4 quattro 2001 г.в. - продал
Audi A3 2.0 TFSI quattro 2008 г.в. - катаюсь
Audi S8 5.2 2008 г.в. - кайфую)))
Audi A6 2.6 1996 г.в. - продал
Audi A8 3.3 TDI quattro 2002 г.в. - продал
Audi A6 2.4 quattro 2001 г.в. - продал
Audi A3 2.0 TFSI quattro 2008 г.в. - катаюсь
Audi S8 5.2 2008 г.в. - кайфую)))







