Проводка для задних сидений с подкачкой спины

Все вопросы по сиденьям, память, подогрев сидений, регулировки. Подлокотники. Подключение сидений, блоки управления.
kostik60

Ветеран Клуба
Член Клуба
Сообщения: 308
Зарегистрирован: Чт сен 18, 2008 8:30 pm
Награды: 1
Репутация: 20
Модель: A8 2010
Мотор: CDRA 4.2
Город: Апатиты
Имя: Костя
Откуда: Апатиты, Мурманская обл.
Контактная информация:

Проводка для задних сидений с подкачкой спины

Сообщение kostik60 »

После пожара поменял занее сидение и спинку (Recaro) было обычное (датчики присутствия и поковые аэрбэги) стало дополнительно с электрорегулировкой подголовников и подкачкой спины и ещё под сидением под каждой стороной механические устройства в виде пластин, которые замыкают маленькое реле при минимальном касании сидения, типа по смыслу, как датчик присутствия, соответственно появились дополнительные провода. Кто бы подсказал что и куда и нового должно идти, и еще нигде не могу найти информацию про эти реле присутствия (не путать с сенсорными матами присутствия)? (на спинке дополнительно появился большой синий круглый разъем папа 3 провода кр.бел.,кр.черн.,кр.бел. толстый; на сидении - справа большой красный круглый папа 4 провода черн.бел.,черн.жел.,кор.черн.,кор.син., а слева такой же зеленый)
заранее благодарен за ответ
были 1997 3.7 Quattro, 1998 3.7 Quattro, 2004 4.2 BFM
Аватара пользователя
Akin
Президент Клуба
Сообщения: 28003
Зарегистрирован: Пн авг 27, 2007 2:01 am
Репутация: 643
Модель: ___
Мотор: ___
Город: Королев
Имя: Владислав
Откуда: Москва

Сообщение Akin »

Это датчик присутствия для подогрева сидений.
Вложения
.JPG
.JPG (20.25 КБ) 4548 просмотров
kostik60

Ветеран Клуба
Член Клуба
Сообщения: 308
Зарегистрирован: Чт сен 18, 2008 8:30 pm
Награды: 1
Репутация: 20
Модель: A8 2010
Мотор: CDRA 4.2
Город: Апатиты
Имя: Костя
Откуда: Апатиты, Мурманская обл.
Контактная информация:

Сообщение kostik60 »

Т.е. теоретически эти сидения с подогревом? но на той машине с которой снимал регуляторов подогрева на центральном тонеле сзади по-моему не было :(
были 1997 3.7 Quattro, 1998 3.7 Quattro, 2004 4.2 BFM
kostik60

Ветеран Клуба
Член Клуба
Сообщения: 308
Зарегистрирован: Чт сен 18, 2008 8:30 pm
Награды: 1
Репутация: 20
Модель: A8 2010
Мотор: CDRA 4.2
Город: Апатиты
Имя: Костя
Откуда: Апатиты, Мурманская обл.
Контактная информация:

Сообщение kostik60 »

Да и кстати откуда рисуночек с релюхами ?
были 1997 3.7 Quattro, 1998 3.7 Quattro, 2004 4.2 BFM
Аватара пользователя
Akin
Президент Клуба
Сообщения: 28003
Зарегистрирован: Пн авг 27, 2007 2:01 am
Репутация: 643
Модель: ___
Мотор: ___
Город: Королев
Имя: Владислав
Откуда: Москва

Сообщение Akin »

Схема проводки регулировок заднего сиденья.
Вложения
.JPG
Аватара пользователя
Akin
Президент Клуба
Сообщения: 28003
Зарегистрирован: Пн авг 27, 2007 2:01 am
Репутация: 643
Модель: ___
Мотор: ___
Город: Королев
Имя: Владислав
Откуда: Москва

Сообщение Akin »

Схема задних электроподголовников
Вложения
.JPG
Аватара пользователя
Akin
Президент Клуба
Сообщения: 28003
Зарегистрирован: Пн авг 27, 2007 2:01 am
Репутация: 643
Модель: ___
Мотор: ___
Город: Королев
Имя: Владислав
Откуда: Москва

Сообщение Akin »

kostik60 писал(а):Да и кстати откуда рисуночек с релюхами ?
Из ЕТКА.
Аватара пользователя
Akin
Президент Клуба
Сообщения: 28003
Зарегистрирован: Пн авг 27, 2007 2:01 am
Репутация: 643
Модель: ___
Мотор: ___
Город: Королев
Имя: Владислав
Откуда: Москва

Сообщение Akin »

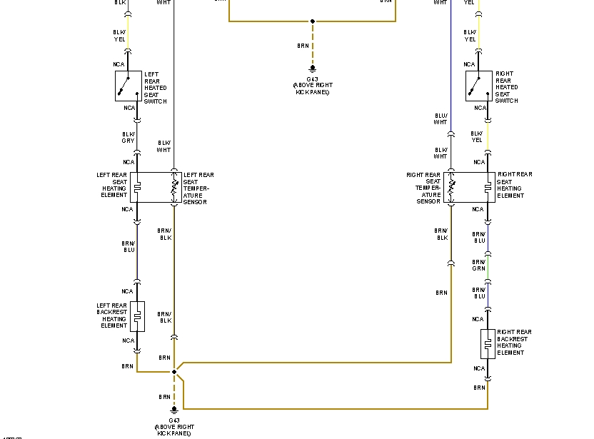
Подогрев:
Вложения
.JPG
.JPG
Аватара пользователя
Akin
Президент Клуба
Сообщения: 28003
Зарегистрирован: Пн авг 27, 2007 2:01 am
Репутация: 643
Модель: ___
Мотор: ___
Город: Королев
Имя: Владислав
Откуда: Москва

Сообщение Akin »

Теперь по схемам сам разберешься...
kostik60

Ветеран Клуба
Член Клуба
Сообщения: 308
Зарегистрирован: Чт сен 18, 2008 8:30 pm
Награды: 1
Репутация: 20
Модель: A8 2010
Мотор: CDRA 4.2
Город: Апатиты
Имя: Костя
Откуда: Апатиты, Мурманская обл.
Контактная информация:

Сообщение kostik60 »

Спасибо завтра попробую :)
были 1997 3.7 Quattro, 1998 3.7 Quattro, 2004 4.2 BFM
kostik60

Ветеран Клуба
Член Клуба
Сообщения: 308
Зарегистрирован: Чт сен 18, 2008 8:30 pm
Награды: 1
Репутация: 20
Модель: A8 2010
Мотор: CDRA 4.2
Город: Апатиты
Имя: Костя
Откуда: Апатиты, Мурманская обл.
Контактная информация:

Сообщение kostik60 »

Да судя по клеммам и расцветке проводов подогрев конкретно есть. надо только кнопки регулировки достать и еще там две релюхи по схеме на конце висят - интересно они теже самые что и для переда или другие ?
были 1997 3.7 Quattro, 1998 3.7 Quattro, 2004 4.2 BFM
Аватара пользователя
Alcogol

Ветеран Клуба
Почетный член Клуба
Сообщения: 3597
Зарегистрирован: Вт сен 09, 2008 11:35 am
Награды: 1
Репутация: 108
Модель: A4 B6
Мотор: 1.8T
Город: Msk
Имя: Андрей
Откуда: Москва

Сообщение Alcogol »

ну что ты всё подключил? самого теперь подобное шаманство интересует
Изображение
Аватара пользователя
vovvw

Ветеран Клуба
Почетный член Клуба
Почетный член  Клуба
Сообщения: 8429
Зарегистрирован: Ср сен 26, 2007 8:42 am
Награды: 1
Репутация: 61
Модель: I-Pace
Мотор: Permanent magnet
Город: Киров
Имя: Владимир

Сообщение vovvw »

kostik60 писал(а):Да судя по клеммам и расцветке проводов подогрев конкретно есть. надо только кнопки регулировки достать и еще там две релюхи по схеме на конце висят - интересно они теже самые что и для переда или другие ?
А спереди релюх нет...
kostik60

Ветеран Клуба
Член Клуба
Сообщения: 308
Зарегистрирован: Чт сен 18, 2008 8:30 pm
Награды: 1
Репутация: 20
Модель: A8 2010
Мотор: CDRA 4.2
Город: Апатиты
Имя: Костя
Откуда: Апатиты, Мурманская обл.
Контактная информация:

Сообщение kostik60 »

Сидухами еще не занимался - пока кузов не заварю салон не собрать. Как соберу обязалово напишу :)
были 1997 3.7 Quattro, 1998 3.7 Quattro, 2004 4.2 BFM
Аватара пользователя
Дима999

Ветеран Клуба
Член Клуба
Сообщения: 1455
Зарегистрирован: Чт авг 21, 2008 8:39 pm
Награды: 1
Репутация: 23
Модель: w221
Мотор: s500
Город: Мытищи

Сообщение Дима999 »

Я на Д2 при перешивке салона в задний диван попогрев Емеля поставил и регуляторы в штатные места поставил - бюджетно и эстетично
Аватара пользователя
Alcogol

Ветеран Клуба
Почетный член Клуба
Сообщения: 3597
Зарегистрирован: Вт сен 09, 2008 11:35 am
Награды: 1
Репутация: 108
Модель: A4 B6
Мотор: 1.8T
Город: Msk
Имя: Андрей
Откуда: Москва

Сообщение Alcogol »

схемки не совсем понятные.

может кто подскажет по распиновке разъёмов? что и куда?

появились следующие незадействованные разъёмы
Вложения
два таких разъёма, догадываюсь что под правую и левую часть. пара контактов при замыкании датчика на подогревы прозванивается между собой и по сопротивлению похоже на подогревы
два таких разъёма, догадываюсь что под правую и левую часть. пара контактов при замыкании датчика на подогревы прозванивается между собой и по сопротивлению похоже на подогревы
вот такой вот синенький разъём, парного не нашёл
вот такой вот синенький разъём, парного не нашёл
и вот такой вот красненький разъёмчик
и вот такой вот красненький разъёмчик
Изображение
Аватара пользователя
Alcogol

Ветеран Клуба
Почетный член Клуба
Сообщения: 3597
Зарегистрирован: Вт сен 09, 2008 11:35 am
Награды: 1
Репутация: 108
Модель: A4 B6
Мотор: 1.8T
Город: Msk
Имя: Андрей
Откуда: Москва

Сообщение Alcogol »

нашёл данные по синему разъёму, это похоже управление подголовниками. сейчас ещё постараюсь дальше посмотреть
Вложения
6.JPG
Изображение
Аватара пользователя
Alcogol

Ветеран Клуба
Почетный член Клуба
Сообщения: 3597
Зарегистрирован: Вт сен 09, 2008 11:35 am
Награды: 1
Репутация: 108
Модель: A4 B6
Мотор: 1.8T
Город: Msk
Имя: Андрей
Откуда: Москва

Сообщение Alcogol »

а это собственно красный четырёхконтактный коннектор, выкладываю схему. зелёный имеет аналогичную схему подключения так что выкладывать не буду. так что четырёхконтактные зелёный и красный это исключительно подогревы
Вложения
7.JPG
Изображение
Аватара пользователя
Alcogol

Ветеран Клуба
Почетный член Клуба
Сообщения: 3597
Зарегистрирован: Вт сен 09, 2008 11:35 am
Награды: 1
Репутация: 108
Модель: A4 B6
Мотор: 1.8T
Город: Msk
Имя: Андрей
Откуда: Москва

Сообщение Alcogol »

остался красный, выходит он на подвод питания к управлению подкачкой?
Изображение
Аватара пользователя
vovvw

Ветеран Клуба
Почетный член Клуба
Почетный член  Клуба
Сообщения: 8429
Зарегистрирован: Ср сен 26, 2007 8:42 am
Награды: 1
Репутация: 61
Модель: I-Pace
Мотор: Permanent magnet
Город: Киров
Имя: Владимир

Сообщение vovvw »

Alcogol писал(а):остался красный, выходит он на подвод питания к управлению подкачкой?
У меня подкачки нет, а вот четырехконтактные разьемы есть, похоже и датчик присутствия и терморезистор прямо через них выведены...
А из спинки у меня круглые двухконтактные разьемы идут
Аватара пользователя
Alcogol

Ветеран Клуба
Почетный член Клуба
Сообщения: 3597
Зарегистрирован: Вт сен 09, 2008 11:35 am
Награды: 1
Репутация: 108
Модель: A4 B6
Мотор: 1.8T
Город: Msk
Имя: Андрей
Откуда: Москва

Сообщение Alcogol »

кстати, датчики присутствия для аирбэга на новых сидухах не нашёл. на старых такой маленький чёрный двухконтактный разъём, отключил его и не пойму где на новых. VAG COM показывает что они не работают. Больше по аирбэгам ошибок нет. Так вот, датчики присутствия для попогрева работают только для попогрева, они и идут в разрыв провода попогрева как я понял. потому как тестером прозванивал контакты этих четырёхконтактных фишек и когда руками нажимал на ту саму пластину, которая замыкала цепь попогрева, на тестере появлялось сопротивление похожее на сопротивление термоэлемента.
Изображение
Аватара пользователя
Alcogol

Ветеран Клуба
Почетный член Клуба
Сообщения: 3597
Зарегистрирован: Вт сен 09, 2008 11:35 am
Награды: 1
Репутация: 108
Модель: A4 B6
Мотор: 1.8T
Город: Msk
Имя: Андрей
Откуда: Москва

Сообщение Alcogol »

и до сих пор остро стоит вопрос о красной двухконтактной фишке на последней фотографии. может я парную конечно и упустил, но даже так понять не могу к чему она. по эльзе что-то не очень понятно
Изображение
Аватара пользователя
vovvw

Ветеран Клуба
Почетный член Клуба
Почетный член  Клуба
Сообщения: 8429
Зарегистрирован: Ср сен 26, 2007 8:42 am
Награды: 1
Репутация: 61
Модель: I-Pace
Мотор: Permanent magnet
Город: Киров
Имя: Владимир

Сообщение vovvw »

Alcogol писал(а):кстати, датчики присутствия для аирбэга на новых сидухах не нашёл. на старых такой маленький чёрный двухконтактный разъём, отключил его и не пойму где на новых.
У меня есть черные двухконтактные
Alcogol писал(а):Так вот, датчики присутствия для попогрева работают только для попогрева
Ну это и по схеме видно
Аватара пользователя
Alcogol

Ветеран Клуба
Почетный член Клуба
Сообщения: 3597
Зарегистрирован: Вт сен 09, 2008 11:35 am
Награды: 1
Репутация: 108
Модель: A4 B6
Мотор: 1.8T
Город: Msk
Имя: Андрей
Откуда: Москва

Сообщение Alcogol »

Я немножечко в тупике.
Короче как будет время снова демонтирую задний диван и попробую посмотреть провода и с тестером полазить что и как.
Может ответ выплывет сам.
Изображение
Аватара пользователя
Akin
Президент Клуба
Сообщения: 28003
Зарегистрирован: Пн авг 27, 2007 2:01 am
Репутация: 643
Модель: ___
Мотор: ___
Город: Королев
Имя: Владислав
Откуда: Москва

Сообщение Akin »

Может, красная фишка - это датчик присутствия для подушек?
Ответить

Вернуться в «Сиденья»