FAQ.Вентиляция картера
-
- Реклама
- Akin
- Президент Клуба
- Сообщения: 27988
- Зарегистрирован: Пн авг 27, 2007 2:01 am
- Репутация: 643
- Модель: ___
- Мотор: ___
- Город: Королев
- Имя: Владислав
- Откуда: Москва
FAQ.Вентиляция картера
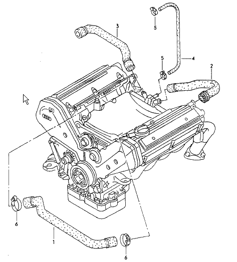
Система вентиляции картера склонна к загрязнению отложениями масла и остатками продуктов сгорания смеси, попадающими в картер. За счет этого снижается пропускная способность системы, разрушаются маслостойкие патрубки, забивается или разрушается клапан маслоотделителя. Симптомы неисправностей – неприятный запах горелого масла при увеличении оборотов двигателя, ошибочная работа датчика уровня масла (если он присутствует в системе), дым из выхлопной трубы при пуске двигателя.
Разрушение патрубков и последующий подсос воздуха приводят к неправильному образованию смеси, что сказывается на мощности и расходе бензина.
Побочные эффекты – засор клапана ХХ и дросселя маслом и отложениями, которые мешают нормальной работе этих устройств. В сильный мороз, масляная пленка каменеет и препятствует нормальной работе двигающихся частей, что приводит к «зависанию» оборотов двигателя, неправильным показаниям датчика температуры всасываемого воздуха и некоторым другим проблемам...
На машинах до 1999 года выпуска система состояла только из патрубков, потом, после 1999 года, добавили специальный клапан маслоотделитель.
Для промывки системы необходим демонтаж патрубков и чистка бензином или растворителем. Разрушенные патрубки нужно заменить, восстановив герметичность системы.
Список деталей системы:
8 цилиндров, до 1999 года: 1 - патрубок 077103221E
2 – патрубок 077103221D
3 – патрубок 077103221K (до 4D-R-000366 использовать с патрубком 077129627E)
4 – шланг N0202821 (укоротить до 275мм), заказывается по 5м
8 цилиндров, бензин 1999-2002 1- патрубок 077103221L
2 – патрубок 077103221N
3 – патрубок 077103221P
10 – трубка 077103215B
11 – патрубок 077103221S
8- клапан маслоотделитель 077103245B
Разрушение патрубков и последующий подсос воздуха приводят к неправильному образованию смеси, что сказывается на мощности и расходе бензина.
Побочные эффекты – засор клапана ХХ и дросселя маслом и отложениями, которые мешают нормальной работе этих устройств. В сильный мороз, масляная пленка каменеет и препятствует нормальной работе двигающихся частей, что приводит к «зависанию» оборотов двигателя, неправильным показаниям датчика температуры всасываемого воздуха и некоторым другим проблемам...
На машинах до 1999 года выпуска система состояла только из патрубков, потом, после 1999 года, добавили специальный клапан маслоотделитель.
Для промывки системы необходим демонтаж патрубков и чистка бензином или растворителем. Разрушенные патрубки нужно заменить, восстановив герметичность системы.
Список деталей системы:
8 цилиндров, до 1999 года: 1 - патрубок 077103221E
2 – патрубок 077103221D
3 – патрубок 077103221K (до 4D-R-000366 использовать с патрубком 077129627E)
4 – шланг N0202821 (укоротить до 275мм), заказывается по 5м
8 цилиндров, бензин 1999-2002 1- патрубок 077103221L
2 – патрубок 077103221N
3 – патрубок 077103221P
10 – трубка 077103215B
11 – патрубок 077103221S
8- клапан маслоотделитель 077103245B
-
Slava_A4
- Почетный член Клуба

- Сообщения: 2211
- Зарегистрирован: Чт сен 27, 2007 3:41 pm
- Награды: 1
- Репутация: 60
- Модель: A6 C5 2003
- Мотор: 2.7T BES
- Город: Москва, САО
- Откуда: Россия
Вентиляция картера
Слав, а если никаких симптомов нету, стоит ради профилактики проверить как там и что? Через какой интервал?
-
vovvw
- Почетный член Клуба

- Сообщения: 8429
- Зарегистрирован: Ср сен 26, 2007 8:42 am
- Награды: 1
- Репутация: 61
- Модель: I-Pace
- Мотор: Permanent magnet
- Город: Киров
- Имя: Владимир
Вентиляция картера
Обычно профилактику проводят перед пересаживанием на D3Slava_A4 писал(а):Слав, а если никаких симптомов нету, стоит ради профилактики проверить как там и что? Через какой интервал?
-
Slava_A4
- Почетный член Клуба

- Сообщения: 2211
- Зарегистрирован: Чт сен 27, 2007 3:41 pm
- Награды: 1
- Репутация: 60
- Модель: A6 C5 2003
- Мотор: 2.7T BES
- Город: Москва, САО
- Откуда: Россия
Вентиляция картера
vovvw писал(а):Обычно профилактику проводят перед пересаживанием на D3
-
Anox
- Член Клуба
- Сообщения: 409
- Зарегистрирован: Чт янв 03, 2008 5:39 pm
- Награды: 1
- Репутация: 32
- Модель: S8, 1998
- Мотор: AKH, 4172
- Город: Москва
- Имя: Антон
- Контактная информация:
Предлагаю перенести информацию в "ФАК". Уж очень востребованная на самом деле.Akin писал(а):Продолжение следует...
У меня 1 - патрубок (077103221E) перетерся практически пластиковой декоративной панелью. Заметил позднова-то, вроде года не прошло как поменял.
Honk your horn three times if you have never been shot at from the S8
-
dasus
- Почетный член Клуба
- Сообщения: 1151
- Зарегистрирован: Пт янв 25, 2008 2:42 pm
- Награды: 1
- Репутация: 41
- Модель: A8 2012
- Мотор: 3.0 TDI
- Город: Харьков
- Откуда: Харьков
я вчера этот клапан маслоуловитель разобрал и перемыл очистителем карба.
оченьмного гари было)) и с обеих сторон было видно масло т.е. как я понимаю возможно это даст снижение расхода масла.
помыл так же патрубки, в них грязь была но не много.
посмотрим что это даст относительно снижения расхода масла.
рекомендую всем не ленится а клапан разбирать, САМОЕ ГЛАВНОЕ ПО ПЕРИМЕТРУ МЕМБРАНЫ ОТВЕРТОЧКОЙ НАГАР ПО КРАЯМ СЧИСТИТЬ ИНАЧЕ ЭФЕКТА НЕ БУДЕТ!!! иначе вся чистка в основном будет мнимой и эфекта не будет))
оченьмного гари было)) и с обеих сторон было видно масло т.е. как я понимаю возможно это даст снижение расхода масла.
помыл так же патрубки, в них грязь была но не много.
посмотрим что это даст относительно снижения расхода масла.
рекомендую всем не ленится а клапан разбирать, САМОЕ ГЛАВНОЕ ПО ПЕРИМЕТРУ МЕМБРАНЫ ОТВЕРТОЧКОЙ НАГАР ПО КРАЯМ СЧИСТИТЬ ИНАЧЕ ЭФЕКТА НЕ БУДЕТ!!! иначе вся чистка в основном будет мнимой и эфекта не будет))
torsen only quattro
- Diesel
- Сообщения: 174
- Зарегистрирован: Ср апр 30, 2008 2:37 pm
- Репутация: 1
- Модель: А8 1994
- Мотор: ABZ 4.2
- Город: Москва
- Контактная информация:
Вопрос к мастерам: на авто 94 года, есть какой-нибудь клапал улавливающий масло как на 1999г.? Хотелось бы сразу заказать все и пойти на выходные покапаться и ради профилактики поменять, чтобы в процессе не подпрыгивать. Патрубки заказал, прокладки крышек заказал, растворитель приобрел, бензин есть, хому ты тоже...есть ли еще какие-то в этом районе (вентеляции) расходники? 
За каждое не скромное желание, приходится платить. (с)
- Akin
- Президент Клуба
- Сообщения: 27988
- Зарегистрирован: Пн авг 27, 2007 2:01 am
- Репутация: 643
- Модель: ___
- Мотор: ___
- Город: Королев
- Имя: Владислав
- Откуда: Москва
Нет, на дорестайле клапана-грибка нет, его роль выполняет металлический патрубок, который отлично моется.Diesel писал(а):Вопрос к мастерам: на авто 94 года, есть какой-нибудь клапал улавливающий масло как на 1999г.? Хотелось бы сразу заказать все и пойти на выходные покапаться и ради профилактики поменять, чтобы в процессе не подпрыгивать. Патрубки заказал, прокладки крышек заказал, растворитель приобрел, бензин есть, хому ты тоже...есть ли еще какие-то в этом районе (вентеляции) расходники?
В перечисленных запчастях ты вроде ничего не забыл.
- dgipa2007
- Член Клуба
- Сообщения: 98
- Зарегистрирован: Чт май 15, 2008 5:34 pm
- Репутация: 0
- Модель: A8 97г.
- Мотор: ABZ 4,2л.
- Город: Москва
Если я правельно думаю то шланг (на фото №4) идет к дросельному узлу ,если я неправ поправьте. У меня этот шланг от старости сломался, а штуцер на дрос. узле забит какойто толи грязью толи сажей. Езжу так как есть. Такой вопрос, на что это может влиять и если заменить этот шланг как достать до штуцера на движке? Спосибо !
- dgipa2007
- Член Клуба
- Сообщения: 98
- Зарегистрирован: Чт май 15, 2008 5:34 pm
- Репутация: 0
- Модель: A8 97г.
- Мотор: ABZ 4,2л.
- Город: Москва
А как достать до штуцера на движке, а то у меня этот шланг отломился гдето чуть ниже дрос. узла и так нижний кусок гдето балтается. Хочется шланг заменить но не хочется разбирать лишнего.Akin писал(а):Правильно, именно через этот шланг и идет отсос картерных газов. Если не прочистить, то при хорошей перегазовке может сальник выдавить какой-нибудь, или прокладка потечет.
-
ruslanA8
- Сообщения: 37
- Зарегистрирован: Вс апр 27, 2008 9:22 pm
- Репутация: 0
- Модель: А8 1996
- Мотор: ABZ 4.2
- Город: Назрань
Привет всем. Вчера хотел поменять эти патрубки, но столкнулся с проблемой, дросель снял, а вот добраться к нижним хомутам не смог, мешает ерундень(не знаю как называется) к которой крепится дросель, она крепится четырьмя болтами, верхние открутить легко а до нижних простой звездочкой не добраться,патрубок №2 порван. После сборки мотор не хотел заводиться.завелся на третий раз.Сегодня та же картина,что случилось??? все датчики вроде подключил, может из-за патрубка №2, я его чуть порвал. диагностику сейчас сделать не могу т.к. дома буду через 2 недели.может есть другой путь доступа к патрубкам???
- m7716
- Сообщения: 638
- Зарегистрирован: Вт фев 19, 2008 4:47 pm
- Репутация: 5
- Модель: была s8 1998
- Мотор: AKH 4200
- Город: Сергиев Посад
- Имя: Григорий
меня вот что заинтересовало - как крепится шланг №2 к головке?и какие соединения на хомутах,а какие просто натянуты на штуцера (если таковые имеютсяAkin писал(а):Продолжение следует...




