к.з. На плюс
Правила форума
Вопросы по расшифровке ошибок в этом разделе задавать запрещено, используйте соответствующие тематические форумы.
Вопросы по расшифровке ошибок в этом разделе задавать запрещено, используйте соответствующие тематические форумы.
-
- Реклама
-
дима
- Сообщения: 180
- Зарегистрирован: Сб авг 27, 2011 1:55 pm
- Награды: 1
- Репутация: 0
- Модель: a8 2001
- Мотор: не установлен
- Город: владикавказ
- Имя: дима
к.з. На плюс
Доброго времени. Электронщики подскажите. Ваг ком в любом блоке на тесте исполнителей на все тесты пишет — к.з. На плюс- . Второй вопрос. Авто когда то до меня была в угоне, вина на кузове и в компе нет. Вместо вина хххххх Даже колодки заказать проблема. Мож кто знает как его достать. Ну и третий есть у кого распиновка эбу акпп 5hp19 fbb. Ваг ком ругается на позиционер селектора. Я его снял, разобрал, прозвонил, все норм, но ваг ком всё так же ругается. R авария D не зажигается. 4-ка ставится. Хочу проводку прозвонить.
Заранее спасибо.
Заранее спасибо.
- Akin
- Президент Клуба
- Сообщения: 27952
- Зарегистрирован: Пн авг 27, 2007 2:01 am
- Репутация: 643
- Модель: ___
- Мотор: ___
- Город: Королев
- Имя: Владислав
- Откуда: Москва
к.з. На плюс
А другим шнурком были попытки сделать тест исполнителей?
Год машины и двигатель какой, там распиновка разная..
Год машины и двигатель какой, там распиновка разная..
-
дима
- Сообщения: 180
- Зарегистрирован: Сб авг 27, 2011 1:55 pm
- Награды: 1
- Репутация: 0
- Модель: a8 2001
- Мотор: не установлен
- Город: владикавказ
- Имя: дима
к.з. На плюс
Да. У меня их два. Сначала один шнурок перестал видеть блок двигателя. Купил другой, тоже не видит. Потом в нете посмотрел. Спаял две ноги у шнурка и заработало. Но тест всегда к.з. на плюс показывал. Год 2001 мотор 3,7. Или AQG или AKC
-
xrom12345
- Член Клуба
- Сообщения: 1429
- Зарегистрирован: Вт сен 06, 2011 7:05 am
- Награды: 1
- Репутация: 14
- Модель: A8,2006
- Мотор: 3.0 ASB
- Город: Ростов-на-Дону
- Имя: Александр
- Откуда: Ростов-на-Дону
к.з. На плюс
Так Вам надо было с блоками разбираться, а не с шнурками.Обычный китайский шнурок синего цвета должен видеть двигатель без всяких перепаек.
-
дима
- Сообщения: 180
- Зарегистрирован: Сб авг 27, 2011 1:55 pm
- Награды: 1
- Репутация: 0
- Модель: a8 2001
- Мотор: не установлен
- Город: владикавказ
- Имя: дима
к.з. На плюс
Так когда работал без перепайек всё равно показывал к.з. Я грешу это самое к.з. Потому что ей угон делали и тогда что-то намудрили с блоками. Но я не электронщик не электрик. Просто хочу сам разобраться что да как. Выше уже писал даже колодки заказать неудобство. И потому что с блоками надо разбираться я и написал.
- Akin
- Президент Клуба
- Сообщения: 27952
- Зарегистрирован: Пн авг 27, 2007 2:01 am
- Репутация: 643
- Модель: ___
- Мотор: ___
- Город: Королев
- Имя: Владислав
- Откуда: Москва
к.з. На плюс
Это от 2001 года, коробка с S режимом на кулисе
- Вложения
-
- вин.docx
- (1.15 МБ) 54 скачивания
- Bruce Wayne
- Член Клуба
- Сообщения: 1038
- Зарегистрирован: Ср апр 21, 2021 6:00 pm
- Репутация: 18
- Модель: A8 D3
- Мотор: BFM
- Город: Екатеринбург
- Имя: Слава
- Откуда: Урал
к.з. На плюс
Кстати синий шнурок для D2 видел мой двигатель от D3. Но кроме двигателя на D3 он больше видеть ни один блок не захотел. Стало интересно, почему он видел ЭБУ двигателя? Он имеет резервную старую К линию?
«Ты заботишься о тачке, а она о тебе» Фрэнк Мартин
- Akin
- Президент Клуба
- Сообщения: 27952
- Зарегистрирован: Пн авг 27, 2007 2:01 am
- Репутация: 643
- Модель: ___
- Мотор: ___
- Город: Королев
- Имя: Владислав
- Откуда: Москва
к.з. На плюс
- Вложения
-
- VIN.docx
- (1.18 МБ) 74 скачивания
-
дима
- Сообщения: 180
- Зарегистрирован: Сб авг 27, 2011 1:55 pm
- Награды: 1
- Репутация: 0
- Модель: a8 2001
- Мотор: не установлен
- Город: владикавказ
- Имя: дима
к.з. На плюс
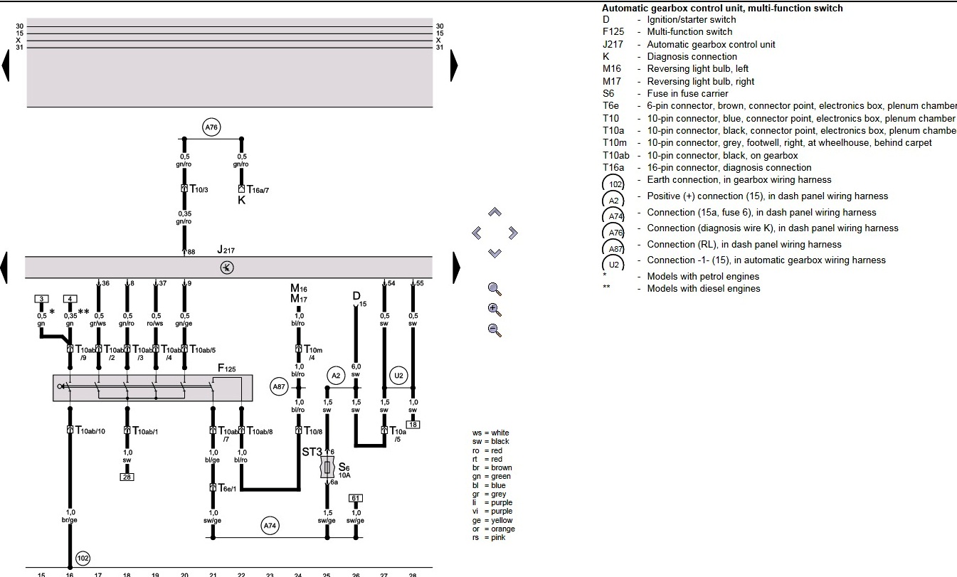
И вот ещё ставишь R если не падает в аварию то не включается. А на D по трассе то зажигается прямоугольник то тухнет, но едет. Бок вот такой
-
дима
- Сообщения: 180
- Зарегистрирован: Сб авг 27, 2011 1:55 pm
- Награды: 1
- Репутация: 0
- Модель: a8 2001
- Мотор: не установлен
- Город: владикавказ
- Имя: дима
к.з. На плюс
Комп подкинули другой. Такая же беда. Пока аварийный режим не загорится машина назад не едет.
-
дима
- Сообщения: 180
- Зарегистрирован: Сб авг 27, 2011 1:55 pm
- Награды: 1
- Репутация: 0
- Модель: a8 2001
- Мотор: не установлен
- Город: владикавказ
- Имя: дима
к.з. На плюс
Вот диагност даёт 80% что дело в многофункциональном переключателе. Мож мысли у кого какие есть?
-
дима
- Сообщения: 180
- Зарегистрирован: Сб авг 27, 2011 1:55 pm
- Награды: 1
- Репутация: 0
- Модель: a8 2001
- Мотор: не установлен
- Город: владикавказ
- Имя: дима
к.з. На плюс
Просто я не пойму. Если какая-то механическая поломка почему при аварийном режиме назад едет?
- Bruce Wayne
- Член Клуба
- Сообщения: 1038
- Зарегистрирован: Ср апр 21, 2021 6:00 pm
- Репутация: 18
- Модель: A8 D3
- Мотор: BFM
- Город: Екатеринбург
- Имя: Слава
- Откуда: Урал
к.з. На плюс
Очень похоже что либо переключатель либо мозги АКПП.
А что за датчик поменяли?
Последний раз редактировалось Bruce Wayne Пн окт 31, 2022 2:36 pm, всего редактировалось 1 раз.
«Ты заботишься о тачке, а она о тебе» Фрэнк Мартин
-
дима
- Сообщения: 180
- Зарегистрирован: Сб авг 27, 2011 1:55 pm
- Награды: 1
- Репутация: 0
- Модель: a8 2001
- Мотор: не установлен
- Город: владикавказ
- Имя: дима
к.з. На плюс
Не датчик а многофункциональный переключатель. Сегодня будем гидроблок снимать. Вроде там какое-то резиновое кольцо рвётся.








