Подскажите номерок
Правила форума
Название темы строго должно отображать наименование запчасти
Название темы строго должно отображать наименование запчасти
-
- Реклама
-
Johnny_78
- Член Клуба
- Сообщения: 440
- Зарегистрирован: Пн май 26, 2008 11:58 am
- Награды: 1
- Репутация: 7
- Модель: S8 2000
- Мотор: AQH
- Город: Питер
Подскажите номерок
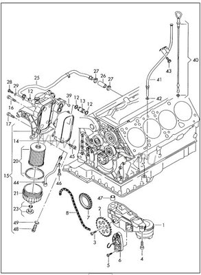
Приветствую всех! Ребят, подскажите номерок прокладки маслоохладителя, той что в виде восьмёрки.
-
Зима
- Член Клуба
- Сообщения: 2877
- Зарегистрирован: Пт дек 02, 2011 4:13 pm
- Награды: 1
- Репутация: 50
- Модель: А8 D2 Quattro 1998 г.
- Мотор: AKJ 3.7
- Город: Москва Зеленоград
- Имя: Евгений
- Откуда: СССР
Подскажите номерок
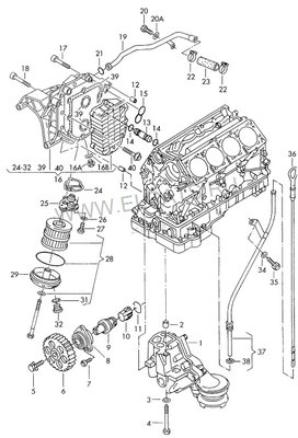
Если та, что под номером 15, то 077 115 441
Не зная не сна и не отдыха
При лунном и солнечном свете
Мы делаем деньги из воздуха
Чтоб снова спустить их на ветер!
При лунном и солнечном свете
Мы делаем деньги из воздуха
Чтоб снова спустить их на ветер!
-
Johnny_78
- Член Клуба
- Сообщения: 440
- Зарегистрирован: Пн май 26, 2008 11:58 am
- Награды: 1
- Репутация: 7
- Модель: S8 2000
- Мотор: AQH
- Город: Питер
Подскажите номерок
Да, только у меня это вот так выглядит)) Спасибо! 422р херасе 
Последний раз редактировалось Johnny_78 Пн фев 26, 2018 10:51 pm, всего редактировалось 1 раз.
-
АндрейS8
- Почетный член Клуба
- Сообщения: 11778
- Зарегистрирован: Вс фев 26, 2012 6:14 pm
- Награды: 3
- Репутация: 168
- Модель: А8 1995г. и Ауди 100Q 91г.
- Мотор: 4,2 ABZ и 2,0
- Город: Кострома
- Имя: Андрей
Подскажите номерок
Зима, ты прав,это она и есть.
VAG 077 115 441 Прокладка 3 дн.469 р.
VAG 077 115 441 Прокладка 3 дн.469 р.
Помним, любим, скорбим. Светлая память.
-
Dok
- Член Клуба
- Сообщения: 12731
- Зарегистрирован: Пн апр 15, 2013 9:44 am
- Награды: 2
- Репутация: 238
- Модель: не ауди
- Мотор: 2,5TDi
- Город: дорог
Подскажите номерок
ты вот сейчас теплообменник лучше сразу на латунной втулке собирай. сам себе спасибо скажешь
жри спи жми
-
Johnny_78
- Член Клуба
- Сообщения: 440
- Зарегистрирован: Пн май 26, 2008 11:58 am
- Награды: 1
- Репутация: 7
- Модель: S8 2000
- Мотор: AQH
- Город: Питер
Подскажите номерок
она у меня уже есть))






