Не могу победить отображение некоторых картинок
-
- Реклама
- Ron96
- Сообщения: 36
- Зарегистрирован: Ср ноя 12, 2014 7:48 am
- Репутация: 0
- Модель: A8 1995 г.в.
- Мотор: ABZ+CML(4HP24A)
- Город: Екатеринбург
- Имя: Роман
Не могу победить отображение некоторых картинок
Здравствуйте, изучил уже весь форум по ELSA, но так и не могу победить отсутствие отображения некоторых картинок. Двигатель собирать нужно, может кто поможет скринами экрана с необходимой мне информацией? Сил уже нет изучать возможные проблемы. Ауди А8 1995г.в. двигатель ABZ коробка CML, нужны разделы система смазки и система охлаждения. Там максимум 20 изображений. Буду очень благодарен.
-
АндрейS8
- Почетный член Клуба
- Сообщения: 11778
- Зарегистрирован: Вс фев 26, 2012 6:14 pm
- Награды: 3
- Репутация: 168
- Модель: А8 1995г. и Ауди 100Q 91г.
- Мотор: 4,2 ABZ и 2,0
- Город: Кострома
- Имя: Андрей
Re: Не могу победить отображение некоторых картинок
Что именно в системе смазки и охлаждения требуется?
Помним, любим, скорбим. Светлая память.
- Ron96
- Сообщения: 36
- Зарегистрирован: Ср ноя 12, 2014 7:48 am
- Репутация: 0
- Модель: A8 1995 г.в.
- Мотор: ABZ+CML(4HP24A)
- Город: Екатеринбург
- Имя: Роман
Re: Не могу победить отображение некоторых картинок
Моменты затяжек при сборке масляного насоса и теплообменникаАндрейS8 писал(а):Что именно в системе смазки и охлаждения требуется?
- Ron96
- Сообщения: 36
- Зарегистрирован: Ср ноя 12, 2014 7:48 am
- Репутация: 0
- Модель: A8 1995 г.в.
- Мотор: ABZ+CML(4HP24A)
- Город: Екатеринбург
- Имя: Роман
Re: Не могу победить отображение некоторых картинок
плюс установка масляного насоса и теплообменника в блокАндрейS8 писал(а):Что именно в системе смазки и охлаждения требуется?
-
АндрейS8
- Почетный член Клуба
- Сообщения: 11778
- Зарегистрирован: Вс фев 26, 2012 6:14 pm
- Награды: 3
- Репутация: 168
- Модель: А8 1995г. и Ауди 100Q 91г.
- Мотор: 4,2 ABZ и 2,0
- Город: Кострома
- Имя: Андрей
Re: Не могу победить отображение некоторых картинок
Без моментов затяжек ни как что ли не собрать?А для установки ни какие картинки не нужны,и так всё понятно,по другому ни как не поставишь.
Про динамо метрический ключ-им работают по эльзе только в том случае если используются новые,оригинальные,либо соответствующие по прочности болты.При затяжке новые болты имеют свойства вытягиваться,для этого дают именно те параметры,при которых их надо тянуть.Старые же болты уже имеют вытяжку и поэтому они не подходят для работы с динамо метрическим ключом,в противном случае можно сорвать резьбу или оборвать сам болт.Если работать с б/у болтами,то надо на несколько параметров уменьшать усилие затяжки.Для каждого болта по диаметру и прочности своё уменьшение.Про это ни где не пишется,достигается опытным путём.
Про динамо метрический ключ-им работают по эльзе только в том случае если используются новые,оригинальные,либо соответствующие по прочности болты.При затяжке новые болты имеют свойства вытягиваться,для этого дают именно те параметры,при которых их надо тянуть.Старые же болты уже имеют вытяжку и поэтому они не подходят для работы с динамо метрическим ключом,в противном случае можно сорвать резьбу или оборвать сам болт.Если работать с б/у болтами,то надо на несколько параметров уменьшать усилие затяжки.Для каждого болта по диаметру и прочности своё уменьшение.Про это ни где не пишется,достигается опытным путём.
Помним, любим, скорбим. Светлая память.
- Ron96
- Сообщения: 36
- Зарегистрирован: Ср ноя 12, 2014 7:48 am
- Репутация: 0
- Модель: A8 1995 г.в.
- Мотор: ABZ+CML(4HP24A)
- Город: Екатеринбург
- Имя: Роман
Re: Не могу победить отображение некоторых картинок
может быть, но все равно буду затягивать по мануалу. поэтому нужна инфа из эльзыАндрейS8 писал(а):Без моментов затяжек ни как что ли не собрать?А для установки ни какие картинки не нужны,и так всё понятно,по другому ни как не поставишь.Про динамо метрический ключ-им работают по эльзе только в том случае если используются новые,оригинальные,либо соответствующие по прочности болты.При затяжке новые болты имеют свойства вытягиваться,для этого дают именно те параметры,при которых их надо тянуть.Старые же болты уже имеют вытяжку и поэтому они не подходят для работы с динамо метрическим ключом,в противном случае можно сорвать резьбу или оборвать сам болт.Если работать с б/у болтами,то надо на несколько параметров уменьшать усилие затяжки.Для каждого болта по диаметру и прочности своё уменьшение.Про это ни где не пишется,достигается опытным путём.
-
АндрейS8
- Почетный член Клуба
- Сообщения: 11778
- Зарегистрирован: Вс фев 26, 2012 6:14 pm
- Награды: 3
- Репутация: 168
- Модель: А8 1995г. и Ауди 100Q 91г.
- Мотор: 4,2 ABZ и 2,0
- Город: Кострома
- Имя: Андрей
Re: Не могу победить отображение некоторых картинок
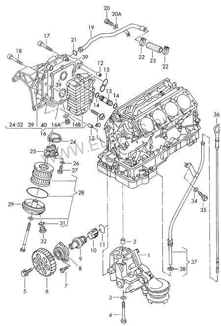
Могу помочь только картинкой-
Помним, любим, скорбим. Светлая память.
- Ron96
- Сообщения: 36
- Зарегистрирован: Ср ноя 12, 2014 7:48 am
- Репутация: 0
- Модель: A8 1995 г.в.
- Мотор: ABZ+CML(4HP24A)
- Город: Екатеринбург
- Имя: Роман
Re: Не могу победить отображение некоторых картинок
это в экзисте естьАндрейS8 писал(а):Могу помочь только картинкой-
-
garret
- Член Клуба
- Сообщения: 1619
- Зарегистрирован: Ср фев 16, 2011 8:26 pm
- Награды: 1
- Репутация: 24
- Модель: a8
- Мотор: abz 4.2
- Город: обнинск
- Имя: денис
Re: Не могу победить отображение некоторых картинок
пару болтов высверлишь и сразу поймешь как тянуть 
- Akin
- Президент Клуба
- Сообщения: 28051
- Зарегистрирован: Пн авг 27, 2007 2:01 am
- Репутация: 649
- Модель: ___
- Мотор: ___
- Город: Королев
- Имя: Владислав
- Откуда: Москва
Re: Не могу победить отображение некоторых картинок
http://www.as8.ru/4DDATA/ManualD2(1994)/%c08_1994_ABZ_AEW_AHC_%cc%e5%f5%e0%ed%e8%ea%e0_08.96.pdf
логин data
пароль data
логин data
пароль data
- Ron96
- Сообщения: 36
- Зарегистрирован: Ср ноя 12, 2014 7:48 am
- Репутация: 0
- Модель: A8 1995 г.в.
- Мотор: ABZ+CML(4HP24A)
- Город: Екатеринбург
- Имя: Роман
Re: Не могу победить отображение некоторых картинок
Спасибо большое!Akin писал(а):http://www.as8.ru/4DDATA/ManualD2(1994) ... 6.pdfлогин dataпароль data






