Схема системы охлаждения bfm
-
- Реклама
-
Шаман
- Сообщения: 18
- Зарегистрирован: Ср окт 06, 2021 7:50 pm
- Репутация: 0
- Модель: А8 2002
- Мотор: Bfm
- Город: Домодедово
- Имя: Михаил
Схема системы охлаждения bfm
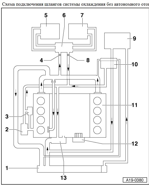
Коллеги. Добрый день! Очень нужна схема с номерами системы охлаждения бфм. Собираю конструктор не хватает деталей. Хочу понять чего и куда..
- Akin
- Президент Клуба
- Сообщения: 28115
- Зарегистрирован: Пн авг 27, 2007 2:01 am
- Репутация: 656
- Модель: ___
- Мотор: ___
- Город: Королев
- Имя: Владислав
- Откуда: Москва
Схема системы охлаждения bfm
Там бывают варианты. Модифицированная под 2005 год или нет, с вебасто или без неё.
-
Шаман
- Сообщения: 18
- Зарегистрирован: Ср окт 06, 2021 7:50 pm
- Репутация: 0
- Модель: А8 2002
- Мотор: Bfm
- Город: Домодедово
- Имя: Михаил
Схема системы охлаждения bfm
2003 без вебасто...
- Akin
- Президент Клуба
- Сообщения: 28115
- Зарегистрирован: Пн авг 27, 2007 2:01 am
- Репутация: 656
- Модель: ___
- Мотор: ___
- Город: Королев
- Имя: Владислав
- Откуда: Москва
Схема системы охлаждения bfm
Ну и главный вопрос. На BFM было две схемы подключения радиатора (ставилось два разных радиатора). Отличие в количестве патрубков радиатора. Нужно понять, какой именно радиатор стоит, старый вариант или новый. 4E0121251E или 4E0121251G
-
Шаман
- Сообщения: 18
- Зарегистрирован: Ср окт 06, 2021 7:50 pm
- Репутация: 0
- Модель: А8 2002
- Мотор: Bfm
- Город: Домодедово
- Имя: Михаил
Схема системы охлаждения bfm
Коллеги, вышел на финишную прямую по сборке авто и нарвался на проблемку. Радиатор с 4мя выходами. Куда идет нижний патрубок с вод.стороны? Даже по каталогу не видно.
П. С. Радиатор стоял изначально на машине, но разбирал 2 года назад, по этому не могу вспомнить ка было....
П. С. Радиатор стоял изначально на машине, но разбирал 2 года назад, по этому не могу вспомнить ка было....
- Lexx
- Член Клуба
- Сообщения: 843
- Зарегистрирован: Вс ноя 27, 2011 6:56 pm
- Репутация: 38
- Модель: a8 2014
- Мотор: 3.0 cre
- Город: Тверь
- Имя: Алексей
Схема системы охлаждения bfm
Если не изменяет память, когда новый на бфм покупал радиатор, один сосок оргоном заварил
AUDI-Connecting People +7 906 пять пять три шесть два семь один
-
Шаман
- Сообщения: 18
- Зарегистрирован: Ср окт 06, 2021 7:50 pm
- Репутация: 0
- Модель: А8 2002
- Мотор: Bfm
- Город: Домодедово
- Имя: Михаил
Схема системы охлаждения bfm
Да вот не заварен вроде. А как подключен был за 2 года забыл уже.. Лишних патрубков тоже не наблюдается
-
dimutik
- Член Клуба
- Сообщения: 2320
- Зарегистрирован: Вт июн 15, 2010 8:26 pm
- Награды: 1
- Репутация: 80
- Модель: A8D3 BARABAN
- Мотор: BFM
- Город: Переславль-Залесский
- Имя: Дмитрий
Схема системы охлаждения bfm
Я какой то сосок глушил патрубком с болтом, какое не помню.






