отчёт по установке АСС
-
- Реклама
- черноволгин
- Член Клуба
- Сообщения: 645
- Зарегистрирован: Сб сен 07, 2013 12:48 am
- Репутация: 15
- Модель: S8 2007
- Мотор: BSM 5.2
- Город: Всеволожск
- Имя: Алексей
Re: отчёт по установке АСС
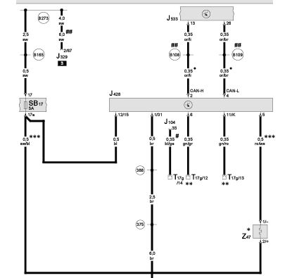
Спасибо Дим, где б скачать эту эльзу чтоб работала? Что-то проводов больше чем 4? Нижняя часть это радар а верхняя разъем, почему 3?
Какие пины разъема радара к чему идут?
Какие пины разъема радара к чему идут?
-
dimutik
- Член Клуба
- Сообщения: 2291
- Зарегистрирован: Вт июн 15, 2010 8:26 pm
- Награды: 1
- Репутация: 77
- Модель: A8D3 BARABAN
- Мотор: BFM
- Город: Переславль-Залесский
- Имя: Дмитрий
Re: отчёт по установке АСС
тебе нужно питание (1,12) и кан(2,4 на гейт) остальное мусор
-
kakawyn
- Почетный член Клуба
- Сообщения: 5112
- Зарегистрирован: Пн окт 06, 2008 10:06 am
- Награды: 3
- Репутация: 99
- Модель: D4
- Мотор: Тфси
- Город: М.Б.К.О
- Откуда: ссср
- Контактная информация:
Re: отчёт по установке АСС
dimutik писал(а):остальное мусор
- AndyDLS
- Член Клуба
- Сообщения: 223
- Зарегистрирован: Ср окт 27, 2010 9:20 pm
- Репутация: 3
- Модель: ALLROAD 2020 (20Y Edition)
- Мотор: 3.0TDI
- Город: БССР
- Имя: Andy
Re: отчёт по установке АСС
Проверял ли кто сей домысел, будет ли работать асс без замены приборки? Я так понимаю кодировку примет, будут ли ошибки?kakawyn писал(а):Димыч если приборка не под адаптив,то получается не будет диодов по кругу и 2 машинок над пробегом при включении,весь функционал центрального дисплея поддерживается.
Вот собственно и думаю менять не менять приборку)
Диодики можно перепаять))
- черноволгин
- Член Клуба
- Сообщения: 645
- Зарегистрирован: Сб сен 07, 2013 12:48 am
- Репутация: 15
- Модель: S8 2007
- Мотор: BSM 5.2
- Город: Всеволожск
- Имя: Алексей
Re: отчёт по установке АСС
По питанию что + а что - ?dimutik писал(а):тебе нужно питание (1,12) и кан(2,4 на гейт) остальное мусор
- черноволгин
- Член Клуба
- Сообщения: 645
- Зарегистрирован: Сб сен 07, 2013 12:48 am
- Репутация: 15
- Модель: S8 2007
- Мотор: BSM 5.2
- Город: Всеволожск
- Имя: Алексей
Re: отчёт по установке АСС
Ответтье пожалуйста где плюс 1 или 12???черноволгин писал(а):По питанию что + а что - ?dimutik писал(а):тебе нужно питание (1,12) и кан(2,4 на гейт) остальное мусор
-
dimutik
- Член Клуба
- Сообщения: 2291
- Зарегистрирован: Вт июн 15, 2010 8:26 pm
- Награды: 1
- Репутация: 77
- Модель: A8D3 BARABAN
- Мотор: BFM
- Город: Переславль-Залесский
- Имя: Дмитрий
Re: отчёт по установке АСС
12 плюс, который на пред идёт
- черноволгин
- Член Клуба
- Сообщения: 645
- Зарегистрирован: Сб сен 07, 2013 12:48 am
- Репутация: 15
- Модель: S8 2007
- Мотор: BSM 5.2
- Город: Всеволожск
- Имя: Алексей
Re: отчёт по установке АСС
Спасибо Дима!!! 

- AndyDLS
- Член Клуба
- Сообщения: 223
- Зарегистрирован: Ср окт 27, 2010 9:20 pm
- Репутация: 3
- Модель: ALLROAD 2020 (20Y Edition)
- Мотор: 3.0TDI
- Город: БССР
- Имя: Andy
Re: отчёт по установке АСС
Можно ли поставить эту заглушку на свою решетку без предусмотренного ACC?kakawyn писал(а):Димыч вот тебе номер нормальной заглушки)4E0854511AKT94 не дорого
- черноволгин
- Член Клуба
- Сообщения: 645
- Зарегистрирован: Сб сен 07, 2013 12:48 am
- Репутация: 15
- Модель: S8 2007
- Мотор: BSM 5.2
- Город: Всеволожск
- Имя: Алексей
Re: отчёт по установке АСС
Подключил АСС - в списке оборудования блок есть, но зайти в него нельзя, пишет "Не может быть достигнуто", что делать. Питание есть, кан подключил, галки расставил, в меню мми тоже почемуто АСС не появилось.
-
dimutik
- Член Клуба
- Сообщения: 2291
- Зарегистрирован: Вт июн 15, 2010 8:26 pm
- Награды: 1
- Репутация: 77
- Модель: A8D3 BARABAN
- Мотор: BFM
- Город: Переславль-Залесский
- Имя: Дмитрий
Re: отчёт по установке АСС
блок двигателя закодировал под асс?
- черноволгин
- Член Клуба
- Сообщения: 645
- Зарегистрирован: Сб сен 07, 2013 12:48 am
- Репутация: 15
- Модель: S8 2007
- Мотор: BSM 5.2
- Город: Всеволожск
- Имя: Алексей
Re: отчёт по установке АСС
Появилась меню асс в мми. Кодировку блока проверю.
- черноволгин
- Член Клуба
- Сообщения: 645
- Зарегистрирован: Сб сен 07, 2013 12:48 am
- Репутация: 15
- Модель: S8 2007
- Мотор: BSM 5.2
- Город: Всеволожск
- Имя: Алексей
Re: отчёт по установке АСС
Кодировка блока 2 требует пароль.
- черноволгин
- Член Клуба
- Сообщения: 645
- Зарегистрирован: Сб сен 07, 2013 12:48 am
- Репутация: 15
- Модель: S8 2007
- Мотор: BSM 5.2
- Город: Всеволожск
- Имя: Алексей
Re: отчёт по установке АСС
Закодировал под асс. Ничего не изменилось. Номер гейта моего 4L0 910 468.
-
dimutik
- Член Клуба
- Сообщения: 2291
- Зарегистрирован: Вт июн 15, 2010 8:26 pm
- Награды: 1
- Репутация: 77
- Модель: A8D3 BARABAN
- Мотор: BFM
- Город: Переславль-Залесский
- Имя: Дмитрий
Re: отчёт по установке АСС
сайд ассист с ним точно не заработает. по надо с буквой A , приходит в голову только одна мысль - нерабочий радар
- черноволгин
- Член Клуба
- Сообщения: 645
- Зарегистрирован: Сб сен 07, 2013 12:48 am
- Репутация: 15
- Модель: S8 2007
- Мотор: BSM 5.2
- Город: Всеволожск
- Имя: Алексей
Re: отчёт по установке АСС
Попробую взять для проверки другой. Жалко. В гейте есть пункт для сайд ассиста.
- черноволгин
- Член Клуба
- Сообщения: 645
- Зарегистрирован: Сб сен 07, 2013 12:48 am
- Репутация: 15
- Модель: S8 2007
- Мотор: BSM 5.2
- Город: Всеволожск
- Имя: Алексей
Re: отчёт по установке АСС
Я думал что этот блок полный. Не могу его в эксисте расшифровать.
- черноволгин
- Член Клуба
- Сообщения: 645
- Зарегистрирован: Сб сен 07, 2013 12:48 am
- Репутация: 15
- Модель: S8 2007
- Мотор: BSM 5.2
- Город: Всеволожск
- Имя: Алексей
Re: отчёт по установке АСС
Замена радара ничего не дала, то ли тоже дохлый, то ли дело в гейте.
- черноволгин
- Член Клуба
- Сообщения: 645
- Зарегистрирован: Сб сен 07, 2013 12:48 am
- Репутация: 15
- Модель: S8 2007
- Мотор: BSM 5.2
- Город: Всеволожск
- Имя: Алексей
Re: отчёт по установке АСС
Товарищи Форумчане, у кого есть какие мысли? Может гейт надо поменять?
-
dimutik
- Член Клуба
- Сообщения: 2291
- Зарегистрирован: Вт июн 15, 2010 8:26 pm
- Награды: 1
- Репутация: 77
- Модель: A8D3 BARABAN
- Мотор: BFM
- Город: Переславль-Залесский
- Имя: Дмитрий
Re: отчёт по установке АСС
валяется гейт под асс, но я на работе, проверь подключение ещё раз
- черноволгин
- Член Клуба
- Сообщения: 645
- Зарегистрирован: Сб сен 07, 2013 12:48 am
- Репутация: 15
- Модель: S8 2007
- Мотор: BSM 5.2
- Город: Всеволожск
- Имя: Алексей
Re: отчёт по установке АСС
Подключение проверял уже, там особо перепутать нечего. Насколько я понял все гейты поддерживают АСС.
- черноволгин
- Член Клуба
- Сообщения: 645
- Зарегистрирован: Сб сен 07, 2013 12:48 am
- Репутация: 15
- Модель: S8 2007
- Мотор: BSM 5.2
- Город: Всеволожск
- Имя: Алексей
Re: отчёт по установке АСС
Поменял гейт, поставил с буковой Н, самый полный. Появилось меню АСС, однако сам радар недоступен. Не знаю уже что делать.
-
dimutik
- Член Клуба
- Сообщения: 2291
- Зарегистрирован: Вт июн 15, 2010 8:26 pm
- Награды: 1
- Репутация: 77
- Модель: A8D3 BARABAN
- Мотор: BFM
- Город: Переславль-Залесский
- Имя: Дмитрий
Re: отчёт по установке АСС
если радар заведомо рабочий, значит сам где-то накосячил с проводкой
- черноволгин
- Член Клуба
- Сообщения: 645
- Зарегистрирован: Сб сен 07, 2013 12:48 am
- Репутация: 15
- Модель: S8 2007
- Мотор: BSM 5.2
- Город: Всеволожск
- Имя: Алексей
Re: отчёт по установке АСС
Подключил сегодня слайд и радар обнаружился!



