Подскажите номер патрубка

Системы питания и зажигания. Датчики, форсунки, свечи, катушки, дроссельный узел, расходомер воздуха. Лямбдазонд, катализатор, выпуск. Регулировка длинны впускного коллектора. Воздушный фильтр.
Аватара пользователя
Gorkiusadba
Сообщения: 126
Зарегистрирован: Вт фев 14, 2012 12:21 am
Репутация: 16
Модель: Jaguar XJ 351 2013 год
Мотор: 2993см3 274л/с
Город: Брест-Warszawa-Москва
Имя: Виталий

Подскажите номер патрубка

Сообщение Gorkiusadba »

Всем доброго дня ! Снимал теплообменник с блока и обломал патрубок, который находится внутри теплообменника (с теплообменника в блок ) :cry: Как мне его заказать, может номер у него есть ? 1confuz8
Аватара пользователя
Suomi
Член Клуба
Сообщения: 2042
Зарегистрирован: Вт апр 20, 2010 5:11 pm
Репутация: 50
Модель: S8 plus (НЛО) 98
Мотор: AKH 4.2
Город: железногорск, курск
Имя: Вячеслав
Откуда: Карелия, Костомукша

Re: Подскажите номер патрубка

Сообщение Suomi »

какая?
Вложения
ImageHandler (3).jpg
+79065761767
+79038751696
+79997450217
Аватара пользователя
Gorkiusadba
Сообщения: 126
Зарегистрирован: Вт фев 14, 2012 12:21 am
Репутация: 16
Модель: Jaguar XJ 351 2013 год
Мотор: 2993см3 274л/с
Город: Брест-Warszawa-Москва
Имя: Виталий

Re: Подскажите номер патрубка

Сообщение Gorkiusadba »

patrubok.jpg
patrubok2.jpg
patrubok3.jpg
Аватара пользователя
Suomi
Член Клуба
Сообщения: 2042
Зарегистрирован: Вт апр 20, 2010 5:11 pm
Репутация: 50
Модель: S8 plus (НЛО) 98
Мотор: AKH 4.2
Город: железногорск, курск
Имя: Вячеслав
Откуда: Карелия, Костомукша

Re: Подскажите номер патрубка

Сообщение Suomi »

suomi1114 писал(а):какая?
какой номер на схеме
+79065761767
+79038751696
+79997450217
Аватара пользователя
Gorkiusadba
Сообщения: 126
Зарегистрирован: Вт фев 14, 2012 12:21 am
Репутация: 16
Модель: Jaguar XJ 351 2013 год
Мотор: 2993см3 274л/с
Город: Брест-Warszawa-Москва
Имя: Виталий

Re: Подскажите номер патрубка

Сообщение Gorkiusadba »

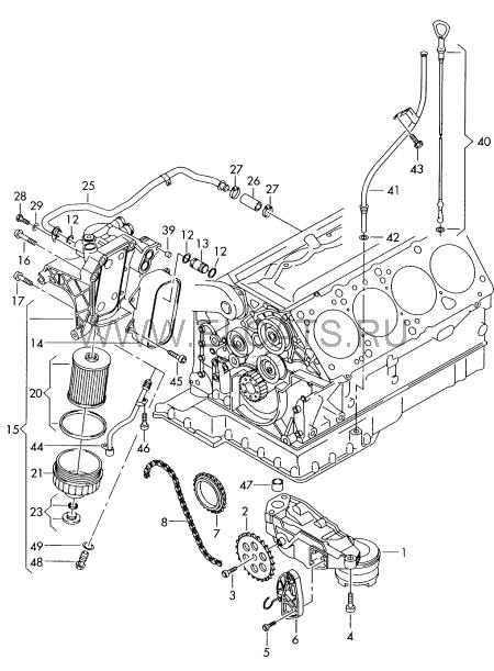
Слава, я не вижу его на схеме ! 1confuz8 Может гоню ! 1redface56
Аватара пользователя
Suomi
Член Клуба
Сообщения: 2042
Зарегистрирован: Вт апр 20, 2010 5:11 pm
Репутация: 50
Модель: S8 plus (НЛО) 98
Мотор: AKH 4.2
Город: железногорск, курск
Имя: Вячеслав
Откуда: Карелия, Костомукша

Re: Подскажите номер патрубка

Сообщение Suomi »

сфоткай так чтоб было видно весь теплообменник, и отметь где располагается трубка
+79065761767
+79038751696
+79997450217
Аватара пользователя
Gorkiusadba
Сообщения: 126
Зарегистрирован: Вт фев 14, 2012 12:21 am
Репутация: 16
Модель: Jaguar XJ 351 2013 год
Мотор: 2993см3 274л/с
Город: Брест-Warszawa-Москва
Имя: Виталий

Re: Подскажите номер патрубка

Сообщение Gorkiusadba »

Но тогда только завтра это смогу сделать ! 1bu8 Ух этот ремонт ! :o
Аватара пользователя
kiryasp
Сообщения: 536
Зарегистрирован: Пн авг 19, 2013 7:23 pm
Репутация: 3
Модель: была А8 (D2) 3,7 Q 2001
Мотор: АКС 3697 см³
Город: Питер
Имя: Кирилл

Re: Подскажите номер патрубка

Сообщение kiryasp »

Тоже ищю номер. Как я понял - это номер 13 на схеме? Номер 077 117 411 A ?
Ответить

Вернуться в «V8 3.7, 4.2 питание, зажигание, управление»