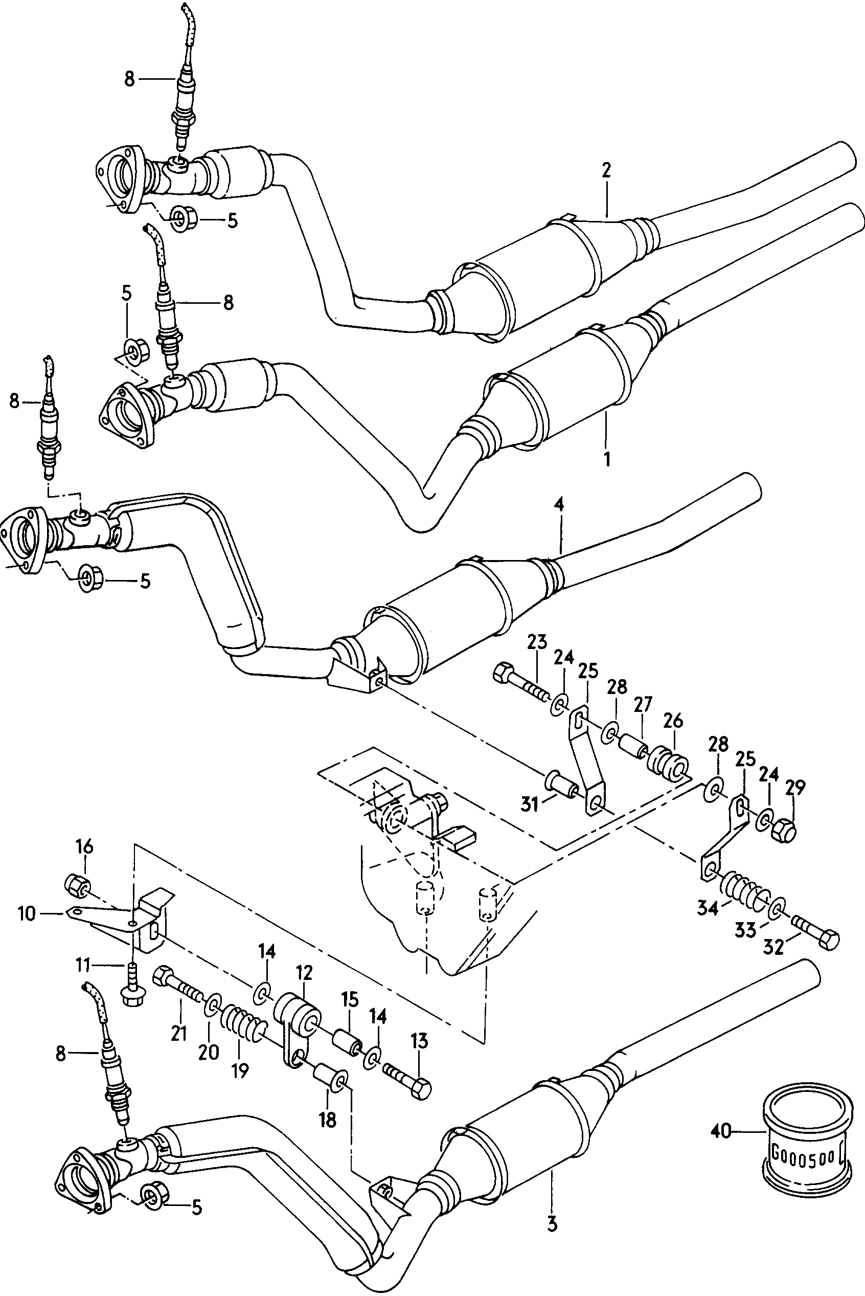
Вот только приехал, и пока выводил свою старушку из гаража (еле откопал), слегка задел сугроб глушаком, и, походу, гофру порвал...
И вроде как где-то слышал, что варить нужно строго аргоном, типа у а8 глушаки из нержавейки

Ой, не говори... А что делать! Спасибо за ссылку, уже там ответилO`Breea писал(а):Давно тебя не было видноКстати, немного отступлю от темы http://as8.ru/forum/viewtopic.php?f=70&t=17880
Ну я так, на яму у приятеля в гараже заехал, все подергали, вроде нигде не шатается. Решили что гофры. Хотя надо конечно на нормальный подъемник заехать будет. Сейчас вообще ужас - тарахчу на всю округу как тракторO`Breea писал(а):На счёт нержавейки не знаю, Вова, когда у меня затарахтело я тоже грешил на гофры. Оказалось, что это хомут на средней части глушака. Широкий такой цилиндр, который стягивается двумя болтами и соединяет переднюю часть трубы с задней. Его не смотрел?

Вот-вот, тот же звук был. Когда хомут меняли, поинтересовался заменой гофр, сказали "если надо подберём по диаметру". До этого самостоятельно пытался найти диаметр гофр на свою машину, но так и не нашёл.vladimir_a8 писал(а):Сейчас вообще ужас - тарахчу на всю округу как трактор


У меня как раз гофры и стоят.. сразу за стыком с коллектором и лямбдой.vovvw писал(а):А на дорестайле гофр нету...