Не едет назад и не только!!!HELP!

Механические повреждения АКПП, нарушения работы, описания проблем и пути ремонта. Переборка АКПП. Гидротранформатор (бублик) и насос. Снятие - установка АКПП.
Проблемы АКПП, связанные с электроникой. Блок управления. Кодировки. Коды ошибок. Компьютерная диагностика режимов работы АКПП. Многофункциональный переключатель.
Аватара пользователя
enikus
Сообщения: 102
Зарегистрирован: Вт авг 25, 2009 5:25 pm
Репутация: 1
Модель: A8 1996
Мотор: 2,8 V30
Город: Могилев
Имя: Денис

Не едет назад и не только!!!HELP!

Сообщение enikus »

1plaaes5 В общем проблема такая:
Купил А8 типроник битую. Сделал. Сначало перестал работать +\- на кулисе, потом рывки с 1 на 2-ю. Через 3 месяца проверил все-таки уровень масла, в итоге оказалось что 2х литров не хватало. Разобрал кулису, контакты в норме +\- тестором работает. Когда включил зажигание коробка стала в аварийку, завел, а она назад не едет, фонари горят. В итоге разобрал многофункц. переключатель- в норме. уровень долил все равно не едет. Поддомкратил колесо, вроде заднюю включаешь колесо крутится, только что-то сначало щелкает. Слил масло, оно темное но не горелое, на магнитах мелкая металическая пыль. Снял плиту, разобрал, промыл(внутри тоже такая грязь), промыл радиатор, трубки охлаждения,проверил клапаны в плите, все ОК, собрал все это дело, залил новое масло, все равно аварийка и назад не едет.!!!! Диагностировать пробовал, но на дву разных шнурках не связываетеся с контролером! Вроде проводка в норме пересмотрел, зеленки нет! Что еще можно сделать???? Как еще можно продиагностировать? Сам вроде не дурак, поэтому не охота связываться с ремонтниками! Помогите!
моя авоська проклята :)
Аватара пользователя
Ram
Почетный член Клуба
Сообщения: 499
Зарегистрирован: Ср фев 11, 2009 5:12 pm
Репутация: 20
Модель: A8 1994
Мотор: ABZ 4,2
Город: Москва
Имя: Роман
Контактная информация:

Сообщение Ram »

Дорогой новый посетитель форума!
Читаем для начала или с начала вот эту темку: viewtopic.php?f=96&t=390
Вам обязательно помогут!
Все, что с нами происходит, случается только из-за того, что мы этого хотим!
Аватара пользователя
Akin
Президент Клуба
Сообщения: 27952
Зарегистрирован: Пн авг 27, 2007 2:01 am
Репутация: 643
Модель: ___
Мотор: ___
Город: Королев
Имя: Владислав
Откуда: Москва

Сообщение Akin »

Если нет связи с контроллером АКПП, нужно начать с того, что прозвонить/восстановить проводку, согласно электросхемам. Если с проводкой и питанием все ОК, примерь другой блок управления. Просто зеленку искать смысла нет. Проверь предохранители еще...
Также проверь регулировку троса кулисы.
Аватара пользователя
enikus
Сообщения: 102
Зарегистрирован: Вт авг 25, 2009 5:25 pm
Репутация: 1
Модель: A8 1996
Мотор: 2,8 V30
Город: Могилев
Имя: Денис

Сообщение enikus »

Предохранители внорме. Блок тоже должен быть ОК, так ранше все переключалось нормально хоть и связи с контролером не было.Вот только схему негде нарыть по блоку АКПП и проводкой к нему (компа нет, по друзям ползаю, а Эльзу скачать проблемка), может кто скинет пару схемок. А причем сдесь трос, все остальные режимы работают ведь, да и R когда включаешь еле-еле чувствуется.
моя авоська проклята :)
Аватара пользователя
Akin
Президент Клуба
Сообщения: 27952
Зарегистрирован: Пн авг 27, 2007 2:01 am
Репутация: 643
Модель: ___
Мотор: ___
Город: Королев
Имя: Владислав
Откуда: Москва

Сообщение Akin »

Тогда трос непричем.
Аватара пользователя
Akin
Президент Клуба
Сообщения: 27952
Зарегистрирован: Пн авг 27, 2007 2:01 am
Репутация: 643
Модель: ___
Мотор: ___
Город: Королев
Имя: Владислав
Откуда: Москва

Сообщение Akin »

Какой мотор по буквам и модель коробки?
Аватара пользователя
enikus
Сообщения: 102
Зарегистрирован: Вт авг 25, 2009 5:25 pm
Репутация: 1
Модель: A8 1996
Мотор: 2,8 V30
Город: Могилев
Имя: Денис

Re: Не едет назад и не только!!!HELP!

Сообщение enikus »

Двигатель ACK 193 л.с.; коробка если не изменяет память CJY 5-ти ступенчатая.
моя авоська проклята :)
Аватара пользователя
Akin
Президент Клуба
Сообщения: 27952
Зарегистрирован: Пн авг 27, 2007 2:01 am
Репутация: 643
Модель: ___
Мотор: ___
Город: Королев
Имя: Владислав
Откуда: Москва

Сообщение Akin »

Automatic gearbox control unit, gearbox speed sender, kick-down switch, solenoid valve, diagnosis connection
E45 - Cruise control system switch
F8 - Kick-down switch
G38 - Gearbox speed sender
G93 - Gearbox oil temperature sender
J217 - Automatic gearbox control unit
K - Diagnosis connection
N88 - Solenoid valve 1
N89 - Solenoid valve 2
N90 - Solenoid valve 3
N91 - Solenoid valve 4
S6 - Fuse in fuse carrier
S114 - Automatic gearbox fuse (15a)
T2c - 2-pin connector, black, on gearbox
T6e - 6-pin connector, brown, connector point, electronics box, plenum chamber
T10 - 10-pin connector, blue, connector point, electronics box, plenum chamber
T10a - 10-pin connector, black, connector point, electronics box, plenum chamber
T10b - 10-pin connector, yellow, connector point, electronics box, plenum chamber
T16a - 16-pin connector, diagnosis connection
43 - Earth point, lower part of right A-pillar
85 - Earth connection -1-, in engine compartment wiring harness
102 - Earth connection, in gearbox wiring harness
A2 - Positive (+) connection (15), in dash panel wiring harness
A76 - Connection (diagnosis wire K), in dash panel wiring harness
E113 - Earth connection, in dash panel wiring harness
U2 - Connection -1- (15), in automatic gearbox wiring harness
* - Models with CCS
** - Models with front-wheel drive
Вложения
.JPG
Аватара пользователя
Akin
Президент Клуба
Сообщения: 27952
Зарегистрирован: Пн авг 27, 2007 2:01 am
Репутация: 643
Модель: ___
Мотор: ___
Город: Королев
Имя: Владислав
Откуда: Москва

Сообщение Akin »

Automatic gearbox control unit, multi-point injection control unit, ABS with EDL control unit
A - Battery
E87 - Control and display unit for air conditioner
G5 - Rev. counter
J104 - ABS with EDL control unit
J192 - Multi-point injection control unit
J217 - Automatic gearbox control unit
J218 - Combi-processor in dash panel insert
T10a - 10-pin connector, black, connector point, electronics box, plenum chamber
T10b - 10-pin connector, yellow, connector point, electronics box, plenum chamber
T10c - 10-pin connector, green, connector point, electronics box, plenum chamber
T10d - 10-pin connector, red, connector point, electronics box, plenum chamber
T26 - 26-pin connector, red, on dash panel insert
A27 - Connection (speed signal), in dash panel wiring harness
A45 - Connection (engine speed signal), in dash panel wiring harness
D4 - Connection (consumption sender, A), in front right wiring harness
D90 - Connection (RPM signal), in engine compartment wiring harness
E20 - Positive (+) connection (30), in Motronic wiring harness
E26 - Connection (selector position P/N), in Motronic wiring harness
* - Models with air conditioner
** - Models with front-wheel drive
*** - Models with four-wheel drive
Вложения
.JPG
Аватара пользователя
Akin
Президент Клуба
Сообщения: 27952
Зарегистрирован: Пн авг 27, 2007 2:01 am
Репутация: 643
Модель: ___
Мотор: ___
Город: Королев
Имя: Владислав
Откуда: Москва

Сообщение Akin »

Automatic gearbox control unit, multi-function switch
E1 - Lighting switch
E20 - Switches and instruments - lighting control
E87 - Control and display unit for air conditioner
F125 - Multi-function switch
G21 - Speedometer
G22 - Speedometer sender
G96 - Gear indicator
J217 - Automatic gearbox control unit
L19 - Gear selector light bulb
L79 - Selector lever illumination
S3 - Fuse in fuse carrier
T6f - 6-pin connector, black, on dash panel insert
T10 - 10-pin connector, blue, connector point, electronics box, plenum chamber
T10b - 10-pin connector, yellow, connector point, electronics box, plenum chamber
T10g - 10-pin connector, black, near selector lever console
T14 - 14-pin connector, purple, behind steering column switch trim
T26 - 26-pin connector, red, on dash panel insert
85 - Earth connection -1-, in engine compartment wiring harness
102 - Earth connection, in gearbox wiring harness
A19 - Connection (58d), in dash panel wiring harness
A37 - Connection (58a), in dash panel wiring harness
E113 - Earth connection, in dash panel wiring harness
E115 - Earth connection (centre console), in dash panel wiring harness
* - Models with air conditioner
Вложения
.JPG
Аватара пользователя
Akin
Президент Клуба
Сообщения: 27952
Зарегистрирован: Пн авг 27, 2007 2:01 am
Репутация: 643
Модель: ___
Мотор: ___
Город: Королев
Имя: Владислав
Откуда: Москва

Сообщение Akin »

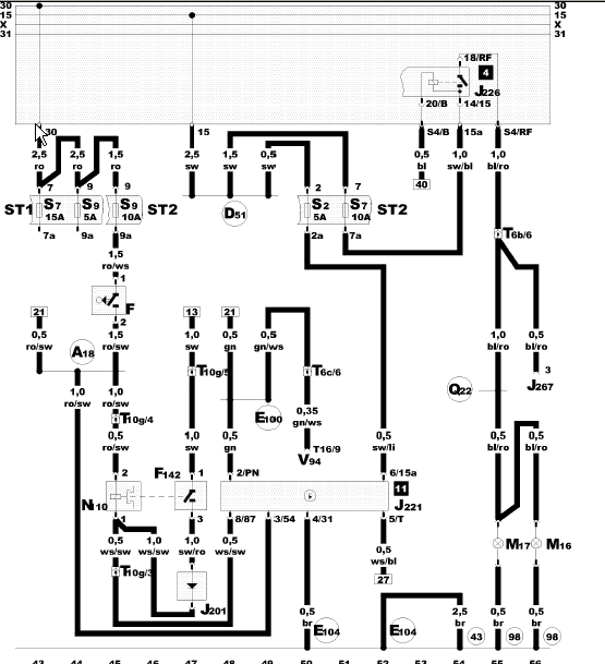
Automatic gearbox control unit, selector lever lock control unit, brake light switch
F - Brake light switch
F142 - Selector lever lock switch
J201 - Protective diode
J221 - Selector lever lock control unit
J226 - Starter inhibitor and reversing light relay
J267 - Mirror memory control unit
M16 - Reversing light bulb, left
M17 - Reversing light bulb, right
N110 - Selector lever lock solenoid
S2 - Fuse in fuse carrier
S7 - Fuse in fuse carrier
S9 - Fuse in fuse carrier
T6b - 6-pin connector, grey, connector point, wheelhouse, right
T6c - 6-pin connector, dark brown, connector point, wheelhouse, right
T10g - 10-pin connector, black, near selector lever console
T16 - 16-pin connector, connector plug C at V94
V94 - Central locking motor with control unit for interior lights switch-off delay and anti-theft alarm system
43 - Earth point, lower part of right A-pillar
98 - Earth connection, in tailgate/bootlid wiring harness
A18 - Connection (54), in dash panel wiring harness
D51 - Positive (+) connection -1- (15), in engine compartment wiring harness
E100 - Connection (multi-function switch), in dash panel wiring harness
E104 - Earth connection, in dash panel wiring harness (near relay point)
Q22 - Connection -1-, in tailgate/bootlid wiring harness
Вложения
.JPG
Аватара пользователя
enikus
Сообщения: 102
Зарегистрирован: Вт авг 25, 2009 5:25 pm
Репутация: 1
Модель: A8 1996
Мотор: 2,8 V30
Город: Могилев
Имя: Денис

Re: Не едет назад и не только!!!HELP!

Сообщение enikus »

Спасибо Akinу за схемы, попробую помучать проводку. Почитал форум, и много кто сталкивался с задней передачей, вот только все едут к коробочникам, а я гаражным мастерам перестал доверять, уж частенько они надували моих друзей, да и у самого это не первая машина. Хотелось бы услышать предположения по поводу ремонта задней, читал что есть поршень задней, но все в гидроплите выглядела нормально и я не сказал бы что изношены порши и прочее, а вот лезть дальше в коробку это созреть еще надо, задняя ведь кончилась внезапно (стояла в гараже машина)
моя авоська проклята :)
Аватара пользователя
Akin
Президент Клуба
Сообщения: 27952
Зарегистрирован: Пн авг 27, 2007 2:01 am
Репутация: 643
Модель: ___
Мотор: ___
Город: Королев
Имя: Владислав
Откуда: Москва

Сообщение Akin »

Поршень задней скорости стоит в самом конце, до него долго добираться...
Аватара пользователя
enikus
Сообщения: 102
Зарегистрирован: Вт авг 25, 2009 5:25 pm
Репутация: 1
Модель: A8 1996
Мотор: 2,8 V30
Город: Могилев
Имя: Денис

Re: Не едет назад и не только!!!HELP!

Сообщение enikus »

Akin, проверил схемы, не совпадает нумерация контактов на блоке, и совершенно разная цветовая кодировка проводов, т.ч. ничего толком проверить не удалось, коробка CJY и 5HP-19. еще один прикол: поддомкратил машину, завел, включил R и самое странное, что колесо сначало делает 4 - 5 оборотов вперед притом, что его можно остановить рукой или ногой, потом оно какбудто вспоминает, что надо ехать назад что-то щелкает и начинает крутиться назада и невоможно остановить ногой. Выжимаю тормоз колесо останавливается, а когда отпускаю така же хрень !!! Включаю Н колесо ева крутится вперед, так что можно остановить ногой (так должно быть !!!???)
У меня еще сомнения по поводу многофункционального переключателя, т.к. в твоей схеме и моим переключателем нестыковка в контактах при замере тестером во всех положениях кулисы. Какие будут предложения и сооброжения !!!??? И хотелось бы надыбать другую схему блока управления. Короче не машина, а чудо какое-то !!!! Одно растройство !!! А где по точнее находится этот поршень !!!???
моя авоська проклята :)
Аватара пользователя
Akin
Президент Клуба
Сообщения: 27952
Зарегистрирован: Пн авг 27, 2007 2:01 am
Репутация: 643
Модель: ___
Мотор: ___
Город: Королев
Имя: Владислав
Откуда: Москва

Сообщение Akin »

Вопросов много задал...
Колеса ногами не останавливал, но думаю, это возможно, если все колеса поддомкрачены. И вперед оно может крутиться, противоположное будет крутиться назад.
Схему дал правильную... Ставь себе Эльзу и смотри сам.
Аватара пользователя
enikus
Сообщения: 102
Зарегистрирован: Вт авг 25, 2009 5:25 pm
Репутация: 1
Модель: A8 1996
Мотор: 2,8 V30
Город: Могилев
Имя: Денис

Re: Не едет назад и не только!!!HELP!

Сообщение enikus »

Да, вопросов много, но тогда смысл от Эльзы, если схемы абсолютно разные. А по поводу вращения колеса вперед, такого не было раньше, так как чистил в свое время тормозной диск(колодки менял) и все было как положено.
моя авоська проклята :)
Аватара пользователя
enikus
Сообщения: 102
Зарегистрирован: Вт авг 25, 2009 5:25 pm
Репутация: 1
Модель: A8 1996
Мотор: 2,8 V30
Город: Могилев
Имя: Денис

Re: Не едет назад и не только!!!HELP!

Сообщение enikus »

В общем, продолжаю исследования. Сегодня отключил переключатель F125 и замкнул провода перемычкой как на схеме кот. Акин скинул, в режим Р . Машина не крутит стартер. Замкнул как и было раньше- завелась. Включил заднюю и замкнул перемычкой как на схеме, и о чудо сработал соленоид, и поехала назад. В итоге на схеме R замыкает контакты 1-2-3 и 7-8, а у меня на разъеме 1-3-8. Выехал из гаража, коробка в аварийке и едет все время на первой и при отпускании газа, тормозит двигателем. Чтобы включить заднюю замыкаю два провода выведенные с F125 в салон (1ый контакт со 2ым) .
моя авоська проклята :)
Аватара пользователя
enikus
Сообщения: 102
Зарегистрирован: Вт авг 25, 2009 5:25 pm
Репутация: 1
Модель: A8 1996
Мотор: 2,8 V30
Город: Могилев
Имя: Денис

Enikus

Сообщение enikus »

Я вообще-то не уверен что двигатель АСК, и вообще машина- конструктор, перевертыш, может из-за этого не стыковка со схемами. Может кто посоветует схемами, а то голова уже пухнет.
моя авоська проклята :)
Аватара пользователя
Akin
Президент Клуба
Сообщения: 27952
Зарегистрирован: Пн авг 27, 2007 2:01 am
Репутация: 643
Модель: ___
Мотор: ___
Город: Королев
Имя: Владислав
Откуда: Москва

Сообщение Akin »

А чем тогда помочь, ставь себе Эльзу и сам смотри варианты. Не выкладывать же всю программу на форум....
Аватара пользователя
enikus
Сообщения: 102
Зарегистрирован: Вт авг 25, 2009 5:25 pm
Репутация: 1
Модель: A8 1996
Мотор: 2,8 V30
Город: Могилев
Имя: Денис

Re: Не едет назад и не только!!!HELP!

Сообщение enikus »

Нашел подходящий вариант случайно, только одна схема и как раз сходится с моими. Может она поможет определить какой блок у меня и соответственно схемы к блоку коробки
gearbox.JPG
? Ну проблема достать эльзу.
моя авоська проклята :)
Аватара пользователя
Akin
Президент Клуба
Сообщения: 27952
Зарегистрирован: Пн авг 27, 2007 2:01 am
Репутация: 643
Модель: ___
Мотор: ___
Город: Королев
Имя: Владислав
Откуда: Москва

Сообщение Akin »

Эта схема от 8цилиндорой машины с автоматом DTD.
Эльзу можно скачать вот здесь:
http://bt.tecar.com.ua/viewtopic.php?t=56
Аватара пользователя
A159632478
Член Клуба
Сообщения: 1377
Зарегистрирован: Чт дек 04, 2008 11:13 pm
Репутация: 20
Модель: a8 d2 седьмой год
Мотор: abz 299((
Город: Москва
Имя: Тёма
Откуда: СССР
Контактная информация:
Забанен: Бессрочно

Сообщение A159632478 »

очень уж это странно, что всё работало, а потом всё постепенно начало ломаться.. мб домовой в машине завёлся видимо.. масло отливает-продаёт, коробку рабочую на не рабочую поменял :D ну а по делу, када 2-х литров не хватает в коробке, она по идее не поедет, в моей када при снятии радиатора из маслоохладителя вытекло полтора литра, по неопытности я подумал что эт моторное масло, ну и собрал всё, поменял в моторе масло и поехал... машина ужасно буксовала(как на механике сцепление буксует), потом долил до нормы и она иногда начала глохнуть при включении D и R, зата буксовать перестала.. короче эт я к тому что подключено всё было правильно, просто что-то накрылось, может контакт какой, может блок управления, а может и в "мозгах" что-то(насторожило что ты их разбирал-чистил, мб собрал не правильно?)
да и вобще надо ошибки почитать.. связь с контроллером должна быть обязательно, разберись сначала с этой траблой(надо бы с другой тачки такой же контроллер поставить-попробовать)... хотя у меня если этот блок отключить, то всё кроме типтроника всёравно работает))) так что я думаю что проблема внутри коробки :evil:
Аватара пользователя
enikus
Сообщения: 102
Зарегистрирован: Вт авг 25, 2009 5:25 pm
Репутация: 1
Модель: A8 1996
Мотор: 2,8 V30
Город: Могилев
Имя: Денис

Re: Не едет назад и не только!!!HELP!

Сообщение enikus »

Я предпологаю что проблема в электрике,а если блок отключить, то она вообще ничего не показывает и не работает, и провод К-диагностики с блока коробки доходит до разъема(звонил), но странно то, что если бы блок был неисправен или не работал , то она вставала в аварийный еще до поломки, а этого ни разу небыло, а пока жду когда диск пришлют с Эльзой.
моя авоська проклята :)
Ответить

Вернуться в «Ремонт АКПП»