Змена фар
-
- Реклама
-
Zubeiyr
- Сообщения: 86
- Зарегистрирован: Чт янв 17, 2013 6:13 am
- Репутация: 0
- Модель: a8l 2005
- Мотор: 4200
- Город: кокшетау
- Имя: Зубейр
Змена фар
Приветствую всех нужна помощь очень какая
1. У меня машина Audi 2004 года VIN: WAUZZZ4E64N014451 делаю рестайлинг потихоньку закупил запчасти и теперь дошла очередь до фар.
2. Фары купил с 2007 года номера фар 4E0 941 030 BR и 4E0 941 029 BR у них разъемы на 14 пинов а у меня наверное на 10.
3. Как их подсоединить какие блоки надо провода или что еще надо Поворотная ли линза у новых фар ???
Хочу чтобы все работало
1. У меня машина Audi 2004 года VIN: WAUZZZ4E64N014451 делаю рестайлинг потихоньку закупил запчасти и теперь дошла очередь до фар.
2. Фары купил с 2007 года номера фар 4E0 941 030 BR и 4E0 941 029 BR у них разъемы на 14 пинов а у меня наверное на 10.
3. Как их подсоединить какие блоки надо провода или что еще надо Поворотная ли линза у новых фар ???
Хочу чтобы все работало
-
Lost
- Член Клуба
- Сообщения: 769
- Зарегистрирован: Вс ноя 30, 2008 6:32 pm
- Награды: 1
- Репутация: 28
- Модель: A8 2011
- Мотор: CDRA
- Город: Москва
- Откуда: www.audi-club.ru
Re: Змена фар
Из-за того что поворотная
нужен новый блок корректора
и перетянуть всю проводку до фар
нужен новый блок корректора
и перетянуть всю проводку до фар
Audi A8 D4 4.2 2011г - моя
Audi A4 Cabriolet 2003г. 2.4 Q - моя
Audi A6 Avant 1999г. 2.7BT - моя
Porsche Macan Turbo 2015. - Хорошего друга
Audi R8 5.2 2012г.
Audi R8 4.2 2008г.
Audi R8 V10 Plus 2016г. - все его же.
Audi A4 Cabriolet 2003г. 2.4 Q - моя
Audi A6 Avant 1999г. 2.7BT - моя
Porsche Macan Turbo 2015. - Хорошего друга
Audi R8 5.2 2012г.
Audi R8 4.2 2008г.
Audi R8 V10 Plus 2016г. - все его же.
-
Zubeiyr
- Сообщения: 86
- Зарегистрирован: Чт янв 17, 2013 6:13 am
- Репутация: 0
- Модель: a8l 2005
- Мотор: 4200
- Город: кокшетау
- Имя: Зубейр
Re: Змена фар
Какой блок и провода схемы может кто знает
-
kakawyn
- Почетный член Клуба
- Сообщения: 5112
- Зарегистрирован: Пн окт 06, 2008 10:06 am
- Награды: 3
- Репутация: 99
- Модель: D4
- Мотор: Тфси
- Город: М.Б.К.О
- Откуда: ссср
- Контактная информация:
Re: Змена фар
4L0907357
- serega86
- Член Клуба
- Сообщения: 850
- Зарегистрирован: Ср май 11, 2011 7:18 pm
- Репутация: 9
- Модель: A4 B8 2009
- Мотор: 2.0T
- Город: Югорск
- Имя: Серега
Re: Змена фар
Проводку то зачем всю тянуть?
1) Надо кан шину протащить. Это кинуть по два провода к каждой фаре от блока корректора и правильно их подключить.
2) Протащить новые провода питания фар на 1мм. сечения (питание блоков корректора на фарах) от блока предохранителя к фарам во избежании проблем с проводкой! т.к. родные идут на 0,5 мм. сеч.
3) Взять новые разъемы на 14 пин и новые пины. Пере подключить в соответствии с распиновкой:
4) Заменить блок корректора.
Если возникнут вопросы по прокладыванию проводов, как и куда тянуть, пиши.
10-пиновый разъём
1 Ксеноновая лампа и адаптивный свет земля Коричневый 1,0
2 Поворотники земля 0,5 Коричневый
3 Однопроводная шина данных для упр. корректором и адаптивным светом фиолетовый/черный 0,35 идет к контакту 5 на 55 блоке (корректора)
4 Габариты серый/черный
5 Дальний свет от 09 блока Белый/черный 1,0
6 Соленоид шторки ближний/дальний Белый/желтый 0,35
7 Дальний свет земля Коричневый 1,0
8 Питание фары пр. SB4 черный/фиолетовый 0,5
9 Поворотники от 09 блока Черный/белый 0,5
10 Ксеноновая лампа от 09 блока желтый/черный 1,5
14-пиновый разъём ДЛЯ фары с АДАПТИВНЫМ светом
1 CAN BUS оранжевый/черный 0,35 идет к контакту 18 на 55 блоке (корректора)
2 CAN BUS оранжевый/коричневый 0,35 идет к контакту 19 на 55 блоке (корректора)
3 Не используется в адаптивной фаре
4 Питание фары пр. SB43(л.ф.) черный/серый1,0; SB44(п.ф.) черный/коричневый1,0
5 Ксеноновая лампа земля Коричневый 0,5
6 Ксеноновая лампа от 09 блока желтый/черный 0,5
7 Поворотники, габариты, дневной свет земля Коричневый 1,0
8 Не используется в адаптивной фаре
9 Поворотники от 09 блока Черный/белый 0,5
10 Габариты серый/черный 0,35
11 Соленоид шторки ближний/дальний Белый/желтый 0,35
12 Дневной свет от 09 блока Белый/черный 0,5 на фаре *ВЕ* (со светодиодами) не используется на автомобиле с дв. 6,0 литров провод отсутствует
13 Не используется в адаптивной фаре
14 Адаптивный свет земля Коричневый 1,0
1 Перебираем разъемы фар (Ненужные провода удаляем, нужные втыкаем)
2 Прокладываем провода CANBUS (витая пара) от фар к 55 блоку (установлен за щитком приборов)
3 Перебираем разъем 55 блока (Ненужный провод удаляем, CANBUS втыкаем)
4 Устанавливаем новый 55 блок
5 Прокладываем провода питания (1,0 мм2) от фар к блоку предохранителей В(левая сторона торпеды), подключаем соотв 43 и 44 предохр 10А
5 Кодируем 09 блок в соответствии с установленной фарой
6 Кодируем, проводим адаптацию, затем базовую настройку 55 блок
Номера разъемов 14 пин 1J0973737
Номер нового блока корректора 4L0907357
Имеем динамическую коррекцию света фар и поворотные линзы.
!НЕ ИСПОЛЬЗУЙТЕ СТАРЫЕ ПРОВОДА ПИТАНИЯ ФАР.
!ВСЕ ОТРЕЗАНЫЕ ПРОВОДА СЛЕДУЕТ ЗАИЗОЛИРОВАТЬ.
Переделываем проводку:
14пин < 10пин
1 < CAN-H от диапазона ксеноновой [55]
2 < CAN-L от диапазона ксеноновой [55]
3 < 3 не используются в 14 контактном разъеме, изолируем.
4 < 8
5 < 1 земля
6 < 10
7 < 2 земля
8 < не используется в 14 контактном разъеме.
9 < 9
10 < 4
11 < 6
12 < 5 - в фарах W12 этот провод не используется!
13 < не используется 14 контактном разъеме.
14 < 7 земля
1) Надо кан шину протащить. Это кинуть по два провода к каждой фаре от блока корректора и правильно их подключить.
2) Протащить новые провода питания фар на 1мм. сечения (питание блоков корректора на фарах) от блока предохранителя к фарам во избежании проблем с проводкой! т.к. родные идут на 0,5 мм. сеч.
3) Взять новые разъемы на 14 пин и новые пины. Пере подключить в соответствии с распиновкой:
4) Заменить блок корректора.
Если возникнут вопросы по прокладыванию проводов, как и куда тянуть, пиши.
10-пиновый разъём
1 Ксеноновая лампа и адаптивный свет земля Коричневый 1,0
2 Поворотники земля 0,5 Коричневый
3 Однопроводная шина данных для упр. корректором и адаптивным светом фиолетовый/черный 0,35 идет к контакту 5 на 55 блоке (корректора)
4 Габариты серый/черный
5 Дальний свет от 09 блока Белый/черный 1,0
6 Соленоид шторки ближний/дальний Белый/желтый 0,35
7 Дальний свет земля Коричневый 1,0
8 Питание фары пр. SB4 черный/фиолетовый 0,5
9 Поворотники от 09 блока Черный/белый 0,5
10 Ксеноновая лампа от 09 блока желтый/черный 1,5
14-пиновый разъём ДЛЯ фары с АДАПТИВНЫМ светом
1 CAN BUS оранжевый/черный 0,35 идет к контакту 18 на 55 блоке (корректора)
2 CAN BUS оранжевый/коричневый 0,35 идет к контакту 19 на 55 блоке (корректора)
3 Не используется в адаптивной фаре
4 Питание фары пр. SB43(л.ф.) черный/серый1,0; SB44(п.ф.) черный/коричневый1,0
5 Ксеноновая лампа земля Коричневый 0,5
6 Ксеноновая лампа от 09 блока желтый/черный 0,5
7 Поворотники, габариты, дневной свет земля Коричневый 1,0
8 Не используется в адаптивной фаре
9 Поворотники от 09 блока Черный/белый 0,5
10 Габариты серый/черный 0,35
11 Соленоид шторки ближний/дальний Белый/желтый 0,35
12 Дневной свет от 09 блока Белый/черный 0,5 на фаре *ВЕ* (со светодиодами) не используется на автомобиле с дв. 6,0 литров провод отсутствует
13 Не используется в адаптивной фаре
14 Адаптивный свет земля Коричневый 1,0
1 Перебираем разъемы фар (Ненужные провода удаляем, нужные втыкаем)
2 Прокладываем провода CANBUS (витая пара) от фар к 55 блоку (установлен за щитком приборов)
3 Перебираем разъем 55 блока (Ненужный провод удаляем, CANBUS втыкаем)
4 Устанавливаем новый 55 блок
5 Прокладываем провода питания (1,0 мм2) от фар к блоку предохранителей В(левая сторона торпеды), подключаем соотв 43 и 44 предохр 10А
5 Кодируем 09 блок в соответствии с установленной фарой
6 Кодируем, проводим адаптацию, затем базовую настройку 55 блок
Номера разъемов 14 пин 1J0973737
Номер нового блока корректора 4L0907357
Имеем динамическую коррекцию света фар и поворотные линзы.
!НЕ ИСПОЛЬЗУЙТЕ СТАРЫЕ ПРОВОДА ПИТАНИЯ ФАР.
!ВСЕ ОТРЕЗАНЫЕ ПРОВОДА СЛЕДУЕТ ЗАИЗОЛИРОВАТЬ.
Переделываем проводку:
14пин < 10пин
1 < CAN-H от диапазона ксеноновой [55]
2 < CAN-L от диапазона ксеноновой [55]
3 < 3 не используются в 14 контактном разъеме, изолируем.
4 < 8
5 < 1 земля
6 < 10
7 < 2 земля
8 < не используется в 14 контактном разъеме.
9 < 9
10 < 4
11 < 6
12 < 5 - в фарах W12 этот провод не используется!
13 < не используется 14 контактном разъеме.
14 < 7 земля
-
Павлучио
- Почетный член Клуба
- Сообщения: 8633
- Зарегистрирован: Чт янв 21, 2010 2:15 pm
- Награды: 1
- Репутация: 146
- Модель: A8L Quattro '04
- Мотор: 4.2 BFM (335 ph)
- Город: New Mordovian Vasuki
- Имя: Павлик
Re: Змена фар
Еще есть вариант переложить проводку в фарах и оставить свои блоки. Я делал именно так. Правда у меня небыло поворотных линз, поэтому было проще.

-
Zubeiyr
- Сообщения: 86
- Зарегистрирован: Чт янв 17, 2013 6:13 am
- Репутация: 0
- Модель: a8l 2005
- Мотор: 4200
- Город: кокшетау
- Имя: Зубейр
Re: Змена фар
Инфа хорошая блок нашел б/у за 4000 рубля (думаю нормально) на Avito новый 12000 стоит думаю не зачем а вот по поводу проводов нужен электрик. А вот по поводу кан шины тянуть какие провода использовать.
и еще на форуме читал один просто взял внутрености заменил фар пишет все подошло только разьем переделал тут вообще не че менять не надо как думаете
и еще на форуме читал один просто взял внутрености заменил фар пишет все подошло только разьем переделал тут вообще не че менять не надо как думаете
-
kakawyn
- Почетный член Клуба
- Сообщения: 5112
- Зарегистрирован: Пн окт 06, 2008 10:06 am
- Награды: 3
- Репутация: 99
- Модель: D4
- Мотор: Тфси
- Город: М.Б.К.О
- Откуда: ссср
- Контактная информация:
Re: Змена фар
можешь просто снять свою проводку вставить в эти фары и ничего не менять
для кана обычная витая пара
для кана обычная витая пара
- serega86
- Член Клуба
- Сообщения: 850
- Зарегистрирован: Ср май 11, 2011 7:18 pm
- Репутация: 9
- Модель: A4 B8 2009
- Мотор: 2.0T
- Город: Югорск
- Имя: Серега
Re: Змена фар
Ну я использовал оригинальную проводку, хотя можно было и любые похожие провода взять.
номера ориг.
000979980A - 10 метров, 0,35мм.
000979982A - 10 метров, 1мм.
номера ориг.
000979980A - 10 метров, 0,35мм.
000979982A - 10 метров, 1мм.
-
Zubeiyr
- Сообщения: 86
- Зарегистрирован: Чт янв 17, 2013 6:13 am
- Репутация: 0
- Модель: a8l 2005
- Мотор: 4200
- Город: кокшетау
- Имя: Зубейр
Re: Змена фар
1J0 973 737 номер вроде такой разьемов 14 пиновых.
думаю буду свой внутренности вставлять фары в руки попали там блоков нет
мой одни только подойдут этот - 4E0 907 476 Блок управления газоразрядной.
а этот надо покупать - 4F0 941 329 D Блок управления адаптивного освещения.
думаю буду свой внутренности вставлять фары в руки попали там блоков нет
мой одни только подойдут этот - 4E0 907 476 Блок управления газоразрядной.
а этот надо покупать - 4F0 941 329 D Блок управления адаптивного освещения.
-
kakawyn
- Почетный член Клуба
- Сообщения: 5112
- Зарегистрирован: Пн окт 06, 2008 10:06 am
- Награды: 3
- Репутация: 99
- Модель: D4
- Мотор: Тфси
- Город: М.Б.К.О
- Откуда: ссср
- Контактная информация:
Re: Змена фар
serega86
А вот мне интересно ты сам рисовал схему переподключения?
Кана в фарах нет и по твоей схеме можно чудеса наделать с фарами.
А вот мне интересно ты сам рисовал схему переподключения?
Кана в фарах нет и по твоей схеме можно чудеса наделать с фарами.
- serega86
- Член Клуба
- Сообщения: 850
- Зарегистрирован: Ср май 11, 2011 7:18 pm
- Репутация: 9
- Модель: A4 B8 2009
- Мотор: 2.0T
- Город: Югорск
- Имя: Серега
Re: Змена фар
Глеб, я строго все по этой распиновке делал. Ее нашел на западном форуме.
В смысле нет кана в фарах? Провода 1 и 2 есть кан и выходят из разъема фары.
У меня все работает без проблем! Фары у меня от W12 "BE".
В смысле нет кана в фарах? Провода 1 и 2 есть кан и выходят из разъема фары.
У меня все работает без проблем! Фары у меня от W12 "BE".
Последний раз редактировалось serega86 Ср июл 30, 2014 6:10 pm, всего редактировалось 1 раз.
-
kakawyn
- Почетный член Клуба
- Сообщения: 5112
- Зарегистрирован: Пн окт 06, 2008 10:06 am
- Награды: 3
- Репутация: 99
- Модель: D4
- Мотор: Тфси
- Город: М.Б.К.О
- Откуда: ссср
- Контактная информация:
Re: Змена фар
serega86
Я вот схему смотрю
значит в 14 пинах
1,2,3,4 пины идут на корректор в обеих фарах на разные пины 55 блока.У тебя же и правая и левая на 19-18 а так по схеме только левая фара пин 4 в 18 и пин 2 в 19.А 3 у тебя вообще не участвует 4 на 8 тоже не понятно на постоянное питание если питание 23 на 55 блоке
55 корректор 3,2 пин соответственно кан.Кан всегда обозначается и я не уже сказал кан комфорт выкинуть на улицу это нонсенс,хотя 18 и 19 пины это не кан.Кан в целях безопасности на улицу не тащут.
поэтому и задал вопрос,ты уверен,что у тебя двигаются линзы?
В Любом СЛУЧАЕ я уверен в некоректной работе твоих ФАР.
Больше похоже на схему с 14 пин на 10 пин.
Я вот схему смотрю
значит в 14 пинах
1,2,3,4 пины идут на корректор в обеих фарах на разные пины 55 блока.У тебя же и правая и левая на 19-18 а так по схеме только левая фара пин 4 в 18 и пин 2 в 19.А 3 у тебя вообще не участвует 4 на 8 тоже не понятно на постоянное питание если питание 23 на 55 блоке
55 корректор 3,2 пин соответственно кан.Кан всегда обозначается и я не уже сказал кан комфорт выкинуть на улицу это нонсенс,хотя 18 и 19 пины это не кан.Кан в целях безопасности на улицу не тащут.
поэтому и задал вопрос,ты уверен,что у тебя двигаются линзы?
В Любом СЛУЧАЕ я уверен в некоректной работе твоих ФАР.
Больше похоже на схему с 14 пин на 10 пин.
- serega86
- Член Клуба
- Сообщения: 850
- Зарегистрирован: Ср май 11, 2011 7:18 pm
- Репутация: 9
- Модель: A4 B8 2009
- Мотор: 2.0T
- Город: Югорск
- Имя: Серега
Re: Змена фар
Глеб, все работает! Линзы двигаются и галогенка в бок работает. Фары адаптировались и о шибок никаких нет!
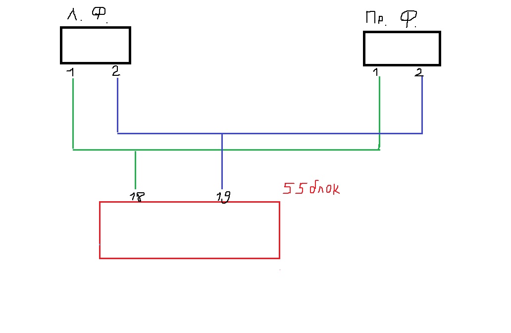
Вот нарисовал как я кан подсоединил:
Что касается питания, пытаюсь вспомнить:
4 пин от каждой фары соединил с новыми проводами (1 мм. сечением, а старые шли по 0,5 мм.) и заводил в левую колодку с предами, создал им отдельное новое питание через преды.
А питание 55 блока (23 пин) я не трогал, на сколько помню оно вроде идет на предохранитель №4.
Вообщем как то так.
Вот нарисовал как я кан подсоединил:
Что касается питания, пытаюсь вспомнить:
4 пин от каждой фары соединил с новыми проводами (1 мм. сечением, а старые шли по 0,5 мм.) и заводил в левую колодку с предами, создал им отдельное новое питание через преды.
А питание 55 блока (23 пин) я не трогал, на сколько помню оно вроде идет на предохранитель №4.
Вообщем как то так.
- serega86
- Член Клуба
- Сообщения: 850
- Зарегистрирован: Ср май 11, 2011 7:18 pm
- Репутация: 9
- Модель: A4 B8 2009
- Мотор: 2.0T
- Город: Югорск
- Имя: Серега
Re: Змена фар
Вот я уже сам запутался 
Глеб, а куда идут 2 и 3 пины кан провода с 55 блока? По моему на 09 блок?
Чет не пойму, но они у меня остались на 55 блоке. Я убрал только 5 пин. и добавил 18 и 19, больше ничего не трогал.
Глеб, а куда идут 2 и 3 пины кан провода с 55 блока? По моему на 09 блок?
Чет не пойму, но они у меня остались на 55 блоке. Я убрал только 5 пин. и добавил 18 и 19, больше ничего не трогал.
-
kakawyn
- Почетный член Клуба
- Сообщения: 5112
- Зарегистрирован: Пн окт 06, 2008 10:06 am
- Награды: 3
- Репутация: 99
- Модель: D4
- Мотор: Тфси
- Город: М.Б.К.О
- Откуда: ссср
- Контактная информация:
Re: Змена фар
Я то понял как ты их подключил.
Мне бы ресурс откуда ты эту схему взял.
По твоей схеме не может он работать корректно...
Ты убрал управление верх/вниз 5 это только на старых блоках.
2 и 3 кан он и остался,но по кану работает 55 блок,а шлет на фары сигнал не по кану......
по всем схемам afs2 на каждую фару от 55 блока идет 4 провода,и эти провода каждый на свой пин итого получается 8 проводов выходит с 55 на 2 фары,а у тебя 2 на 2 фары итого 6 проводов где-то подвисло
Мне бы ресурс откуда ты эту схему взял.
По твоей схеме не может он работать корректно...
Ты убрал управление верх/вниз 5 это только на старых блоках.
2 и 3 кан он и остался,но по кану работает 55 блок,а шлет на фары сигнал не по кану......
по всем схемам afs2 на каждую фару от 55 блока идет 4 провода,и эти провода каждый на свой пин итого получается 8 проводов выходит с 55 на 2 фары,а у тебя 2 на 2 фары итого 6 проводов где-то подвисло
-
kakawyn
- Почетный член Клуба
- Сообщения: 5112
- Зарегистрирован: Пн окт 06, 2008 10:06 am
- Награды: 3
- Репутация: 99
- Модель: D4
- Мотор: Тфси
- Город: М.Б.К.О
- Откуда: ссср
- Контактная информация:
Re: Змена фар
Я нашел где используется так как ты подключил,на ауди с фарами trixenon.
Там действительно идет кан на блок фары.Но у нас в фарах другие блоки.
У тебя видно как линза за рулем поворачивается,когда руль крутишь?
Там действительно идет кан на блок фары.Но у нас в фарах другие блоки.
У тебя видно как линза за рулем поворачивается,когда руль крутишь?
-
kakawyn
- Почетный член Клуба
- Сообщения: 5112
- Зарегистрирован: Пн окт 06, 2008 10:06 am
- Награды: 3
- Репутация: 99
- Модель: D4
- Мотор: Тфси
- Город: М.Б.К.О
- Откуда: ссср
- Контактная информация:
Re: Змена фар
Все разобрался...все правильно подключил,эльза запутала меня

- serega86
- Член Клуба
- Сообщения: 850
- Зарегистрирован: Ср май 11, 2011 7:18 pm
- Репутация: 9
- Модель: A4 B8 2009
- Мотор: 2.0T
- Город: Югорск
- Имя: Серега
Re: Змена фар
Ок! 
-
Zubeiyr
- Сообщения: 86
- Зарегистрирован: Чт янв 17, 2013 6:13 am
- Репутация: 0
- Модель: a8l 2005
- Мотор: 4200
- Город: кокшетау
- Имя: Зубейр
Re: Змена фар
так как точно подсоединить что бы все работало когда руль крутишь и верх и вниз коректор точная схема
срочно надо
срочно надо
- ZhAmAn
- Член Клуба
- Сообщения: 3628
- Зарегистрирован: Пн дек 23, 2013 11:30 am
- Репутация: 45
- Модель: AUDI A8 D3
- Мотор: BFM
- Город: Ростов-На-Дону
- Имя: Кирилл
Re: Змена фар
Zubeiyr viewtopic.php?f=151&t=47074
AUDI A8 D3(4E) 4.2 quattro BFM, АКПП 6HP26(GNU)/Серебро.
- serega86
- Член Клуба
- Сообщения: 850
- Зарегистрирован: Ср май 11, 2011 7:18 pm
- Репутация: 9
- Модель: A4 B8 2009
- Мотор: 2.0T
- Город: Югорск
- Имя: Серега
Re: Змена фар
Зубейр, в чем конкретно сложность возникла?
-
Zubeiyr
- Сообщения: 86
- Зарегистрирован: Чт янв 17, 2013 6:13 am
- Репутация: 0
- Модель: a8l 2005
- Мотор: 4200
- Город: кокшетау
- Имя: Зубейр
Re: Змена фар
не все ок заработала. спасибо всем
теперь хочу поставить зеркала рестаил вот думаю там не сложно будет блоки не надо наверное менять
теперь хочу поставить зеркала рестаил вот думаю там не сложно будет блоки не надо наверное менять
- serega86
- Член Клуба
- Сообщения: 850
- Зарегистрирован: Ср май 11, 2011 7:18 pm
- Репутация: 9
- Модель: A4 B8 2009
- Мотор: 2.0T
- Город: Югорск
- Имя: Серега
Re: Змена фар
Фары подключил по той распиновке, которая выше?
По зеркалам не подскажу, не добрался еще.
По зеркалам не подскажу, не добрался еще.
-
kakawyn
- Почетный член Клуба
- Сообщения: 5112
- Зарегистрирован: Пн окт 06, 2008 10:06 am
- Награды: 3
- Репутация: 99
- Модель: D4
- Мотор: Тфси
- Город: М.Б.К.О
- Откуда: ссср
- Контактная информация:
Re: Змена фар
зеркала просто меняются,без смены блоков.



