Подскажите номер патрубка
-
- Реклама
- Gorkiusadba
- Сообщения: 126
- Зарегистрирован: Вт фев 14, 2012 12:21 am
- Репутация: 16
- Модель: Jaguar XJ 351 2013 год
- Мотор: 2993см3 274л/с
- Город: Брест-Warszawa-Москва
- Имя: Виталий
Подскажите номер патрубка
Всем доброго дня ! Снимал теплообменник с блока и обломал патрубок, который находится внутри теплообменника (с теплообменника в блок )
Как мне его заказать, может номер у него есть ? 
- Gorkiusadba
- Сообщения: 126
- Зарегистрирован: Вт фев 14, 2012 12:21 am
- Репутация: 16
- Модель: Jaguar XJ 351 2013 год
- Мотор: 2993см3 274л/с
- Город: Брест-Warszawa-Москва
- Имя: Виталий
- Suomi
- Член Клуба
- Сообщения: 2042
- Зарегистрирован: Вт апр 20, 2010 5:11 pm
- Репутация: 50
- Модель: S8 plus (НЛО) 98
- Мотор: AKH 4.2
- Город: железногорск, курск
- Имя: Вячеслав
- Откуда: Карелия, Костомукша
Re: Подскажите номер патрубка
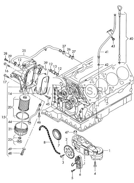
какой номер на схемеsuomi1114 писал(а):какая?
+79065761767
+79038751696
+79997450217
+79038751696
+79997450217
- Gorkiusadba
- Сообщения: 126
- Зарегистрирован: Вт фев 14, 2012 12:21 am
- Репутация: 16
- Модель: Jaguar XJ 351 2013 год
- Мотор: 2993см3 274л/с
- Город: Брест-Warszawa-Москва
- Имя: Виталий
Re: Подскажите номер патрубка
Слава, я не вижу его на схеме !
Может гоню ! 
- Suomi
- Член Клуба
- Сообщения: 2042
- Зарегистрирован: Вт апр 20, 2010 5:11 pm
- Репутация: 50
- Модель: S8 plus (НЛО) 98
- Мотор: AKH 4.2
- Город: железногорск, курск
- Имя: Вячеслав
- Откуда: Карелия, Костомукша
Re: Подскажите номер патрубка
сфоткай так чтоб было видно весь теплообменник, и отметь где располагается трубка
+79065761767
+79038751696
+79997450217
+79038751696
+79997450217
- Gorkiusadba
- Сообщения: 126
- Зарегистрирован: Вт фев 14, 2012 12:21 am
- Репутация: 16
- Модель: Jaguar XJ 351 2013 год
- Мотор: 2993см3 274л/с
- Город: Брест-Warszawa-Москва
- Имя: Виталий
Re: Подскажите номер патрубка
Но тогда только завтра это смогу сделать !
Ух этот ремонт ! 
- kiryasp
- Сообщения: 536
- Зарегистрирован: Пн авг 19, 2013 7:23 pm
- Репутация: 3
- Модель: была А8 (D2) 3,7 Q 2001
- Мотор: АКС 3697 см³
- Город: Питер
- Имя: Кирилл
Re: Подскажите номер патрубка
Тоже ищю номер. Как я понял - это номер 13 на схеме? Номер 077 117 411 A ?



