Задний спортивный дифференциал

Вопросы по коробке переключения передач, кардану, приводам, ШРУСам и редуктору
Аватара пользователя
ivanov

Ветеран Клуба
Член Клуба
Сообщения: 1839
Зарегистрирован: Пн июл 14, 2008 5:29 pm
Награды: 1
Репутация: 25
Модель: 4E
Мотор: BHT
Город: Москва
Имя: Николай

Задний спортивный дифференциал

Сообщение ivanov »

Vavastik, у тебя такой стоит?

объясните, плз, как он работает?
Аватара пользователя
Romik

Ветеран Клуба
Почетный член Клуба
Сообщения: 900
Зарегистрирован: Пт июн 20, 2008 12:19 pm
Награды: 1
Репутация: 33
Модель: Jaguar XJ 2012
Мотор: 5.0
Город: Москва
Имя: Роман
Откуда: Волгоград

Re: Задний спортивный дифференциал

Сообщение Romik »

Думаю, "спортивность" заключается в более "коротком" передаточном отношении главной пары. Так, например, на W12 D3 ставилимсь разные дифференциалы на стандартную и удлинённую версии. На стандарте ставилась более "короткая" главная пара, что обеспечивало лучшую динамику, а на "лонге" - более растянутая, что способствовало большей плавности при наборе скорости.
Аватара пользователя
ivanov

Ветеран Клуба
Член Клуба
Сообщения: 1839
Зарегистрирован: Пн июл 14, 2008 5:29 pm
Награды: 1
Репутация: 25
Модель: 4E
Мотор: BHT
Город: Москва
Имя: Николай

Re: Задний спортивный дифференциал

Сообщение ivanov »

насколько я понял, он там "умный" и в повороте может перераспределять момент между наружним и внутренним колесами, чтобы помочь машине повернуть
Аватара пользователя
kakawyn

Ветеран Клуба Мастер Клуба За особые заслуги
Почетный член Клуба
Сообщения: 5112
Зарегистрирован: Пн окт 06, 2008 10:06 am
Награды: 3
Репутация: 99
Модель: D4
Мотор: Тфси
Город: М.Б.К.О
Откуда: ссср
Контактная информация:

Re: Задний спортивный дифференциал

Сообщение kakawyn »

Я тоже слышал,что на них ставят активный ДИФФ....
Активный дифференциал устанавливается на заднюю ось автомобиля, наделяя его невиданной устойчивостью в поворотах: там, где любой другой в ответ на прибавление газа уже давно бы “повис” в заносе, автомобиль с таким дифференциалом лишь активнее ввинчивается в вираж. Не страшно и бездорожье – если забуксовало одно колесо, то второе будет стремиться вращаться еще быстрее.
Аватара пользователя
ivanov

Ветеран Клуба
Член Клуба
Сообщения: 1839
Зарегистрирован: Пн июл 14, 2008 5:29 pm
Награды: 1
Репутация: 25
Модель: 4E
Мотор: BHT
Город: Москва
Имя: Николай

Re: Задний спортивный дифференциал

Сообщение ivanov »

а кто-нить видел устройство (в смысле как сделано)?
это механически делается?
или там куча муфт и электронный мозг говорит - тут зажми сильнее, тут ослабь?
Аватара пользователя
ivanov

Ветеран Клуба
Член Клуба
Сообщения: 1839
Зарегистрирован: Пн июл 14, 2008 5:29 pm
Награды: 1
Репутация: 25
Модель: 4E
Мотор: BHT
Город: Москва
Имя: Николай

Re: Задний спортивный дифференциал

Сообщение ivanov »

на сайте ауди описано скупо:
Оснащенный опциональным полным приводом quattro® со спортивным дифференциалом, распределяющим момент между задними колесами, Audi A8 способен проходить любые повороты уверенно, как по рельсам.

Это достигается благодаря добавлению совмещенного двухступенчатого блока к дифференциалу quattro® для задней оси слева и справа. Ступени блока обеспечивают раздельную передачу крутящего момента на каждое из задних колес.
Аватара пользователя
vovvw

Ветеран Клуба
Почетный член Клуба
Почетный член  Клуба
Сообщения: 8429
Зарегистрирован: Ср сен 26, 2007 8:42 am
Награды: 1
Репутация: 61
Модель: I-Pace
Мотор: Permanent magnet
Город: Киров
Имя: Владимир

Re: Задний спортивный дифференциал

Сообщение vovvw »

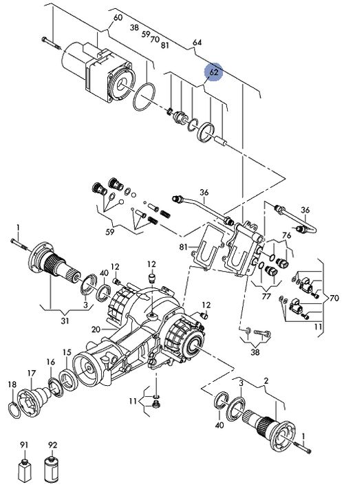
Вот оно, насос, клапана, фрикционы, посложнее блокировка, не как на жыпах... :)
diff.jpg
Аватара пользователя
ivanov

Ветеран Клуба
Член Клуба
Сообщения: 1839
Зарегистрирован: Пн июл 14, 2008 5:29 pm
Награды: 1
Репутация: 25
Модель: 4E
Мотор: BHT
Город: Москва
Имя: Николай

Re: Задний спортивный дифференциал

Сообщение ivanov »

а картинки препарированного нет?
Аватара пользователя
vovvw

Ветеран Клуба
Почетный член Клуба
Почетный член  Клуба
Сообщения: 8429
Зарегистрирован: Ср сен 26, 2007 8:42 am
Награды: 1
Репутация: 61
Модель: I-Pace
Мотор: Permanent magnet
Город: Киров
Имя: Владимир

Re: Задний спортивный дифференциал

Сообщение vovvw »

Уж звиняйте, их еще бэушных-поломатых нету... :D
А чего непонятно?
Устройство простое достаточно...
Аватара пользователя
Gena

Ветеран Клуба
Член Клуба
Сообщения: 1266
Зарегистрирован: Сб ноя 14, 2009 8:02 am
Награды: 1
Репутация: 29
Модель: А8 D4 2015
Мотор: 4,2 tdi
Город: Полтава
Имя: Гена

Re: Задний спортивный дифференциал

Сообщение Gena »

Польша уже вовсю торгует б/у запчастями от Д4 :D Причем некоторые вещи дешевле чем на Д3. 1pardon76
Аватара пользователя
vovvw

Ветеран Клуба
Почетный член Клуба
Почетный член  Клуба
Сообщения: 8429
Зарегистрирован: Ср сен 26, 2007 8:42 am
Награды: 1
Репутация: 61
Модель: I-Pace
Мотор: Permanent magnet
Город: Киров
Имя: Владимир

Re: Задний спортивный дифференциал

Сообщение vovvw »

Так спроса на них нет пока, вот рынок и подстраивается :)
Аватара пользователя
ivanov

Ветеран Клуба
Член Клуба
Сообщения: 1839
Зарегистрирован: Пн июл 14, 2008 5:29 pm
Награды: 1
Репутация: 25
Модель: 4E
Мотор: BHT
Город: Москва
Имя: Николай

Re: Задний спортивный дифференциал

Сообщение ivanov »

может закупить заранее тогда полмашины? :D
pavel008
Сообщения: 112
Зарегистрирован: Вт окт 19, 2010 4:22 am
Репутация: 5
Модель: A8L 2004
Мотор: BFM
Город: красноярск
Имя: павел

Re: Задний спортивный дифференциал

Сообщение pavel008 »

Не знаю как на ауди, а на м3 стоит дифф повышенного трения. Как мне объяснили, разница в том, что у меня 4 фрикциона, а в обычном два. И из за этого разгруженное колесо тормозит, а загружённому добавляется момент.
Аватара пользователя
Vavastik

Ветеран Клуба
Почетный член Клуба
Сообщения: 3665
Зарегистрирован: Пн май 18, 2009 1:04 pm
Награды: 1
Репутация: 104
Модель: A8 1999
Мотор: AQF 4.2
Город: Москва
Имя: Бородач

Re: Задний спортивный дифференциал

Сообщение Vavastik »

ivanov писал(а):Vavastik, у тебя такой стоит?

объясните, плз, как он работает?
До этого я еще не добрался,но пуляет она как ракета :D
прошу понять и простить
Аватара пользователя
DeniS-8

Ветеран Клуба
Почетный член Клуба
Сообщения: 3453
Зарегистрирован: Вт янв 29, 2008 11:13 am
Награды: 1
Репутация: 44
Модель: A-8 2010
Мотор: 4.2 Td чипованый
Город: Москва - Рига
Имя: Денис

Re: Задний спортивный дифференциал

Сообщение DeniS-8 »

да похоже из за дифиренциала или из за остальных систем стабилдизаций,но д4 повороты вкручивает гораздо круче и интереснее чем д3.Мне кажется это из за дифиринциала.
Аватара пользователя
Dmitry

Ветеран Клуба
Почетный член Клуба
Сообщения: 4137
Зарегистрирован: Сб дек 01, 2007 8:15 pm
Награды: 1
Репутация: 104
Модель: Tesla Model S, RR 2011
Мотор: 4.4 D
Город: Рыбинск
Имя: Дмитрий
Откуда: СССР

Re: Задний спортивный дифференциал

Сообщение Dmitry »

Это из-за 40х60 вместо 50х50 1redface56
Аватара пользователя
dasus

Ветеран Клуба
Почетный член Клуба
Сообщения: 1151
Зарегистрирован: Пт янв 25, 2008 2:42 pm
Награды: 1
Репутация: 41
Модель: A8 2012
Мотор: 3.0 TDI
Город: Харьков
Откуда: Харьков

Re: Задний спортивный дифференциал

Сообщение dasus »

Дим почитав теорию. кроме того что в новой 60х40. Очень сильно на поведение влияет задний диф. Изучил матчасть, не пустословлю)
torsen only quattro
Lakron

Ветеран Клуба
Член Клуба
Сообщения: 1186
Зарегистрирован: Вс апр 11, 2010 6:26 am
Награды: 1
Репутация: 25
Модель: ----
Мотор: ----
Город: Омск
Имя: Владимир

Re: Задний спортивный дифференциал

Сообщение Lakron »

По вину стоит такой дифф.Бенз 4.2
Спрашиваю у оффов в чем отличие?Ответ-все одинаковые.Отличие в прошивке!
Как то мало верится в такой ответ.Есть у кого более тонкие познания?
Аватара пользователя
siroga
Почетный член Клуба
Сообщения: 6822
Зарегистрирован: Вт окт 16, 2007 9:45 pm
Репутация: 54
Модель: Q8
Мотор: 1234
Город: Москва
Откуда: Москва-ГОРОД ГЕРОЙ!!!

Re: Задний спортивный дифференциал

Сообщение siroga »

есть. оффы бред несут. там свой блок.
Q8/ A7
Lakron

Ветеран Клуба
Член Клуба
Сообщения: 1186
Зарегистрирован: Вс апр 11, 2010 6:26 am
Награды: 1
Репутация: 25
Модель: ----
Мотор: ----
Город: Омск
Имя: Владимир

Re: Задний спортивный дифференциал

Сообщение Lakron »

Т.е если правильно понял там совершенно другой дифф? А как определить что именно такой?
пункт из заказной спецификации договора купли продажи - дополнительно для 4.2TDIПостоянный полный привод quattro с ассиметричным динамическим распределением крутящего момента и спортивным задним дифференциалом.
TDI думаю опечатка, маш бензин 4.2
Аватара пользователя
kakawyn

Ветеран Клуба Мастер Клуба За особые заслуги
Почетный член Клуба
Сообщения: 5112
Зарегистрирован: Пн окт 06, 2008 10:06 am
Награды: 3
Репутация: 99
Модель: D4
Мотор: Тфси
Город: М.Б.К.О
Откуда: ссср
Контактная информация:

Re: Задний спортивный дифференциал

Сообщение kakawyn »

Есть спорт диф есть обычный.
У спорт дифа дополнительный блок управления+ нужно менять центральный датчик есп.
у спорт дифа так называемая изменяемый вектор тяги...Штука классная
Lakron

Ветеран Клуба
Член Клуба
Сообщения: 1186
Зарегистрирован: Вс апр 11, 2010 6:26 am
Награды: 1
Репутация: 25
Модель: ----
Мотор: ----
Город: Омск
Имя: Владимир

Re: Задний спортивный дифференциал

Сообщение Lakron »

Зимой особо не погоняешь,но большого отличия в езде не заметил.
Да и отсутствие функции lift на Д4 считаю недостатком для Русской зимы.
Аватара пользователя
siroga
Почетный член Клуба
Сообщения: 6822
Зарегистрирован: Вт окт 16, 2007 9:45 pm
Репутация: 54
Модель: Q8
Мотор: 1234
Город: Москва
Откуда: Москва-ГОРОД ГЕРОЙ!!!

Re: Задний спортивный дифференциал

Сообщение siroga »

ну есть поднимание
Q8/ A7
Lakron

Ветеран Клуба
Член Клуба
Сообщения: 1186
Зарегистрирован: Вс апр 11, 2010 6:26 am
Награды: 1
Репутация: 25
Модель: ----
Мотор: ----
Город: Омск
Имя: Владимир

Re: Задний спортивный дифференциал

Сообщение Lakron »

Поднимание конечно есть,а вот высота этого поднимания как то не особо устраивает.Вроде на Д3 выше машина стоит.
Аватара пользователя
siroga
Почетный член Клуба
Сообщения: 6822
Зарегистрирован: Вт окт 16, 2007 9:45 pm
Репутация: 54
Модель: Q8
Мотор: 1234
Город: Москва
Откуда: Москва-ГОРОД ГЕРОЙ!!!

Re: Задний спортивный дифференциал

Сообщение siroga »

да была выше.на заводе так решили)
Q8/ A7
Ответить

Вернуться в «Трансмиссия»