всем заранее спасибо и респект
сечет глушитель где-то спереди...
-
- Реклама
-
bassoid
- Почетный член Клуба
- Сообщения: 2937
- Зарегистрирован: Сб май 10, 2008 2:37 pm
- Награды: 2
- Репутация: 84
- Модель: MB GLS SL C
- Мотор: 350
- Город: москва
- Имя: Евгений
- Контактная информация:
сечет глушитель где-то спереди...
всем огромный Привет! Вот вчера услышал странный звук, не сразу даже понял что это, пока не вылез из машины.. начал сечь глушак, причем резко, за один день буквально... Звук исходит спереди, практически из района капота, загнал на яму полез - значит очень похоже, что сечет слева (если снизу смотреть) там видно соединение выпускного коллектора и трубы, причем между ними (там где имхо должна быть прокладка) расстояние где-то 2-3 мм., но может и коллектор. собссно отсюда вопросы - 1.насколько это трудоемкая работа (где лучше сделать и сколько может стоить). 2. может кто сталкивался с таким, подскажет что чаще там прогорает. 3. ну и какие запчасти могут понадобиться.
всем заранее спасибо и респект
всем заранее спасибо и респект
Клубный Техцентр www.a8motors.pro
-
bassoid
- Почетный член Клуба
- Сообщения: 2937
- Зарегистрирован: Сб май 10, 2008 2:37 pm
- Награды: 2
- Репутация: 84
- Модель: MB GLS SL C
- Мотор: 350
- Город: москва
- Имя: Евгений
- Контактная информация:
Re:
тааак, а это кольцо менять надо? типа как прокладку?Akin писал(а):Там стоит кольцо металлическое.
При снятии/установке глушителя могло повредиться...
А могли и просто не затянуть болты, ибо к верхним трудно подлезть....
Клубный Техцентр www.a8motors.pro
-
bassoid
- Почетный член Клуба
- Сообщения: 2937
- Зарегистрирован: Сб май 10, 2008 2:37 pm
- Награды: 2
- Репутация: 84
- Модель: MB GLS SL C
- Мотор: 350
- Город: москва
- Имя: Евгений
- Контактная информация:
Re:
ясно, поеду сегодня в сервис какой-нить...Akin писал(а):Если лопнуло, то надо, а так многоразовое, в принципе.
Клубный Техцентр www.a8motors.pro
-
bassoid
- Почетный член Клуба
- Сообщения: 2937
- Зарегистрирован: Сб май 10, 2008 2:37 pm
- Награды: 2
- Репутация: 84
- Модель: MB GLS SL C
- Мотор: 350
- Город: москва
- Имя: Евгений
- Контактная информация:
Re: сечет глушитель где-то спереди...
короче вопрос закрылся - открутилась гайка там где я и предполагал (выпускной-труба), ремонт 10 минут, стоимость 200 руб 
Клубный Техцентр www.a8motors.pro
-
Makkey
- Член Клуба
- Сообщения: 2196
- Зарегистрирован: Пн июн 16, 2008 11:30 am
- Награды: 1
- Репутация: 36
- Модель: Toyota
- Мотор: 1VDFTV
- Город: Moscow
- Имя: Алексей
- Откуда: Moscow
Re: сечет глушитель где-то спереди...
ну не так сложно если открутить по клапану с каждой головы, отодвинуть жгут проводки 
И смерти нет почетней той, Что ты принять готов. За кости пращуров своих.
- onisim39
- Член Клуба
- Сообщения: 671
- Зарегистрирован: Вс авг 09, 2009 6:25 pm
- Репутация: 4
- Модель: a8 1995
- Мотор: abz 4.2
- Город: kaliningrad
- Имя: onisim
- Откуда: тридевятый регион
Re: сечет глушитель где-то спереди...
Парни,а у меня на abz тоже кольцо есть или прокладка какаянибудь? На стыке коллектора с трубой? Орет как трактор. сил больше нет. сегодня затянул болты посильней , но ничего не изменилось. Кент говорит из под коллектора. но я чувствовал что на стыке трубы с коллектором. Насколько гемор поменять прокладки на коллекторе? есть отчет?
- Akin
- Президент Клуба
- Сообщения: 27998
- Зарегистрирован: Пн авг 27, 2007 2:01 am
- Репутация: 643
- Модель: ___
- Мотор: ___
- Город: Королев
- Имя: Владислав
- Откуда: Москва
Re: сечет глушитель где-то спереди...
Кольцо.onisim39 писал(а):На стыке коллектора с трубой?
- onisim39
- Член Клуба
- Сообщения: 671
- Зарегистрирован: Вс авг 09, 2009 6:25 pm
- Репутация: 4
- Модель: a8 1995
- Мотор: abz 4.2
- Город: kaliningrad
- Имя: onisim
- Откуда: тридевятый регион
Re: сечет глушитель где-то спереди...
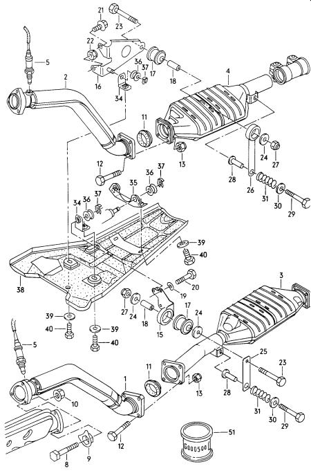
Слава , а на картинке только номер 11 кольцо. я его поменял. а это выше, где лямбда. там на картинке нет прокладок 
- Akin
- Президент Клуба
- Сообщения: 27998
- Зарегистрирован: Пн авг 27, 2007 2:01 am
- Репутация: 643
- Модель: ___
- Мотор: ___
- Город: Королев
- Имя: Владислав
- Откуда: Москва
Re: сечет глушитель где-то спереди...
А, да, там нет ничего, только герметизирующая паста. G 052112A3
- onisim39
- Член Клуба
- Сообщения: 671
- Зарегистрирован: Вс авг 09, 2009 6:25 pm
- Репутация: 4
- Модель: a8 1995
- Мотор: abz 4.2
- Город: kaliningrad
- Имя: onisim
- Откуда: тридевятый регион
Re: сечет глушитель где-то спереди...
Как то встречалась асбестовая паста.может она покатит?
- Akin
- Президент Клуба
- Сообщения: 27998
- Зарегистрирован: Пн авг 27, 2007 2:01 am
- Репутация: 643
- Модель: ___
- Мотор: ___
- Город: Королев
- Имя: Владислав
- Откуда: Москва
Re: сечет глушитель где-то спереди...
Типа того и есть.
- onisim39
- Член Клуба
- Сообщения: 671
- Зарегистрирован: Вс авг 09, 2009 6:25 pm
- Репутация: 4
- Модель: a8 1995
- Мотор: abz 4.2
- Город: kaliningrad
- Имя: onisim
- Откуда: тридевятый регион
Re: сечет глушитель где-то спереди...
Ок. А если не поможет, насколько сложно менять прокладки под коллектором(выпускным)? Говорят чуть ли не бошку надо снимать? Кто проделывал процедуру?
- onisim39
- Член Клуба
- Сообщения: 671
- Зарегистрирован: Вс авг 09, 2009 6:25 pm
- Репутация: 4
- Модель: a8 1995
- Мотор: abz 4.2
- Город: kaliningrad
- Имя: onisim
- Откуда: тридевятый регион
Re: сечет глушитель где-то спереди...
Сегодня смотрел , не затянут болт сверху. как к нему пробраться? кто снимал или ставил глушак? чем там дотянуться?
- Akin
- Президент Клуба
- Сообщения: 27998
- Зарегистрирован: Пн авг 27, 2007 2:01 am
- Репутация: 643
- Модель: ___
- Мотор: ___
- Город: Королев
- Имя: Владислав
- Откуда: Москва
Re: сечет глушитель где-то спереди...
Опускай мотор на подрамнике.
- onisim39
- Член Клуба
- Сообщения: 671
- Зарегистрирован: Вс авг 09, 2009 6:25 pm
- Репутация: 4
- Модель: a8 1995
- Мотор: abz 4.2
- Город: kaliningrad
- Имя: onisim
- Откуда: тридевятый регион
Re: сечет глушитель где-то спереди...
Спасибо, но сначала поеду к тем кто глушаками занимается, может они подтянут))

