Лямбда-зонды 5.2
-
- Реклама
- Stanislav
- Член Клуба
- Сообщения: 598
- Зарегистрирован: Чт июн 18, 2015 6:44 pm
- Репутация: 14
- Модель: S8 2008
- Мотор: BSM 5.2
- Город: Асбест
- Имя: Стас
Лямбда-зонды 5.2
Всем привет!
Подскажите пожалуйста по параметрам лямбда-зондов.
Менял 2 штуки последний раз 1-ю(цилиндры 1,2,3) и 3-ю (цилиндры 6,7,8)
Сразу после замены показатели были около нуля у всех лямбд, напряжение 1,5
Сейчас картина такая: Чека пока не горит
Подскажите пожалуйста по параметрам лямбда-зондов.
Менял 2 штуки последний раз 1-ю(цилиндры 1,2,3) и 3-ю (цилиндры 6,7,8)
Сразу после замены показатели были около нуля у всех лямбд, напряжение 1,5
Сейчас картина такая: Чека пока не горит
Audi 80 1.9 TD 1994 г.в. - продал
Audi A6 2.6 1996 г.в. - продал
Audi A8 3.3 TDI quattro 2002 г.в. - продал
Audi A6 2.4 quattro 2001 г.в. - продал
Audi A3 2.0 TFSI quattro 2008 г.в. - катаюсь
Audi S8 5.2 2008 г.в. - кайфую)))
Audi A6 2.6 1996 г.в. - продал
Audi A8 3.3 TDI quattro 2002 г.в. - продал
Audi A6 2.4 quattro 2001 г.в. - продал
Audi A3 2.0 TFSI quattro 2008 г.в. - катаюсь
Audi S8 5.2 2008 г.в. - кайфую)))
- Stanislav
- Член Клуба
- Сообщения: 598
- Зарегистрирован: Чт июн 18, 2015 6:44 pm
- Репутация: 14
- Модель: S8 2008
- Мотор: BSM 5.2
- Город: Асбест
- Имя: Стас
Лямбда-зонды 5.2
Владислав, спасибо!
Эту тему я видел.
У меня по моей ситуации вопрос, почему они могут показывать такую бедную смесь, а в соседних цилиндрах все хорошо?
Двигатель работает не ровно, обороты ХХ низкие 600 всего.
Эту тему я видел.
У меня по моей ситуации вопрос, почему они могут показывать такую бедную смесь, а в соседних цилиндрах все хорошо?
Двигатель работает не ровно, обороты ХХ низкие 600 всего.
Audi 80 1.9 TD 1994 г.в. - продал
Audi A6 2.6 1996 г.в. - продал
Audi A8 3.3 TDI quattro 2002 г.в. - продал
Audi A6 2.4 quattro 2001 г.в. - продал
Audi A3 2.0 TFSI quattro 2008 г.в. - катаюсь
Audi S8 5.2 2008 г.в. - кайфую)))
Audi A6 2.6 1996 г.в. - продал
Audi A8 3.3 TDI quattro 2002 г.в. - продал
Audi A6 2.4 quattro 2001 г.в. - продал
Audi A3 2.0 TFSI quattro 2008 г.в. - катаюсь
Audi S8 5.2 2008 г.в. - кайфую)))
- Akin
- Президент Клуба
- Сообщения: 28005
- Зарегистрирован: Пн авг 27, 2007 2:01 am
- Репутация: 643
- Модель: ___
- Мотор: ___
- Город: Королев
- Имя: Владислав
- Откуда: Москва
Лямбда-зонды 5.2
После стирания ошибок (даже если ошибок нет) по обоим блокам должны сброситься адаптации. Попробуй.
- Stanislav
- Член Клуба
- Сообщения: 598
- Зарегистрирован: Чт июн 18, 2015 6:44 pm
- Репутация: 14
- Модель: S8 2008
- Мотор: BSM 5.2
- Город: Асбест
- Имя: Стас
Лямбда-зонды 5.2
Попробовал, ничего не меняется, обе поменянные лямбды показывают по 25%, хотя должно быть около нуля.
Поездил, дождался ошибок, появилась:
004490 Ряд 3-зонд 1 Р118А - 008 - слишком низкое напряжение/негерметичность - Периодически
по Ряду 1 - зонд 1 шибка идентичная
Это точно не плохой бензин, т.к. Лямбда 2 и 4 показывают около 0, показания постоянно меняются и напряжение 1,5
Это не низкое давление топлива, по той же причине, не работало бы тогда все.
Пока в голове только два варианта: либо мне опять повезло и лямбды бракованные или их что-то быстро портит, только что
Либо что совсем маловероятно, где-то в коллекторе дыра и от туда берется этот лишний кислород
Поездил, дождался ошибок, появилась:
004490 Ряд 3-зонд 1 Р118А - 008 - слишком низкое напряжение/негерметичность - Периодически
по Ряду 1 - зонд 1 шибка идентичная
Это точно не плохой бензин, т.к. Лямбда 2 и 4 показывают около 0, показания постоянно меняются и напряжение 1,5
Это не низкое давление топлива, по той же причине, не работало бы тогда все.
Пока в голове только два варианта: либо мне опять повезло и лямбды бракованные или их что-то быстро портит, только что
Либо что совсем маловероятно, где-то в коллекторе дыра и от туда берется этот лишний кислород
Последний раз редактировалось Stanislav Чт фев 17, 2022 6:48 am, всего редактировалось 1 раз.
Audi 80 1.9 TD 1994 г.в. - продал
Audi A6 2.6 1996 г.в. - продал
Audi A8 3.3 TDI quattro 2002 г.в. - продал
Audi A6 2.4 quattro 2001 г.в. - продал
Audi A3 2.0 TFSI quattro 2008 г.в. - катаюсь
Audi S8 5.2 2008 г.в. - кайфую)))
Audi A6 2.6 1996 г.в. - продал
Audi A8 3.3 TDI quattro 2002 г.в. - продал
Audi A6 2.4 quattro 2001 г.в. - продал
Audi A3 2.0 TFSI quattro 2008 г.в. - катаюсь
Audi S8 5.2 2008 г.в. - кайфую)))
-
Semen
- Член Клуба
- Сообщения: 324
- Зарегистрирован: Сб окт 26, 2013 5:58 pm
- Награды: 1
- Репутация: 15
- Модель: Audi A8 2014
- Мотор: CTGA
- Город: Омск
- Имя: Дмитрий
Лямбда-зонды 5.2
Помнится было у меня такое же на bsm движке. Решил не переплачивать за оригинал, купил полный аналог Поменял. И получил такой же эффект. Потом купил оригинал, с той буквой какая и должна была быть, поменял и забыл.
Чистосердечное признание облегчает душу, ...но удлиняет срок.
- Stanislav
- Член Клуба
- Сообщения: 598
- Зарегистрирован: Чт июн 18, 2015 6:44 pm
- Репутация: 14
- Модель: S8 2008
- Мотор: BSM 5.2
- Город: Асбест
- Имя: Стас
Лямбда-зонды 5.2
Появилась еще одна мысль, может быть дело в проводке в данным лямбдам, причем похоже на перелом провода внутри изоляции, то есть контакт то нету.
Буду проверять.
Буду проверять.
Audi 80 1.9 TD 1994 г.в. - продал
Audi A6 2.6 1996 г.в. - продал
Audi A8 3.3 TDI quattro 2002 г.в. - продал
Audi A6 2.4 quattro 2001 г.в. - продал
Audi A3 2.0 TFSI quattro 2008 г.в. - катаюсь
Audi S8 5.2 2008 г.в. - кайфую)))
Audi A6 2.6 1996 г.в. - продал
Audi A8 3.3 TDI quattro 2002 г.в. - продал
Audi A6 2.4 quattro 2001 г.в. - продал
Audi A3 2.0 TFSI quattro 2008 г.в. - катаюсь
Audi S8 5.2 2008 г.в. - кайфую)))
- Stanislav
- Член Клуба
- Сообщения: 598
- Зарегистрирован: Чт июн 18, 2015 6:44 pm
- Репутация: 14
- Модель: S8 2008
- Мотор: BSM 5.2
- Город: Асбест
- Имя: Стас
Лямбда-зонды 5.2
Проводка до датчиков целая.
Остались варианты либо лямбда попались левые или ЭБУ чудит.
+ официалы нашли ошибку по датчику распредвала, у меня в ваг-коме ее не показывало, датчик поменяли (после перестановки его на другое место ошибка перешла туда), но не думаю, что он оказывает такое сильное влияние на работу мотора.
Остались варианты либо лямбда попались левые или ЭБУ чудит.
+ официалы нашли ошибку по датчику распредвала, у меня в ваг-коме ее не показывало, датчик поменяли (после перестановки его на другое место ошибка перешла туда), но не думаю, что он оказывает такое сильное влияние на работу мотора.
Audi 80 1.9 TD 1994 г.в. - продал
Audi A6 2.6 1996 г.в. - продал
Audi A8 3.3 TDI quattro 2002 г.в. - продал
Audi A6 2.4 quattro 2001 г.в. - продал
Audi A3 2.0 TFSI quattro 2008 г.в. - катаюсь
Audi S8 5.2 2008 г.в. - кайфую)))
Audi A6 2.6 1996 г.в. - продал
Audi A8 3.3 TDI quattro 2002 г.в. - продал
Audi A6 2.4 quattro 2001 г.в. - продал
Audi A3 2.0 TFSI quattro 2008 г.в. - катаюсь
Audi S8 5.2 2008 г.в. - кайфую)))
- Stanislav
- Член Клуба
- Сообщения: 598
- Зарегистрирован: Чт июн 18, 2015 6:44 pm
- Репутация: 14
- Модель: S8 2008
- Мотор: BSM 5.2
- Город: Асбест
- Имя: Стас
Лямбда-зонды 5.2
Проблему решил - заменой лямбд на оригинал купленный у дилера. Вот такие запчасти продают под видом оригинала 
Audi 80 1.9 TD 1994 г.в. - продал
Audi A6 2.6 1996 г.в. - продал
Audi A8 3.3 TDI quattro 2002 г.в. - продал
Audi A6 2.4 quattro 2001 г.в. - продал
Audi A3 2.0 TFSI quattro 2008 г.в. - катаюсь
Audi S8 5.2 2008 г.в. - кайфую)))
Audi A6 2.6 1996 г.в. - продал
Audi A8 3.3 TDI quattro 2002 г.в. - продал
Audi A6 2.4 quattro 2001 г.в. - продал
Audi A3 2.0 TFSI quattro 2008 г.в. - катаюсь
Audi S8 5.2 2008 г.в. - кайфую)))
-
Semen
- Член Клуба
- Сообщения: 324
- Зарегистрирован: Сб окт 26, 2013 5:58 pm
- Награды: 1
- Репутация: 15
- Модель: Audi A8 2014
- Мотор: CTGA
- Город: Омск
- Имя: Дмитрий
Лямбда-зонды 5.2
Вот такая фича на этом движке присутствует...
спс
спс
Чистосердечное признание облегчает душу, ...но удлиняет срок.
- Akin
- Президент Клуба
- Сообщения: 28005
- Зарегистрирован: Пн авг 27, 2007 2:01 am
- Репутация: 643
- Модель: ___
- Мотор: ___
- Город: Королев
- Имя: Владислав
- Откуда: Москва
Лямбда-зонды 5.2
Подтверждаю. На прошлой неделе примеряли бошевский зонд. Не пошло. Оригинал заработал без проблем.
- Stanislav
- Член Клуба
- Сообщения: 598
- Зарегистрирован: Чт июн 18, 2015 6:44 pm
- Репутация: 14
- Модель: S8 2008
- Мотор: BSM 5.2
- Город: Асбест
- Имя: Стас
Лямбда-зонды 5.2
Всем привет!
С наступившим Новым годом и Рождеством!
Опять зима и опять мрут лямбды как мухи
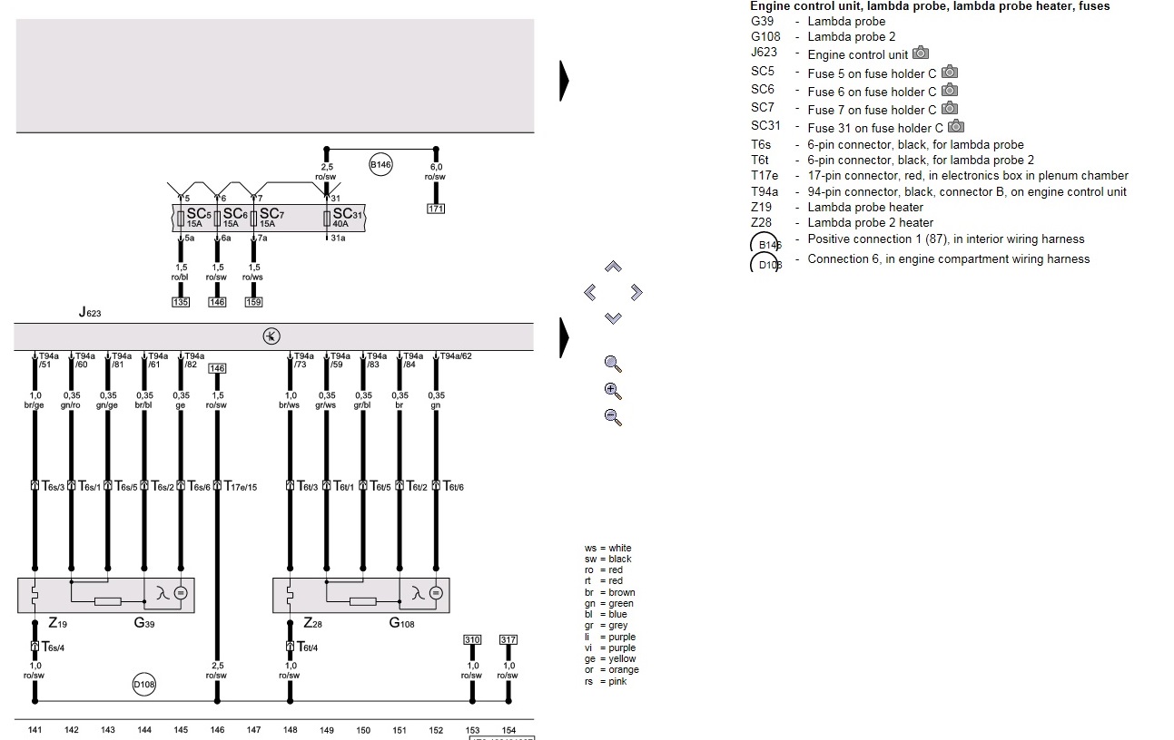
Подскажите может есть у кого распиновка разъёма блоков управления двигателем.
Хочу сделать дублирующую проводку на лямбды 1 и 3, начиная с пинков в эбу и с новыми проводами, фишками, и расположить их под капотом рядом с фишками на зонды 2 и 4.
Заговаривал с диагностами дилера и они все говорят, что два умерших оригинала за 1 год это нереально! Да и бош если он не универсальный должен больше года проходить точно. Так что им что то помогает выгорать.
С наступившим Новым годом и Рождеством!
Опять зима и опять мрут лямбды как мухи
Подскажите может есть у кого распиновка разъёма блоков управления двигателем.
Хочу сделать дублирующую проводку на лямбды 1 и 3, начиная с пинков в эбу и с новыми проводами, фишками, и расположить их под капотом рядом с фишками на зонды 2 и 4.
Заговаривал с диагностами дилера и они все говорят, что два умерших оригинала за 1 год это нереально! Да и бош если он не универсальный должен больше года проходить точно. Так что им что то помогает выгорать.
Audi 80 1.9 TD 1994 г.в. - продал
Audi A6 2.6 1996 г.в. - продал
Audi A8 3.3 TDI quattro 2002 г.в. - продал
Audi A6 2.4 quattro 2001 г.в. - продал
Audi A3 2.0 TFSI quattro 2008 г.в. - катаюсь
Audi S8 5.2 2008 г.в. - кайфую)))
Audi A6 2.6 1996 г.в. - продал
Audi A8 3.3 TDI quattro 2002 г.в. - продал
Audi A6 2.4 quattro 2001 г.в. - продал
Audi A3 2.0 TFSI quattro 2008 г.в. - катаюсь
Audi S8 5.2 2008 г.в. - кайфую)))
- Stanislav
- Член Клуба
- Сообщения: 598
- Зарегистрирован: Чт июн 18, 2015 6:44 pm
- Репутация: 14
- Модель: S8 2008
- Мотор: BSM 5.2
- Город: Асбест
- Имя: Стас
Лямбда-зонды 5.2
Audi 80 1.9 TD 1994 г.в. - продал
Audi A6 2.6 1996 г.в. - продал
Audi A8 3.3 TDI quattro 2002 г.в. - продал
Audi A6 2.4 quattro 2001 г.в. - продал
Audi A3 2.0 TFSI quattro 2008 г.в. - катаюсь
Audi S8 5.2 2008 г.в. - кайфую)))
Audi A6 2.6 1996 г.в. - продал
Audi A8 3.3 TDI quattro 2002 г.в. - продал
Audi A6 2.4 quattro 2001 г.в. - продал
Audi A3 2.0 TFSI quattro 2008 г.в. - катаюсь
Audi S8 5.2 2008 г.в. - кайфую)))



