У кого реализована функция ДХО в оригинале, либо кто разбирался с ее подключением!
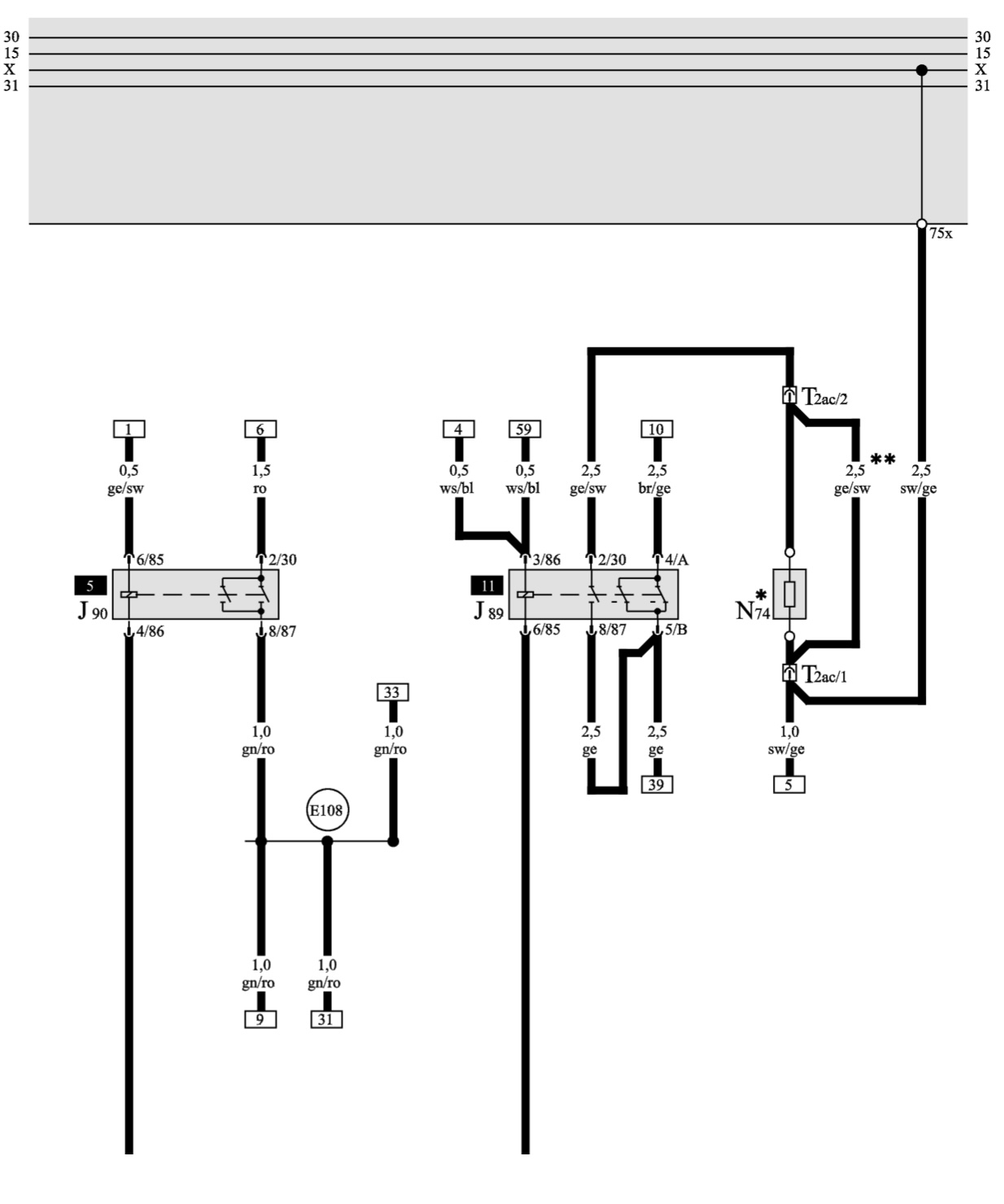
По каталогу используется 2 реле
J89
J90
Вопросы!
Какие номера этих самих реле для заказа?
Реле ПТФ заменяется каким другим реле?
ДХО по схеме работает в паре с противотуманными фонарями?
ДХО в оригинале на D2 ( Вопрос по схеме)
-
- Реклама
-
Andrew2106
- Сообщения: 12
- Зарегистрирован: Чт дек 19, 2019 8:49 pm
- Репутация: 0
- Модель: A8 2001
- Мотор: AUW
- Город: Киев
- Имя: Андрей
-
volodei
- Член Клуба
- Сообщения: 4116
- Зарегистрирован: Сб апр 14, 2012 8:18 pm
- Награды: 1
- Репутация: 64
- Модель: A8/D3/Q
- Мотор: ВFM
- Город: Ростов-на-Дону
- Имя: Владимир
- Откуда: Россия
- Контактная информация:
ДХО в оригинале на D2 ( Вопрос по схеме)
Не совсем понятно, как это в оригинале? Их в оригинале не было.
"Ребята давайте жить дружно!" С уважением, volodei!
-
Andrew2106
- Сообщения: 12
- Зарегистрирован: Чт дек 19, 2019 8:49 pm
- Репутация: 0
- Модель: A8 2001
- Мотор: AUW
- Город: Киев
- Имя: Андрей
ДХО в оригинале на D2 ( Вопрос по схеме)
Почему небыло, на страны как канада, скандинавия и тп где они (ДХО) нужно было по дефолту.
Вот схема D2 кузова...
Вот схема D2 кузова...
Последний раз редактировалось Andrew2106 Пн дек 13, 2021 8:44 am, всего редактировалось 1 раз.
- Akin
- Президент Клуба
- Сообщения: 28013
- Зарегистрирован: Пн авг 27, 2007 2:01 am
- Репутация: 644
- Модель: ___
- Мотор: ___
- Город: Королев
- Имя: Владислав
- Откуда: Москва
ДХО в оригинале на D2 ( Вопрос по схеме)
Вот номера и места установки реле для американского рынка






