Проводка для задних сидений с подкачкой спины
-
- Реклама
-
kostik60
- Член Клуба
- Сообщения: 308
- Зарегистрирован: Чт сен 18, 2008 8:30 pm
- Награды: 1
- Репутация: 20
- Модель: A8 2010
- Мотор: CDRA 4.2
- Город: Апатиты
- Имя: Костя
- Откуда: Апатиты, Мурманская обл.
- Контактная информация:
Проводка для задних сидений с подкачкой спины
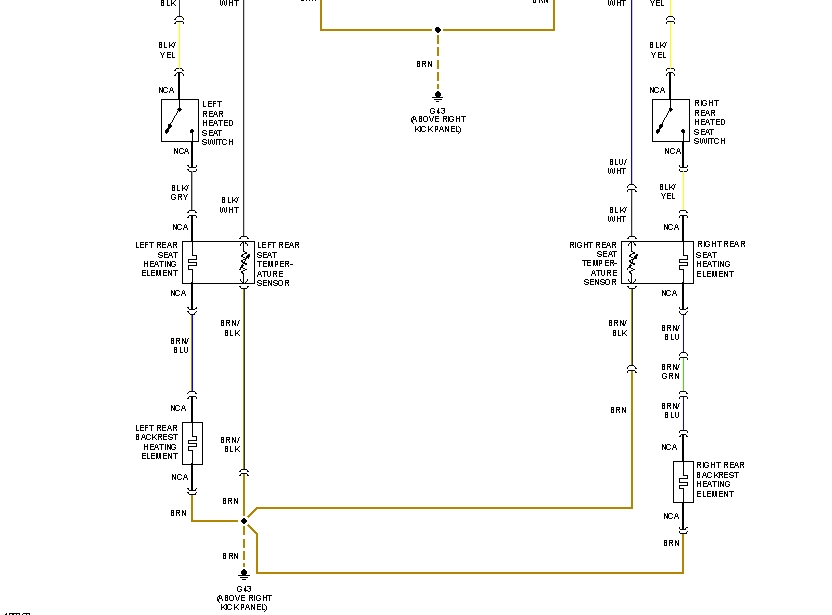
После пожара поменял занее сидение и спинку (Recaro) было обычное (датчики присутствия и поковые аэрбэги) стало дополнительно с электрорегулировкой подголовников и подкачкой спины и ещё под сидением под каждой стороной механические устройства в виде пластин, которые замыкают маленькое реле при минимальном касании сидения, типа по смыслу, как датчик присутствия, соответственно появились дополнительные провода. Кто бы подсказал что и куда и нового должно идти, и еще нигде не могу найти информацию про эти реле присутствия (не путать с сенсорными матами присутствия)? (на спинке дополнительно появился большой синий круглый разъем папа 3 провода кр.бел.,кр.черн.,кр.бел. толстый; на сидении - справа большой красный круглый папа 4 провода черн.бел.,черн.жел.,кор.черн.,кор.син., а слева такой же зеленый)
заранее благодарен за ответ
заранее благодарен за ответ
были 1997 3.7 Quattro, 1998 3.7 Quattro, 2004 4.2 BFM
-
Alcogol
- Почетный член Клуба
- Сообщения: 3597
- Зарегистрирован: Вт сен 09, 2008 11:35 am
- Награды: 1
- Репутация: 108
- Модель: A4 B6
- Мотор: 1.8T
- Город: Msk
- Имя: Андрей
- Откуда: Москва
кстати, датчики присутствия для аирбэга на новых сидухах не нашёл. на старых такой маленький чёрный двухконтактный разъём, отключил его и не пойму где на новых. VAG COM показывает что они не работают. Больше по аирбэгам ошибок нет. Так вот, датчики присутствия для попогрева работают только для попогрева, они и идут в разрыв провода попогрева как я понял. потому как тестером прозванивал контакты этих четырёхконтактных фишек и когда руками нажимал на ту саму пластину, которая замыкала цепь попогрева, на тестере появлялось сопротивление похожее на сопротивление термоэлемента.

-
vovvw
- Почетный член Клуба

- Сообщения: 8429
- Зарегистрирован: Ср сен 26, 2007 8:42 am
- Награды: 1
- Репутация: 61
- Модель: I-Pace
- Мотор: Permanent magnet
- Город: Киров
- Имя: Владимир
У меня есть черные двухконтактныеAlcogol писал(а):кстати, датчики присутствия для аирбэга на новых сидухах не нашёл. на старых такой маленький чёрный двухконтактный разъём, отключил его и не пойму где на новых.
Ну это и по схеме видноAlcogol писал(а):Так вот, датчики присутствия для попогрева работают только для попогрева



