Вопрос к владельцам А8 и S8 в следующем.
В машину А6С4 мной установлены сидения с А8 Рекаро Спорт с подушками безопасности. Решил задействовать эти подушки, а заодно вмонтировать в свою заднюю спинку тоже 2 задних боковых подушки с А8. С донора заказан весь комплект и пришел он с рестайла:
Верхние подушки, задние сидения в сборе с боковыми подушками, датчики со средних стоек, блок управления и все фишки. Но не присланы передние датчики удара и датчики которые расположены внизу на задних стойках. Продавец просто не знает где они стоят. Не сможет ли кто фоткнуть расположение и вид датчиков в моторном отсеке и расположение задних датчиков. Вроде они тоже должны стоять где- то в районе задних сидений. Верхние подушки к сожалению в мой салон не получится поставить в обшивку крыши, хотя можно одну поставить под торпедо на всю длину для защиты коленей водителя и пассажира. Эффективность аирбегов наблюдал неоднократно и беседовал с живыми людьми после аварий благодаря этим подушкам.
Вопросы по датчикам удара системы пассивной безопасности.
-
- Реклама
-
yjriy
- Сообщения: 21
- Зарегистрирован: Ср янв 29, 2014 12:46 am
- Репутация: 0
- Модель: A6 1996
- Мотор: ABC 2.8
- Город: харьков
- Имя: yjriy
Re: Вопросы по датчикам удара системы пассивной безопасности
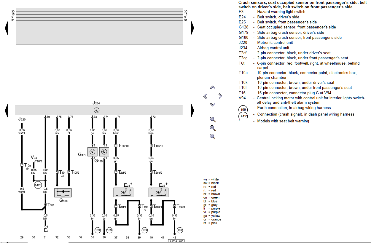
И просьба, может у кого есть установленная Эльза. Мне нужно 6 листов схемы из раздела: аирбаг, модельный ряд 2001. Эльза у меня стоит, но схемы, как на зло, с того модельного ряда не читаются. Спасибо за помощь.
- Akin
- Президент Клуба
- Сообщения: 27998
- Зарегистрирован: Пн авг 27, 2007 2:01 am
- Репутация: 643
- Модель: ___
- Мотор: ___
- Город: Королев
- Имя: Владислав
- Откуда: Москва
Re: Вопросы по датчикам удара системы пассивной безопасности
В D2 не помню таких.yjriy писал(а):передние датчики удара
-
yjriy
- Сообщения: 21
- Зарегистрирован: Ср янв 29, 2014 12:46 am
- Репутация: 0
- Модель: A6 1996
- Мотор: ABC 2.8
- Город: харьков
- Имя: yjriy
Re: Вопросы по датчикам удара системы пассивной безопасности
Спасибо за схемы.
Получается по схеме, что кроме двух боковых датчиков в стойках и самого датчика в центральном блоке в D2, даже и рестайловых моделях, больше датчиков не было?. Даже при наличии верхних головных подушек?
Получается по схеме, что кроме двух боковых датчиков в стойках и самого датчика в центральном блоке в D2, даже и рестайловых моделях, больше датчиков не было?. Даже при наличии верхних головных подушек?



