ABS
-
- Реклама
-
Виталя
- Сообщения: 36
- Зарегистрирован: Пт июл 29, 2011 7:50 pm
- Репутация: 0
- Модель: A8 1998
- Мотор: 4.2
- Город: Снежинск
- Имя: Виталя
- Откуда: Снежинск, Челябинская область
- Контактная информация:
ABS
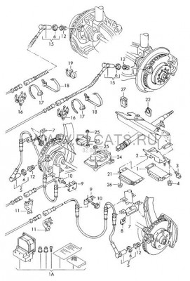
Как отключить абс? Недавно взял а8 98г, абс срабатывает либо самостоятельно либо на малой скорости, и отключается совсем через некоторое время.
- мозг
- Член Клуба
- Сообщения: 1709
- Зарегистрирован: Пт авг 06, 2010 2:25 pm
- Репутация: 55
- Модель: s8 2000
- Мотор: aqh
- Город: Тула
- Имя: Андрей
- Откуда: Тула
Re: ABS
ремонтировать надо ,симптомы похожие на датчики.Диагностика поможет 100%.
Можно ли простить врага?Бог простит!Наша задача-организовать их встречу!
-
serega13
- Член Клуба
- Сообщения: 1304
- Зарегистрирован: Пн дек 22, 2008 11:31 pm
- Награды: 1
- Репутация: 32
- Модель: Уазик
- Мотор: 6.0
- Город: Москва
- Имя: Сергей
Re: ABS
+1мозг писал(а):ремонтировать надо ,симптомы похожие на датчики.Диагностика поможет 100%.
Скорее всего датчики.
Первое что нужно сделать после диагностики почистить их.
- alibekovr
- Член Клуба
- Сообщения: 308
- Зарегистрирован: Пт авг 28, 2009 7:48 pm
- Репутация: 17
- Модель: порш кайен турбо,2004г
- Мотор: V-8,4.5турбо
- Город: москва
- Имя: Роберт
- Откуда: Дагестан,Дербент
- Забанен: Бессрочно
Re: ABS
можно обратится к serega13 ,он спец.в вопросах связанных с АБС,попробуй в личкуAndryuxa писал(а):Andryuxa » 02 авг 2011, 12:31
Виталя писал(а):Ребят а просто отключить АБС нельзя?
можно просто купить жигули
-
Виталя
- Сообщения: 36
- Зарегистрирован: Пт июл 29, 2011 7:50 pm
- Репутация: 0
- Модель: A8 1998
- Мотор: 4.2
- Город: Снежинск
- Имя: Виталя
- Откуда: Снежинск, Челябинская область
- Контактная информация:
Re: ABS
Не жигули не вариант. Просто у меня это 7я машина, 5я иномарка, и АБС не на одной не было я без него спокойно обходился.
- Мирный атом
- Член Клуба
- Сообщения: 1615
- Зарегистрирован: Вс фев 27, 2011 10:48 pm
- Репутация: 33
- Модель: A8L 4.2 TDI хочу D6
- Мотор: BVN
- Город: Минск
- Имя: Дмитрий
- Откуда: Из самого центра Европы
Re: ABS
скорее всего, датчк частоты вращения колеса... у меня такое было, только на А3
"Доверять можно лишь тем, кто ненавидит твоих врагов больше, чем ты сам."
"Если тебе плюют в спину, значит ты впереди"(с)
"Если тебе плюют в спину, значит ты впереди"(с)
-
Alex_999
- Член Клуба
- Сообщения: 3192
- Зарегистрирован: Ср дек 09, 2009 5:56 pm
- Награды: 1
- Репутация: 85
- Модель: А6 2004;
- Мотор: BDH 2.5TDi;
- Город: 32 RUS
- Имя: Алексей
- Откуда: Брянск 32 RUS
- Контактная информация:
Re: ABS
Если на малой скорости похрустывает блок абс, значит неправильный зазор датчиков абс. Нужно засунуть их до упора и вытащить ~ на полмиллиметра,,, вроде как всё.
Не стоит ездить быстрее,, чем летает твой ангел хранитель..
-
Retroff
- Член Клуба
- Сообщения: 825
- Зарегистрирован: Пн мар 29, 2010 9:28 pm
- Награды: 1
- Репутация: 15
- Модель: S8 '98 на палке
- Мотор: AKH 4,2
- Город: Москва
- Имя: Русик
Re: ABS
как крепиться датчик вращения колеса передний на кулак? вкручивается по спирали (какая спираль простая или обратная?) или просто всовывается. мне просто выдернуть не удалось прикипел. обнаружил 2 грани ключ наверно на 16-17 подошел бы.Alex_999 писал(а):Если на малой скорости похрустывает блок абс, значит неправильный зазор датчиков абс. Нужно засунуть их до упора и вытащить ~ на полмиллиметра,,, вроде как всё.
8-968-043-11-44
-
Vano
- Сообщения: 67
- Зарегистрирован: Чт ноя 04, 2010 8:14 am
- Репутация: 5
- Модель: Audi A8 d4 2017
- Мотор: 3.0 crec
- Город: Киев
- Имя: Иван
Re: ABS
Вытяни предохранитель ABS из блока в багажнике в правом крыле.Виталя писал(а):Ребят а просто отключить АБС нельзя?
Но будет постоянно гореть знак "!" - как напоминание о неработающем ABS



