Блок клапанов печки в разрезе
-
- Реклама
-
julegbel
- Сообщения: 22
- Зарегистрирован: Пн июн 02, 2014 6:36 pm
- Репутация: 0
- Модель: A8
- Мотор: AFB
- Город: Могилев
- Имя: Александр
- Откуда: Беларусь, Могилев
Блок клапанов печки в разрезе
Доброго времени! Проблема такая, началось все с плохой циркуляции антифриза. Все поиски свелись к блоку клапанов и радиатора печки. Я решил начать с промывки радиаторов печки. Подключил электропомпу от газели к выпускному патрубка чтоб в обратную сторону прокачать. Когда клапана открыты-циркуляции отличная. Когда температуру ставлю на LOW (клапана закрыты) - циркуляции пропала полностью, даже не капало. Подумал что из-за того что подключил в обратку. Перевесил насос на подачу - и тоже самое. Так хотелось бы узнать как связаны внутри каналы в корпусе блока клапанов.
- alex6999
- Член Клуба
- Сообщения: 4274
- Зарегистрирован: Сб мар 28, 2015 10:36 am
- Репутация: 76
- Модель: Q7 2021, Longhorn 2024
- Мотор: 3.0 TFSI, HEMI 5.7
- Город: Таронто
- Имя: Лёша
- Откуда: Минск
- Контактная информация:
Блок клапанов печки в разрезе
Так как бы и должно быть.
Если циркуляция отличная и печка греет хорошо на HI, то смотри где какая температура по каналам печки.
Проблема может быть в том что печка видит горячую температуру в салоне и не греет.
Если циркуляция отличная и печка греет хорошо на HI, то смотри где какая температура по каналам печки.
Проблема может быть в том что печка видит горячую температуру в салоне и не греет.
На вкус и цвет все фломастеры разные. ¯_(ツ)_/¯
-
julegbel
- Сообщения: 22
- Зарегистрирован: Пн июн 02, 2014 6:36 pm
- Репутация: 0
- Модель: A8
- Мотор: AFB
- Город: Могилев
- Имя: Александр
- Откуда: Беларусь, Могилев
Блок клапанов печки в разрезе
Но циркуляция антифриза не должна пропадать вроде на режиме LOW. Она должна идти мимо радиаторов отопителя, т.е.до клапанов поворачивать с подачи и сразу в обратку??? Печка подключена же последовательно же. На ней не должен замыкаться контур?
- alex6999
- Член Клуба
- Сообщения: 4274
- Зарегистрирован: Сб мар 28, 2015 10:36 am
- Репутация: 76
- Модель: Q7 2021, Longhorn 2024
- Мотор: 3.0 TFSI, HEMI 5.7
- Город: Таронто
- Имя: Лёша
- Откуда: Минск
- Контактная информация:
Блок клапанов печки в разрезе
julegbel, тогда надо будет ставить 4 клапана.
Но зачем?
Более простые машины имеют просто тягу от регулятора на обычный кран, как в батарее дома.
Но зачем?
Более простые машины имеют просто тягу от регулятора на обычный кран, как в батарее дома.
На вкус и цвет все фломастеры разные. ¯_(ツ)_/¯
-
julegbel
- Сообщения: 22
- Зарегистрирован: Пн июн 02, 2014 6:36 pm
- Репутация: 0
- Модель: A8
- Мотор: AFB
- Город: Могилев
- Имя: Александр
- Откуда: Беларусь, Могилев
Блок клапанов печки в разрезе
Просто есть видео на ютюб с блоком клапанов в ванной. Так там при нажатых клапана вода вылевалась из обрати.
-
alexrae
- Член Клуба
- Сообщения: 6852
- Зарегистрирован: Пт июн 26, 2009 8:18 pm
- Награды: 1
- Репутация: 96
- Модель: A8 2006
- Мотор: BGK/HKT 3шт
- Город: Торонто
- Имя: Алекс
Блок клапанов печки в разрезе
Я их дул на столе. При нажатии на клаппн перекрывается соответсвующий вход. Изза конструкции крыльчатки внутри небольшой переток на соседнюю печку может быть. Хотя на штоках там хитро по паре резиных манжет- я тоже ожижа байпасс вместо затыка
-
julegbel
- Сообщения: 22
- Зарегистрирован: Пн июн 02, 2014 6:36 pm
- Репутация: 0
- Модель: A8
- Мотор: AFB
- Город: Могилев
- Имя: Александр
- Откуда: Беларусь, Могилев
Блок клапанов печки в разрезе
Меня интересует вопрос как связаны между собой каналы обратки с радиаторов с основным выходом и почему у меня не идёт перелив с входа на выход когда закрыты клапаны.???
- alex6999
- Член Клуба
- Сообщения: 4274
- Зарегистрирован: Сб мар 28, 2015 10:36 am
- Репутация: 76
- Модель: Q7 2021, Longhorn 2024
- Мотор: 3.0 TFSI, HEMI 5.7
- Город: Таронто
- Имя: Лёша
- Откуда: Минск
- Контактная информация:
Блок клапанов печки в разрезе
julegbel, я тебе задал вопрос, а посему байпас вообще должен быть? Это усложнит конструкцию.
В блоке клапанов стоит тройник, затем по клапану на каждую сторону и тройник, который собирает обратку. Всё. И $1500 за новый. А нет, не всё, там еще насос стоит.
Видео в студио. Возможно там есть перепускной клапан по давлению для каких-то целей и от давления в водрпроводе он открывается, а электропомпа не создает такого давления
В блоке клапанов стоит тройник, затем по клапану на каждую сторону и тройник, который собирает обратку. Всё. И $1500 за новый. А нет, не всё, там еще насос стоит.
Видео в студио. Возможно там есть перепускной клапан по давлению для каких-то целей и от давления в водрпроводе он открывается, а электропомпа не создает такого давления
На вкус и цвет все фломастеры разные. ¯_(ツ)_/¯
-
alexrae
- Член Клуба
- Сообщения: 6852
- Зарегистрирован: Пт июн 26, 2009 8:18 pm
- Награды: 1
- Репутация: 96
- Модель: A8 2006
- Мотор: BGK/HKT 3шт
- Город: Торонто
- Имя: Алекс
Блок клапанов печки в разрезе
Нет там клапана по давлению. Иине байпаса. И вообще перекрытие печки не перкрывает основной поток тосола-она стоит входом наивыходе из двигла и выход в расширительный бачок(если упрощенно). Выход с двигла параллельно идет на короткий и длинный круг
-
julegbel
- Сообщения: 22
- Зарегистрирован: Пн июн 02, 2014 6:36 pm
- Репутация: 0
- Модель: A8
- Мотор: AFB
- Город: Могилев
- Имя: Александр
- Откуда: Беларусь, Могилев
Блок клапанов печки в разрезе
[video]https://youtu.be/XNVRtwDUrhE
По ссылке на видео хорошо показан принцип работы блока клапанов.
По ссылке на видео хорошо показан принцип работы блока клапанов.
-
julegbel
- Сообщения: 22
- Зарегистрирован: Пн июн 02, 2014 6:36 pm
- Репутация: 0
- Модель: A8
- Мотор: AFB
- Город: Могилев
- Имя: Александр
- Откуда: Беларусь, Могилев
Блок клапанов печки в разрезе
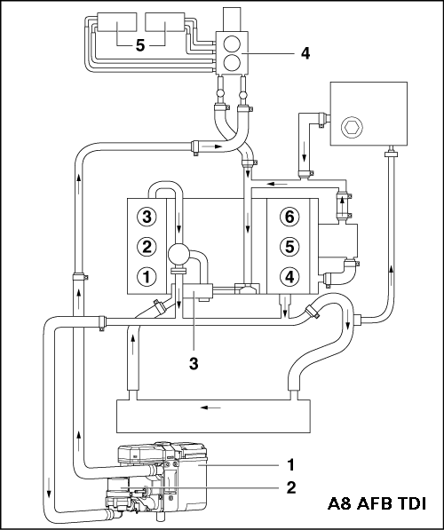
А это система охлаждения 2.5 Afb. Получается что циркуляция по малому кругу останется только через тонкий шланг обратки на расширительного бачке???
- alex6999
- Член Клуба
- Сообщения: 4274
- Зарегистрирован: Сб мар 28, 2015 10:36 am
- Репутация: 76
- Модель: Q7 2021, Longhorn 2024
- Мотор: 3.0 TFSI, HEMI 5.7
- Город: Таронто
- Имя: Лёша
- Откуда: Минск
- Контактная информация:
Блок клапанов печки в разрезе
У него еще из клапанов вода течет.
Как бы веры тесту полуразобранного блока клапанов нет.
Давление в кране очень большое.
Да в охлаждающей системе оно тоже есть, но общее.
Малый круг это и есть через бачек.
Печка - сезонный агрегат
Как бы веры тесту полуразобранного блока клапанов нет.
Давление в кране очень большое.
Да в охлаждающей системе оно тоже есть, но общее.
Малый круг это и есть через бачек.
Печка - сезонный агрегат
На вкус и цвет все фломастеры разные. ¯_(ツ)_/¯
-
julegbel
- Сообщения: 22
- Зарегистрирован: Пн июн 02, 2014 6:36 pm
- Репутация: 0
- Модель: A8
- Мотор: AFB
- Город: Могилев
- Имя: Александр
- Откуда: Беларусь, Могилев
Блок клапанов печки в разрезе
Т.е. получается если я просто заглушку двумя затычками вход и выход на печку, то все будет хорошо циркулиррвать? Возьмём к примеру webasto. Она подключена точно также, только перед печкой. В темах по webasto написано, что при снятии отопителя, контур охлаждения надо кольцевать, а не глушить. Если глушить, то получаем перегрев голов.
- alex6999
- Член Клуба
- Сообщения: 4274
- Зарегистрирован: Сб мар 28, 2015 10:36 am
- Репутация: 76
- Модель: Q7 2021, Longhorn 2024
- Мотор: 3.0 TFSI, HEMI 5.7
- Город: Таронто
- Имя: Лёша
- Откуда: Минск
- Контактная информация:
Блок клапанов печки в разрезе
Если не закольцевать - печка работать не будет вообще.
Откуда возьмется перегрев голов?
Есть термостат, который откроет большой круг
От того что ОЖ пройдет по резиновым трубкам она совсем не охладится. Ну может всего на 1 градус
А судя по тому как греет печка, когда в блоке клапанов дохнет насос, ток жидкости там слабый.
С помощью 2х клапанов обратку не сделать, надо как минимум 3 клапана, один на перепуск, но там стоят два.
Откуда возьмется перегрев голов?
Есть термостат, который откроет большой круг
От того что ОЖ пройдет по резиновым трубкам она совсем не охладится. Ну может всего на 1 градус
А судя по тому как греет печка, когда в блоке клапанов дохнет насос, ток жидкости там слабый.
С помощью 2х клапанов обратку не сделать, надо как минимум 3 клапана, один на перепуск, но там стоят два.
На вкус и цвет все фломастеры разные. ¯_(ツ)_/¯
-
alexrae
- Член Клуба
- Сообщения: 6852
- Зарегистрирован: Пт июн 26, 2009 8:18 pm
- Награды: 1
- Репутация: 96
- Модель: A8 2006
- Мотор: BGK/HKT 3шт
- Город: Торонто
- Имя: Алекс
Блок клапанов печки в разрезе
Леха, ты ведь блок не разбирал... там на каждом штоке по 2 резинки- и шток длинный идет через весь блок. Я после его переборки тоже был вначале уверен что он колцует вход с выходом... но ситуация на столе показала что только затыкает вход.
-
julegbel
- Сообщения: 22
- Зарегистрирован: Пн июн 02, 2014 6:36 pm
- Репутация: 0
- Модель: A8
- Мотор: AFB
- Город: Могилев
- Имя: Александр
- Откуда: Беларусь, Могилев
Блок клапанов печки в разрезе
Ок, спасибо. Пока сойдёмся на том, что клапана просто перекрывают подачу без циркуляции на обратку, ибо они между собой (вход и выход) никак не связаны.



