Подтекал антифриз (не напрягал особо).
Не могли понять от куда .Сегодня выхожу к машине и вижу огромную лужу
Литруху сразу убухал в бак.Приехал в гараж лазил лазил....Явно видно по правой стороне по ходу движения по блоку (над генератором)и стекает по поддону.
Проверил ГРМ - думал помпа или термостат.Там все сухо и комфортно)))).
Может там с правой стороны фланец какой стоит?
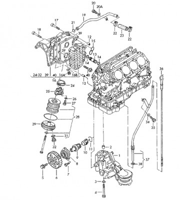
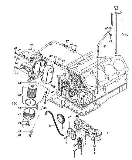
Подкажите кто что думает.Или может из Эльзы фотки есть у кого?













