Схема патрубков elsa
-
- Реклама
- хатаб
- Член Клуба
- Сообщения: 2360
- Зарегистрирован: Ср дек 01, 2010 11:26 pm
- Репутация: 61
- Модель: A8 2001
- Мотор: AQF 4.2
- Город: Москва
- Имя: Виктор
- Откуда: Москва, Алтушка 8(985)165-74-14
- Контактная информация:
Схема патрубков elsa
Господа у кого есть эльза? Нужна схема патрубков от движка до радиатора. Если быть точнее то нужен номер патрубка от двигла до радиатор двигателя AVP.
-
HVATYCH
- Почетный член Клуба
- Сообщения: 1551
- Зарегистрирован: Ср дек 22, 2010 9:20 pm
- Награды: 1
- Репутация: 38
- Модель: ML350
- Мотор: 3,5
- Город: Москва
- Имя: Дмитрий
Re: Схема патрубков elsa
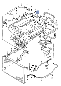
Вить, это лучше в этке смотреть 
Как я понял тебе нужен какой-то из этих №№9-10:
Как я понял тебе нужен какой-то из этих №№9-10:
Последний раз редактировалось HVATYCH Вс дек 29, 2013 8:11 pm, всего редактировалось 1 раз.
"Кролики думали что это любовь, на самом деле их разводили..."(с)
- Gess
- Почетный член Клуба
- Сообщения: 6061
- Зарегистрирован: Вт дек 20, 2011 7:40 am
- Репутация: 132
- Модель: Infiniti QX56 2006
- Мотор: 5600cм
- Город: Москва ( Тушино )
- Имя: Макс
- Откуда: Москва СЗАО
- Контактная информация:
Re: Схема патрубков elsa
эти , под номером 9 , Дима спасибо

Me consideran un dios. Porque si me parece que alguien iba a morir, se muere en el mismo día (Pablo Escobar)







