Началось всё два года назад когда навернул резьбу на радиаторе,так и отложил все эти дела по сей день

а теперь не смешно
В начале месяца стал по тихонько искать радиатор сумму просили от 4000 до 8000 за б.у оригинал(брать новый Китай не хотел)
И так в середине мая нашёл на бмв форуме за 1.500 рублей практически новый с датчиком

,ну думал ща поставлю заправлю и всё я в холодильнике .
Не стал ездить искать заправочный сервис а вызвал прям на работу обговарили ценник 1200 рублей+100 то что за городом, в итоге стали делать вакум и бах шланг травит но отделался легким испугом то что не затянуто было

.Затем на включение ни как не реагировал компрессор,после звонка Аkiny (Слав огромное спасибо

) было решено кинуть плюс на компрессор.Кинул а он не в какую оказалось что заклинил,разобрал и при помощи молотка и тупого зубила разработал но когда поставил: подшипник загудел
Было решено менять компрессор то же поискал пару дней но цены по городу то же от 6000 до 9000 в итоге за 5 взял на старом месте где давно уже обитаю

.Вчера был поставлен компрессор и заправлен подул холод всё включается и выключается бесшумно ну думал Победа

.
Но сегодня при поездке в город я был огорчен он не дул холод,а хотя муфта щелкала

,заехал в первый сервис по кондиционерам (Sten целый час гулял у тебя в парке

) заправщик поборолся и вынес вердикт Компрессор

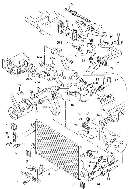
но тут он сам себя перебил и говорит:я 10 лет занимаюсь этой системой и у тебя на 100% заклинил распределитель давления который стоит в самом салонном радиаторе так вот ребят может ли влиять вот этот распределитель на всё это.Ситуация какая:компрессор не может создать давление(гоняет по кругу).И как его менять кто нибудь сталкивался?
Вот номер этой штуковины 4B0 820 177
Извиняюсь что запутано не много.