Установка Саба
-
- Реклама
- Сержик
- Сообщения: 243
- Зарегистрирован: Сб сен 24, 2011 10:39 am
- Репутация: 2
- Модель: A8 2000
- Мотор: AQG
- Город: Энгельс
- Имя: Сергей
- Откуда: Энгельс, Саратовская область
Установка Саба
Добрый день! Товарищи модераторы не ругайтесь, тема обсуждалась много раз но везде больше воды налито чем дельного написано. До этого поднимал тему с установкой: http://as8.ru/forum/viewtopic.php?f=58&t=25148, Сегодня откручивал усилок, там идет на тюнере (ТВ) 3 входа под тюльпан: желтый, белый, красный(слева на право) Я так понимаю под линейный выход он не подайдет? потом над ними фишка два ряда по 3 провода, проверял все провода тестером что бы подключить провод управления, ни один провод не подходит под него...
"Евгений В" скидывал мне в другой теме схему проводов где надо подключать провод управления, я смотрел свои фишки там близкого такого нету...
Поэтому я потерялся что делать, подскажите если кто сталкивался и делал это...
"Евгений В" скидывал мне в другой теме схему проводов где надо подключать провод управления, я смотрел свои фишки там близкого такого нету...
Поэтому я потерялся что делать, подскажите если кто сталкивался и делал это...
Говорят что качество машины измеряют по кольцам на капоте, поэтому у Ауди их четыре, а у Опеля одно и то перечеркнутое...
- ТЁМА
- Сообщения: 204
- Зарегистрирован: Сб апр 23, 2011 9:28 pm
- Репутация: 3
- Модель: Audi A8 2.5 TDI Quattro 1999
- Мотор: AFB
- Город: Краснодарский край Брюховецкая
- Имя: Артём
- Контактная информация:
Re: Установка Саба
желтый- видео входСержик писал(а):желтый, белый, красный
красный и белый -естествено вход правого и левого канала.
это линейный вход работает при тв при переключении на "AV"
тебе нужен линейный выход??? подключать будеш только саб???
- Сержик
- Сообщения: 243
- Зарегистрирован: Сб сен 24, 2011 10:39 am
- Репутация: 2
- Модель: A8 2000
- Мотор: AQG
- Город: Энгельс
- Имя: Сергей
- Откуда: Энгельс, Саратовская область
Re: Установка Саба
Да мне нужет линейник и провод управления что бы когда включаешь магнитофон включался усилитель.ТЁМА писал(а):тебе нужен линейный выход??? подключать будеш только саб???
Буду подключать саб через моноблок(усилок с одним каналом)...
Говорят что качество машины измеряют по кольцам на капоте, поэтому у Ауди их четыре, а у Опеля одно и то перечеркнутое...
- ТЁМА
- Сообщения: 204
- Зарегистрирован: Сб апр 23, 2011 9:28 pm
- Репутация: 3
- Модель: Audi A8 2.5 TDI Quattro 1999
- Мотор: AFB
- Город: Краснодарский край Брюховецкая
- Имя: Артём
- Контактная информация:
Re: Установка Саба
где то были мануалы...
щас идет поиск... бордак в компе
как тока найду то покажу распиновку.
да кстать усилок в багажнике стоит???
к нему должна линейка ити и питание на включение.
щас идет поиск... бордак в компе
как тока найду то покажу распиновку.
да кстать усилок в багажнике стоит???
к нему должна линейка ити и питание на включение.
- Сержик
- Сообщения: 243
- Зарегистрирован: Сб сен 24, 2011 10:39 am
- Репутация: 2
- Модель: A8 2000
- Мотор: AQG
- Город: Энгельс
- Имя: Сергей
- Откуда: Энгельс, Саратовская область
Re: Установка Саба
Я все сфоткал со всеми фишками и каналами, все фотки в телефоне а карт ридер под флешку дома остался, доеду до дома в часов 10-11 вечера выложу фото...

вот я эти провода сегодня и искал только неудачно(((ТЁМА писал(а):да кстать усилок в багажнике стоит???
к нему должна линейка ити и питание на включение
Говорят что качество машины измеряют по кольцам на капоте, поэтому у Ауди их четыре, а у Опеля одно и то перечеркнутое...
- ТЁМА
- Сообщения: 204
- Зарегистрирован: Сб апр 23, 2011 9:28 pm
- Репутация: 3
- Модель: Audi A8 2.5 TDI Quattro 1999
- Мотор: AFB
- Город: Краснодарский край Брюховецкая
- Имя: Артём
- Контактная информация:
Re: Установка Саба
распиновка у головы нави.
красным выделен ланейный выход на 4 канала
а рядышком включение усилка "+"
а вот распиновку усилка пока не нашёл

красным выделен ланейный выход на 4 канала
а рядышком включение усилка "+"
а вот распиновку усилка пока не нашёл
- Вложения
-
- 20080227095218_img2.jpg (19.96 КБ) 1636 просмотров
- Сержик
- Сообщения: 243
- Зарегистрирован: Сб сен 24, 2011 10:39 am
- Репутация: 2
- Модель: A8 2000
- Мотор: AQG
- Город: Энгельс
- Имя: Сергей
- Откуда: Энгельс, Саратовская область
Re: Установка Саба
Если на голове есть линейники свободные то придется тянуть их через весь салон... но вроде писали что все есть в багажнике и ни куда тянуть не надо...ТЁМА писал(а):распиновка у головы нави.
красным выделен ланейный выход на 4 канала
а рядышком включение усилка "+"
а вот распиновку усилка пока не нашёл
Говорят что качество машины измеряют по кольцам на капоте, поэтому у Ауди их четыре, а у Опеля одно и то перечеркнутое...
- Suomi
- Член Клуба
- Сообщения: 2042
- Зарегистрирован: Вт апр 20, 2010 5:11 pm
- Репутация: 50
- Модель: S8 plus (НЛО) 98
- Мотор: AKH 4.2
- Город: железногорск, курск
- Имя: Вячеслав
- Откуда: Карелия, Костомукша
Re: Установка Саба
запаралель с задними штатными сабами, которые в полке и не выдумывай
+79065761767
+79038751696
+79997450217
+79038751696
+79997450217
- ТЁМА
- Сообщения: 204
- Зарегистрирован: Сб апр 23, 2011 9:28 pm
- Репутация: 3
- Модель: Audi A8 2.5 TDI Quattro 1999
- Мотор: AFB
- Город: Краснодарский край Брюховецкая
- Имя: Артём
- Контактная информация:
Re: Установка Саба
тож можно если тока усилок поддерживает "High Input"suomi1114 писал(а):запаралель с задними штатными сабами
- Сержик
- Сообщения: 243
- Зарегистрирован: Сб сен 24, 2011 10:39 am
- Репутация: 2
- Модель: A8 2000
- Мотор: AQG
- Город: Энгельс
- Имя: Сергей
- Откуда: Энгельс, Саратовская область
Re: Установка Саба
так он будет как колонка играть...suomi1114 писал(а):запаралель с задними штатными сабами, которые в полке и не выдумывай
Говорят что качество машины измеряют по кольцам на капоте, поэтому у Ауди их четыре, а у Опеля одно и то перечеркнутое...
- Сержик
- Сообщения: 243
- Зарегистрирован: Сб сен 24, 2011 10:39 am
- Репутация: 2
- Модель: A8 2000
- Мотор: AQG
- Город: Энгельс
- Имя: Сергей
- Откуда: Энгельс, Саратовская область
Re: Установка Саба
А как тюльпан с тонким обычным проводом запараллелить?ТЁМА писал(а):запаралель с задними штатными сабами
тож можно если тока усилок поддерживает "High Input"
Говорят что качество машины измеряют по кольцам на капоте, поэтому у Ауди их четыре, а у Опеля одно и то перечеркнутое...
- ТЁМА
- Сообщения: 204
- Зарегистрирован: Сб апр 23, 2011 9:28 pm
- Репутация: 3
- Модель: Audi A8 2.5 TDI Quattro 1999
- Мотор: AFB
- Город: Краснодарский край Брюховецкая
- Имя: Артём
- Контактная информация:
Re: Установка Саба
с чего это ты взял???
будет нормальный усилок у тебя ж на усилке то настройки частота и уровень
усел в режим "LPF" а там крутилками частоту среза и уровень сигнала и всё такое
будет нормальный усилок у тебя ж на усилке то настройки частота и уровень
усел в режим "LPF" а там крутилками частоту среза и уровень сигнала и всё такое
- ТЁМА
- Сообщения: 204
- Зарегистрирован: Сб апр 23, 2011 9:28 pm
- Репутация: 3
- Модель: Audi A8 2.5 TDI Quattro 1999
- Мотор: AFB
- Город: Краснодарский край Брюховецкая
- Имя: Артём
- Контактная информация:
Re: Установка Саба
что за модель усилка на саб????Сержик писал(а):А как тюльпан с тонким обычным проводом запараллелить?ТЁМА писал(а):запаралель с задними штатными сабами
тож можно если тока усилок поддерживает "High Input"
- Сержик
- Сообщения: 243
- Зарегистрирован: Сб сен 24, 2011 10:39 am
- Репутация: 2
- Модель: A8 2000
- Мотор: AQG
- Город: Энгельс
- Имя: Сергей
- Откуда: Энгельс, Саратовская область
Re: Установка Саба
Моноблок veles а точную модель не помню...
Говорят что качество машины измеряют по кольцам на капоте, поэтому у Ауди их четыре, а у Опеля одно и то перечеркнутое...
- Сержик
- Сообщения: 243
- Зарегистрирован: Сб сен 24, 2011 10:39 am
- Репутация: 2
- Модель: A8 2000
- Мотор: AQG
- Город: Энгельс
- Имя: Сергей
- Откуда: Энгельс, Саратовская область
Re: Установка Саба
если даже я его запараллелю с колонками то провод управления откуда питать?
Говорят что качество машины измеряют по кольцам на капоте, поэтому у Ауди их четыре, а у Опеля одно и то перечеркнутое...
-
Евгений В.
- Почетный член Клуба
- Сообщения: 5332
- Зарегистрирован: Сб сен 06, 2008 8:36 pm
- Награды: 1
- Репутация: 216
- Модель: A8 1997
- Мотор: ACK 2,8
- Город: Медвежья гора
Re: Установка Саба
Смотреть надо не на тюнере, а на усилителе. Там совершенно точно есть то, о чем я тебе писал. У меня есть где-то этот кабель, который соединяет голову с усилком. Он для всех D2 одинаков, не зависимо от того, есть ли у тебя тюнер или нет.
Этот кабель и контакты обязаны быть в совершенно любом, в том числе не Ауди усилителе. Это общий для всех принцип работы.
Этот кабель и контакты обязаны быть в совершенно любом, в том числе не Ауди усилителе. Это общий для всех принцип работы.
Храни меня мой автомат ...
- Сержик
- Сообщения: 243
- Зарегистрирован: Сб сен 24, 2011 10:39 am
- Репутация: 2
- Модель: A8 2000
- Мотор: AQG
- Город: Энгельс
- Имя: Сергей
- Откуда: Энгельс, Саратовская область
Re: Установка Саба
Я знаю я это прекрасно понимаю все, я не могу найти этот провод. давайте пойдем от самого начала:Евгений В. писал(а):Смотреть надо не на тюнере, а на усилителе. Там совершенно точно есть то, о чем я тебе писал. У меня есть где-то этот кабель, который соединяет голову с усилком. Он для всех D2 одинаков, не зависимо от того, есть ли у тебя тюнер или нет.
Этот кабель и контакты обязаны быть в совершенно любом, в том числе не Ауди усилителе. Это общий для всех принцип работы.
в багажнике с левой стороны стоит сверху в низ тюнер, сбоку антенна, ниже чайнджер, а где тогда получается сам усилок, под чейнджером лежит провод плюс я так понимаю с аккума потому что колба предохранитель стоит где то на 60 ампер, а то и больше. может я туплю, может сам усиллок находится еще ниже, т.е. на одном уровне с аккумом.. и все провода которые мне нужны они еще ниже спрятаны, я не могу разобраться честно!!! Уже голова кипит с этим сабом!
Говорят что качество машины измеряют по кольцам на капоте, поэтому у Ауди их четыре, а у Опеля одно и то перечеркнутое...
- Suomi
- Член Клуба
- Сообщения: 2042
- Зарегистрирован: Вт апр 20, 2010 5:11 pm
- Репутация: 50
- Модель: S8 plus (НЛО) 98
- Мотор: AKH 4.2
- Город: железногорск, курск
- Имя: Вячеслав
- Откуда: Карелия, Костомукша
Re: Установка Саба
да он под тюнером в самом низуСержик писал(а):может я туплю, может сам усиллок находится еще ниже, т.е. на одном уровне с аккумом.. и все провода которые мне нужны они еще ниже спрятаны, я не могу разобраться честно!!! Уже голова кипит с этим сабом!
+79065761767
+79038751696
+79997450217
+79038751696
+79997450217
-
Евгений В.
- Почетный член Клуба
- Сообщения: 5332
- Зарегистрирован: Сб сен 06, 2008 8:36 pm
- Награды: 1
- Репутация: 216
- Модель: A8 1997
- Мотор: ACK 2,8
- Город: Медвежья гора
Re: Установка Саба
Ты прав, он именно там.Сержик писал(а):.... может сам усиллок находится еще ниже, т.е. на одном уровне с аккумом.. .
Храни меня мой автомат ...
- ТЁМА
- Сообщения: 204
- Зарегистрирован: Сб апр 23, 2011 9:28 pm
- Репутация: 3
- Модель: Audi A8 2.5 TDI Quattro 1999
- Мотор: AFB
- Город: Краснодарский край Брюховецкая
- Имя: Артём
- Контактная информация:
Re: Установка Саба
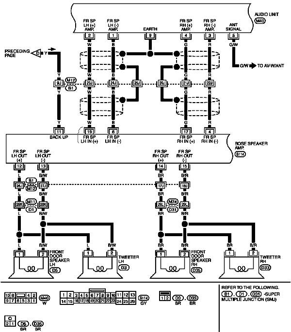
вот кое что есть на BOSE распиновки усилка. вот непомню какой именно вродь- 4D0 035 225
только надо бы конечно сверить
только надо бы конечно сверить
- Сержик
- Сообщения: 243
- Зарегистрирован: Сб сен 24, 2011 10:39 am
- Репутация: 2
- Модель: A8 2000
- Мотор: AQG
- Город: Энгельс
- Имя: Сергей
- Откуда: Энгельс, Саратовская область
Re: Установка Саба
Блин вот я лоханулся, а я сегодня крутил вертел, смотрю где что, вниз провода не идут все аккуратно... Ладно не буду вас всех мучать, завтра поеду в гараж с нетбуком буду разбирать, смотреть и если что отписываться, а по хорошему хочу сделать фото отчет, от и до что бы было...
Говорят что качество машины измеряют по кольцам на капоте, поэтому у Ауди их четыре, а у Опеля одно и то перечеркнутое...
- ТЁМА
- Сообщения: 204
- Зарегистрирован: Сб апр 23, 2011 9:28 pm
- Репутация: 3
- Модель: Audi A8 2.5 TDI Quattro 1999
- Мотор: AFB
- Город: Краснодарский край Брюховецкая
- Имя: Артём
- Контактная информация:
Re: Установка Саба
линейные входа на штатном усиле вродь не зависят от модели.
Возьми иголку и при включеном усилке прикоснись по очериди к контактам ночиная с 3 по 11 в динамиках должен появится фон.
Так и вычеслишь кто есть кто.
Если у меня завтра время будет то я гляну сам у меня все равно насос центрального замка лёг
Возьми иголку и при включеном усилке прикоснись по очериди к контактам ночиная с 3 по 11 в динамиках должен появится фон.
Так и вычеслишь кто есть кто.
Если у меня завтра время будет то я гляну сам у меня все равно насос центрального замка лёг
-
Евгений В.
- Почетный член Клуба
- Сообщения: 5332
- Зарегистрирован: Сб сен 06, 2008 8:36 pm
- Награды: 1
- Репутация: 216
- Модель: A8 1997
- Мотор: ACK 2,8
- Город: Медвежья гора
Re: Установка Саба
За чем? Есть на форуме распиновка разъема усилителя, там черным по белому написано, где есть что.ТЁМА писал(а): Возьми иголку и при включеном усилке прикоснись по очериди к контактам ночиная с 3 по 11 в динамиках должен появится фон.
Храни меня мой автомат ...
- Сержик
- Сообщения: 243
- Зарегистрирован: Сб сен 24, 2011 10:39 am
- Репутация: 2
- Модель: A8 2000
- Мотор: AQG
- Город: Энгельс
- Имя: Сергей
- Откуда: Энгельс, Саратовская область
Re: Установка Саба
Мужики вот все снял, но хоть убейте усилка здесь нету... Кто подскажет где искать его дальше?
Говорят что качество машины измеряют по кольцам на капоте, поэтому у Ауди их четыре, а у Опеля одно и то перечеркнутое...
- ТЁМА
- Сообщения: 204
- Зарегистрирован: Сб апр 23, 2011 9:28 pm
- Репутация: 3
- Модель: Audi A8 2.5 TDI Quattro 1999
- Мотор: AFB
- Город: Краснодарский край Брюховецкая
- Имя: Артём
- Контактная информация:
Re: Установка Саба
а а а чет не понял....






