Вывести GPS-антенну в салон
-
- Реклама
-
O`Breea
- Почетный член Клуба

- Сообщения: 14411
- Зарегистрирован: Ср окт 01, 2008 11:21 pm
- Награды: 3
- Репутация: 196
- Модель: A8 (D2), 2002, Quattro
- Мотор: AKC 3.7 (FBB)
- Город: Санкт-Петербург
- Имя: Константин
- Откуда: Санкт-Петербург
Вывести GPS-антенну в салон
Други, кто знает можно ли вывести проводок от антенны GPS в салон? Как я понимаю, от антенны на багажнике провод приходит на "голову" нави. Какой это проводок, где на "голове" его найти? Хочу к навигатору подключить.

No Quattro - No Chance
- Andrey72
- Член Клуба
- Сообщения: 805
- Зарегистрирован: Вт окт 07, 2008 11:55 am
- Репутация: 18
- Модель: S8 2001
- Мотор: 4.2 AVP
- Город: СПБ
- Забанен: Бессрочно
Re: Вывести GPS-антенну в салон
Экспериментатор .... Надо доехать до гаража и посмотреть на блоки 
-
icezellion
- Член Клуба
- Сообщения: 592
- Зарегистрирован: Вс дек 21, 2008 4:51 pm
- Награды: 1
- Репутация: 16
- Модель: Не A8
- Мотор: 1,6
- Город: Екатеринбург
- Имя: Андрей
- Откуда: Екатеринбург
- Контактная информация:
Re: Вывести GPS-антенну в салон
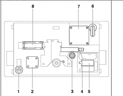
Константин, ничего сложного. Позиция номер 6 - это и есть разъем под антенну GPS.
- MARTA75
- Сообщения: 382
- Зарегистрирован: Пн июл 09, 2012 8:58 pm
- Репутация: 10
- Модель: AUDI A8
- Мотор: ABZ
- Город: Тольятти
- Имя: Вова
Re: Вывести GPS-антенну в салон
А какая у вас модель навигатора? У меня ни навигатор ни радар детектор толком не работают 
-
kyrka44
- Сообщения: 2
- Зарегистрирован: Сб авг 25, 2012 10:17 pm
- Репутация: 0
- Модель: audi a8 2002
- Мотор: tdi 3.3
- Город: минск
- Имя: денис
Re: Вывести GPS-антенну в салон
а зачем она в салоне нужна.
- McLaren177
- Сообщения: 120
- Зарегистрирован: Сб мар 20, 2010 8:20 pm
- Репутация: 4
- Модель: А8 и S8 D2 были А8 2005 есть
- Мотор: AQG,AQH был BFL есть
- Город: Москва
- Имя: Тимур
Re: Вывести GPS-антенну в салон
Я тоже хотел подключить так попробывать но потом меня остановило то что антенна может не будет работать без включения навигации на нави!?А так до А8 был скайлинк при посадке в машину он перставал ловить и была рация непомню модель собирался на юг подключил забыл что антенна к ней не прилипнет)) торопился бросил ее под заднее стекло и всю дорогу ни кого не поймал-)))Так что А8 защищает нас от разных негативных волн!-)))
-
O`Breea
- Почетный член Клуба

- Сообщения: 14411
- Зарегистрирован: Ср окт 01, 2008 11:21 pm
- Награды: 3
- Репутация: 196
- Модель: A8 (D2), 2002, Quattro
- Мотор: AKC 3.7 (FBB)
- Город: Санкт-Петербург
- Имя: Константин
- Откуда: Санкт-Петербург
Re: Вывести GPS-антенну в салон
icezellion Андрей, спасибо!
MARTA75 Texet, модель не скажу, на память не помню. Но тоже постоянно теряет спутники, хотя на открытом пространстве работает отлично.
kyrka44 В салоне не нужна, пусть стоит на крышке багажника. Есть мысль к этой антенне подключить навигатор.
McLaren177 Я вот тоже не уверен, что антенна будет работать отдельно от нави, но попробовать надо.
MARTA75 Texet, модель не скажу, на память не помню. Но тоже постоянно теряет спутники, хотя на открытом пространстве работает отлично.
kyrka44 В салоне не нужна, пусть стоит на крышке багажника. Есть мысль к этой антенне подключить навигатор.
McLaren177 Я вот тоже не уверен, что антенна будет работать отдельно от нави, но попробовать надо.
No Quattro - No Chance
-
icezellion
- Член Клуба
- Сообщения: 592
- Зарегистрирован: Вс дек 21, 2008 4:51 pm
- Награды: 1
- Репутация: 16
- Модель: Не A8
- Мотор: 1,6
- Город: Екатеринбург
- Имя: Андрей
- Откуда: Екатеринбург
- Контактная информация:
Re: Вывести GPS-антенну в салон
По идее должна работать, это же просто антенна. Главное, чтоб у навигатора был разъем под внешнюю антенну.
- babtist
- Почетный член Клуба
- Сообщения: 3441
- Зарегистрирован: Сб окт 23, 2010 2:27 am
- Репутация: 38
- Модель: ...
- Мотор: ...
- Город: Орёл
- Имя: Павел
Re: Вывести GPS-антенну в салон
Атермальные стекла, плюс они не пропускают УФ лучи. Это сильно глушит сигнал. Ставь неоригинальное лобовое и будет счастье. Вчера в МСК вклеили новую лобовуху. Навигатор стал ловить на ура. Радар-детектор пришлось в Москве выключить, а то не замолкал гад в центре городаMARTA75 писал(а):А какая у вас модель навигатора? У меня ни навигатор ни радар детектор толком не работают
Береги свою долбанутость...
-
O`Breea
- Почетный член Клуба

- Сообщения: 14411
- Зарегистрирован: Ср окт 01, 2008 11:21 pm
- Награды: 3
- Репутация: 196
- Модель: A8 (D2), 2002, Quattro
- Мотор: AKC 3.7 (FBB)
- Город: Санкт-Петербург
- Имя: Константин
- Откуда: Санкт-Петербург
Re: Вывести GPS-антенну в салон
У меня вообще странная ситуация, зимой навигатор работал отлично, проехал порядка 1000 км. с ним у нас и в Финляндии с двумя, тремя потрерями сигнала. А летом, неделю назад, началось. Только начинаешь движение и сигнал пропадает. Мне уже мерещится зависимость от времени года.
No Quattro - No Chance
-
a8s8
- Почетный член Клуба

- Сообщения: 10480
- Зарегистрирован: Сб июн 21, 2008 12:28 am
- Награды: 3
- Репутация: 136
- Модель: VW Polo V
- Мотор: 1,6
- Город: Столица Москвы
- Имя: Игорь
- Откуда: Приднестровье, Тирасполь
- Контактная информация:
Re: Вывести GPS-антенну в салон
Автомобильная внутрисалонная GPS/ГЛОНАСС антенна "NAVI 7100R" предназначена для работы со всеми типами навигационных приемников, не имеющих гнезда подключения внешней антенны.
Использование антенны позволяет повысить устойчивость приема спутниковых сигналов в условиях тумана, осадков и т.д. Особенно эффективна антенна при использовании ее совместно с портативными компьютерами и и мобильными телефонами со встроенными модулями GPS/ГЛОНАСС
Антенна состоит из двух модулей - активного и пассивного (содержащего инжектор питания), соединенных ВЧ кабелем. Активный модуль антенны устанавливается внутри салона автомобиля на лобовое стекло, пассивный - вблизи навигационного приемника, например, на держателе или непосредственно на его корпусе.
Я победил с помощью этой антенны стекло с подогревом
Использование антенны позволяет повысить устойчивость приема спутниковых сигналов в условиях тумана, осадков и т.д. Особенно эффективна антенна при использовании ее совместно с портативными компьютерами и и мобильными телефонами со встроенными модулями GPS/ГЛОНАСС
Антенна состоит из двух модулей - активного и пассивного (содержащего инжектор питания), соединенных ВЧ кабелем. Активный модуль антенны устанавливается внутри салона автомобиля на лобовое стекло, пассивный - вблизи навигационного приемника, например, на держателе или непосредственно на его корпусе.
Я победил с помощью этой антенны стекло с подогревом
Лучше Ауди - может быть только Ауди!
-
a8s8
- Почетный член Клуба

- Сообщения: 10480
- Зарегистрирован: Сб июн 21, 2008 12:28 am
- Награды: 3
- Репутация: 136
- Модель: VW Polo V
- Мотор: 1,6
- Город: Столица Москвы
- Имя: Игорь
- Откуда: Приднестровье, Тирасполь
- Контактная информация:
Re: Вывести GPS-антенну в салон
Да не за что!
Наконец-то я рассказал об этом
РЭМО navi 7100R
Уже почти полгода как радуюсь жизни.
Осталось научить радар-детекторы также уверенно ловить радары
Наконец-то я рассказал об этом
РЭМО navi 7100R
Уже почти полгода как радуюсь жизни.
Осталось научить радар-детекторы также уверенно ловить радары
Лучше Ауди - может быть только Ауди!
- ARCHI
- Сообщения: 195
- Зарегистрирован: Ср июл 25, 2012 2:03 pm
- Репутация: 4
- Модель: AUDI A8(D2) 2002Quattro
- Мотор: AKC 3.7
- Город: ВЛАДИКАВКАЗ
- Имя: Aртур
- Откуда: РСО-Алания
Re: Вывести GPS-антенну в салон
Всем доброго времени суток. хотел бы узнать. какую антену можно поставить. или заменить схему. дело в том что свою я разобрал с крышки багажника а там в нутри ржавчина и пластинка сгнила. от и думаю может можно заменить саму схемку но от какой антены подходит.
заранее благодарю.







Нашёл, буду брать