установка ГТЦ од Д3 на Д2 рест
-
- Реклама
-
Dok
- Член Клуба
- Сообщения: 12753
- Зарегистрирован: Пн апр 15, 2013 9:44 am
- Награды: 2
- Репутация: 239
- Модель: не ауди
- Мотор: 2,5TDi
- Город: дорог
установка ГТЦ од Д3 на Д2 рест
Если он одинаковый, то за счет чего производительность больше?
жри спи жми
- vinnipuh
- Сообщения: 60
- Зарегистрирован: Сб мар 02, 2013 4:26 pm
- Репутация: 4
- Модель: Audi 2001
- Мотор: 4.2 AVP
- Город: Гродно
- Имя: Андрей
установка ГТЦ од Д3 на Д2 рест
Да, это он вставлен свободно, а если вставить до конца, то ГТЦ сработает на 0.5 мм.
-
Bla©k
- Член Клуба
- Сообщения: 2161
- Зарегистрирован: Вс июл 28, 2013 12:48 am
- Награды: 1
- Репутация: 92
- Модель: A8Q 2000
- Мотор: AQD 2.8
- Город: Озёрск
- Имя: Валерий
установка ГТЦ од Д3 на Д2 рест
vinnipuh, ага, будь добр. Интересно посмотреть.
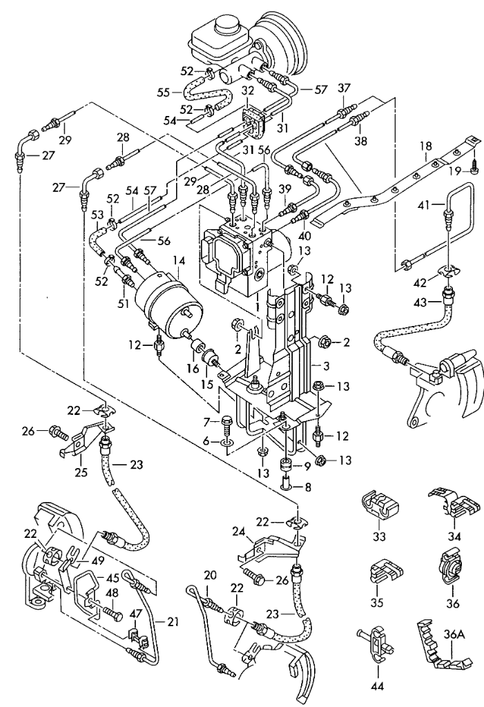
Dok, на Д2 ГТЦ имеет внутренний диаметр 25,40 мм
На Д3 - 26,99 мм.
Таким образом, за один и тот же ход педали тормоза ГТЦ выталкивает в тормозные трубки разное количество ТЖ.
Формула объёма = площадь поршня умножить на длину хода.
Этот разный объём, соответственно, выталкивает на разное расстояние поршни суппортов. Соответственно, колодки с разной скоростью (за разное время) подходят к тормозным дискам.
Больше внутренний диаметр ГТЦ - быстрее хватают колодки за диски.
Размер ВУТ влияет на лёгкость, с которой всё это происходит.
Dok, на Д2 ГТЦ имеет внутренний диаметр 25,40 мм
На Д3 - 26,99 мм.
Таким образом, за один и тот же ход педали тормоза ГТЦ выталкивает в тормозные трубки разное количество ТЖ.
Формула объёма = площадь поршня умножить на длину хода.
Этот разный объём, соответственно, выталкивает на разное расстояние поршни суппортов. Соответственно, колодки с разной скоростью (за разное время) подходят к тормозным дискам.
Больше внутренний диаметр ГТЦ - быстрее хватают колодки за диски.
Размер ВУТ влияет на лёгкость, с которой всё это происходит.
Последний раз редактировалось Bla©k Чт сен 05, 2019 11:55 pm, всего редактировалось 1 раз.
- vinnipuh
- Сообщения: 60
- Зарегистрирован: Сб мар 02, 2013 4:26 pm
- Репутация: 4
- Модель: Audi 2001
- Мотор: 4.2 AVP
- Город: Гродно
- Имя: Андрей
установка ГТЦ од Д3 на Д2 рест
И еще нужно учитывать, что у ГТЦ от д2 одно отверстие м12 а второе м10, а от д3 оба м12.
- vinnipuh
- Сообщения: 60
- Зарегистрирован: Сб мар 02, 2013 4:26 pm
- Репутация: 4
- Модель: Audi 2001
- Мотор: 4.2 AVP
- Город: Гродно
- Имя: Андрей
установка ГТЦ од Д3 на Д2 рест
Для примера, не А8, но будет та же песня! https://www.drive2.ru/l/524130322086889281/
-
Bla©k
- Член Клуба
- Сообщения: 2161
- Зарегистрирован: Вс июл 28, 2013 12:48 am
- Награды: 1
- Репутация: 92
- Модель: A8Q 2000
- Мотор: AQD 2.8
- Город: Озёрск
- Имя: Валерий
установка ГТЦ од Д3 на Д2 рест
Интересно, в чём корень?
Так же интересно, что будет, если поменять только ГТЦ и оставить тормозилки штатными.
Разные резьбы на ГТЦ - уже не хорошо. Болт-он не встанет, значит...
Так же интересно, что будет, если поменять только ГТЦ и оставить тормозилки штатными.
Разные резьбы на ГТЦ - уже не хорошо. Болт-он не встанет, значит...
-
Bla©k
- Член Клуба
- Сообщения: 2161
- Зарегистрирован: Вс июл 28, 2013 12:48 am
- Награды: 1
- Репутация: 92
- Модель: A8Q 2000
- Мотор: AQD 2.8
- Город: Озёрск
- Имя: Валерий
установка ГТЦ од Д3 на Д2 рест
WP вообще молодцы. Полный спектр изделий изготавливают по трубкам.
Чего только нет...
Чего только нет...
-
Bla©k
- Член Клуба
- Сообщения: 2161
- Зарегистрирован: Вс июл 28, 2013 12:48 am
- Награды: 1
- Репутация: 92
- Модель: A8Q 2000
- Мотор: AQD 2.8
- Город: Озёрск
- Имя: Валерий
установка ГТЦ од Д3 на Д2 рест
Конструкция такая же, как на 80-ке. Под этот колпачок нужно подкладывать шайбы, если шток ВУТ не достаёт до дна втулки ГТЦ.
- anton 44
- Член Клуба
- Сообщения: 1024
- Зарегистрирован: Пт фев 10, 2012 3:31 pm
- Репутация: 8
- Модель: audi AS8 1997 4.2T 6MT
- Мотор: AQH
- Город: Ростов-на-Дону/Тихорецк
- Имя: Антон
установка ГТЦ од Д3 на Д2 рест
ГТЦ ставил D3, бачок расширительный с отводом -Фаэтон. ВУТ д3 тоже мостил, но в итоге отказался и вернулся к д2. Да, если стоит есп, то после замены гтц попрет ошибка. В моем случае стоит абс следующего поколения, но это очень долго и геморно. 
-
Dok
- Член Клуба
- Сообщения: 12753
- Зарегистрирован: Пн апр 15, 2013 9:44 am
- Награды: 2
- Репутация: 239
- Модель: не ауди
- Мотор: 2,5TDi
- Город: дорог
установка ГТЦ од Д3 на Д2 рест
А как поставить гтц без ошибки и замены?
Может подточить и подогнать шток?
Может подточить и подогнать шток?
жри спи жми
- anton 44
- Член Клуба
- Сообщения: 1024
- Зарегистрирован: Пт фев 10, 2012 3:31 pm
- Репутация: 8
- Модель: audi AS8 1997 4.2T 6MT
- Мотор: AQH
- Город: Ростов-на-Дону/Тихорецк
- Имя: Антон
установка ГТЦ од Д3 на Д2 рест
А при чем здесь шток? Ошибка идет по избыточному давлению в контуре ABS. Насос обратки истерит. У него датчик не рассчитан на такие значения. В более свежих системах такого не происходит. Возможно ли обмануть датчик давления? Хз.
-
Dok
- Член Клуба
- Сообщения: 12753
- Зарегистрирован: Пн апр 15, 2013 9:44 am
- Награды: 2
- Репутация: 239
- Модель: не ауди
- Мотор: 2,5TDi
- Город: дорог
установка ГТЦ од Д3 на Д2 рест
жри спи жми
-
Bla©k
- Член Клуба
- Сообщения: 2161
- Зарегистрирован: Вс июл 28, 2013 12:48 am
- Награды: 1
- Репутация: 92
- Модель: A8Q 2000
- Мотор: AQD 2.8
- Город: Озёрск
- Имя: Валерий
установка ГТЦ од Д3 на Д2 рест
интересно понять принцип.
На штатке если в пол педаль согну - нет ошибки. А при нормальных торможениях с другими элементами - есть ошибка.
Присмотрюсь позже к устройству на D2.
- anton 44
- Член Клуба
- Сообщения: 1024
- Зарегистрирован: Пт фев 10, 2012 3:31 pm
- Репутация: 8
- Модель: audi AS8 1997 4.2T 6MT
- Мотор: AQH
- Город: Ростов-на-Дону/Тихорецк
- Имя: Антон
установка ГТЦ од Д3 на Д2 рест
У не штатного гтц совсем другие сечения. Объем жидкости проходит другой.
-
Bla©k
- Член Клуба
- Сообщения: 2161
- Зарегистрирован: Вс июл 28, 2013 12:48 am
- Награды: 1
- Репутация: 92
- Модель: A8Q 2000
- Мотор: AQD 2.8
- Город: Озёрск
- Имя: Валерий
установка ГТЦ од Д3 на Д2 рест
Да, но вся система заполнена жидкостью и она не сжимаема.
ГТЦ выдаёт "бОльшую" порцию. Куда же она девается?
Она приводит в движение поршни в суппортах и те перемещаются, толкая колодки, пока те не упрутся в тормозные диски.
Расстояние до тормозных дисков у нас не изменилось. Объём суппортов - тоже не изменился. Куда же зайти бОльшему объёму?
ГТЦ выдаёт "бОльшую" порцию. Куда же она девается?
Она приводит в движение поршни в суппортах и те перемещаются, толкая колодки, пока те не упрутся в тормозные диски.
Расстояние до тормозных дисков у нас не изменилось. Объём суппортов - тоже не изменился. Куда же зайти бОльшему объёму?






