Замена тормозных трубок....
-
- Реклама
- AKM87
- Член Клуба
- Сообщения: 524
- Зарегистрирован: Вт фев 19, 2013 3:17 pm
- Репутация: 8
- Модель: VW Touareg
- Мотор: 3.6
- Город: Королёв
- Имя: Алексей
Замена тормозных трубок....
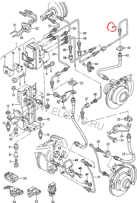
Господа, столкнулся с неприятной проблемой, хотел поменять задние тормозные шланги.Увы открутить их никакими методами не вышло.Да и держутся они на честном слове.Заказал оригинальные торм. трубки.Ждать правда почти 2 недели(((( Кто сталкивался с заменой подскажите сложно ли их менять и почему длина так отличается, левая 1105мм а правая 2160мм.... На схеме под номером 41. Заранее благодарен.
- Вложения
-
- CImage.png (132.16 КБ) 2149 просмотров
- Штурман
- Член Клуба
- Сообщения: 1608
- Зарегистрирован: Вс фев 07, 2010 5:51 pm
- Репутация: 39
- Модель: Audi S2/ Skoda Octavia
- Мотор: 2.2T power
- Город: Тула
- Имя: Стас
- Откуда: Тула
- Контактная информация:
Re: Замена тормозных трубок....
купил бы универсальные,гни как хочешь и ставь,вот геморой 2 недели ждать...
- maxim_v8
- Член Клуба
- Сообщения: 300
- Зарегистрирован: Сб янв 16, 2010 10:50 pm
- Репутация: 2
- Модель: Audi V8
- Мотор: PT
- Город: Москва
- Имя: Максим
Re: Замена тормозных трубок....
не надо универсальные. родные ставь трубки они по 5м заказываются, покупаешь штуцера, либо идешь в гараж/сервис где есть развальцеватели торм и топлн. трубок. или покупай набор.
-
morfey
- Член Клуба
- Сообщения: 975
- Зарегистрирован: Вт янв 17, 2012 7:24 am
- Репутация: 14
- Модель: А8
- Мотор: AKG
- Город: Воронеж
- Имя: Михаил
Re: Замена тормозных трубок....
А чем универсальные плохи-то? себе на сотку ставил универсальные, одни плюсы:maxim_v8 писал(а):не надо универсальные
1) есть в наличии, 2) по длинне можно подобрать на месте в магазине, 3) они медные, т.е. не окисляются, поставил и забыл
- Штурман
- Член Клуба
- Сообщения: 1608
- Зарегистрирован: Вс фев 07, 2010 5:51 pm
- Репутация: 39
- Модель: Audi S2/ Skoda Octavia
- Мотор: 2.2T power
- Город: Тула
- Имя: Стас
- Откуда: Тула
- Контактная информация:
Re: Замена тормозных трубок....
вот и я про тоже..
- karec
- Член Клуба
- Сообщения: 1715
- Зарегистрирован: Ср авг 24, 2011 4:32 pm
- Репутация: 52
- Модель: ОООО,toyota
- Мотор: 4.2tt,2.0tfsi,2jz
- Город: МСК
- Имя: Андрей
Re: Замена тормозных трубок....
в планете железяка на мкаде у алтушки можно обжать нужно длинны с любыми разъемами. услуга по обжиму-бесплатна...я себе на 45ый делал полностью в круг новое от блока едс до суппортов,вышло 2.5 рубля.
вообще я добрый,но в мире не найти меня злей.
9Z6-7I6-3О4I
9Z6-7I6-3О4I
- AKM87
- Член Клуба
- Сообщения: 524
- Зарегистрирован: Вт фев 19, 2013 3:17 pm
- Репутация: 8
- Модель: VW Touareg
- Мотор: 3.6
- Город: Королёв
- Имя: Алексей
Re: Замена тормозных трубок....
Господа, так не пойму,те что я заказал подойдут? и в каком месте там они стыкуются? геморно ли подлазить менять будет
-
АндрейS8
- Почетный член Клуба
- Сообщения: 11778
- Зарегистрирован: Вс фев 26, 2012 6:14 pm
- Награды: 3
- Репутация: 168
- Модель: А8 1995г. и Ауди 100Q 91г.
- Мотор: 4,2 ABZ и 2,0
- Город: Кострома
- Имя: Андрей
Re: Замена тормозных трубок....
Если не получилось отвернуть в этом месте,то есть вероятность что сломаешь и на другом конце соединения.Лучше бы не брался.Но если уж взялся,то купи зажимной спец ключ для откручивания таких соединений(отворачиваю любые трубки в любом состоянии,любого года и ещё ни разу не ломал)Предварительно если не откручивается можно погреть маленькой газовой горелкой или феном.AKM87 писал(а): открутить их никакими методами не вышло
Вот такой ключик,прижимаешь как можешь плотней и зажимаешь сильней и ни каких проблем.Продаётся в любом авто магазине.

Помним, любим, скорбим. Светлая память.
- maxim_v8
- Член Клуба
- Сообщения: 300
- Зарегистрирован: Сб янв 16, 2010 10:50 pm
- Репутация: 2
- Модель: Audi V8
- Мотор: PT
- Город: Москва
- Имя: Максим
Re: Замена тормозных трубок....
медь имеет св-ва окисляться, а ВАГовские они еще и покрашены.morfey писал(а):А чем универсальные плохи-то? себе на сотку ставил универсальные, одни плюсы:maxim_v8 писал(а):не надо универсальные
1) есть в наличии, 2) по длинне можно подобрать на месте в магазине, 3) они медные, т.е. не окисляются, поставил и забыл
дело ваше ставьте че хотите.
- AKM87
- Член Клуба
- Сообщения: 524
- Зарегистрирован: Вт фев 19, 2013 3:17 pm
- Репутация: 8
- Модель: VW Touareg
- Мотор: 3.6
- Город: Королёв
- Имя: Алексей
Re: Замена тормозных трубок....
Ок,спасибо, попробую открутить шланги без замены трубок, сперва найду ключ)))АндрейS8 писал(а):Если не получилось отвернуть в этом месте,то есть вероятность что сломаешь и на другом конце соединения.Лучше бы не брался.Но если уж взялся,то купи зажимной спец ключ для откручивания таких соединений(отворачиваю любые трубки в любом состоянии,любого года и ещё ни разу не ломал)Предварительно если не откручивается можно погреть маленькой газовой горелкой или феном.AKM87 писал(а): открутить их никакими методами не вышло
Вот такой ключик,прижимаешь как можешь плотней и зажимаешь сильней и ни каких проблем.Продаётся в любом авто магазине.
-
АндрейS8
- Почетный член Клуба
- Сообщения: 11778
- Зарегистрирован: Вс фев 26, 2012 6:14 pm
- Награды: 3
- Репутация: 168
- Модель: А8 1995г. и Ауди 100Q 91г.
- Мотор: 4,2 ABZ и 2,0
- Город: Кострома
- Имя: Андрей
Re: Замена тормозных трубок....
Сам шланг можешь зажать на штуцере и держать газовым ключом ном.1.т.к.пластина,в которой держится и фиксируется шланг слабая и может изгибаться.
Помним, любим, скорбим. Светлая память.
- AKM87
- Член Клуба
- Сообщения: 524
- Зарегистрирован: Вт фев 19, 2013 3:17 pm
- Репутация: 8
- Модель: VW Touareg
- Мотор: 3.6
- Город: Королёв
- Имя: Алексей
Re: Замена тормозных трубок....
Наконец-то открутили
Помог нагрев строительным феном и спецключ)) Правда греть с одной стороны опасно было, топливопровод рядом


