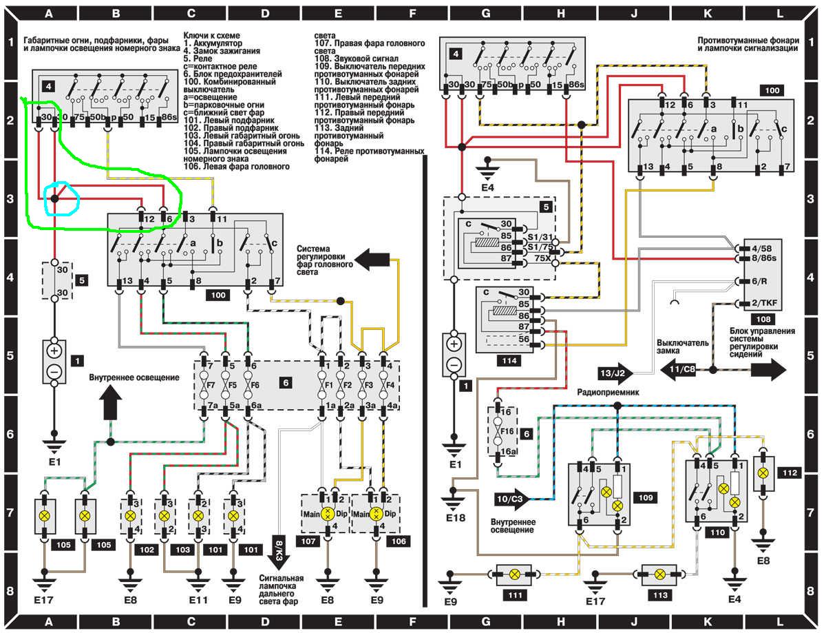
1 Стопы
2 Габариты по кругу
3 Задний ход
4 Приборка
5 Подсветка пепельницы и крутелок отопителя
Все остальное работает.
Предохранители все целые, и на часть из них нет тока, т.е получается что обрыв до предохранителей.
Куда лезть и что смотреть парни?
Подскажите пожалуйста







