паразит
Правила форума
Перед созданием новой темы обязательно просмотрите темы в соответствующих тематических разделах и ФАКе, повторные вопросы засоряют форум и будут удалены.
Помощь в расшифровке ошибок осуществляется в специальном подразделе.
Перед созданием новой темы обязательно просмотрите темы в соответствующих тематических разделах и ФАКе, повторные вопросы засоряют форум и будут удалены.
Помощь в расшифровке ошибок осуществляется в специальном подразделе.
-
- Реклама
-
Flying Sрur
- Почетный член Клуба
- Сообщения: 740
- Зарегистрирован: Ср сен 26, 2007 11:02 pm
- Награды: 1
- Репутация: 53
- Модель: Skoda Yeti 4*4 2012
- Мотор: 1.8 TSI
- Город: Гомель
- Имя: Денис
- Откуда: Республика Беларусь
- Контактная информация:
Re: паразит
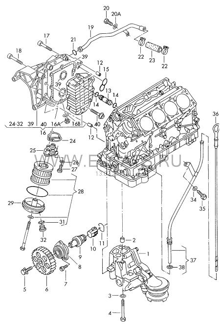
это вроде шкив зубчатого ремня за номером 077 115 121 B стоит что-то около 60 у.е. новый в оригинале, вроде не дорого. если конечно и дальше за ним менять подшипник, вал , муфту, то конечно это уже не 60 у.е.
- alegarh
- Сообщения: 57
- Зарегистрирован: Вт сен 13, 2011 8:48 pm
- Репутация: 0
- Модель: A8 1998
- Мотор: V8 3.7 AKJ
- Город: Щелково
- Имя: Олег
Re: паразит
Ладно
завтра разберу посмотрю мож что нибудь придумаю, завтра фото отчет выложу.
- alegarh
- Сообщения: 57
- Зарегистрирован: Вт сен 13, 2011 8:48 pm
- Репутация: 0
- Модель: A8 1998
- Мотор: V8 3.7 AKJ
- Город: Щелково
- Имя: Олег
Re: паразит
а вообще что это за шкиф такой, это не масленый привод, то-есть насос.
-
Flying Sрur
- Почетный член Клуба
- Сообщения: 740
- Зарегистрирован: Ср сен 26, 2007 11:02 pm
- Награды: 1
- Репутация: 53
- Модель: Skoda Yeti 4*4 2012
- Мотор: 1.8 TSI
- Город: Гомель
- Имя: Денис
- Откуда: Республика Беларусь
- Контактная информация:
Re: паразит
Насос на картинке под номером 1. так что шкиф является непосредственным приводом насоса, я так понимаю.
- alegarh
- Сообщения: 57
- Зарегистрирован: Вт сен 13, 2011 8:48 pm
- Репутация: 0
- Модель: A8 1998
- Мотор: V8 3.7 AKJ
- Город: Щелково
- Имя: Олег
Re: паразит
Спасибо тебе,завтра буду мудрить если не получится побегу в магазин он не далеко от меня. 
-
Vitas
- Почетный член Клуба
- Сообщения: 12621
- Зарегистрирован: Пт ноя 14, 2008 9:46 pm
- Награды: 2
- Репутация: 247
- Модель: Две AUDI A8 98 - 99
- Мотор: Чипанутые TDI
- Город: Королёв
- Имя: Василий
Re: паразит
Автомобиль мечты может быть только в твоей голове.
- byratino
- Член Клуба
- Сообщения: 553
- Зарегистрирован: Вс авг 01, 2010 11:35 am
- Репутация: 21
- Модель: Aуди
- Мотор: 4.2
- Город: Москва, ЮАО
- Имя: Евгений
Re: паразит
Давайте Витасу скинемся на молдинг 
Произведение папы Карло любил угощать всех березовым соком, который сам и отливал ))))
- SectorA8
- Сообщения: 237
- Зарегистрирован: Пн июн 13, 2011 4:07 pm
- Репутация: 2
- Модель: A8 Quattro 1997г.
- Мотор: ABZ 4.2, 5HP24, DTD
- Город: Санкт-Петербург
- Имя: Иван
Re: паразит
...да забавна))) 
- maxim_v8
- Член Клуба
- Сообщения: 300
- Зарегистрирован: Сб янв 16, 2010 10:50 pm
- Репутация: 2
- Модель: Audi V8
- Мотор: PT
- Город: Москва
- Имя: Максим
Re: паразит
Я такой подшипник летом менял, код его совпадает с кодом подшипника вискомуфты, производитель FAG 568 350C, но надо перепрессовывать с вала.
- alegarh
- Сообщения: 57
- Зарегистрирован: Вт сен 13, 2011 8:48 pm
- Репутация: 0
- Модель: A8 1998
- Мотор: V8 3.7 AKJ
- Город: Щелково
- Имя: Олег
Re: паразит
Ну что нету ни у кого б/у подшипника такого?
денег просто вложил в авто мама не горюй, если жена узнает пипец кост.......ия, мужики помогите чем можите. 
- хатаб
- Член Клуба
- Сообщения: 2360
- Зарегистрирован: Ср дек 01, 2010 11:26 pm
- Репутация: 61
- Модель: A8 2001
- Мотор: AQF 4.2
- Город: Москва
- Имя: Виктор
- Откуда: Москва, Алтушка 8(985)165-74-14
- Контактная информация:
Re: паразит
Я бы посоветовал разбор. Но так как это дело касается масленого насоса, то купил бы новый. Или на худой конец снял бы подшипник и путем подбора выбрал бы какой нужно и запрессовал.
- maxim_v8
- Член Клуба
- Сообщения: 300
- Зарегистрирован: Сб янв 16, 2010 10:50 pm
- Репутация: 2
- Модель: Audi V8
- Мотор: PT
- Город: Москва
- Имя: Максим
Re: паразит
давай уточним, насос или подшипник, если подшипник то его VAG номер 077 115 136 A цена 2200рalegarh писал(а):Ну что нету ни у кого б/у подшипника такого?денег просто вложил в авто мама не горюй, если жена узнает пипец кост.......ия, мужики помогите чем можите.
- alegarh
- Сообщения: 57
- Зарегистрирован: Вт сен 13, 2011 8:48 pm
- Репутация: 0
- Модель: A8 1998
- Мотор: V8 3.7 AKJ
- Город: Щелково
- Имя: Олег
Re: паразит
ребят другая проблема, радиатор дрыгателя есть у кого?
-
Стас
- Почетный член Клуба
- Сообщения: 4686
- Зарегистрирован: Пн мар 24, 2008 9:54 pm
- Награды: 1
- Репутация: 88
- Модель: 220
- Мотор: 628
- Город: Санкт петербург
- Имя: Станислав
Re: паразит
Молдинг латышский
- alegarh
- Сообщения: 57
- Зарегистрирован: Вт сен 13, 2011 8:48 pm
- Репутация: 0
- Модель: A8 1998
- Мотор: V8 3.7 AKJ
- Город: Щелково
- Имя: Олег
Re: паразит
Доброго время суток, сегодя был первый выезд на новой коробке, переключение идеальное, ни толчков ни чего, но после двух км коробас встал в аворийку загнали на диагностику, вердикт(p0717 Transmission Input Speed Sensor (G182): No Signal - Датчик частоты вращения входного вала-G182: нет сигнала) где он стоит, подскажите. 
-
Numenor
- Почетный член Клуба
- Сообщения: 3659
- Зарегистрирован: Чт авг 07, 2008 8:23 am
- Награды: 1
- Репутация: 56
- Модель: ...
- Мотор: ...
- Город: Питер
- Имя: АлексеЙ
Re: паразит
alegarh писал(а):Ладнозавтра разберу посмотрю мож что нибудь придумаю, завтра фото отчет выложу.
Предельная глубина у всех разная, у каждого своя.
-
docent020
- Член Клуба
- Сообщения: 2124
- Зарегистрирован: Пн янв 24, 2011 9:49 am
- Награды: 1
- Репутация: 74
- Модель: A4 B8 "08 GOLF2 16V
- Мотор: 1,8t CABB 1,8 16V
- Город: Тамбов
- Имя: Сергей
- Откуда: Тамбов
Re: паразит
ничего там не придумаешь,еще 10 лет назад пытался придумать,
подшипник от вискомуфты самый дешевый и беспроблемный вариант
Безопасность стоит дорого,но она того стоит.






