Приветствую!
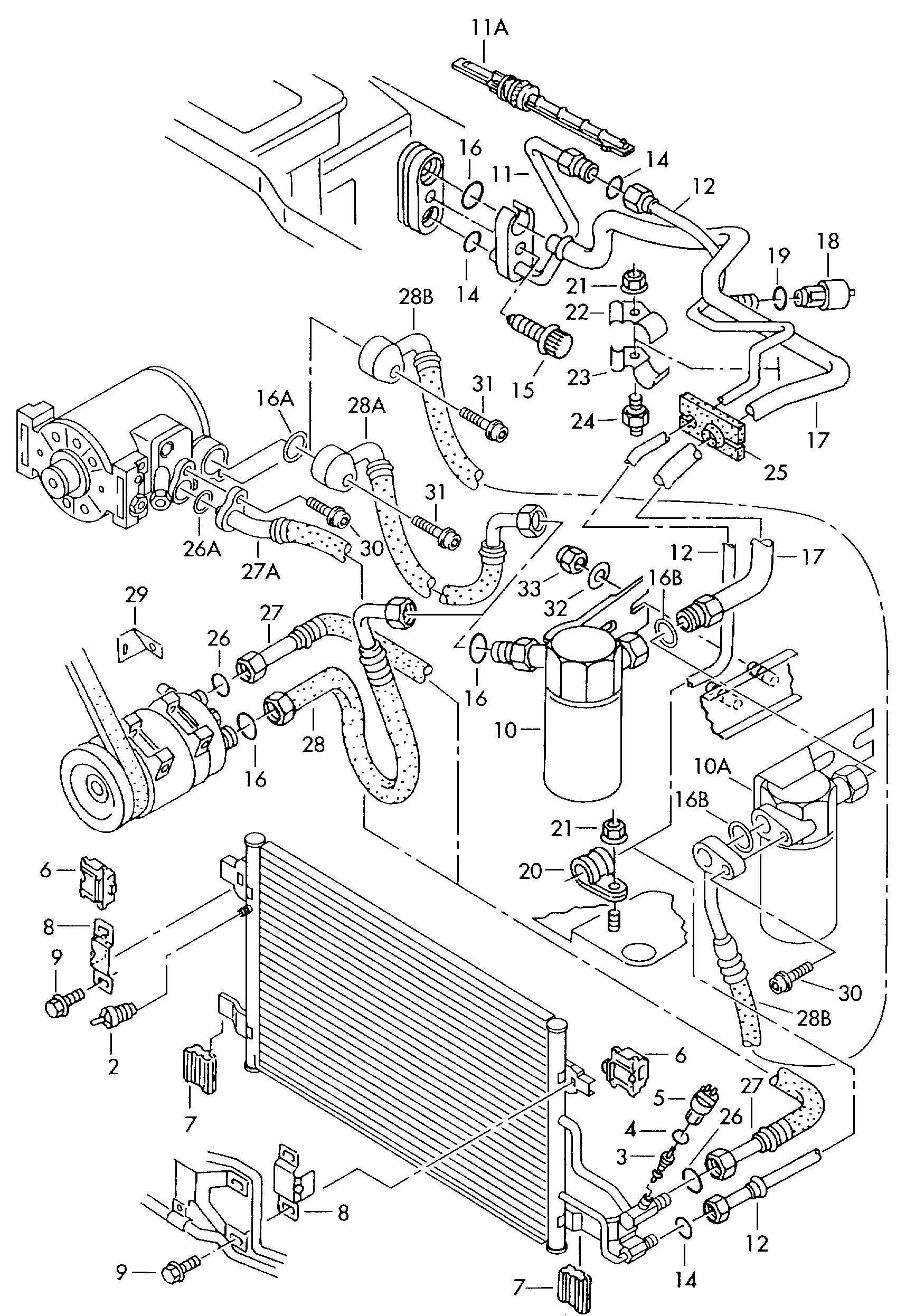
Трубка толстая #17 прохудилась в районе осушителя. Подскажите, пожалуйста, что придется демонтировать что бы ее вынуть и заварить?
Трубка толстая кондиционера
Правила форума
Перед созданием новой темы обязательно просмотрите темы в соответствующих тематических разделах и ФАКе, повторные вопросы засоряют форум и будут удалены.
Помощь в расшифровке ошибок осуществляется в специальном подразделе.
Перед созданием новой темы обязательно просмотрите темы в соответствующих тематических разделах и ФАКе, повторные вопросы засоряют форум и будут удалены.
Помощь в расшифровке ошибок осуществляется в специальном подразделе.
-
- Реклама
- DGF
- Сообщения: 327
- Зарегистрирован: Вс июн 14, 2009 7:33 pm
- Репутация: 5
- Модель: A8 1994
- Мотор: ABZ
- Город: Обнинск
- Имя: Константин
- Контактная информация:
Трубка толстая кондиционера
А может эту трубку на шланг меняют?
- Akin
- Президент Клуба
- Сообщения: 27963
- Зарегистрирован: Пн авг 27, 2007 2:01 am
- Репутация: 643
- Модель: ___
- Мотор: ___
- Город: Королев
- Имя: Владислав
- Откуда: Москва
Трубка толстая кондиционера
Проще заварить.


