Где "рубить" бензонасос?
-
- Реклама
- predprinimatel
- Сообщения: 154
- Зарегистрирован: Сб апр 09, 2011 1:08 am
- Репутация: 0
- Модель: Ауди А8 LONG 2005г.
- Мотор: 4.2 BFM
- Город: Минск
- Имя: Дмитрий
- Откуда: Минск
Где "рубить" бензонасос?
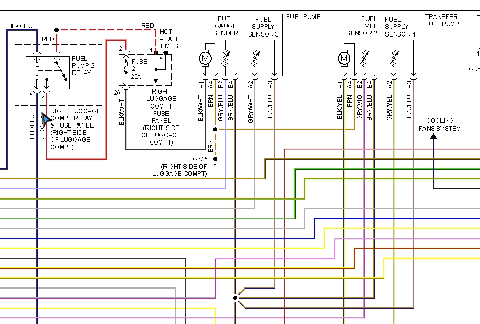
Всем доброго дня. Подскажите,где проходят провода идущие к бензонасосу и КАКОГО ЦВЕТА? (4,2 бензин , 2005.11мес.)
Кто не рискует,не пьет трихопол 
- predprinimatel
- Сообщения: 154
- Зарегистрирован: Сб апр 09, 2011 1:08 am
- Репутация: 0
- Модель: Ауди А8 LONG 2005г.
- Мотор: 4.2 BFM
- Город: Минск
- Имя: Дмитрий
- Откуда: Минск
Re: Где "рубить" бензонасос?
Akin, спасибо
Интересно, а зачем ДВА нососа? И где идут провода, по порогу с левой стороны или с правой?
Кто не рискует,не пьет трихопол 
- vov4ik_68
- Член Клуба
- Сообщения: 369
- Зарегистрирован: Пн июл 11, 2011 10:16 pm
- Репутация: 26
- Модель: A8 2006
- Мотор: BFL 3,7
- Город: Москва
- Имя: Владимир
Re: Где "рубить" бензонасос?
Привет! Реле бензонасоса установлено в ногах переднего пассажира, включает собственно бензонасос, форсунки, лямбда сенсоры и т.д. провод красно черый 6 кв. мм. идет к блоку предохранителей С (в торце торпеды со стороны пассажира) и через предохранитель 31 черно желтым проводом сечением 2,5 кв. мм. идет на бензонасос. По правой стороне. Через предохранитель 29 синим черным проводом сечением 1,5 кв. мм. питаются форсунки. Провод проходит через правую сторону, через коробку, красный 17-ти контактный разъем.
- vov4ik_68
- Член Клуба
- Сообщения: 369
- Зарегистрирован: Пн июл 11, 2011 10:16 pm
- Репутация: 26
- Модель: A8 2006
- Мотор: BFL 3,7
- Город: Москва
- Имя: Владимир
Re: Где "рубить" бензонасос?
Второй насос включается через реле, расположенное в багажном отделении справа, и через предохранитель 2 установленный там же, на него подается питание черно желтым проводом. На этом насосе можно уехать достаточно далеко, поэтому надо ставить два реле блокировки, или рвать провод питающий форсунки.
- predprinimatel
- Сообщения: 154
- Зарегистрирован: Сб апр 09, 2011 1:08 am
- Репутация: 0
- Модель: Ауди А8 LONG 2005г.
- Мотор: 4.2 BFM
- Город: Минск
- Имя: Дмитрий
- Откуда: Минск
Re: Где "рубить" бензонасос?
Спасибо большое за исчерпывающую консультациюvov4ik_68 писал(а):Второй насос включается через реле, расположенное в багажном отделении справа, и через предохранитель 2 установленный там же, на него подается питание черно желтым проводом. На этом насосе можно уехать достаточно далеко, поэтому надо ставить два реле блокировки, или рвать провод питающий форсунки.

Кто не рискует,не пьет трихопол 
- Akin
- Президент Клуба
- Сообщения: 27954
- Зарегистрирован: Пн авг 27, 2007 2:01 am
- Репутация: 643
- Модель: ___
- Мотор: ___
- Город: Королев
- Имя: Владислав
- Откуда: Москва
Re: Где "рубить" бензонасос?
А вообще рубить насосы в целях противоугонки смысла нет никакого.
Любой школьник умеет подать на правый питание от аккумулятора напрямую.
Любой школьник умеет подать на правый питание от аккумулятора напрямую.
- predprinimatel
- Сообщения: 154
- Зарегистрирован: Сб апр 09, 2011 1:08 am
- Репутация: 0
- Модель: Ауди А8 LONG 2005г.
- Мотор: 4.2 BFM
- Город: Минск
- Имя: Дмитрий
- Откуда: Минск
Re: Где "рубить" бензонасос?
Правильно, поэтому все должно решаться комплексноAkin писал(а):А вообще рубить насосы в целях противоугонки смысла нет никакого.
Любой школьник умеет подать на правый питание от аккумулятора напрямую.
Кто не рискует,не пьет трихопол 
- Akin
- Президент Клуба
- Сообщения: 27954
- Зарегистрирован: Пн авг 27, 2007 2:01 am
- Репутация: 643
- Модель: ___
- Мотор: ___
- Город: Королев
- Имя: Владислав
- Откуда: Москва
Re: Где "рубить" бензонасос?
Это то правильно, только зачем расходовать свое время без толку.
Лучше разрывы ставить в других местах, а не там, куда лезут в первую очередь...
Лучше разрывы ставить в других местах, а не там, куда лезут в первую очередь...
- predprinimatel
- Сообщения: 154
- Зарегистрирован: Сб апр 09, 2011 1:08 am
- Репутация: 0
- Модель: Ауди А8 LONG 2005г.
- Мотор: 4.2 BFM
- Город: Минск
- Имя: Дмитрий
- Откуда: Минск
Re: Где "рубить" бензонасос?
Разрывов уже хватаетAkin писал(а):Это то правильно, только зачем расходовать свое время без толку.
Лучше разрывы ставить в других местах, а не там, куда лезут в первую очередь...
Кто не рискует,не пьет трихопол 
- predprinimatel
- Сообщения: 154
- Зарегистрирован: Сб апр 09, 2011 1:08 am
- Репутация: 0
- Модель: Ауди А8 LONG 2005г.
- Мотор: 4.2 BFM
- Город: Минск
- Имя: Дмитрий
- Откуда: Минск
Re: Где "рубить" бензонасос?
Не противоразбойная меткаpredprinimatel писал(а):Разрывов уже хватаетAkin писал(а):Это то правильно, только зачем расходовать свое время без толку.
Лучше разрывы ставить в других местах, а не там, куда лезут в первую очередь...Просто есть мысля о принудительной остановке автомобиля не по GSM каналу
Кто не рискует,не пьет трихопол 
-
petroff
- Почетный член Клуба
- Сообщения: 3754
- Зарегистрирован: Вс окт 05, 2008 1:16 am
- Награды: 1
- Репутация: 89
- Модель: горные лыжи
- Мотор: гороховый
- Город: сабакинск
- Имя: Сергей
Re: Где "рубить" бензонасос?
Тогда насос лучше всего рубить ровно посередине...






