подскажите,может кто знает?
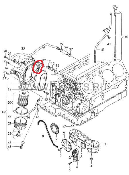
обвел на рисунке красным, в этом месте должна быть прокладка, вроде как на число 8 похожа, но точно не уверен.....
номер прокладки
Правила форума
Название темы строго должно отображать наименование запчасти
Название темы строго должно отображать наименование запчасти
-
- Реклама
-
Exorcist
- Почетный член Клуба
- Сообщения: 1307
- Зарегистрирован: Ср мар 26, 2008 1:16 pm
- Награды: 1
- Репутация: 47
- Модель: A8 1999
- Мотор: AQF
- Город: Москва (Тушино)
- Имя: Александр
Re: номер прокладки
не Витя, мне сказали, что течет из патрубка системы охлаждения (077 117 411 A) я его синим обвел......
не знаю насколько это точно, но почему -то мастер сказал,что это болезнь у них......надо будет проверить.....
а из клапана Вебасты тоже сочится, но не так сильно.....
не знаю насколько это точно, но почему -то мастер сказал,что это болезнь у них......надо будет проверить.....
а из клапана Вебасты тоже сочится, но не так сильно.....
- Вложения
-
- ImageHandler.jpg (22.81 КБ) 739 просмотров
- SergeZ
- Почетный член Клуба
- Сообщения: 3520
- Зарегистрирован: Пн мар 15, 2010 3:24 pm
- Репутация: 90
- Модель: A8 1999
- Мотор: AQF->AQH
- Город: Тула
- Имя: Сергей
Re: номер прокладки
Это же маслоохладитель ? Так по его ремонту тема на форуме есть, там да, должна быть прокладка в виде 8.
-
Exorcist
- Почетный член Клуба
- Сообщения: 1307
- Зарегистрирован: Ср мар 26, 2008 1:16 pm
- Награды: 1
- Репутация: 47
- Модель: A8 1999
- Мотор: AQF
- Город: Москва (Тушино)
- Имя: Александр
Re: номер прокладки
Да спасибо, все нашел))))






