Бензонасос: жив или не жив?
-
- Реклама
-
Олег Левонюк
- Сообщения: 124
- Зарегистрирован: Вс сен 28, 2008 6:01 pm
- Репутация: 0
- Модель: A8 quattro 2000
- Мотор: APR 2.8
- Город: Дмитров
Бензонасос: жив или не жив?
Здравствуйте одноклубники.Как проверить жив бензонасос или нет?При включении зажигания он не гудит вобще.Но есть подозрения что это сигналка его вырубила или релюшка сгорела.И если можно, подскажите,где можно взять иллюстрации по его демонтажу?
Всем спасибо.
Всем спасибо.
-
Ivan71
- Почетный член Клуба
- Сообщения: 6509
- Зарегистрирован: Ср апр 02, 2008 5:06 pm
- Награды: 3
- Репутация: 229
- Модель: S8 D2/Q7
- Мотор: 4.2/6.0
- Город: Тула
- Контактная информация:
Бензонасос: жив или не жив?
С аккумулятора напрямую запитай и послушай жужжит или нет. Если нет, то добро пожаловать в "клуб любителей кривых баков".Олег Левонюк писал(а):Здравствуйте одноклубники.Как проверить жив бензонасос или нет?При включении зажигания он не гудит вобще.Но есть подозрения что это сигналка его вырубила или релюшка сгорела.И если можно, подскажите,где можно взять иллюстрации по его демонтажу?
Всем спасибо.
-
Олег Левонюк
- Сообщения: 124
- Зарегистрирован: Вс сен 28, 2008 6:01 pm
- Репутация: 0
- Модель: A8 quattro 2000
- Мотор: APR 2.8
- Город: Дмитров
-
Олег Левонюк
- Сообщения: 124
- Зарегистрирован: Вс сен 28, 2008 6:01 pm
- Репутация: 0
- Модель: A8 quattro 2000
- Мотор: APR 2.8
- Город: Дмитров
http://www.autoprospect.ru/audi/a8/7-6- ... pliva.html
На этом сайте есть инструкция какая-то.Если я правильно понимаю,то рис.4.1-11 это и есть изображение того чего я вижу.Так вот у меня возникает вопрос чего с этим всем хозяйством делать?
На этом сайте есть инструкция какая-то.Если я правильно понимаю,то рис.4.1-11 это и есть изображение того чего я вижу.Так вот у меня возникает вопрос чего с этим всем хозяйством делать?
- Akin
- Президент Клуба
- Сообщения: 27985
- Зарегистрирован: Пн авг 27, 2007 2:01 am
- Репутация: 643
- Модель: ___
- Мотор: ___
- Город: Королев
- Имя: Владислав
- Откуда: Москва
Инструкцию по монтажу насоса отправил в ЛС.
А подать плюс проще всего с аккумулятора, с плюсовой клеммы на зеленокрасный толстый провод, выходящий из-под правого лючка в багажнике (лючок на трех саморезах, их нужно выкрутить).
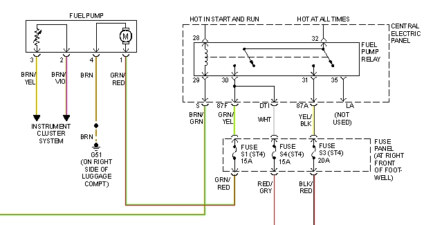
Во вложении схема, может предохранитель сгорел, а может и реле окислилось...
А подать плюс проще всего с аккумулятора, с плюсовой клеммы на зеленокрасный толстый провод, выходящий из-под правого лючка в багажнике (лючок на трех саморезах, их нужно выкрутить).
Во вложении схема, может предохранитель сгорел, а может и реле окислилось...
-
mrPersonality
- Сообщения: 75
- Зарегистрирован: Сб окт 04, 2008 9:41 pm
- Репутация: 2
- Модель: A8 2001
- Мотор: AQF
- Город: Tomsk
-
mrPersonality
- Сообщения: 75
- Зарегистрирован: Сб окт 04, 2008 9:41 pm
- Репутация: 2
- Модель: A8 2001
- Мотор: AQF
- Город: Tomsk
vovvw писал(а):Невнимателен, я предложил смотреть обратку, а туда препускной клапан на 4 бара стоит, соответственно с давлением если побежит, все впорядкеmrPersonality писал(а):Хорошая проверка гудит-не гудит. А как же развиваемое давление и количество кубометров топлива на единицу времени?
-
vovvw
- Почетный член Клуба

- Сообщения: 8429
- Зарегистрирован: Ср сен 26, 2007 8:42 am
- Награды: 1
- Репутация: 61
- Модель: I-Pace
- Мотор: Permanent magnet
- Город: Киров
- Имя: Владимир
Врядли это связано с мощью насоса... скорее потеря герметичности колбы или нарушение целостности перекачной системы, если в колбу никто не лазил, то это могут быть удары и т.д., а если лазили то и вопросов нет...mrPersonality писал(а):Есть еще другой момент (сорри, эльзу по этому поводу не курил, случай чисто из практики); насос качает, но до определенного уровня остатка в баке (порядка 20-25л). Больше - качает, но как только опустится до критичного уровня - все, стоим. Эдакий неснижаемый остаток получается. Судя по остаточному объему, насосу хватает мощи чтобы закачать в магистраль, но перекачать из одной половины бака в другую уже не может
-
vovvw
- Почетный член Клуба

- Сообщения: 8429
- Зарегистрирован: Ср сен 26, 2007 8:42 am
- Награды: 1
- Репутация: 61
- Модель: I-Pace
- Мотор: Permanent magnet
- Город: Киров
- Имя: Владимир
Да перекачка из половинок это не правильный термин... ничего он не перекачивает, три эжекторных насоса наполняют колбу, вот их основная задача, а то, что их производительности хватает переполнять её и лишнее сбрасывать через верх, это так сказать побочный эффект...Антоха писал(а):Просто не перекачивал из 2-ой половины бака.
Это в первую очередь скажется на давлении в топливной рампе и проблемах с питанием...Антоха писал(а):А износ насоса связан с потерей его мощности.
-
Олег Левонюк
- Сообщения: 124
- Зарегистрирован: Вс сен 28, 2008 6:01 pm
- Репутация: 0
- Модель: A8 quattro 2000
- Мотор: APR 2.8
- Город: Дмитров
-
Олег Левонюк
- Сообщения: 124
- Зарегистрирован: Вс сен 28, 2008 6:01 pm
- Репутация: 0
- Модель: A8 quattro 2000
- Мотор: APR 2.8
- Город: Дмитров






