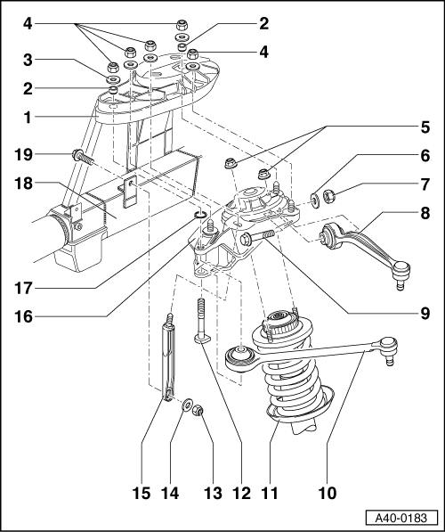
В общем начал с замены рычагов с водительской стороны. Ну собрал всё как было,а вот когда начал с пассажирской стороны,сняв верхние рычаги то понял что с водительской стороны
не хватает пару деталюх,а точнее на верхнем прямом рычаге,вставляется болт который к стакану прикручивается, то на нём должно быть стопорное кольцо и направляющая втулка, а у меня их нет.


