Задние сайлентблоки.
-
- Реклама
- MARTA75
- Сообщения: 382
- Зарегистрирован: Пн июл 09, 2012 8:58 pm
- Репутация: 10
- Модель: AUDI A8
- Мотор: ABZ
- Город: Тольятти
- Имя: Вова
Re: Задние сайлентблоки.
Нет, не трогал - они нормальные. В пятницу буду развальные болты пытаться менять. Они у меня закисли капитально. Попробую болгаркой и заодно 6 сайлентов верхних рычагов поменяю.
- klein999
- Сообщения: 44
- Зарегистрирован: Пт апр 15, 2011 1:03 am
- Репутация: 0
- Модель: A8 2002
- Мотор: AUW 4.2
- Город: Kyiv
- Имя: Klein
Re: Задние сайлентблоки.
Хотел спросить ?! На рестайл сайленты задней цапфы (которых 8 половинок) подойдут ????
- MARTA75
- Сообщения: 382
- Зарегистрирован: Пн июл 09, 2012 8:58 pm
- Репутация: 10
- Модель: AUDI A8
- Мотор: ABZ
- Город: Тольятти
- Имя: Вова
Re: Задние сайлентблоки.
Думаю, рестайл-дорестайл по сайлентам одинаковые. Поменял сегодня развальные болты, сайленты. Сделал наконец-то развал. На сайлентах верхних рычагов неоригинальных номеров нет 
- Вложения
-
- CAM_0299.jpg (31.88 КБ) 4251 просмотр
- DOS
- Сообщения: 107
- Зарегистрирован: Ср июн 15, 2011 12:21 pm
- Репутация: 0
- Модель: S8 D2
- Мотор: 4.2
- Город: МСК-Пенза
- Имя: Дмитрий
Re: Задние сайлентблоки.
Подпишусь.
- BuTaMuH
- Сообщения: 12
- Зарегистрирован: Сб май 11, 2013 10:26 pm
- Репутация: 0
- Модель: А8 1998
- Мотор: 4.2
- Город: Воронеж
- Имя: Нико
Вопрос по сайлентам
Ребят. Подскажите. Был в сервисе, сказали надо заказать комплект задних сайлентблоков. Так вот, подскажите , что заказывать? Был в представительстве exist там насчитали непонятно что на 20 000. Просветите в этой теме, что там за сайлентблоки и где их заказать?
Спасибо!!!!!!
PS: А8 1998 4.2 кватро
Спасибо!!!!!!
PS: А8 1998 4.2 кватро
-
O`Breea
- Почетный член Клуба

- Сообщения: 14411
- Зарегистрирован: Ср окт 01, 2008 11:21 pm
- Награды: 3
- Репутация: 196
- Модель: A8 (D2), 2002, Quattro
- Мотор: AKC 3.7 (FBB)
- Город: Санкт-Петербург
- Имя: Константин
- Откуда: Санкт-Петербург
Re: Задние сайлентблоки.
Там их много, штук 16, если не ошибаюсь. Чтобы понять что они насобирали, надо иметь номера сайлентов на руках.
No Quattro - No Chance
- Николай II
- Сообщения: 5954
- Зарегистрирован: Пт янв 14, 2011 10:47 pm
- Репутация: 95
- Модель: Renault Premium 2012
- Мотор: DXI11 и 450л.с.
- Город: Губкин
- Имя: Николай
- Откуда: Белгородская область
Re: Задние сайлентблоки.
даже 20... Но ценник за всё в районе 6-8 рублей...O`Breea писал(а):штук 16
за 20 - это позолоченные наверное...
- DOS
- Сообщения: 107
- Зарегистрирован: Ср июн 15, 2011 12:21 pm
- Репутация: 0
- Модель: S8 D2
- Мотор: 4.2
- Город: МСК-Пенза
- Имя: Дмитрий
Re: Задние сайлентблоки.
Ну да, решил тряхануть свою перед и зад, завтра заберу заказ. Всего получилось 14 позиций из которых 3 рычага в сборе(это половина заказа по стоимости). Вышло на 11 рублей.Николай II писал(а):даже 20... Но ценник за всё в районе 6-8 рублей...O`Breea писал(а):штук 16
за 20 - это позолоченные наверное...
- Andyrunner
- Член Клуба
- Сообщения: 1429
- Зарегистрирован: Вт май 07, 2013 4:21 pm
- Репутация: 26
- Модель: VW Phaeton
- Мотор: 4.2
- Город: Москва САО
- Имя: Андрей
- Контактная информация:
Re: Задние сайлентблоки.
Пожалуй тоже подпишусь.Мне сзади тоже надо менять те что по половинкам.
- BuTaMuH
- Сообщения: 12
- Зарегистрирован: Сб май 11, 2013 10:26 pm
- Репутация: 0
- Модель: А8 1998
- Мотор: 4.2
- Город: Воронеж
- Имя: Нико
Re: Задние сайлентблоки.
А как самому разобраться, допустим в том же ексисте какие 16 штук?)) А то я сомневаюсь в опытности парня который сидит и оформляет заказы....O`Breea писал(а):Там их много, штук 16, если не ошибаюсь. Чтобы понять что они насобирали, надо иметь номера сайлентов на руках.
- BuTaMuH
- Сообщения: 12
- Зарегистрирован: Сб май 11, 2013 10:26 pm
- Репутация: 0
- Модель: А8 1998
- Мотор: 4.2
- Город: Воронеж
- Имя: Нико
Re: Задние сайлентблоки.
DOS писал(а):Ну да, решил тряхануть свою перед и зад, завтра заберу заказ. Всего получилось 14 позиций из которых 3 рычага в сборе(это половина заказа по стоимости). Вышло на 11 рублей.
Из 14 позиций получается 11 это сайленты? Можешь скрин заказа кинуть или...что нибудь, чтоб посмотреть номера ихние?? спасибоO`Breea писал(а):Там их много, штук 16, если не ошибаюсь. Чтобы понять что они насобирали, надо иметь номера сайлентов на руках.
- Vlad_kiev
- Сообщения: 157
- Зарегистрирован: Вт фев 26, 2013 8:11 pm
- Репутация: 1
- Модель: A8 quattro 1996
- Мотор: 3.7 AEW
- Город: Симферополь
- Имя: Влад
- Откуда: Россия Крым
Re: Задние сайлентблоки.
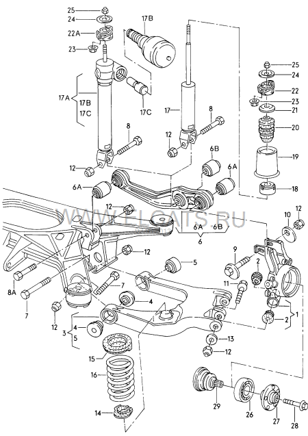
Друзья, подскажите, кто менял сайлент под номером 6а, который к кулаку идёт? Реально ли его по месту струбциной с оправками выдавить или надо полностью снимать рычаг и в пресс? И номерок его мне бы по аналогам, а то оригинал весьма дорогой как для резинки)
-
O`Breea
- Почетный член Клуба

- Сообщения: 14411
- Зарегистрирован: Ср окт 01, 2008 11:21 pm
- Награды: 3
- Репутация: 196
- Модель: A8 (D2), 2002, Quattro
- Мотор: AKC 3.7 (FBB)
- Город: Санкт-Петербург
- Имя: Константин
- Откуда: Санкт-Петербург
Re: Задние сайлентблоки.
Из Эльзы помню только картинку, где вручную только передние сайленты менялись. Можно ли так поменять задние смогу завтра поискать.
No Quattro - No Chance
- Vlad_kiev
- Сообщения: 157
- Зарегистрирован: Вт фев 26, 2013 8:11 pm
- Репутация: 1
- Модель: A8 quattro 1996
- Мотор: 3.7 AEW
- Город: Симферополь
- Имя: Влад
- Откуда: Россия Крым
Re: Задние сайлентблоки.
Спасибо, если не сложно, глянь процесс снятия рычага, на случай, если ручками не перепрессовывается.
- Vlad_kiev
- Сообщения: 157
- Зарегистрирован: Вт фев 26, 2013 8:11 pm
- Репутация: 1
- Модель: A8 quattro 1996
- Мотор: 3.7 AEW
- Город: Симферополь
- Имя: Влад
- Откуда: Россия Крым
Re: Задние сайлентблоки.
Ещё по заднему стабу вопрос. Втулки подобрал VAG 4D0 511 327 C Есть опция 1BE Спорт.ход.часть, улучш.шумоизоляция, усил.подвеска, уменьш.дорожн.просвет приблиз. на 25 мм. Правильно заказал?
- Andyrunner
- Член Клуба
- Сообщения: 1429
- Зарегистрирован: Вт май 07, 2013 4:21 pm
- Репутация: 26
- Модель: VW Phaeton
- Мотор: 4.2
- Город: Москва САО
- Имя: Андрей
- Контактная информация:
Re: Задние сайлентблоки.
Это как втулки стабилизатора могут влиять на дорожный просвет?
-
O`Breea
- Почетный член Клуба

- Сообщения: 14411
- Зарегистрирован: Ср окт 01, 2008 11:21 pm
- Награды: 3
- Репутация: 196
- Модель: A8 (D2), 2002, Quattro
- Мотор: AKC 3.7 (FBB)
- Город: Санкт-Петербург
- Имя: Константин
- Откуда: Санкт-Петербург
Re: Задние сайлентблоки.
Vlad_kiev писал(а):Спасибо, если не сложно, глянь процесс снятия рычага, на случай, если ручками не перепрессовывается. : )
Его в любом случае снимать надо для ручной замены сайлента или замены прессом. Снимается просто: открутил 3 гайки на раме, амортизаторе, кулаке, выбил болты и снял рычаг.
No Quattro - No Chance
- Vlad_kiev
- Сообщения: 157
- Зарегистрирован: Вт фев 26, 2013 8:11 pm
- Репутация: 1
- Модель: A8 quattro 1996
- Мотор: 3.7 AEW
- Город: Симферополь
- Имя: Влад
- Откуда: Россия Крым
Re: Задние сайлентблоки.
втулки никак, а вот толщина стабилизатора разная наверное. Номера обычный втулок и для спорт ходовой разныеAndyrunner писал(а):Это как втулки стабилизатора могут влиять на дорожный просвет?
- MARTA75
- Сообщения: 382
- Зарегистрирован: Пн июл 09, 2012 8:58 pm
- Репутация: 10
- Модель: AUDI A8
- Мотор: ABZ
- Город: Тольятти
- Имя: Вова
Re: Задние сайлентблоки.
Заментелей сайлентов под номером 6а, 6в нет. Придётся раскошелиться! Рычаг снимать 100%. Еще поменяй № 9,10,12. После замены этих сайлентов я поймал тишину.
- Vlad_kiev
- Сообщения: 157
- Зарегистрирован: Вт фев 26, 2013 8:11 pm
- Репутация: 1
- Модель: A8 quattro 1996
- Мотор: 3.7 AEW
- Город: Симферополь
- Имя: Влад
- Откуда: Россия Крым
Re: Задние сайлентблоки.
Заезжал на стенд, приговорили ещё втулки стаба и стоечки. Думал хуже будет, сейчас гремит очень серьёзно 
-
Bond
- Сообщения: 68
- Зарегистрирован: Ср сен 22, 2010 11:52 pm
- Репутация: 0
- Модель: A8 2000
- Мотор: AQF
- Город: Москва
- Имя: Муртуз
Re: Задние сайлентблоки.
Так что там с задней подвеской, с сайлентами можно обмануть цены или нет?!?!? у меня на зад куплены пружины, амортизаторы... собираюсь брать все остальное и менять. В целом по сайлентам всем выходит около 30000р
вот так... Можно ли обхитрить или удешевить это перебор?! )))
- Vlad_kiev
- Сообщения: 157
- Зарегистрирован: Вт фев 26, 2013 8:11 pm
- Репутация: 1
- Модель: A8 quattro 1996
- Мотор: 3.7 AEW
- Город: Симферополь
- Имя: Влад
- Откуда: Россия Крым
Re: Задние сайлентблоки.
Пытался найти неоригинал в поперечный рычаг, там их по 3 на каждый, только в оригинале. Подкинул пока с разборки рычаг, буду по своему подбирать. Как по мне, не серьёзно покупать 6 штук по 50 баксов каждый.
-
Bond
- Сообщения: 68
- Зарегистрирован: Ср сен 22, 2010 11:52 pm
- Репутация: 0
- Модель: A8 2000
- Мотор: AQF
- Город: Москва
- Имя: Муртуз
Re: Задние сайлентблоки.
Ну и бу - кот в мешке... как их определить что целые!?... А по остальным сайлентам?Vlad_kiev писал(а):Пытался найти неоригинал в поперечный рычаг, там их по 3 на каждый, только в оригинале. Подкинул пока с разборки рычаг, буду по своему подбирать. Как по мне, не серьёзно покупать 6 штук по 50 баксов каждый.
- Vlad_kiev
- Сообщения: 157
- Зарегистрирован: Вт фев 26, 2013 8:11 pm
- Репутация: 1
- Модель: A8 quattro 1996
- Мотор: 3.7 AEW
- Город: Симферополь
- Имя: Влад
- Откуда: Россия Крым
Re: Задние сайлентблоки.
б\у на время, пока восстановлю свой рычаг.






