отличия реек
-
- Реклама
- karec
- Член Клуба
- Сообщения: 1715
- Зарегистрирован: Ср авг 24, 2011 4:32 pm
- Репутация: 52
- Модель: ОООО,toyota
- Мотор: 4.2tt,2.0tfsi,2jz
- Город: МСК
- Имя: Андрей
отличия реек
чем отличается рейка д2 рест от реек c5(rs6 если меняет что-то)?
номера одинаковы,кроме второй буквы, 4B против 4D.
номера одинаковы,кроме второй буквы, 4B против 4D.
вообще я добрый,но в мире не найти меня злей.
9Z6-7I6-3О4I
9Z6-7I6-3О4I
- SectorA8
- Сообщения: 237
- Зарегистрирован: Пн июн 13, 2011 4:07 pm
- Репутация: 2
- Модель: A8 Quattro 1997г.
- Мотор: ABZ 4.2, 5HP24, DTD
- Город: Санкт-Петербург
- Имя: Иван
Re: отличия реек
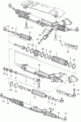
Pулевой механизм с усилителем
1A > 4D1422069J Pулевой редуктор ЛВPЛ FA.ZF 1
(1) # 4D1422052BX Pулевая рейка с шарнирно-зак-репленными внутри тягами ЛВPЛ FA.ZF 1
(1) # 4D2422052BX Pулевая рейка с шарнирно-зак-репленными внутри тягами ПPPЛ FA.ZF 1
(1) # 4D1422052CX Pулевая рейка с шарнирно-зак-репленными внутри тягами для а/м с рул. мех. с усилит.
при необх. использов. с: ЛВPЛ FA.ZF *>>4D-R-001200
813 972 923
000 979 135
111 971 940 A 1
(1A) # 4D2422069KX Pулевой редуктор
для а/м с рул. мех. с усилит. ПPPЛ
FA.ZF 1
(1) 4D2422052C Pулевая рейка с шарнирно-зак-
репленными внутри тягами
для а/м с рул. мех. с усилит. ПPPЛ
FA.ZF 1
(1) # 4D2422052CX Pулевая рейка с шарнирно-зак-
репленными внутри тягами
для а/м с рул. мех. с усилит. ПPPЛ
FA.ZF 1
2 4D0425057A Кронштейн 1
3 4D0419831A Манжета 1
3A N 90654202 Уплотнительное кольцо 57X2 2
3B 4D0422531 Пружина, тарельчатая 50X25,4X3 1
4 N 90654101 Хомут 67X7X0,8 2
5 N 90974901 Болт с шестигр. гол. (комби) M10X52 3
6 4D0422326 Манжета 1
7 4D0425021D Амортизатор рулевого управл. 1
8 4D0425195 Втулка 2
9 4D0425197A Гаситель 2
10 N 0230038 Гайка, шестигранная,
самоконтрящаяся AM8 1
11 N 10170604 Болт с шестигранной головкой M10X35 1
12 4B0419801M Поперечная рулевая тяга
использовать с:для а/м со специальной защитой Cталь
4D0 419 831 E
8D0 419 831 K
N 906 540 01
4B0 422 875
4D0 419 811 L 2
1- 4D0419831E Манжета 1
1- 8D0419831K Манжета 1 4-цилиндр.
1- N 90654001 Хомут 59X7X0,80 2
1- 4B0422875 Хомут
2Манжета 22X10
наружн. 2
13 4D0419831D Манжета 2
13A N 90180902 Уплотнительное кольцо 50X2 2
14 N 10218708 Гайка шестигранная M14X1,5 2
15 4B0419811F Након. поперечн. рулевой тяги Cталь 2
(15) 4D0419811L Након. поперечн. рулевой тяги
для а/м со специальной защитой 2
16 N 90654001 Хомут 59X7X0,80 2
17 N 10202001 Хомут 24,1X7X0,60 2
18 N 90628901 Болт с шестигр. гол. (комби) M8X25 2
- 4D0407284 Колпачок 1
19 441422217 Фильтр масляный, сетчатый
для а/м с рул. мех. с усилит. 1
20 4B0422150 Уплотнительное кольцо
для а/м с рул. мех. с усилит. 7X1 1
21 4B0422149 Уплотнительное кольцо
для а/м с рул. мех. с усилит. 12X1,5 1
22 4D0907315A Преобразователь
Корпус круглого разъема
для а/м с рул. мех. с усилит. 1
23 441422157 Болт с внутренним
шестигранником
для а/м с рул. мех. с усилит. M4X40 2
24 AOF06300004 Пластичная смазка рулев. ред. 250G X
- 4D1422699 Экран 1 AHC
- N 90440702 Болт с шестигранной головкой M6X15 2
1A > 4D1422069J Pулевой редуктор ЛВPЛ FA.ZF 1
(1) # 4D1422052BX Pулевая рейка с шарнирно-зак-репленными внутри тягами ЛВPЛ FA.ZF 1
(1) # 4D2422052BX Pулевая рейка с шарнирно-зак-репленными внутри тягами ПPPЛ FA.ZF 1
(1) # 4D1422052CX Pулевая рейка с шарнирно-зак-репленными внутри тягами для а/м с рул. мех. с усилит.
при необх. использов. с: ЛВPЛ FA.ZF *>>4D-R-001200
813 972 923
000 979 135
111 971 940 A 1
(1A) # 4D2422069KX Pулевой редуктор
для а/м с рул. мех. с усилит. ПPPЛ
FA.ZF 1
(1) 4D2422052C Pулевая рейка с шарнирно-зак-
репленными внутри тягами
для а/м с рул. мех. с усилит. ПPPЛ
FA.ZF 1
(1) # 4D2422052CX Pулевая рейка с шарнирно-зак-
репленными внутри тягами
для а/м с рул. мех. с усилит. ПPPЛ
FA.ZF 1
2 4D0425057A Кронштейн 1
3 4D0419831A Манжета 1
3A N 90654202 Уплотнительное кольцо 57X2 2
3B 4D0422531 Пружина, тарельчатая 50X25,4X3 1
4 N 90654101 Хомут 67X7X0,8 2
5 N 90974901 Болт с шестигр. гол. (комби) M10X52 3
6 4D0422326 Манжета 1
7 4D0425021D Амортизатор рулевого управл. 1
8 4D0425195 Втулка 2
9 4D0425197A Гаситель 2
10 N 0230038 Гайка, шестигранная,
самоконтрящаяся AM8 1
11 N 10170604 Болт с шестигранной головкой M10X35 1
12 4B0419801M Поперечная рулевая тяга
использовать с:для а/м со специальной защитой Cталь
4D0 419 831 E
8D0 419 831 K
N 906 540 01
4B0 422 875
4D0 419 811 L 2
1- 4D0419831E Манжета 1
1- 8D0419831K Манжета 1 4-цилиндр.
1- N 90654001 Хомут 59X7X0,80 2
1- 4B0422875 Хомут
2Манжета 22X10
наружн. 2
13 4D0419831D Манжета 2
13A N 90180902 Уплотнительное кольцо 50X2 2
14 N 10218708 Гайка шестигранная M14X1,5 2
15 4B0419811F Након. поперечн. рулевой тяги Cталь 2
(15) 4D0419811L Након. поперечн. рулевой тяги
для а/м со специальной защитой 2
16 N 90654001 Хомут 59X7X0,80 2
17 N 10202001 Хомут 24,1X7X0,60 2
18 N 90628901 Болт с шестигр. гол. (комби) M8X25 2
- 4D0407284 Колпачок 1
19 441422217 Фильтр масляный, сетчатый
для а/м с рул. мех. с усилит. 1
20 4B0422150 Уплотнительное кольцо
для а/м с рул. мех. с усилит. 7X1 1
21 4B0422149 Уплотнительное кольцо
для а/м с рул. мех. с усилит. 12X1,5 1
22 4D0907315A Преобразователь
Корпус круглого разъема
для а/м с рул. мех. с усилит. 1
23 441422157 Болт с внутренним
шестигранником
для а/м с рул. мех. с усилит. M4X40 2
24 AOF06300004 Пластичная смазка рулев. ред. 250G X
- 4D1422699 Экран 1 AHC
- N 90440702 Болт с шестигранной головкой M6X15 2
- karec
- Член Клуба
- Сообщения: 1715
- Зарегистрирован: Ср авг 24, 2011 4:32 pm
- Репутация: 52
- Модель: ОООО,toyota
- Мотор: 4.2tt,2.0tfsi,2jz
- Город: МСК
- Имя: Андрей
Re: отличия реек
по картинке в элкатсе на c5 так же выглядит, не показатель, мне кажется.
вообще я добрый,но в мире не найти меня злей.
9Z6-7I6-3О4I
9Z6-7I6-3О4I
- SectorA8
- Сообщения: 237
- Зарегистрирован: Пн июн 13, 2011 4:07 pm
- Репутация: 2
- Модель: A8 Quattro 1997г.
- Мотор: ABZ 4.2, 5HP24, DTD
- Город: Санкт-Петербург
- Имя: Иван
Re: отличия реек
а ты коды сравни
деталий
- Kabir
- Член Клуба
- Сообщения: 997
- Зарегистрирован: Сб апр 10, 2010 8:59 pm
- Репутация: 16
- Модель: A8 1999
- Мотор: AQG 3.7
- Город: Запорожье
- Имя: Вячеслав
Re: отличия реек
Где-то я слышал что ставят с А6 на А8 рейку. Вроде они подходят. Только сервотроник не подключают. Как-то так. ))
Уж лучше голодать, чем что попало есть, и лучше быть одним, чем вместе с кем попало.®
- babkin
- Сообщения: 146
- Зарегистрирован: Пн апр 04, 2011 2:51 pm
- Репутация: 2
- Модель: s8 2000
- Мотор: AQH 4.2
- Город: Мариуполь
- Имя: Константин
- Контактная информация:
Re: отличия реек
Добрый день всем.почитав форум я понял что рейка мне подойдет любая с сервотроником от рестайла . или подскажите какую найти. предлагают рейку с номером 4D1 422 071 A -- подойдет или нет? у меня S8 2001 г.. win WAUZZZ4DZ1N003142 .спс за внимание.
- babkin
- Сообщения: 146
- Зарегистрирован: Пн апр 04, 2011 2:51 pm
- Репутация: 2
- Модель: s8 2000
- Мотор: AQH 4.2
- Город: Мариуполь
- Имя: Константин
- Контактная информация:
Re: отличия реек
у Виталия , который сделал хороший фотоотчет по замене рейки такой же номер как и мне предлагают б/у( не доглядел немного), но по винкоду выдает в етке другие номера- не знаю что делать.на своей посмотреть нет возможности.
- karec
- Член Клуба
- Сообщения: 1715
- Зарегистрирован: Ср авг 24, 2011 4:32 pm
- Репутация: 52
- Модель: ОООО,toyota
- Мотор: 4.2tt,2.0tfsi,2jz
- Город: МСК
- Имя: Андрей
Re: отличия реек
подойдет даже от дорестайла.причем как работает дорестовый клапан троника на рестовых мозгах, мне понравилось больше.он раньше закрывается,но на месте так же-от мизинца.
вообще я добрый,но в мире не найти меня злей.
9Z6-7I6-3О4I
9Z6-7I6-3О4I
- moto73
- Член Клуба
- Сообщения: 3105
- Зарегистрирован: Чт мар 28, 2013 6:59 pm
- Репутация: 40
- Модель: Киа
- Мотор: 2,5 tdi
- Город: Ульяновск
- Имя: Максим
Re: отличия реек
то есть можно от дорестайла взять рейку на рестайл?
В любой ситуации нужно оставаться человеком...
- Andyrunner
- Член Клуба
- Сообщения: 1429
- Зарегистрирован: Вт май 07, 2013 4:21 pm
- Репутация: 26
- Модель: VW Phaeton
- Мотор: 4.2
- Город: Москва САО
- Имя: Андрей
- Контактная информация:
Re: отличия реек
А наоборот с реста на дорест.Как работать будет?
- karec
- Член Клуба
- Сообщения: 1715
- Зарегистрирован: Ср авг 24, 2011 4:32 pm
- Репутация: 52
- Модель: ОООО,toyota
- Мотор: 4.2tt,2.0tfsi,2jz
- Город: МСК
- Имя: Андрей
Re: отличия реек
не пробовал.да и рестовые рйки более дохлые чем дорестовые.
вообще я добрый,но в мире не найти меня злей.
9Z6-7I6-3О4I
9Z6-7I6-3О4I
-
alexrae
- Член Клуба
- Сообщения: 6855
- Зарегистрирован: Пт июн 26, 2009 8:18 pm
- Награды: 1
- Репутация: 96
- Модель: A8 2006
- Мотор: BGK/HKT 3шт
- Город: Торонто
- Имя: Алекс
Re: отличия реек
А ты что, и реле менял? С какой радости ему раньше закрываться? Да и реле вроде одинаковые, на 20км/ч...karec писал(а):он раньше закрывается,но на месте так же-от мизинца.
- karec
- Член Клуба
- Сообщения: 1715
- Зарегистрирован: Ср авг 24, 2011 4:32 pm
- Репутация: 52
- Модель: ОООО,toyota
- Мотор: 4.2tt,2.0tfsi,2jz
- Город: МСК
- Имя: Андрей
Re: отличия реек
я менял только рейку.и работает она совсем по другому как работала моя.номера клапанов троника разные.больше ничем подсказать не могу.не стал искать подноготную.ибо для меня это лучшее что можно придумать,на 60 руль уже тугой,как после сотки на стоковой рейке.
вообще я добрый,но в мире не найти меня злей.
9Z6-7I6-3О4I
9Z6-7I6-3О4I

