FAQ.Вентиляция картера
-
- Реклама
- Лёхин
- Сообщения: 74
- Зарегистрирован: Вс ноя 02, 2014 7:37 pm
- Репутация: 5
- Модель: S8 2000
- Мотор: AQH 4.2
- Город: Санкт_Петербург
- Имя: Алексей
FAQ.Вентиляция картера
Уже год 
-
alexrae
- Член Клуба
- Сообщения: 6853
- Зарегистрирован: Пт июн 26, 2009 8:18 pm
- Награды: 1
- Репутация: 96
- Модель: A8 2006
- Мотор: BGK/HKT 3шт
- Город: Торонто
- Имя: Алекс
FAQ.Вентиляция картера
A что там особо то проверять? Запень его на верхних дырках. Если пену всосет- то на выброс
-
Wagner
- Сообщения: 134
- Зарегистрирован: Вс июн 16, 2013 9:28 pm
- Репутация: 4
- Модель: A8 1999
- Мотор: AQF 4.2
- Город: Москва
- Имя: Андрей
- Откуда: Ессентуки
FAQ.Вентиляция картера
а если, пардон, выплюнет?)
A8 D2 1998 AKG - продалась
A8 D2 1999 AQF - и чет менять особо не на что)))
A8 D2 1999 AQF - и чет менять особо не на что)))
-
alexrae
- Член Клуба
- Сообщения: 6853
- Зарегистрирован: Пт июн 26, 2009 8:18 pm
- Награды: 1
- Репутация: 96
- Модель: A8 2006
- Мотор: BGK/HKT 3шт
- Город: Торонто
- Имя: Алекс
FAQ.Вентиляция картера
Ну тогда машину на выброс... как не имеющую вюразрежения пюво впускном коллекторе
-
Wagner
- Сообщения: 134
- Зарегистрирован: Вс июн 16, 2013 9:28 pm
- Репутация: 4
- Модель: A8 1999
- Мотор: AQF 4.2
- Город: Москва
- Имя: Андрей
- Откуда: Ессентуки
FAQ.Вентиляция картера
А никто не пробовал использовать клапан 06A 129 101A, вместо 077103245b? 
Может ли быть причина воющего клапана в "чайнике", который в развале блока? (может там прокладка какая-то порвалась или еще что-то)
Может ли быть причина воющего клапана в "чайнике", который в развале блока? (может там прокладка какая-то порвалась или еще что-то)
Последний раз редактировалось Wagner Чт июл 29, 2021 4:47 pm, всего редактировалось 2 раза.
A8 D2 1998 AKG - продалась
A8 D2 1999 AQF - и чет менять особо не на что)))
A8 D2 1999 AQF - и чет менять особо не на что)))
-
Dmar
- Член Клуба
- Сообщения: 622
- Зарегистрирован: Вт июл 30, 2013 7:06 am
- Награды: 1
- Репутация: 32
- Модель: Audi A8 1999 рестайл
- Мотор: AQF 4.2
- Город: Москва
- Имя: Дмитрий
FAQ.Вентиляция картера
Сомнительно. Клапан работает свистком исключительно из-за мембраны, либо она со временем деградирует или забивается отложениями, либо изначально сделана из неправильного материала. А в развале же просто крышка маслопомойки, там сюрпризничать вроде нечему.
-
Dmar
- Член Клуба
- Сообщения: 622
- Зарегистрирован: Вт июл 30, 2013 7:06 am
- Награды: 1
- Репутация: 32
- Модель: Audi A8 1999 рестайл
- Мотор: AQF 4.2
- Город: Москва
- Имя: Дмитрий
FAQ.Вентиляция картера
06A 129 101A редукционник, он не подойдёт. У родного есть выход вовне, у 06A 129 101A - нет.
-
Wagner
- Сообщения: 134
- Зарегистрирован: Вс июн 16, 2013 9:28 pm
- Репутация: 4
- Модель: A8 1999
- Мотор: AQF 4.2
- Город: Москва
- Имя: Андрей
- Откуда: Ессентуки
FAQ.Вентиляция картера
там есть небольшое отверстие, которое сообщается с полостью над мембраной
Насколько я смог найти инфу - принцип работы у них одинаков... Возможно, что закрываться он будет тяжелее, но это не точно.
Последний раз редактировалось Wagner Пт июл 30, 2021 9:57 am, всего редактировалось 1 раз.
A8 D2 1998 AKG - продалась
A8 D2 1999 AQF - и чет менять особо не на что)))
A8 D2 1999 AQF - и чет менять особо не на что)))
-
Wagner
- Сообщения: 134
- Зарегистрирован: Вс июн 16, 2013 9:28 pm
- Репутация: 4
- Модель: A8 1999
- Мотор: AQF 4.2
- Город: Москва
- Имя: Андрей
- Откуда: Ессентуки
FAQ.Вентиляция картера
Еще интересует вопрос:
Если ли под "чайником" прокладки (полезу чистить и думал сразу закупиться), по каталогам нашел какую-то пластину, которая только в ориге и тыщ за 6... Ее нужно менять при разборке или можно помыть/поставить?
Если ли под "чайником" прокладки (полезу чистить и думал сразу закупиться), по каталогам нашел какую-то пластину, которая только в ориге и тыщ за 6... Ее нужно менять при разборке или можно помыть/поставить?
A8 D2 1998 AKG - продалась
A8 D2 1999 AQF - и чет менять особо не на что)))
A8 D2 1999 AQF - и чет менять особо не на что)))
-
Dmar
- Член Клуба
- Сообщения: 622
- Зарегистрирован: Вт июл 30, 2013 7:06 am
- Награды: 1
- Репутация: 32
- Модель: Audi A8 1999 рестайл
- Мотор: AQF 4.2
- Город: Москва
- Имя: Дмитрий
FAQ.Вентиляция картера
Я свою менял потому что она задубела и вокруг неё на блоке всё в соплях было. Если не сопливит то можно и не менять.
-
apl
- Сообщения: 5
- Зарегистрирован: Пн апр 20, 2020 8:43 pm
- Репутация: 0
- Модель: a8 98
- Мотор: AKJ
- Город: Екатеринбург
FAQ.Вентиляция картера
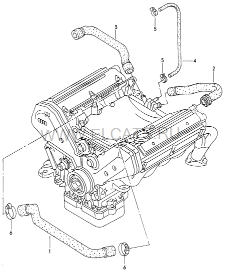
Всем привет! Кто-нибудь нашел замены патрубков картерных газов 1-3? Оригиналы стоят 5-10тыр, а одного вообще нет в наличии.
-
apl
- Сообщения: 5
- Зарегистрирован: Пн апр 20, 2020 8:43 pm
- Репутация: 0
- Модель: a8 98
- Мотор: AKJ
- Город: Екатеринбург
FAQ.Вентиляция картера
Как решил?babtist писал(а): ↑Ср июн 01, 2011 12:41 am мужики! так все-таки никто не смог подобрать заменитель оригинальным патрубкам? а то у меня все текут, передний вообще развалился у меня в руках, когда я его после промывки обратно ставил, я укоротил его как смог по минимуму, поставил обратно. итог - пол-моторного отсека в масле после бодрой поездки вчера. с тех пор стоит машина, еще на залезал не смотрел, не было времени.
машина ппц как на ходу нужна, а ждать приезда будет очень обломно мне без колес, в москву надо на ней ехать
подскажите, кто-нибудь ставил заменитель?хотя бы как временное решение
-
Мевлан
- Сообщения: 136
- Зарегистрирован: Пн фев 29, 2016 8:37 am
- Репутация: 0
- Модель: Audi a8 D2 1995 года
- Мотор: ABZ 4.2 кватро
- Город: Дербент
- Имя: Мевлан
- Откуда: РД
FAQ.Вентиляция картера
доброго времени суток. Скажите пожалуйста что подключается сюда
- Akin
- Президент Клуба
- Сообщения: 28005
- Зарегистрирован: Пн авг 27, 2007 2:01 am
- Репутация: 643
- Модель: ___
- Мотор: ___
- Город: Королев
- Имя: Владислав
- Откуда: Москва
FAQ.Вентиляция картера
Можно фото с другого ракурса, не вполне понятно, что это.
-
Мевлан
- Сообщения: 136
- Зарегистрирован: Пн фев 29, 2016 8:37 am
- Репутация: 0
- Модель: Audi a8 D2 1995 года
- Мотор: ABZ 4.2 кватро
- Город: Дербент
- Имя: Мевлан
- Откуда: РД
FAQ.Вентиляция картера
это находится на впускном коллекторе со стороны водителя.
- Akin
- Президент Клуба
- Сообщения: 28005
- Зарегистрирован: Пн авг 27, 2007 2:01 am
- Репутация: 643
- Модель: ___
- Мотор: ___
- Город: Королев
- Имя: Владислав
- Откуда: Москва
FAQ.Вентиляция картера
Не могу вспомнить. Кажется, вакуум для подключения круиз-контроля или для продувки форсунок. Коллектор не от AKG случайно?
-
Мевлан
- Сообщения: 136
- Зарегистрирован: Пн фев 29, 2016 8:37 am
- Репутация: 0
- Модель: Audi a8 D2 1995 года
- Мотор: ABZ 4.2 кватро
- Город: Дербент
- Имя: Мевлан
- Откуда: РД
FAQ.Вентиляция картера
Этого не знаю. Но шлангов больше никаких нет кроме одного тонкого и один идёт на вакууп круиза.
Ну и на тормозной вакуум. Вот и я никак не могу понять что туда подключается. А на ABZ нет такого не скажешь?
Ну и на тормозной вакуум. Вот и я никак не могу понять что туда подключается. А на ABZ нет такого не скажешь?
- Akin
- Президент Клуба
- Сообщения: 28005
- Зарегистрирован: Пн авг 27, 2007 2:01 am
- Репутация: 643
- Модель: ___
- Мотор: ___
- Город: Королев
- Имя: Владислав
- Откуда: Москва
FAQ.Вентиляция картера
Если я правильно помню, то тогда это похоже на шланг к форсункам, такие были на AKG и AHC.
-
Мевлан
- Сообщения: 136
- Зарегистрирован: Пн фев 29, 2016 8:37 am
- Репутация: 0
- Модель: Audi a8 D2 1995 года
- Мотор: ABZ 4.2 кватро
- Город: Дербент
- Имя: Мевлан
- Откуда: РД
FAQ.Вентиляция картера
Понял. Спасибо большое
- ShOOtnick
- Член Клуба
- Сообщения: 257
- Зарегистрирован: Вт окт 25, 2011 10:20 pm
- Репутация: 2
- Модель: Audi A8 '97
- Мотор: ABZ 4.2, 5hp24 DTD
- Город: Москва
- Имя: Евгений
- Откуда: Москва, Северное Бутово
FAQ.Вентиляция картера
Всем привет!
Столкнулся с необходимостью замены патрубков ВКГ на ABZ.
Патрубки не нашел, на разборках только гнилые. Пришлось колхозить.

На правую голову (фото 1 выше) использован шланг маслобензостойкий 18 мм (внутр.) и латунный уголок 20х20. Но желательно брать уголок и шланг чуть больше, т.к. на дросселе сосок крупнее, на фото видно как шланг на него натянут.
На левую голову (фото 2 выше) - шланг 16 мм (внутр.) и уголок 18 мм.
Уголки вот такие:

Первый уголок пришлось даже укоротить на один "виток" ёлочки, а то слишком далеко торчал.
Названия у первого никакого нет, у второго известен бренд - LEXLINE.
Шланги покупал по 1 метру. Все это добро было куплено на озоне, сумма затрат около 1700 руб.
Столкнулся с необходимостью замены патрубков ВКГ на ABZ.
Патрубки не нашел, на разборках только гнилые. Пришлось колхозить.
На правую голову (фото 1 выше) использован шланг маслобензостойкий 18 мм (внутр.) и латунный уголок 20х20. Но желательно брать уголок и шланг чуть больше, т.к. на дросселе сосок крупнее, на фото видно как шланг на него натянут.
На левую голову (фото 2 выше) - шланг 16 мм (внутр.) и уголок 18 мм.
Уголки вот такие:
Первый уголок пришлось даже укоротить на один "виток" ёлочки, а то слишком далеко торчал.
Названия у первого никакого нет, у второго известен бренд - LEXLINE.
Шланги покупал по 1 метру. Все это добро было куплено на озоне, сумма затрат около 1700 руб.
-
Михаил350
- Сообщения: 125
- Зарегистрирован: Вс апр 21, 2019 10:08 pm
- Репутация: 0
- Модель: Ауди а8 д3 2005
- Мотор: BHT 6,0
- Город: Могилев
- Имя: Михаил
FAQ.Вентиляция картера
Всем добрый день. Не нашел тему про вентиляцию BHT. Задам вопросы здесь. Бывший владелец исключил систему вкг на дубле целиком. То бишь 4 шланга с клапанок под днище. Мне данная система не нравится, так как выгоняет из этих шлангов масло. Подскажите выход из этой ситуации






