3.3 не завести
-
- Реклама
- Weldone88
- Член Клуба
- Сообщения: 337
- Зарегистрирован: Сб май 03, 2014 7:25 pm
- Репутация: 10
- Модель: A8 D2 3.3TDI 2001
- Мотор: AKF
- Город: Калининград
- Имя: Валерий
Re: 3.3 не завести
В Хельсинках это страаашный дефицит)vadimkin писал(а):трубки ТНВД с камаза, маза, краза подходят для заглушек.
Audi A8Q D2 2001 3.3TDI AKF
- vadimkin
- Член Клуба
- Сообщения: 2085
- Зарегистрирован: Чт июл 05, 2012 8:34 am
- Репутация: 41
- Модель: .
- Мотор: 2 ноги
- Город: возле Мурманска
- Имя: Вадим
Re: 3.3 не завести
если не ошибаюсь то на манах, мерседесах такие-же. длина разная но важен шаг резьбы и диаметр.
To victory, always!
- soljankin
- Сообщения: 44
- Зарегистрирован: Вс янв 26, 2014 3:40 am
- Репутация: 1
- Модель: A8 2000
- Мотор: AKF 3.3tdi
- Город: Хельсинки
- Имя: Илья Солянкин
- Откуда: Калуга
Re: 3.3 не завести
Надо с рабочей скрутить. А про пузыри и как подключал. Обратку не трогал, на выход из фильтра, который уже к движку идет- снимал шланг и к нему насосик которуй из канистры подавал. А на фильтр позрачную трубку и её в бутылку.(подача с бака) кстати сначала бутылка наполнилась быстро за наверно 5 длинных стартовё а пото почти не наполнялас. Но я все равно думаю, что не воздух, она бы завелась после спуска из под каждой форсы и на эфире. Кстати, лучше подспускать по очереди откручивая или все сразу?
- vadimkin
- Член Клуба
- Сообщения: 2085
- Зарегистрирован: Чт июл 05, 2012 8:34 am
- Репутация: 41
- Модель: .
- Мотор: 2 ноги
- Город: возле Мурманска
- Имя: Вадим
Re: 3.3 не завести
Аккумулятор служит для хранения топлива под высоким давлением и одновременно обеспечивает демпфирование колебаний давления, генерируемых при подаче ТНВД. Высокое давление в аккумуляторе является общим для всех цилиндров, откуда и следует название топливной системы "Common Rail" ("Общий путь"). Даже при больших подачах в аккумуляторе поддерживается практически постоянное высокое давление, что обеспечивает постоянство давления во время впрыска топлива.soljankin писал(а): Кстати, лучше подспускать по очереди откручивая или все сразу
это я скопировал из литературы по Common Rail из этого вывод что разницы нет какую трубку откручивать и нет необходимости их откручивать поочередно, достаточно открутить одну любую с форсунки с каждой из сторон, этого достаточно для спуска воздуха.
To victory, always!
- vadimkin
- Член Клуба
- Сообщения: 2085
- Зарегистрирован: Чт июл 05, 2012 8:34 am
- Репутация: 41
- Модель: .
- Мотор: 2 ноги
- Город: возле Мурманска
- Имя: Вадим
Re: 3.3 не завести
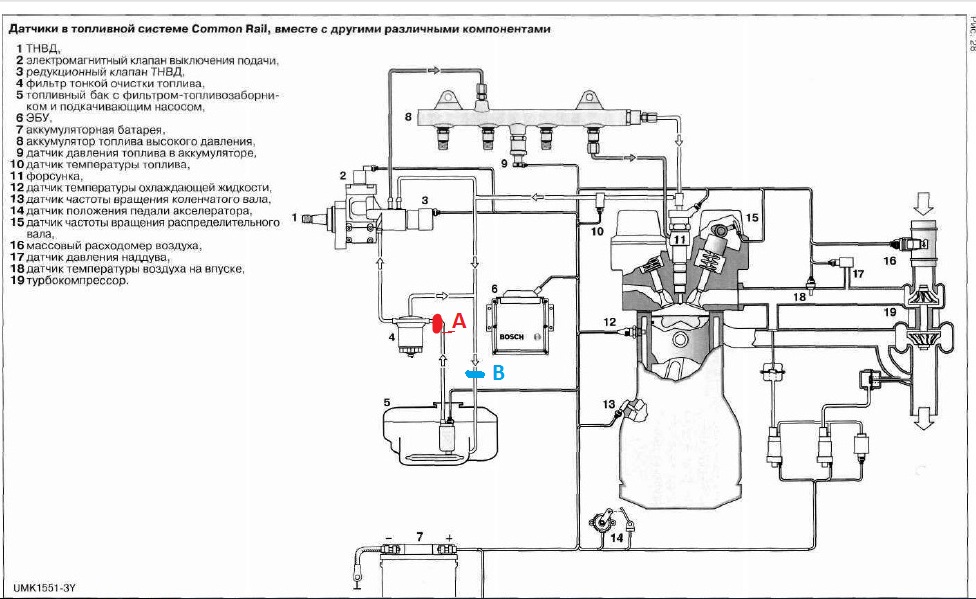
вот на картинке наша система Common Rail только одноконтурная.
красная буква "А" это должен быть вход из канистры через фильтр. голубая буква "В" выход системы обратки в бак.(для проверки системы на герметичность обратку нужно заглушить и доплнительным насосом создать давление. Таким способом проверим герметичность всей системы включая топливный фильтр с клапаном и обратку.
красная буква "А" это должен быть вход из канистры через фильтр. голубая буква "В" выход системы обратки в бак.(для проверки системы на герметичность обратку нужно заглушить и доплнительным насосом создать давление. Таким способом проверим герметичность всей системы включая топливный фильтр с клапаном и обратку.
To victory, always!
- Borik-m
- Член Клуба
- Сообщения: 490
- Зарегистрирован: Вс май 01, 2011 10:54 am
- Репутация: 21
- Модель: A8 2001
- Мотор: AKF
- Город: Калининград
- Имя: Борис
Re: 3.3 не завести
Штуцера подходят от соеденителей пневмотрубок грузовиков, только дырку заварить. Для трубок на 10. Искать или в автомагазинах для грузовиков или на пневмо-сервисах (типа Wabco).
- А в чем сила, брат?
- Сила в Quattro!
- Сила в Quattro!
- Weldone88
- Член Клуба
- Сообщения: 337
- Зарегистрирован: Сб май 03, 2014 7:25 pm
- Репутация: 10
- Модель: A8 D2 3.3TDI 2001
- Мотор: AKF
- Город: Калининград
- Имя: Валерий
Re: 3.3 не завести
Я понял по подключению. Все правильно.
На мой взгляд:
- подсос искючен, так как на вход тнвд подается избыточное давление (подкачивающий + электрический из ведра)
- механический подкачивающий думаю тоже можно исключить так как давление в системе должен создавать насос-ведро (хотя чтобы уж наверняка - можно подключиться насос-ведром к подающей трубке после топливоподкачивающего насоса до ТНВД, вдруг так какое волшебство в насосике механическом случилось?) (по верху правой клапанки идет)
Ошибки появились какие?
Бутылку наполняет пусковой насос. И должен по идее делать это постоянно. Есть вероятность, что выкачалось все топливо из колбы в баке а перекачивающий не успевает ее наполнить. Не думаю, что это неисправность.
На мой взгляд:
- подсос искючен, так как на вход тнвд подается избыточное давление (подкачивающий + электрический из ведра)
- механический подкачивающий думаю тоже можно исключить так как давление в системе должен создавать насос-ведро (хотя чтобы уж наверняка - можно подключиться насос-ведром к подающей трубке после топливоподкачивающего насоса до ТНВД, вдруг так какое волшебство в насосике механическом случилось?) (по верху правой клапанки идет)
Ошибки появились какие?
Бутылку наполняет пусковой насос. И должен по идее делать это постоянно. Есть вероятность, что выкачалось все топливо из колбы в баке а перекачивающий не успевает ее наполнить. Не думаю, что это неисправность.
Audi A8Q D2 2001 3.3TDI AKF
- Weldone88
- Член Клуба
- Сообщения: 337
- Зарегистрирован: Сб май 03, 2014 7:25 pm
- Репутация: 10
- Модель: A8 D2 3.3TDI 2001
- Мотор: AKF
- Город: Калининград
- Имя: Валерий
Re:
soljankin писал(а):Ребят завёл! От четвертой форсы отсоеденил трубку, вместо заглушки обычный болт, под него резинку вырезал. Поставил и прям сразу завелась! Ууу еее!!! После работы скину фотки и с форс данные! Ща спешу! Спасибо всем огромное! Кто будет в Хельсинки, проставлюсь по полной!!!
Audi A8Q D2 2001 3.3TDI AKF
-
audia82001
- Сообщения: 24
- Зарегистрирован: Сб май 03, 2014 7:15 pm
- Репутация: 0
- Модель: audi a8 2001
- Мотор: AKF 3.3 tdi
- Город: Кокшетау
- Имя: Алексей
Re: 3.3 не завести
а почему именно с четвертой ,так на угад ,у меня такая же беда не могу завести что делать ума не приложу ,может у меня тоже форса сломалась, с какой начинать с четвертой что ли, скинь пожал фото отчет
- soljankin
- Сообщения: 44
- Зарегистрирован: Вс янв 26, 2014 3:40 am
- Репутация: 1
- Модель: A8 2000
- Мотор: AKF 3.3tdi
- Город: Хельсинки
- Имя: Илья Солянкин
- Откуда: Калуга
Re: 3.3 не завести
Привет, чета не могу фото закинуть. Жена увезла и комп и таблетку. Можно скинуть через Ителефон на нем же находящиеся фото. Там отчета кстати и не будет. Снимай просто трубку с форсы и подбирай болт, резиночку подложи когда затягивать будешь, чтобы не погнулся наконечник трубки. И да, почти на угад, просто с той стороны постукивало както не так перед тем как сломалась. В пошлый раз кстати была пятая, получается мусор какимто образом идет больше в низ(вперед) в аккумуляторах твд. У кого какие форсы накрывались?
- soljankin
- Сообщения: 44
- Зарегистрирован: Вс янв 26, 2014 3:40 am
- Репутация: 1
- Модель: A8 2000
- Мотор: AKF 3.3tdi
- Город: Хельсинки
- Имя: Илья Солянкин
- Откуда: Калуга
Re: 3.3 не завести
Алексей, я скинул тебе фото на мыло
-
audia82001
- Сообщения: 24
- Зарегистрирован: Сб май 03, 2014 7:15 pm
- Репутация: 0
- Модель: audi a8 2001
- Мотор: AKF 3.3 tdi
- Город: Кокшетау
- Имя: Алексей
Re: 3.3 не завести
ребят посмотрите что я нашол в ТНВД думаю что эта и есть та причина по которой не могу завести,где искать насос и сколь он стоит,кто знает отпишитесь пожал.
- vadimkin
- Член Клуба
- Сообщения: 2085
- Зарегистрирован: Чт июл 05, 2012 8:34 am
- Репутация: 41
- Модель: .
- Мотор: 2 ноги
- Город: возле Мурманска
- Имя: Вадим
Re: 3.3 не завести
новый под 85000руб
искать только б.у. или ремонт.
6и7 и в результате был прогар порщня с задирами в цилиндрах, такое видел на двух моторах.soljankin писал(а):У кого какие форсы накрывались?
To victory, always!
- soljankin
- Сообщения: 44
- Зарегистрирован: Вс янв 26, 2014 3:40 am
- Репутация: 1
- Модель: A8 2000
- Мотор: AKF 3.3tdi
- Город: Хельсинки
- Имя: Илья Солянкин
- Откуда: Калуга
Re: 3.3 не завести
Ахиреть
А что посоветуете? Ремонт форсы 250-350€ в зависимости цел ли клапан. Новая с германии 250€(Найоб?) (ибэй) с доставкой, но будет только после 22числа и еще нашел с чехии 85€(Б/у с гарантией), тоже только после 20 чисел будет...
А что посоветуете? Ремонт форсы 250-350€ в зависимости цел ли клапан. Новая с германии 250€(Найоб?) (ибэй) с доставкой, но будет только после 22числа и еще нашел с чехии 85€(Б/у с гарантией), тоже только после 20 чисел будет...
- soljankin
- Сообщения: 44
- Зарегистрирован: Вс янв 26, 2014 3:40 am
- Репутация: 1
- Модель: A8 2000
- Мотор: AKF 3.3tdi
- Город: Хельсинки
- Имя: Илья Солянкин
- Откуда: Калуга
Re: 3.3 не завести
Блин, может у меня тоже прогорел?vadimkin писал(а):новый под 85000рубискать только б.у. или ремонт.
6и7 и в результате был прогар порщня с задирами в цилиндрах, такое видел на двух моторах.soljankin писал(а):У кого какие форсы накрывались?
- vadimkin
- Член Клуба
- Сообщения: 2085
- Зарегистрирован: Чт июл 05, 2012 8:34 am
- Репутация: 41
- Модель: .
- Мотор: 2 ноги
- Город: возле Мурманска
- Имя: Вадим
Re: 3.3 не завести
при заводке машины на холодную на первых 20-30 секундах троит и парит из заливной горловины неравномерно при нагреве.
To victory, always!
- soljankin
- Сообщения: 44
- Зарегистрирован: Вс янв 26, 2014 3:40 am
- Репутация: 1
- Модель: A8 2000
- Мотор: AKF 3.3tdi
- Город: Хельсинки
- Имя: Илья Солянкин
- Откуда: Калуга
Re: 3.3 не завести
При отключеной форсунке на 7 цилиндах не опробывать?
- vadimkin
- Член Клуба
- Сообщения: 2085
- Зарегистрирован: Чт июл 05, 2012 8:34 am
- Репутация: 41
- Модель: .
- Мотор: 2 ноги
- Город: возле Мурманска
- Имя: Вадим
Re: 3.3 не завести
можно. Заведи и открути масло- заливную горловину. 1 цилиндр будет???
To victory, always!
- soljankin
- Сообщения: 44
- Зарегистрирован: Вс янв 26, 2014 3:40 am
- Репутация: 1
- Модель: A8 2000
- Мотор: AKF 3.3tdi
- Город: Хельсинки
- Имя: Илья Солянкин
- Откуда: Калуга
Re: 3.3 не завести
Были вот такие данные при заглушеной 4ой форсунке :
13гр : 2,49mg/str 2,49 0,19 -1,55
14гр: 0,09 -0,99 -1,27 -1,88
22гр: 666rpm 420 420 21,3%
13гр : 2,49mg/str 2,49 0,19 -1,55
14гр: 0,09 -0,99 -1,27 -1,88
22гр: 666rpm 420 420 21,3%
- vadimkin
- Член Клуба
- Сообщения: 2085
- Зарегистрирован: Чт июл 05, 2012 8:34 am
- Репутация: 41
- Модель: .
- Мотор: 2 ноги
- Город: возле Мурманска
- Имя: Вадим
Re: 3.3 не завести
при заглушеной ничего это не покажет и выводы не сделать. Топливо ЭБУ распределяет так что-бы мотор работал идеально ровно хоть но 5 цилиндрах соответственно и разные показатели будут в 13-14 каналах.
To victory, always!
-
Shablovs
- Член Клуба
- Сообщения: 637
- Зарегистрирован: Вт дек 16, 2008 9:47 pm
- Награды: 1
- Репутация: 2
- Модель: A8
- Мотор: 3.3
- Город: MINSK
- Имя: Станислав
Re: 3.3 не завести
Форсунка за 250евро - это шило китайское
- soljankin
- Сообщения: 44
- Зарегистрирован: Вс янв 26, 2014 3:40 am
- Репутация: 1
- Модель: A8 2000
- Мотор: AKF 3.3tdi
- Город: Хельсинки
- Имя: Илья Солянкин
- Откуда: Калуга
Re: 3.3 не завести
Станислав, думаешь? Или знаешь? Которые на Али Баба продаются, такие же? Просто тут такой на3б в бош центре, что я их послал и ушел. Ну и решил заказать...
- vadimkin
- Член Клуба
- Сообщения: 2085
- Зарегистрирован: Чт июл 05, 2012 8:34 am
- Репутация: 41
- Модель: .
- Мотор: 2 ноги
- Город: возле Мурманска
- Имя: Вадим
Re: 3.3 не завести
VAG 057 130 276 H Форсунка в сборе 14 дн.
у нас вот такие ценики на новое 30 784,93р. =657 эвро =890 $
за 250 может они восстановленные???
у нас вот такие ценики на новое 30 784,93р. =657 эвро =890 $
за 250 может они восстановленные???
To victory, always!


