Задний спортивный дифференциал
-
- Реклама
-
ivanov
- Член Клуба
- Сообщения: 1839
- Зарегистрирован: Пн июл 14, 2008 5:29 pm
- Награды: 1
- Репутация: 25
- Модель: 4E
- Мотор: BHT
- Город: Москва
- Имя: Николай
Задний спортивный дифференциал
Vavastik, у тебя такой стоит?
объясните, плз, как он работает?
объясните, плз, как он работает?
-
Romik
- Почетный член Клуба
- Сообщения: 900
- Зарегистрирован: Пт июн 20, 2008 12:19 pm
- Награды: 1
- Репутация: 33
- Модель: Jaguar XJ 2012
- Мотор: 5.0
- Город: Москва
- Имя: Роман
- Откуда: Волгоград
Re: Задний спортивный дифференциал
Думаю, "спортивность" заключается в более "коротком" передаточном отношении главной пары. Так, например, на W12 D3 ставилимсь разные дифференциалы на стандартную и удлинённую версии. На стандарте ставилась более "короткая" главная пара, что обеспечивало лучшую динамику, а на "лонге" - более растянутая, что способствовало большей плавности при наборе скорости.
-
ivanov
- Член Клуба
- Сообщения: 1839
- Зарегистрирован: Пн июл 14, 2008 5:29 pm
- Награды: 1
- Репутация: 25
- Модель: 4E
- Мотор: BHT
- Город: Москва
- Имя: Николай
Re: Задний спортивный дифференциал
насколько я понял, он там "умный" и в повороте может перераспределять момент между наружним и внутренним колесами, чтобы помочь машине повернуть
-
kakawyn
- Почетный член Клуба
- Сообщения: 5112
- Зарегистрирован: Пн окт 06, 2008 10:06 am
- Награды: 3
- Репутация: 99
- Модель: D4
- Мотор: Тфси
- Город: М.Б.К.О
- Откуда: ссср
- Контактная информация:
Re: Задний спортивный дифференциал
Я тоже слышал,что на них ставят активный ДИФФ....
Активный дифференциал устанавливается на заднюю ось автомобиля, наделяя его невиданной устойчивостью в поворотах: там, где любой другой в ответ на прибавление газа уже давно бы “повис” в заносе, автомобиль с таким дифференциалом лишь активнее ввинчивается в вираж. Не страшно и бездорожье – если забуксовало одно колесо, то второе будет стремиться вращаться еще быстрее.
Активный дифференциал устанавливается на заднюю ось автомобиля, наделяя его невиданной устойчивостью в поворотах: там, где любой другой в ответ на прибавление газа уже давно бы “повис” в заносе, автомобиль с таким дифференциалом лишь активнее ввинчивается в вираж. Не страшно и бездорожье – если забуксовало одно колесо, то второе будет стремиться вращаться еще быстрее.
-
ivanov
- Член Клуба
- Сообщения: 1839
- Зарегистрирован: Пн июл 14, 2008 5:29 pm
- Награды: 1
- Репутация: 25
- Модель: 4E
- Мотор: BHT
- Город: Москва
- Имя: Николай
Re: Задний спортивный дифференциал
а кто-нить видел устройство (в смысле как сделано)?
это механически делается?
или там куча муфт и электронный мозг говорит - тут зажми сильнее, тут ослабь?
это механически делается?
или там куча муфт и электронный мозг говорит - тут зажми сильнее, тут ослабь?
-
ivanov
- Член Клуба
- Сообщения: 1839
- Зарегистрирован: Пн июл 14, 2008 5:29 pm
- Награды: 1
- Репутация: 25
- Модель: 4E
- Мотор: BHT
- Город: Москва
- Имя: Николай
Re: Задний спортивный дифференциал
на сайте ауди описано скупо:
Оснащенный опциональным полным приводом quattro® со спортивным дифференциалом, распределяющим момент между задними колесами, Audi A8 способен проходить любые повороты уверенно, как по рельсам.
Это достигается благодаря добавлению совмещенного двухступенчатого блока к дифференциалу quattro® для задней оси слева и справа. Ступени блока обеспечивают раздельную передачу крутящего момента на каждое из задних колес.
-
vovvw
- Почетный член Клуба

- Сообщения: 8429
- Зарегистрирован: Ср сен 26, 2007 8:42 am
- Награды: 1
- Репутация: 61
- Модель: I-Pace
- Мотор: Permanent magnet
- Город: Киров
- Имя: Владимир
Re: Задний спортивный дифференциал
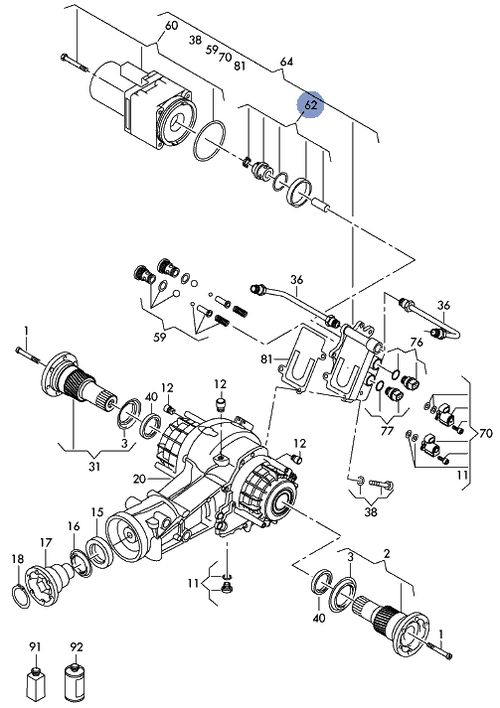
Вот оно, насос, клапана, фрикционы, посложнее блокировка, не как на жыпах...
-
ivanov
- Член Клуба
- Сообщения: 1839
- Зарегистрирован: Пн июл 14, 2008 5:29 pm
- Награды: 1
- Репутация: 25
- Модель: 4E
- Мотор: BHT
- Город: Москва
- Имя: Николай
Re: Задний спортивный дифференциал
а картинки препарированного нет?
-
vovvw
- Почетный член Клуба

- Сообщения: 8429
- Зарегистрирован: Ср сен 26, 2007 8:42 am
- Награды: 1
- Репутация: 61
- Модель: I-Pace
- Мотор: Permanent magnet
- Город: Киров
- Имя: Владимир
Re: Задний спортивный дифференциал
Уж звиняйте, их еще бэушных-поломатых нету...
А чего непонятно?
Устройство простое достаточно...
А чего непонятно?
Устройство простое достаточно...
-
Gena
- Член Клуба
- Сообщения: 1266
- Зарегистрирован: Сб ноя 14, 2009 8:02 am
- Награды: 1
- Репутация: 29
- Модель: А8 D4 2015
- Мотор: 4,2 tdi
- Город: Полтава
- Имя: Гена
Re: Задний спортивный дифференциал
Польша уже вовсю торгует б/у запчастями от Д4
Причем некоторые вещи дешевле чем на Д3. 
-
vovvw
- Почетный член Клуба

- Сообщения: 8429
- Зарегистрирован: Ср сен 26, 2007 8:42 am
- Награды: 1
- Репутация: 61
- Модель: I-Pace
- Мотор: Permanent magnet
- Город: Киров
- Имя: Владимир
Re: Задний спортивный дифференциал
Так спроса на них нет пока, вот рынок и подстраивается 
-
ivanov
- Член Клуба
- Сообщения: 1839
- Зарегистрирован: Пн июл 14, 2008 5:29 pm
- Награды: 1
- Репутация: 25
- Модель: 4E
- Мотор: BHT
- Город: Москва
- Имя: Николай
Re: Задний спортивный дифференциал
может закупить заранее тогда полмашины? 
-
pavel008
- Сообщения: 112
- Зарегистрирован: Вт окт 19, 2010 4:22 am
- Репутация: 5
- Модель: A8L 2004
- Мотор: BFM
- Город: красноярск
- Имя: павел
Re: Задний спортивный дифференциал
Не знаю как на ауди, а на м3 стоит дифф повышенного трения. Как мне объяснили, разница в том, что у меня 4 фрикциона, а в обычном два. И из за этого разгруженное колесо тормозит, а загружённому добавляется момент.
-
Vavastik
- Почетный член Клуба
- Сообщения: 3665
- Зарегистрирован: Пн май 18, 2009 1:04 pm
- Награды: 1
- Репутация: 104
- Модель: A8 1999
- Мотор: AQF 4.2
- Город: Москва
- Имя: Бородач
Re: Задний спортивный дифференциал
До этого я еще не добрался,но пуляет она как ракетаivanov писал(а):Vavastik, у тебя такой стоит?
объясните, плз, как он работает?
прошу понять и простить
-
DeniS-8
- Почетный член Клуба
- Сообщения: 3453
- Зарегистрирован: Вт янв 29, 2008 11:13 am
- Награды: 1
- Репутация: 44
- Модель: A-8 2010
- Мотор: 4.2 Td чипованый
- Город: Москва - Рига
- Имя: Денис
Re: Задний спортивный дифференциал
да похоже из за дифиренциала или из за остальных систем стабилдизаций,но д4 повороты вкручивает гораздо круче и интереснее чем д3.Мне кажется это из за дифиринциала.
-
Dmitry
- Почетный член Клуба
- Сообщения: 4137
- Зарегистрирован: Сб дек 01, 2007 8:15 pm
- Награды: 1
- Репутация: 104
- Модель: Tesla Model S, RR 2011
- Мотор: 4.4 D
- Город: Рыбинск
- Имя: Дмитрий
- Откуда: СССР
Re: Задний спортивный дифференциал
Это из-за 40х60 вместо 50х50 
-
dasus
- Почетный член Клуба
- Сообщения: 1151
- Зарегистрирован: Пт янв 25, 2008 2:42 pm
- Награды: 1
- Репутация: 41
- Модель: A8 2012
- Мотор: 3.0 TDI
- Город: Харьков
- Откуда: Харьков
Re: Задний спортивный дифференциал
Дим почитав теорию. кроме того что в новой 60х40. Очень сильно на поведение влияет задний диф. Изучил матчасть, не пустословлю)
torsen only quattro
-
Lakron
- Член Клуба
- Сообщения: 1186
- Зарегистрирован: Вс апр 11, 2010 6:26 am
- Награды: 1
- Репутация: 25
- Модель: ----
- Мотор: ----
- Город: Омск
- Имя: Владимир
Re: Задний спортивный дифференциал
По вину стоит такой дифф.Бенз 4.2
Спрашиваю у оффов в чем отличие?Ответ-все одинаковые.Отличие в прошивке!
Как то мало верится в такой ответ.Есть у кого более тонкие познания?
Спрашиваю у оффов в чем отличие?Ответ-все одинаковые.Отличие в прошивке!
Как то мало верится в такой ответ.Есть у кого более тонкие познания?
-
Lakron
- Член Клуба
- Сообщения: 1186
- Зарегистрирован: Вс апр 11, 2010 6:26 am
- Награды: 1
- Репутация: 25
- Модель: ----
- Мотор: ----
- Город: Омск
- Имя: Владимир
Re: Задний спортивный дифференциал
Т.е если правильно понял там совершенно другой дифф? А как определить что именно такой?
пункт из заказной спецификации договора купли продажи - дополнительно для 4.2TDIПостоянный полный привод quattro с ассиметричным динамическим распределением крутящего момента и спортивным задним дифференциалом.
TDI думаю опечатка, маш бензин 4.2
пункт из заказной спецификации договора купли продажи - дополнительно для 4.2TDIПостоянный полный привод quattro с ассиметричным динамическим распределением крутящего момента и спортивным задним дифференциалом.
TDI думаю опечатка, маш бензин 4.2
-
kakawyn
- Почетный член Клуба
- Сообщения: 5112
- Зарегистрирован: Пн окт 06, 2008 10:06 am
- Награды: 3
- Репутация: 99
- Модель: D4
- Мотор: Тфси
- Город: М.Б.К.О
- Откуда: ссср
- Контактная информация:
Re: Задний спортивный дифференциал
Есть спорт диф есть обычный.
У спорт дифа дополнительный блок управления+ нужно менять центральный датчик есп.
у спорт дифа так называемая изменяемый вектор тяги...Штука классная
У спорт дифа дополнительный блок управления+ нужно менять центральный датчик есп.
у спорт дифа так называемая изменяемый вектор тяги...Штука классная
-
Lakron
- Член Клуба
- Сообщения: 1186
- Зарегистрирован: Вс апр 11, 2010 6:26 am
- Награды: 1
- Репутация: 25
- Модель: ----
- Мотор: ----
- Город: Омск
- Имя: Владимир
Re: Задний спортивный дифференциал
Зимой особо не погоняешь,но большого отличия в езде не заметил.
Да и отсутствие функции lift на Д4 считаю недостатком для Русской зимы.
Да и отсутствие функции lift на Д4 считаю недостатком для Русской зимы.
-
Lakron
- Член Клуба
- Сообщения: 1186
- Зарегистрирован: Вс апр 11, 2010 6:26 am
- Награды: 1
- Репутация: 25
- Модель: ----
- Мотор: ----
- Город: Омск
- Имя: Владимир
Re: Задний спортивный дифференциал
Поднимание конечно есть,а вот высота этого поднимания как то не особо устраивает.Вроде на Д3 выше машина стоит.




