Ошибки по Webasto насос V55
-
- Реклама
- Favorit
- Сообщения: 32
- Зарегистрирован: Пт июл 27, 2012 2:23 pm
- Репутация: 0
- Модель: AUDI A8 2003 QUATTRO
- Мотор: BFM 4.2
- Город: Хабаровск
- Имя: Максим
Ошибки по Webasto насос V55
Здравствуйте соклубники, проблема в вебасто, даже не знаю с чего и начать, вебаста пред пусковая, не догревочная!
Вот ошибки :
5 Найдены неисправности:
02084 - Защита компонентов
005 - отсутствует или неверные настройки / адаптация
02095 - Включена защита компонентов
000 - -
01336 - Шина данных-комфорт (для всего концерна)
004 - нет сигнала/связи
02245 - Соединение дистанционного радиоуправления
004 - нет сигнала/связи
01415 - Циркуляционный насос-V55
010 - обрыв или короткое замыкание на плюс - Непостоянно
По первым двум все понятно, она встала в защиту из-за последующих ошибок...Расскажу с чего все началось:
Купил я автомобиль, но вебаста с него была скручена! Из старых компонентов остались только топлевный насос и блок управления пультом T70.
Купил через наш форум у Акина саму вебасту и всю обмотку к ней(насос V55, воздушный насос, клапан электромагнитный, выхлоп и тд.) в общем все то, что на креплении находится вместе с ней...За это я очень благодарен Акину, спасибо большое что выручил и помог ее приобрести! Получив посылку , договорился в сервисе об установке(многие отказывались, мотивируя тем, что не знают машину и не понимают как там установлена штатная вебаста), приехав в сервис начали установку, в процессе установки выяснилось следующее:
Сняв бампер и фару нашли место под вебасту, все водные трубки подключили по Элзе как положено вебаста встала как положенно. Далее подключаем фишки, идущее от правой жилы проводов к ней. Я увидел что из центральной правой жили к ней выходит 4 фишки(жаль не сделал фото):
1-я которая подает питание на вебасту с ней все ок( вроде в ней два провода один красный и черный что ли, провода толстые).
2-я которая видимо опрашивается климатроником и подает сигналы на вебасту, в ней было больше всего проводов наверно 4 или 5 (провода среднего размера) и в этой фишке было оторвано два провода, по цвету проводов мы спаяли их как положено и подключили фишку.
3-я которая подключается к эл. клапану, с ней все ок.
4-я которая состоит из ДВУХ тонких проводов( вроде коричневый и черный), на ней не было фишки, видимо те кто снимали вебасту просто ее оторвали или перерезали провода, в общем эта пара проводов была изолирована и просто болталась. (Что это за пара?Куда она вешается???нам было непонятно...)
Посмотрев по частям визуально не подключен был только насос V55 и от него как раз выходило два тонких провода с фишкой...мы отрезали фишку с насоса и смотали эти два провода с проводами выходящими из основной жилы проводов которые тоже были обрезаны...
После я запустил вагком и начал опрашивать блок управления вебасты!(ранее он был недоступен)
Блок открылся, вебаста определилась, я начал тест компонентов вебасты:
1.Вентилятор ок(зашумел).
2.Свеча накаливания(ваг ничего не показал) может потому что вебаста заблокирована, топливо не подается, свеча не включается или включается, но ее то не слышно, короче не понятно что с ней....
3.Воздушный насос (зашумел) ок.
4.Топлевный насос (зашумел под днищем справа) ок.
5.Эл. клапан тоже работает (защелкал).
6.Насос ОЖ V55 ...фигушки...так же как и со свечкой но по свечке то ошибки нет...
После я зашел посмотреть ошибки...ошибки выкладывал выше....
ВСЕ! Не знаю что теперь делать, по насосу замыкание показывает, запитали насос от аккумы (напрямую)...ЗАРАБОТАЛ!Жужжит ОЖ погнал по системе, в бачке заметно поубавилось..я долил...Получается что насос исправен...Видимо что то в проводке, может быть мы не правильно подключили фишки и почему нет связи с блоком T70? я вскрыл заднюю левую стойку, он там есть, провода к нему подключены! Может эти тонкие два провода должны подключаться в саму вебасту а насос еще куда то? У меня просто нет схемы подключения проводки к вебасте...не знаю как должно быть...в городе таких машин 3 -4 штуки вместе со мной(посмотреть не у кого, да и никто не согласиться я думаю)..мастеров нет...может кто подскажет как должна подключаться проводка к вебасте и насосу? Прокатился к электрикам, говорят глючит блок управления вебастой наверно...и разводят руками....
С уважением , Максим...
Вот ошибки :
5 Найдены неисправности:
02084 - Защита компонентов
005 - отсутствует или неверные настройки / адаптация
02095 - Включена защита компонентов
000 - -
01336 - Шина данных-комфорт (для всего концерна)
004 - нет сигнала/связи
02245 - Соединение дистанционного радиоуправления
004 - нет сигнала/связи
01415 - Циркуляционный насос-V55
010 - обрыв или короткое замыкание на плюс - Непостоянно
По первым двум все понятно, она встала в защиту из-за последующих ошибок...Расскажу с чего все началось:
Купил я автомобиль, но вебаста с него была скручена! Из старых компонентов остались только топлевный насос и блок управления пультом T70.
Купил через наш форум у Акина саму вебасту и всю обмотку к ней(насос V55, воздушный насос, клапан электромагнитный, выхлоп и тд.) в общем все то, что на креплении находится вместе с ней...За это я очень благодарен Акину, спасибо большое что выручил и помог ее приобрести! Получив посылку , договорился в сервисе об установке(многие отказывались, мотивируя тем, что не знают машину и не понимают как там установлена штатная вебаста), приехав в сервис начали установку, в процессе установки выяснилось следующее:
Сняв бампер и фару нашли место под вебасту, все водные трубки подключили по Элзе как положено вебаста встала как положенно. Далее подключаем фишки, идущее от правой жилы проводов к ней. Я увидел что из центральной правой жили к ней выходит 4 фишки(жаль не сделал фото):
1-я которая подает питание на вебасту с ней все ок( вроде в ней два провода один красный и черный что ли, провода толстые).
2-я которая видимо опрашивается климатроником и подает сигналы на вебасту, в ней было больше всего проводов наверно 4 или 5 (провода среднего размера) и в этой фишке было оторвано два провода, по цвету проводов мы спаяли их как положено и подключили фишку.
3-я которая подключается к эл. клапану, с ней все ок.
4-я которая состоит из ДВУХ тонких проводов( вроде коричневый и черный), на ней не было фишки, видимо те кто снимали вебасту просто ее оторвали или перерезали провода, в общем эта пара проводов была изолирована и просто болталась. (Что это за пара?Куда она вешается???нам было непонятно...)
Посмотрев по частям визуально не подключен был только насос V55 и от него как раз выходило два тонких провода с фишкой...мы отрезали фишку с насоса и смотали эти два провода с проводами выходящими из основной жилы проводов которые тоже были обрезаны...
После я запустил вагком и начал опрашивать блок управления вебасты!(ранее он был недоступен)
Блок открылся, вебаста определилась, я начал тест компонентов вебасты:
1.Вентилятор ок(зашумел).
2.Свеча накаливания(ваг ничего не показал) может потому что вебаста заблокирована, топливо не подается, свеча не включается или включается, но ее то не слышно, короче не понятно что с ней....
3.Воздушный насос (зашумел) ок.
4.Топлевный насос (зашумел под днищем справа) ок.
5.Эл. клапан тоже работает (защелкал).
6.Насос ОЖ V55 ...фигушки...так же как и со свечкой но по свечке то ошибки нет...
После я зашел посмотреть ошибки...ошибки выкладывал выше....
ВСЕ! Не знаю что теперь делать, по насосу замыкание показывает, запитали насос от аккумы (напрямую)...ЗАРАБОТАЛ!Жужжит ОЖ погнал по системе, в бачке заметно поубавилось..я долил...Получается что насос исправен...Видимо что то в проводке, может быть мы не правильно подключили фишки и почему нет связи с блоком T70? я вскрыл заднюю левую стойку, он там есть, провода к нему подключены! Может эти тонкие два провода должны подключаться в саму вебасту а насос еще куда то? У меня просто нет схемы подключения проводки к вебасте...не знаю как должно быть...в городе таких машин 3 -4 штуки вместе со мной(посмотреть не у кого, да и никто не согласиться я думаю)..мастеров нет...может кто подскажет как должна подключаться проводка к вебасте и насосу? Прокатился к электрикам, говорят глючит блок управления вебастой наверно...и разводят руками....
С уважением , Максим...
-
dimutik
- Член Клуба
- Сообщения: 2277
- Зарегистрирован: Вт июн 15, 2010 8:26 pm
- Награды: 1
- Репутация: 77
- Модель: A8D3 BARABAN
- Мотор: BFM
- Город: Переславль-Залесский
- Имя: Дмитрий
Re: Ошибки по Webasto насос V55
так этот насос внутри самой вебасты находится, надо разобрать, посмотреть)), контакт А1 идёт на пред SD8
- Favorit
- Сообщения: 32
- Зарегистрирован: Пт июл 27, 2012 2:23 pm
- Репутация: 0
- Модель: AUDI A8 2003 QUATTRO
- Мотор: BFM 4.2
- Город: Хабаровск
- Имя: Максим
Re: Ошибки по Webasto насос V55
Дмитрий, ты что-то путаешь, или я не ясно выразился и запутал =))...
Этот насос находится у меня под ложероном на который крепится вебаста, и находится прямо под ней, от него идет один потрубок на клапан, второй на саму вебасту под номером 8 ...
Этот насос находится у меня под ложероном на который крепится вебаста, и находится прямо под ней, от него идет один потрубок на клапан, второй на саму вебасту под номером 8 ...
-
dimutik
- Член Клуба
- Сообщения: 2277
- Зарегистрирован: Вт июн 15, 2010 8:26 pm
- Награды: 1
- Репутация: 77
- Модель: A8D3 BARABAN
- Мотор: BFM
- Город: Переславль-Залесский
- Имя: Дмитрий
Re: Ошибки по Webasto насос V55
есть ещё насос V50, доп насос ож, а V55 - внутри вебасты и никак не пойму, что за защита компонентов? это по вебасто ошибки?
- Favorit
- Сообщения: 32
- Зарегистрирован: Пт июл 27, 2012 2:23 pm
- Репутация: 0
- Модель: AUDI A8 2003 QUATTRO
- Мотор: BFM 4.2
- Город: Хабаровск
- Имя: Максим
Re: Ошибки по Webasto насос V55
Да это она, вот полный лог с именем блока :
Адрес 18: Дополнительный / автономный отопитель Label: 4E0-910-105.clb
Part No SW: 4E0 910 105 A HW: 4E0 265 105 F
Компонент: Heizgeraet H07 0110
Ревизия: 0000000C Серийный номер: 00000009006406
Кодировка: 0000111
Мастерская #: WSC 00000 000 00000
VCID: 1A302E71D584989
5 Найдены неисправности:
02084 - Защита компонентов
005 - отсутствует или неверные настройки / адаптация
02095 - Включена защита компонентов
000 - -
01336 - Шина данных-комфорт (для всего концерна)
004 - нет сигнала/связи
02245 - Соединение дистанционного радиоуправления
004 - нет сигнала/связи
01415 - Циркуляционный насос-V55
010 - обрыв или короткое замыкание на плюс - Непостоянно
я же говорю..может я не правильно подключил что то...там провода были порезаны..куда провода от насоса V55 должны подключаться в саму вебасту? или отдельная фишка на них должна быть?
Адрес 18: Дополнительный / автономный отопитель Label: 4E0-910-105.clb
Part No SW: 4E0 910 105 A HW: 4E0 265 105 F
Компонент: Heizgeraet H07 0110
Ревизия: 0000000C Серийный номер: 00000009006406
Кодировка: 0000111
Мастерская #: WSC 00000 000 00000
VCID: 1A302E71D584989
5 Найдены неисправности:
02084 - Защита компонентов
005 - отсутствует или неверные настройки / адаптация
02095 - Включена защита компонентов
000 - -
01336 - Шина данных-комфорт (для всего концерна)
004 - нет сигнала/связи
02245 - Соединение дистанционного радиоуправления
004 - нет сигнала/связи
01415 - Циркуляционный насос-V55
010 - обрыв или короткое замыкание на плюс - Непостоянно
я же говорю..может я не правильно подключил что то...там провода были порезаны..куда провода от насоса V55 должны подключаться в саму вебасту? или отдельная фишка на них должна быть?
-
dimutik
- Член Клуба
- Сообщения: 2277
- Зарегистрирован: Вт июн 15, 2010 8:26 pm
- Награды: 1
- Репутация: 77
- Модель: A8D3 BARABAN
- Мотор: BFM
- Город: Переславль-Залесский
- Имя: Дмитрий
Re: Ошибки по Webasto насос V55
я же выложил схему, проверяй))
-
Alex_999
- Член Клуба
- Сообщения: 3192
- Зарегистрирован: Ср дек 09, 2009 5:56 pm
- Награды: 1
- Репутация: 85
- Модель: А6 2004;
- Мотор: BDH 2.5TDi;
- Город: 32 RUS
- Имя: Алексей
- Откуда: Брянск 32 RUS
- Контактная информация:
Re: Ошибки по Webasto насос V55
Внутри вебасты никакого насоса нет,, он крепится или к корпусу или где то рядом..dimutik писал(а): V55 - внутри вебасты
dimutik писал(а):что за защита компонентов?
Не стоит ездить быстрее,, чем летает твой ангел хранитель..
- Favorit
- Сообщения: 32
- Зарегистрирован: Пт июл 27, 2012 2:23 pm
- Репутация: 0
- Модель: AUDI A8 2003 QUATTRO
- Мотор: BFM 4.2
- Город: Хабаровск
- Имя: Максим
Re: Ошибки по Webasto насос V55
Алексей...огромнейшее спасибо!!!Теперь все встало на свои места, короче нужно насос было прям в вебасту подключать...на следующих выходных поеду к этому "мастеру" который ставил...будем подключать насос к вебасте, жаль что он фишку срезал...я думаю теперь придется провода от насоса напрямую к разъему в вебасте припаевать....
-
dimutik
- Член Клуба
- Сообщения: 2277
- Зарегистрирован: Вт июн 15, 2010 8:26 pm
- Награды: 1
- Репутация: 77
- Модель: A8D3 BARABAN
- Мотор: BFM
- Город: Переславль-Залесский
- Имя: Дмитрий
Re: Ошибки по Webasto насос V55
дык а он куда подключил то?
- Favorit
- Сообщения: 32
- Зарегистрирован: Пт июл 27, 2012 2:23 pm
- Репутация: 0
- Модель: AUDI A8 2003 QUATTRO
- Мотор: BFM 4.2
- Город: Хабаровск
- Имя: Максим
Re: Ошибки по Webasto насос V55
Ну так я же выше написал...Дмитрий, читайте внимательнейdimutik писал(а):дык а он куда подключил то?
- Favorit
- Сообщения: 32
- Зарегистрирован: Пт июл 27, 2012 2:23 pm
- Репутация: 0
- Модель: AUDI A8 2003 QUATTRO
- Мотор: BFM 4.2
- Город: Хабаровск
- Имя: Максим
Re: Ошибки по Webasto насос V55
Насос подключили...провел тест компонентов...он заработал, ошибка пропала!
Но остались прежние :
02084 - Защита компонентов
005 - отсутствует или неверные настройки / адаптация
02095 - Включена защита компонентов
000 - -
01336 - Шина данных-комфорт (для всего концерна)
004 - нет сигнала/связи
02245 - Соединение дистанционного радиоуправления
004 - нет сигнала/связи
Пробовал дергать пред, как писал выше Алексей...не помогло, ошибки остаются!Защиту компонентов не удается снять...может у кого есть еще какая информация как убрать?Может нужно правильно адаптировать ее(провести правильное кодирование и тд)...У меня в ваге лабел файлы на немецком блин
..были бы по английски можно было бы перевести, а так как слепой, ничего не могу разобрать 
Но остались прежние :
02084 - Защита компонентов
005 - отсутствует или неверные настройки / адаптация
02095 - Включена защита компонентов
000 - -
01336 - Шина данных-комфорт (для всего концерна)
004 - нет сигнала/связи
02245 - Соединение дистанционного радиоуправления
004 - нет сигнала/связи
Пробовал дергать пред, как писал выше Алексей...не помогло, ошибки остаются!Защиту компонентов не удается снять...может у кого есть еще какая информация как убрать?Может нужно правильно адаптировать ее(провести правильное кодирование и тд)...У меня в ваге лабел файлы на немецком блин
-
dimutik
- Член Клуба
- Сообщения: 2277
- Зарегистрирован: Вт июн 15, 2010 8:26 pm
- Награды: 1
- Репутация: 77
- Модель: A8D3 BARABAN
- Мотор: BFM
- Город: Переславль-Залесский
- Имя: Дмитрий
Re: Ошибки по Webasto насос V55
сам блок радиомодуля установлен?Favorit писал(а):02245 - Соединение дистанционного радиоуправления 004 - нет сигнала/связи
прозванивай эти два провода до кан коммуникатораFavorit писал(а):01336 - Шина данных-комфорт (для всего концерна) 004 - нет сигнала/связи
- Favorit
- Сообщения: 32
- Зарегистрирован: Пт июл 27, 2012 2:23 pm
- Репутация: 0
- Модель: AUDI A8 2003 QUATTRO
- Мотор: BFM 4.2
- Город: Хабаровск
- Имя: Максим
Re: Ошибки по Webasto насос V55
Разобрал левую заднюю часть возле сиденья, в общем там стоит блок T70 старенький, провода к нему подключены...все вроде бы ок...dimutik писал(а):сам блок радиомодуля установлен?
Вот тут пожалуйста по подробней, очень буду благодарен если поможешь Дмитрий...что за два провода и где находится сам кан - коммуникатор?dimutik писал(а):прозванивай эти два провода до кан коммуникатора
Я просто не знаю где он находится, уже бы прозвонил!
Я думаю что проблема как раз в этом....потому что я захожу в 18 блок в 07 канале 0 меняю на 1 , а он не принимает код....обратно возвращает 0...И вебаста не выходит из блокировки, видимо потому что нет связи с кан коммуникатором...
-
dimutik
- Член Клуба
- Сообщения: 2277
- Зарегистрирован: Вт июн 15, 2010 8:26 pm
- Награды: 1
- Репутация: 77
- Модель: A8D3 BARABAN
- Мотор: BFM
- Город: Переславль-Залесский
- Имя: Дмитрий
Re: Ошибки по Webasto насос V55
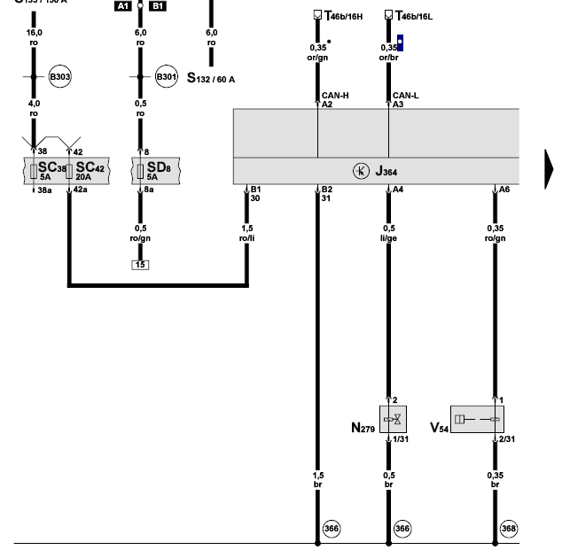
этот коммуникатор с правой стороны, где все предохранители сбоку торпедо самый длинный розовый разъём, все верхние контакы - CAN H, все нижние -CAN L, находишь оба 16 пина и звонишь их на 6-пин разъёме вебасто, согласно вышеприведенной схемы
- Favorit
- Сообщения: 32
- Зарегистрирован: Пт июл 27, 2012 2:23 pm
- Репутация: 0
- Модель: AUDI A8 2003 QUATTRO
- Мотор: BFM 4.2
- Город: Хабаровск
- Имя: Максим
Re: Ошибки по Webasto насос V55
Ааа... понял!Выше предов он находится...с розовой крышкой....а я думаю что это такоеdimutik писал(а):этот коммуникатор с правой стороны, где все предохранители сбоку торпедо самый длинный розовый разъём, все верхние контакы - CAN H, все нижние -CAN L, находишь оба 16 пина и звонишь их на 6-пин разъёме вебасто, согласно вышеприведенной схемы
Спасибо большое Дмитрий! Пойду прозванивать...
- Favorit
- Сообщения: 32
- Зарегистрирован: Пт июл 27, 2012 2:23 pm
- Репутация: 0
- Модель: AUDI A8 2003 QUATTRO
- Мотор: BFM 4.2
- Город: Хабаровск
- Имя: Максим
Re: Ошибки по Webasto насос V55
Сегодня прозвонил все провода на вебасте от фишки до фишки...
Сигнал на CAN-L и CAN-H на коммутаторе есть...16 pin
Сигнал до T70 тоже есть..
Преды все проверил...
А вебаста как не разрешала менять 0 на 1 в 07 канале...так и не разрешает..Ничего не понимаю...может это блок управления вебасты так тупит?И почему он встал в блокировку?
Делаю тест всех компонентов..все работает....только Т70 не видит....
Сигнал на CAN-L и CAN-H на коммутаторе есть...16 pin
Сигнал до T70 тоже есть..
Преды все проверил...
А вебаста как не разрешала менять 0 на 1 в 07 канале...так и не разрешает..Ничего не понимаю...может это блок управления вебасты так тупит?И почему он встал в блокировку?
Делаю тест всех компонентов..все работает....только Т70 не видит....
- Favorit
- Сообщения: 32
- Зарегистрирован: Пт июл 27, 2012 2:23 pm
- Репутация: 0
- Модель: AUDI A8 2003 QUATTRO
- Мотор: BFM 4.2
- Город: Хабаровск
- Имя: Максим
Re: Ошибки по Webasto насос V55
Пытался снять ошибку 02095 - Включена защита компонентов, с помощью преда...Получилось!снял по той схеме что давал Алексей...
Остались 3 ошибки :
02084 - Защита компонентов
005 - отсутствует или неверные настройки / адаптация
01336 - Шина данных-комфорт (для всего концерна)
004 - нет сигнала/связи
02245 - Соединение дистанционного радиоуправления
004 - нет сигнала/связи
Не могу вагом убрать 02084 - в 07 канале не дает поставить 1 ...пишет 0 и все....
Остались 3 ошибки :
02084 - Защита компонентов
005 - отсутствует или неверные настройки / адаптация
01336 - Шина данных-комфорт (для всего концерна)
004 - нет сигнала/связи
02245 - Соединение дистанционного радиоуправления
004 - нет сигнала/связи
Не могу вагом убрать 02084 - в 07 канале не дает поставить 1 ...пишет 0 и все....
-
Alex_999
- Член Клуба
- Сообщения: 3192
- Зарегистрирован: Ср дек 09, 2009 5:56 pm
- Награды: 1
- Репутация: 85
- Модель: А6 2004;
- Мотор: BDH 2.5TDi;
- Город: 32 RUS
- Имя: Алексей
- Откуда: Брянск 32 RUS
- Контактная информация:
Re: Ошибки по Webasto насос V55
Попробуй подать принудительно плюс на контакт "1" шестипинового разъёма "х1",, только провод перережь, что б плюс шёл только на вебасту, а не на машину.. Топлива в баке половина и больше, заведи холодную машину, подай плюс на контакт который я тебе сказал, попробуй удалить коды неисправностей по отопителю и пробуй сделать адаптацию в 7 канале, как и делал, затем снова пробуй удалить ошибки и сделать адаптацию.. Просто часто с первого раза не принимает, раза с третьего/четвёртого прокатывает,, может из-за шнурков кривых да же не знаю

Не стоит ездить быстрее,, чем летает твой ангел хранитель..
- Favorit
- Сообщения: 32
- Зарегистрирован: Пт июл 27, 2012 2:23 pm
- Репутация: 0
- Модель: AUDI A8 2003 QUATTRO
- Мотор: BFM 4.2
- Город: Хабаровск
- Имя: Максим
Re: Ошибки по Webasto насос V55
Хорошо Алексей...спасибо большое за совет...на этих выходных буду пробовать!Alex_999 писал(а):Попробуй подать принудительно плюс на контакт "1" шестипинового разъёма "х1",, только провод перережь, что б плюс шёл только на вебасту, а не на машину.. Топлива в баке половина и больше, заведи холодную машину, подай плюс на контакт который я тебе сказал, попробуй удалить коды неисправностей по отопителю и пробуй сделать адаптацию в 7 канале, как и делал, затем снова пробуй удалить ошибки и сделать адаптацию.. Просто часто с первого раза не принимает, раза с третьего/четвёртого прокатывает,, может из-за шнурков кривых да же не знаю![]()
![]()
О результатах отпишусь...
- anatolii
- Сообщения: 69
- Зарегистрирован: Вт апр 12, 2011 5:56 am
- Репутация: 0
- Модель: A8 2012
- Мотор: CDSB 4.2
- Город: Одесса
- Имя: Анатолий
Re: Ошибки по Webasto насос V55
Если еще актуально,то попробуй это. Вычитал в ELSA. Пробовал - мне помогло. Проследить за правильным порядком снятия разъемов -B- и -A-, если вначале снимать разъем -A-, то возможно может записаться ошибка в блоке управления дополнительного отопителя -J364-, которая стирается только после снятия и последующей установки разъема в нужном порядке
Подсоединить сначала разъем -В- и затем разъем -А- к блоку управления дополнительного отопителя -J364-.
Чтобы разблокировать разъем, необходимо отжать его к узлу и при нажатом штекере освободить фиксатор (например, потянуть за язычок).
Разъем -C- (к запорному клапану охлаждающей жидкости отопителя -N279-) имеется только на а/м с автономным/дополнительным отопителем.
Подсоединить сначала разъем -В- и затем разъем -А- к блоку управления дополнительного отопителя -J364-.
Чтобы разблокировать разъем, необходимо отжать его к узлу и при нажатом штекере освободить фиксатор (например, потянуть за язычок).
Разъем -C- (к запорному клапану охлаждающей жидкости отопителя -N279-) имеется только на а/м с автономным/дополнительным отопителем.
- Favorit
- Сообщения: 32
- Зарегистрирован: Пт июл 27, 2012 2:23 pm
- Репутация: 0
- Модель: AUDI A8 2003 QUATTRO
- Мотор: BFM 4.2
- Город: Хабаровск
- Имя: Максим
Re: Ошибки по Webasto насос V55
Попробовал я сделать то что рекомендовал Алексей...Один фиг, не работает!подаю принудительно плюс...ошибки как висели..так и висят..не стираются...в 07 поставить 1 не дает....Раз 25 пробовал...не помогает.anatolii писал(а):Если еще актуально,то попробуй это. Вычитал в ELSA. Пробовал - мне помогло. Проследить за правильным порядком снятия разъемов -B- и -A-, если вначале снимать разъем -A-, то возможно может записаться ошибка в блоке управления дополнительного отопителя -J364-, которая стирается только после снятия и последующей установки разъема в нужном порядке
Подсоединить сначала разъем -В- и затем разъем -А- к блоку управления дополнительного отопителя -J364-.
Чтобы разблокировать разъем, необходимо отжать его к узлу и при нажатом штекере освободить фиксатор (например, потянуть за язычок).
Разъем -C- (к запорному клапану охлаждающей жидкости отопителя -N279-) имеется только на а/м с автономным/дополнительным отопителем.
Можно конечно попробовать поиграться с разъемами...Анатолий, напишите пожалуйста по подробней что за проблему Вы исправили переключением фишек?Что за ошибка прописывается в вебасту если не правильно подключить фишки?Можно ли ее сбросить просто тупо отключением на пример преда или скинуть клеммы на час?
Я уже думаю может мне поехать к диагностам по вебасте? У них прога Webasto Termo test кажется...специальные переходник, который для диагностики подключается прямо в 6 пиновый разъем.....но смогут ли они сказать что-то новое, что я не вижу через VAG ?Смогут ли они ее вообще принудительно запустить через эту прогу...полистал мануалчик..там есть список поддерживаемых авто..в этом списке есть наша Audi A8 D3...Просто будет ли результат в этом?У нас чертовы самоделкины за все про все запросят тыш 6 000 ...мне вот просто жалко взять так выкинуть эти деньги..а толку не будет.....И почему то у меня такое предчувствие, что не в вебасте дело...ну все элементы ее работают..нет по ним ошибок, ни по свечке ни по дозирующему насосу и тд....Либо у нее просто мозги свихнулись....и мне такую глюченую продали....
Меня все же очень смущают эти две ошибки :
01336 - Шина данных-комфорт (для всего концерна)
004 - нет сигнала/связи
02245 - Соединение дистанционного радиоуправления
004 - нет сигнала/связи
01336 - Я прозвонил два CAN провода до Can-коммутатора сигнал есть...захожу в блок J533, измеряемые величины, вот что в нем :
Блок измеряемых величин 134:
Дополнительный/автономный отопитель (нет индикации/0/1/однопроводн./Sl.Ind.)
Потолочная электроника (нет индикации/0/1/однопроводн./Sl.Ind.)
Блок управления бортовой сети II (нет индикации/0/1/однопроводн./Sl.Ind.)
Функция работы с прицепом (нет индикации/0/1/однопроводн./Sl.Ind.)
вот расшифровка:
0 нет сигнала/связи или блок управления в спящем режиме, если зажигание выключено
1 сигнал/связь (у блоков управления шины данных Привод данное состояние отображается, также если у кабелей CAN-High и CAN-Low замыкание одного с другим)
Sl.Ind. Блок управления в спящем режиме однопроводн. Однопроводной режим (возможно только при блоках управления шины данных Komfort)
2-проводн. двухпроводн. режим
У меня стоит 1!!!Блок вебасту видит!Так какого черта он выдает ошибку что нет связи с шиной комфорт?
02245 - Это вообще какие то чудеса...блок в задней стайке присутствует..питание на него есть...провод до вебасты прозванивается..опять же..почему ошибка?Да и вообще вебаста будет работать если нет связи с этим блоком?Ну и хер на него, брелка всеравно нет....Видать у вебасты мозги наеб... или у меня от нее скоро наеб....ся!
Далее блок J364 (сама вебаста) измеряемые велечины:
Блок измеряемых величин 005 :
Поле индикации 1
Сигнал с датчика пламени (установлен в свече накаливания -Q8)
J Значение индикации: Распознано
- Значение электрического сопротивления в свече накаливания соответствует значению в режиме горения.
- Если отображается значение "Распознано" и из выпускной трубы автономного/дополнительного выходят холодные отработанные газы, то это свидетельствует о неисправности в блоке управления -J364 автономного/дополнительного отопителя.
J Значение индикации: Не распознано
- Автономный/дополнительный отопитель выключен.
- Значение электрического сопротивления в свече накаливания находится за переделами диапазона, в котором блок управления
-J364 распознает воспламенение
У меня стоит Не распознано видимо потому что вебаста не включина! Или что-то со свечкой?Но когда делаю тест исполнительных элементов....она где то на 70% нагружается...может это все же свеча?И по этому не дает в 07 поставить 1..ведь это канал отвечающий за горение и тд...НО ОШИБКИ ТО НЕТ!Значит не свеча?
Поле индикации 2
Запрос на включение дополнительного отопителя
- Предусмотрено только на автомобилях с дизельными двигателями
J Значение индикации: 11111111
- Блок управления -J364 включает автономный/дополнительный отопитель в режиме дополнительного отопления
J Значение индикации: XXXXXXXX
- Если на одной из позиций стоит 0, то блок управления -J364 не включает автономный/дополнительный отопитель режиме дополнительного отопления.
Условия отключения дополнительного отопителя
- Бит 0: Дополнительный отопитель не функционирует, поступает сигнал удара
- Бит 1: Дополнительный отопитель не функционирует, запрос на включение от передней панели управления и индикации -J255 отсутствует (режим Econ)
- Бит 2: Дополнительный отопитель не функционирует, двигатель не работает
- Бит 3: Дополнительный отопитель не функционирует, автономный/дополнительный отопитель установлен на автомобиле с бензиновым двигателем.
- на автомобилях с бензиновыми двигателями функция дополнительного отопления не предусмотрена
(необходимо выполнять указания касательно адаптации в канал 06)
- Бит 4: Дополнительный отопитель не функционирует, автономный и дополнительный отопитель находится в режиме регулировочной паузы
(ввиду температуры охлаждающей жидкости в автономном/дополнительном отопителе дополнительное отопление больше не требуется)
- Бит 5: Дополнительный отопитель не функционирует, зажигание выключено (клемма 15)
- Бит 6: Дополнительный отопитель не функционирует, низкий уровень топлива в топливном баке
(активирован сигнал предупреждения о низком уровне топлива)
- Бит 7: Дополнительный отопитель не функционирует, наружная температура превышает или превышала 7°C (и по-прежнему превышает 5°C)
у меня стоит 11111101 Ваг ком в лейбл фале подсказывает что биты нужно читать справа на лево!получается что у меня бит №1
Получается что у меня отсутсвует запрос на включение от передней панели управления и индикации -J255 (режим Econ). Видимо это является причиной того, что висит ошибка по шине комфорт...ECON у меня в режиме выкл....тогда получается что глючит блок климата?От него нет сигнала на старт и вебаста по этому не запускается?
Вот такие надумки у меня пока что....Что скажете мужики?
-
dimutik
- Член Клуба
- Сообщения: 2277
- Зарегистрирован: Вт июн 15, 2010 8:26 pm
- Награды: 1
- Репутация: 77
- Модель: A8D3 BARABAN
- Мотор: BFM
- Город: Переславль-Залесский
- Имя: Дмитрий
Re: Ошибки по Webasto насос V55
выложи полный скан ошибок по машине, мож чего всплывёт связующее)
- anatolii
- Сообщения: 69
- Зарегистрирован: Вт апр 12, 2011 5:56 am
- Репутация: 0
- Модель: A8 2012
- Мотор: CDSB 4.2
- Город: Одесса
- Имя: Анатолий
Re: Ошибки по Webasto насос V55
Здравствуйте.При ремонте на машине снимали отопитель,и после он перестал запускаться.Появилась ошибка о неработающем вентиляторе наддува воздуха в камеру сгорания( механическая поломка).После была снята Вебаста и отдана в сервис.Ремонт не понадобился - на стенде при подключении в обход мозгов отопителя показало, что все ОК. Долго лопатил форумы,но ничего не находилось. Полистав ELSA вычитал в руководстве по ремонту, то что писал выше. Снял фишки в нужной последовательности, а после втыкнув в правильной последовательности. Потом сбросил ошибки.Ошибка о механической поломке вентилятора ушла.Попробуй, может будет толк. Еще нашел вот это, что встает в компонент протекшин :Встает в CP:
CD Players
CD Changers
SDS Modules
Diver Identification modules
Climate Control Units
Instrument Clusters
MMI Head Unit
MOST/Can Gateways
Audio Amplifier Modules
Memory Seat Controller
Auxiliary Heater - Это автономный отопитель и он оказывается встает в защиту.
Trailer Hitch Controller
Не встает:
TV Tuner
SAP Module
FM Radio Module
DAB Radio
Navigation Module
AMI
Parking Controller
Может кому пригодится.
Это писал -AppleRich
CD Players
CD Changers
SDS Modules
Diver Identification modules
Climate Control Units
Instrument Clusters
MMI Head Unit
MOST/Can Gateways
Audio Amplifier Modules
Memory Seat Controller
Auxiliary Heater - Это автономный отопитель и он оказывается встает в защиту.
Trailer Hitch Controller
Не встает:
TV Tuner
SAP Module
FM Radio Module
DAB Radio
Navigation Module
AMI
Parking Controller
Может кому пригодится.
Это писал -AppleRich






