Не переключаются передачи
-
- Реклама
-
Lat
- Сообщения: 23
- Зарегистрирован: Ср дек 28, 2011 11:59 am
- Репутация: 0
- Модель: A8 2000
- Мотор: AKE 2,5 TDI
- Город: Калининград
- Имя: Дмитрий
- Откуда: Калининград
Не переключаются передачи
Добрый день!
Недавно приобрел А8 2000 г.в. 2,5 TDI с АКПП. Через неделю возникла следующая проблема: Двигатель прогревается только до 60 градусов, обороты поднялись до 1100 и не падают, и расход топлива комп показывает какой-то сумасшедший от 20 до 30 литров. И ко всему этому, при начале движения, авто разгоняется до 30 км/ч и на следующую передачу не переключается, обороты поднимаются а машина не едет. Рад буду любому дельному совету. Спасибо!
Недавно приобрел А8 2000 г.в. 2,5 TDI с АКПП. Через неделю возникла следующая проблема: Двигатель прогревается только до 60 градусов, обороты поднялись до 1100 и не падают, и расход топлива комп показывает какой-то сумасшедший от 20 до 30 литров. И ко всему этому, при начале движения, авто разгоняется до 30 км/ч и на следующую передачу не переключается, обороты поднимаются а машина не едет. Рад буду любому дельному совету. Спасибо!
- Suomi
- Член Клуба
- Сообщения: 2042
- Зарегистрирован: Вт апр 20, 2010 5:11 pm
- Репутация: 50
- Модель: S8 plus (НЛО) 98
- Мотор: AKH 4.2
- Город: железногорск, курск
- Имя: Вячеслав
- Откуда: Карелия, Костомукша
Re: Не переключаются передачи
Очень похоже на ДМРВ или ЭБУ (99%) в любом случае читать ошибки
+79065761767
+79038751696
+79997450217
+79038751696
+79997450217
-
Lat
- Сообщения: 23
- Зарегистрирован: Ср дек 28, 2011 11:59 am
- Репутация: 0
- Модель: A8 2000
- Мотор: AKE 2,5 TDI
- Город: Калининград
- Имя: Дмитрий
- Откуда: Калининград
Re: Не переключаются передачи
suomi1114 спасибо за столь быстрый ответ, но если не сложно можно расшифровать ДМРВ и ЭБУ. Я не особый спец в этих вопросах. Спасибо!
- Suomi
- Член Клуба
- Сообщения: 2042
- Зарегистрирован: Вт апр 20, 2010 5:11 pm
- Репутация: 50
- Модель: S8 plus (НЛО) 98
- Мотор: AKH 4.2
- Город: железногорск, курск
- Имя: Вячеслав
- Откуда: Карелия, Костомукша
Re: Не переключаются передачи
ДМРВ- это датчик массового расхода воздуха, а ЭБУ- это электронный блок управления, но повторюсь обязательно делать диагностику и читать ошибки 
+79065761767
+79038751696
+79997450217
+79038751696
+79997450217
- Suomi
- Член Клуба
- Сообщения: 2042
- Зарегистрирован: Вт апр 20, 2010 5:11 pm
- Репутация: 50
- Модель: S8 plus (НЛО) 98
- Мотор: AKH 4.2
- Город: железногорск, курск
- Имя: Вячеслав
- Откуда: Карелия, Костомукша
Re: Не переключаются передачи
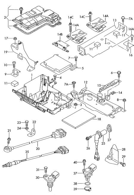
№4 - это ДМРВ, находится в корпусе воздушного фильтра
+79065761767
+79038751696
+79997450217
+79038751696
+79997450217
- Suomi
- Член Клуба
- Сообщения: 2042
- Зарегистрирован: Вт апр 20, 2010 5:11 pm
- Репутация: 50
- Модель: S8 plus (НЛО) 98
- Мотор: AKH 4.2
- Город: железногорск, курск
- Имя: Вячеслав
- Откуда: Карелия, Костомукша
Re: Не переключаются передачи
№5 - это блок управления дизелем, находится под капотом около лобового справа по ходу движения
+79065761767
+79038751696
+79997450217
+79038751696
+79997450217
-
Lat
- Сообщения: 23
- Зарегистрирован: Ср дек 28, 2011 11:59 am
- Репутация: 0
- Модель: A8 2000
- Мотор: AKE 2,5 TDI
- Город: Калининград
- Имя: Дмитрий
- Откуда: Калининград
Re: Не переключаются передачи
suomi1114, спасибо огромное завтра поеду на диагностику. По результату отпишусь. А я уже было на коробку грешить начал.....
-
Lat
- Сообщения: 23
- Зарегистрирован: Ср дек 28, 2011 11:59 am
- Репутация: 0
- Модель: A8 2000
- Мотор: AKE 2,5 TDI
- Город: Калининград
- Имя: Дмитрий
- Откуда: Калининград
Re: Не переключаются передачи
да, кстати. Только что сходил завел, обороты в норме 900, но расход 29 литров. А неправильная работа ДМРВ может влиять на работу АКПП?
- Suomi
- Член Клуба
- Сообщения: 2042
- Зарегистрирован: Вт апр 20, 2010 5:11 pm
- Репутация: 50
- Модель: S8 plus (НЛО) 98
- Мотор: AKH 4.2
- Город: железногорск, курск
- Имя: Вячеслав
- Откуда: Карелия, Костомукша
Re: Не переключаются передачи
да конечно,Lat писал(а):А неправильная работа ДМРВ может влиять на работу АКПП?
а в режиме tiptronic АКПП тоже едит только на первой?
+79065761767
+79038751696
+79997450217
+79038751696
+79997450217
-
Lat
- Сообщения: 23
- Зарегистрирован: Ср дек 28, 2011 11:59 am
- Репутация: 0
- Модель: A8 2000
- Мотор: AKE 2,5 TDI
- Город: Калининград
- Имя: Дмитрий
- Откуда: Калининград
Re: Не переключаются передачи
suomi1114, если честно я так перепугался, что и попробывать не догадался. Завтра по дороге в сервис испытаю. А если на типтронике будет переключаться какие варианты? или если тоже не будет? 
- Suomi
- Член Клуба
- Сообщения: 2042
- Зарегистрирован: Вт апр 20, 2010 5:11 pm
- Репутация: 50
- Модель: S8 plus (НЛО) 98
- Мотор: AKH 4.2
- Город: железногорск, курск
- Имя: Вячеслав
- Откуда: Карелия, Костомукша
Re: Не переключаются передачи
да это я так для себя спросилLat писал(а):А если на типтронике будет переключаться какие варианты?
Lat писал(а):если честно я так перепугался, что и попробывать не догадался.
только завтра спокойнее, не пугайся, дыши ровноLat писал(а):Завтра по дороге в сервис испытаю.
Lat писал(а):или если тоже не будет?
suomi1114 писал(а):делать диагностику и читать ошибки
+79065761767
+79038751696
+79997450217
+79038751696
+79997450217
-
Lat
- Сообщения: 23
- Зарегистрирован: Ср дек 28, 2011 11:59 am
- Репутация: 0
- Модель: A8 2000
- Мотор: AKE 2,5 TDI
- Город: Калининград
- Имя: Дмитрий
- Откуда: Калининград
Re: Не переключаются передачи
suomi1114, постараюсь сильно не волноваться )))Хотя если это коробка..то
.))
- Suomi
- Член Клуба
- Сообщения: 2042
- Зарегистрирован: Вт апр 20, 2010 5:11 pm
- Репутация: 50
- Модель: S8 plus (НЛО) 98
- Мотор: AKH 4.2
- Город: железногорск, курск
- Имя: Вячеслав
- Откуда: Карелия, Костомукша
Re: Не переключаются передачи
то скорее всего бы у тебя включился аварийный режим, и ехала бы она на 3-ей передачеLat писал(а):Хотя если это коробка..то.))
+79065761767
+79038751696
+79997450217
+79038751696
+79997450217
-
Lat
- Сообщения: 23
- Зарегистрирован: Ср дек 28, 2011 11:59 am
- Репутация: 0
- Модель: A8 2000
- Мотор: AKE 2,5 TDI
- Город: Калининград
- Имя: Дмитрий
- Откуда: Калининград
Re: Не переключаются передачи
suomi1114, ага а я всю дорогу до работы со скоростью 20-30 км плелся.
- Suomi
- Член Клуба
- Сообщения: 2042
- Зарегистрирован: Вт апр 20, 2010 5:11 pm
- Репутация: 50
- Модель: S8 plus (НЛО) 98
- Мотор: AKH 4.2
- Город: железногорск, курск
- Имя: Вячеслав
- Откуда: Карелия, Костомукша
Re: Не переключаются передачи
при аварийном режиме на информационном дисплее (на приборке) где выделено красным какая передача включена, все (PRND1234) будут выделены красным
+79065761767
+79038751696
+79997450217
+79038751696
+79997450217
-
Lat
- Сообщения: 23
- Зарегистрирован: Ср дек 28, 2011 11:59 am
- Репутация: 0
- Модель: A8 2000
- Мотор: AKE 2,5 TDI
- Город: Калининград
- Имя: Дмитрий
- Откуда: Калининград
Re: Не переключаются передачи
Спасибо за подсказку! )) я уже на всякий случай изучил как самому почистить ДМРВ.)))
- Suomi
- Член Клуба
- Сообщения: 2042
- Зарегистрирован: Вт апр 20, 2010 5:11 pm
- Репутация: 50
- Модель: S8 plus (НЛО) 98
- Мотор: AKH 4.2
- Город: железногорск, курск
- Имя: Вячеслав
- Откуда: Карелия, Костомукша
Re: Не переключаются передачи
как почистить и где изучил???Lat писал(а):Спасибо за подсказку! )) я уже на всякий случай изучил как самому почистить ДМРВ.)))
+79065761767
+79038751696
+79997450217
+79038751696
+79997450217
-
Lat
- Сообщения: 23
- Зарегистрирован: Ср дек 28, 2011 11:59 am
- Репутация: 0
- Модель: A8 2000
- Мотор: AKE 2,5 TDI
- Город: Калининград
- Имя: Дмитрий
- Откуда: Калининград
Re: Не переключаются передачи
Тут же на форуме:
http://as8.ru/forum/viewtopic.php?f=74&t=13531
http://as8.ru/forum/viewtopic.php?f=74&t=13531
-
Lat
- Сообщения: 23
- Зарегистрирован: Ср дек 28, 2011 11:59 am
- Репутация: 0
- Модель: A8 2000
- Мотор: AKE 2,5 TDI
- Город: Калининград
- Имя: Дмитрий
- Откуда: Калининград
Re: Не переключаются передачи
Надеюсь все обойдется легким испугом! Еще раз спасибо и до завтра! )) 
-
Lat
- Сообщения: 23
- Зарегистрирован: Ср дек 28, 2011 11:59 am
- Репутация: 0
- Модель: A8 2000
- Мотор: AKE 2,5 TDI
- Город: Калининград
- Имя: Дмитрий
- Откуда: Калининград
Re: Не переключаются передачи
Проблема решилась заменой датчика температуры охлаждающей жидкости. Обороты встали как вкопанные на 900 и не прыгают, машина прет как надо, передачи переключаются плавно без рывков. Далее понаблюдаю дополню.))
-
reacnhappy
- Сообщения: 3
- Зарегистрирован: Сб янв 07, 2012 7:35 pm
- Репутация: 0
- Модель: Multivan
- Мотор: 1800
- Город: 2009
- Имя: Иван
