Для чего нужен этот вентилятор 4D0 820 545

Вопросы по работе системы климат-контроля, кондиционера.
Vano
Сообщения: 67
Зарегистрирован: Чт ноя 04, 2010 8:14 am
Репутация: 5
Модель: Audi A8 d4 2017
Мотор: 3.0 crec
Город: Киев
Имя: Иван

Для чего нужен этот вентилятор 4D0 820 545

Сообщение Vano »

При заведенном авто начал доносится какой-то шум из торпеды...
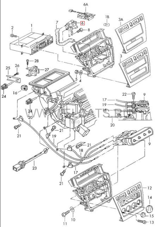
За центральным дефлектором нашел "виновника". Сняв этот моторчик(на схеме №6), понял что ему уже ничего не поможет.
Для чего он нужен?
И на сколько его отключение влияет на максимальную скорость? :D
P.S. Будит ли выдавать ошибку при его отключении?
Вложения
Схема регулировки подачи воздуха
Схема регулировки подачи воздуха
Аватара пользователя
docent020

Ветеран Клуба
Член Клуба
Сообщения: 2124
Зарегистрирован: Пн янв 24, 2011 9:49 am
Награды: 1
Репутация: 74
Модель: A4 B8 "08 GOLF2 16V
Мотор: 1,8t CABB 1,8 16V
Город: Тамбов
Имя: Сергей
Откуда: Тамбов

Re: Для чего нужен этот вентилятор 4D0 820 545

Сообщение docent020 »

Это вентилятор,всасывает воздух из салона для обдува датчика климата,если отключить вероятно температура установленная на климате не будет соответствовать реальной в салоне
Безопасность стоит дорого,но она того стоит.
Аватара пользователя
Alex_999

Ветеран Клуба
Член Клуба
Сообщения: 3192
Зарегистрирован: Ср дек 09, 2009 5:56 pm
Награды: 1
Репутация: 85
Модель: А6 2004;
Мотор: BDH 2.5TDi;
Город: 32 RUS
Имя: Алексей
Откуда: Брянск 32 RUS
Контактная информация:

Re: Для чего нужен этот вентилятор 4D0 820 545

Сообщение Alex_999 »

У меня тоже громко гудел, промыл/продул этот вентилятор, отрегулировал зазор оси, всё стало работать бесшумно..
Не стоит ездить быстрее,, чем летает твой ангел хранитель..
Vano
Сообщения: 67
Зарегистрирован: Чт ноя 04, 2010 8:14 am
Репутация: 5
Модель: Audi A8 d4 2017
Мотор: 3.0 crec
Город: Киев
Имя: Иван

Re: Для чего нужен этот вентилятор 4D0 820 545

Сообщение Vano »

Спасибо
Аватара пользователя
Павлучио

Ветеран Клуба
Почетный член Клуба
Сообщения: 8633
Зарегистрирован: Чт янв 21, 2010 2:15 pm
Награды: 1
Репутация: 146
Модель: A8L Quattro '04
Мотор: 4.2 BFM (335 ph)
Город: New Mordovian Vasuki
Имя: Павлик

Re: Для чего нужен этот вентилятор 4D0 820 545

Сообщение Павлучио »

Можно с разборки климат взять да переставить.
Изображение
Аватара пользователя
zamanuxa59
Сообщения: 60
Зарегистрирован: Вт сен 13, 2011 9:48 pm
Репутация: 0
Модель: audi A8 1995
Мотор: ABZ 4.2
Город: Солнечногорск
Имя: Борис

Re: Для чего нужен этот вентилятор 4D0 820 545

Сообщение zamanuxa59 »

это он начинает работать как только вкл. зажигание?
даже при выкл. климате и не завед. движке.
тихо так жужит
если хочешь сделать, что-то хорошо
сначала устройся поудобнее
Аватара пользователя
Гайк-off
Сообщения: 22
Зарегистрирован: Чт мар 08, 2012 8:41 pm
Репутация: 0
Модель: a8 d2 2001
Мотор: 2.5 tdi
Город: Минск
Имя: Вадим

Re: Для чего нужен этот вентилятор 4D0 820 545

Сообщение Гайк-off »

Нужен совет! Завелся "сверчек". Включаю обдув салона- "Сверчит", с уменьшением мощности снижается шум. Залез под капот открыл вентилятор ,смазал,послушал-шумит. Шум не постоянный и кажется из-под панели из центральной решетки.Включаю обдув лобового - все в норме.Может там "в недрах" есть еще моторчики мной неизведанные???
Аватара пользователя
NEOSoftWare
Член Клуба
Сообщения: 645
Зарегистрирован: Пт май 11, 2012 1:25 am
Репутация: 30
Модель: A8L 2012
Мотор: 3.0
Город: Санкт-Петербург
Имя: Макс
Откуда: г.Санкт-Петербург

Re: Для чего нужен этот вентилятор 4D0 820 545

Сообщение NEOSoftWare »

как добраться до этого вентилятора? у меня он тоже шумит, почистить бы :)
https://www.drive2.ru/r/audi/a8/521999193674351424/
Аватара пользователя
ShOOtnick
Член Клуба
Сообщения: 257
Зарегистрирован: Вт окт 25, 2011 10:20 pm
Репутация: 2
Модель: Audi A8 '97
Мотор: ABZ 4.2, 5hp24 DTD
Город: Москва
Имя: Евгений
Откуда: Москва, Северное Бутово

Re: Для чего нужен этот вентилятор 4D0 820 545

Сообщение ShOOtnick »

user210
не подскажешь, разобрался с этим вентилятором или нет?
Аватара пользователя
NEOSoftWare
Член Клуба
Сообщения: 645
Зарегистрирован: Пт май 11, 2012 1:25 am
Репутация: 30
Модель: A8L 2012
Мотор: 3.0
Город: Санкт-Петербург
Имя: Макс
Откуда: г.Санкт-Петербург

Re: Для чего нужен этот вентилятор 4D0 820 545

Сообщение NEOSoftWare »

ShOOtnick писал(а):user210
не подскажешь, разобрался с этим вентилятором или нет?
да разобрался, снимаешь подрулевую обшивку, и для удобства центральный дефлектор(будь осторожнее со съемом, я сломал одну решетку, пришлось на разборке брать, благо стоит всего 250р :) ) потом гибкой отверткой откручиваешь 3 болта, сам моторчик смазал солидолом, больше не шумел, однако зимой в морозы опять дал о себе знать, но после того как потеплело я его больше не слышал :)
https://www.drive2.ru/r/audi/a8/521999193674351424/
Аватара пользователя
ShOOtnick
Член Клуба
Сообщения: 257
Зарегистрирован: Вт окт 25, 2011 10:20 pm
Репутация: 2
Модель: Audi A8 '97
Мотор: ABZ 4.2, 5hp24 DTD
Город: Москва
Имя: Евгений
Откуда: Москва, Северное Бутово

Сообщение ShOOtnick »

Спасибо за инфу! Видимо, все и правда просто)
В принципе уже консоль разбирал, так что представляю более-менее о чем речь)
Ответить

Вернуться в «Климат-контроль»