где это - масляный холодильник?
- 
				- Реклама
 
- 
				
								shtepa				    
- Почетный член Клуба
- Сообщения: 11863
- Зарегистрирован: Ср сен 26, 2007 8:21 am
- Награды: 2
- Репутация: 137
- Модель: q7
- Мотор: CASA
- Город: 61 RUS
где это - масляный холодильник?
где это - масляный холодильник?  не могу с каталогом разобраться (((
			
			
									
									
						- 
				
								shtepa				    
- Почетный член Клуба
- Сообщения: 11863
- Зарегистрирован: Ср сен 26, 2007 8:21 am
- Награды: 2
- Репутация: 137
- Модель: q7
- Мотор: CASA
- Город: 61 RUS
Re: где это - масляный холодильник?
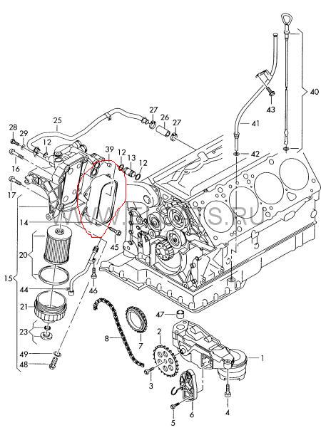
это там, где стоит фильтр масляный  ..
			
			
									
									
						- 
				
								shtepa				    
- Почетный член Клуба
- Сообщения: 11863
- Зарегистрирован: Ср сен 26, 2007 8:21 am
- Награды: 2
- Репутация: 137
- Модель: q7
- Мотор: CASA
- Город: 61 RUS
Re: где это - масляный холодильник?
где это  ? - ткните пальцем ...
			
			
									
									
						- Kabir
- Член Клуба
- Сообщения: 997
- Зарегистрирован: Сб апр 10, 2010 8:59 pm
- Репутация: 16
- Модель: A8 1999
- Мотор: AQG 3.7
- Город: Запорожье
- Имя: Вячеслав
Re: где это - масляный холодильник?
Если маслоохладитель - то я его красненьким обвел.
			
							
			
													
					Последний раз редактировалось Kabir Пн янв 10, 2011 11:59 pm, всего редактировалось 1 раз.
									
			
									Уж лучше голодать, чем что попало есть, и лучше быть одним, чем вместе с кем попало.®
						- Kabir
- Член Клуба
- Сообщения: 997
- Зарегистрирован: Сб апр 10, 2010 8:59 pm
- Репутация: 16
- Модель: A8 1999
- Мотор: AQG 3.7
- Город: Запорожье
- Имя: Вячеслав
Re: где это - масляный холодильник?
Опередили   
  
			
			
									
									 
  
Уж лучше голодать, чем что попало есть, и лучше быть одним, чем вместе с кем попало.®
						- 
				
								shtepa				    
- Почетный член Клуба
- Сообщения: 11863
- Зарегистрирован: Ср сен 26, 2007 8:21 am
- Награды: 2
- Репутация: 137
- Модель: q7
- Мотор: CASA
- Город: 61 RUS
Re: где это - масляный холодильник?
понял, спасибо  
			
			
									
									
						
- 
				
								Anox				  
- Член Клуба
- Сообщения: 409
- Зарегистрирован: Чт янв 03, 2008 5:39 pm
- Награды: 1
- Репутация: 32
- Модель: S8, 1998
- Мотор: AKH, 4172
- Город: Москва
- Имя: Антон
- Контактная информация:
Re: где это - масляный холодильник?
Ух-ты!!!shtepa писал(а):понял, спасибо
Эта "дурь" и у вас есть!? Я уже и забыл...
А что с ним случилось?
Honk your horn three times if you have never been shot at from the S8
- 
				Ivan71      
- Почетный член Клуба
- Сообщения: 6509
- Зарегистрирован: Ср апр 02, 2008 5:06 pm
- Награды: 3
- Репутация: 229
- Модель: S8 D2/Q7
- Мотор: 4.2/6.0
- Город: Тула
- Контактная информация:
Re: где это - масляный холодильник?
Кстати, Антох, в твоем шикарном отчете по этому чуду, фотки куда-то пропали, очень жаль. 
			
			
									
									
						
- 
				
								Anox				  
- Член Клуба
- Сообщения: 409
- Зарегистрирован: Чт янв 03, 2008 5:39 pm
- Награды: 1
- Репутация: 32
- Модель: S8, 1998
- Мотор: AKH, 4172
- Город: Москва
- Имя: Антон
- Контактная информация:
Re: где это - масляный холодильник?
ё-ё-ё... Опять!? Недавно только насос ЦЗ восстанавливал, кое-как что-то собрал... И то - вставлял не я, не по смыслу получилось.Ivan71 писал(а):Кстати, Антох, в твоем шикарном отчете по этому чуду, фотки куда-то пропали, очень жаль.
И вот теперь охладитель...
Спасибо за инфу! Фотки есть. Буду восстанавливать.
P.S. Одно НО, по прошествии времени я не имею прав редактировать свои темы из-за переносов... Попрошу кого-нить смодерировать.
Honk your horn three times if you have never been shot at from the S8
- 
				
								O`Breea				      
- Почетный член  Клуба 
- Сообщения: 14411
- Зарегистрирован: Ср окт 01, 2008 11:21 pm
- Награды: 3
- Репутация: 196
- Модель: A8 (D2), 2002, Quattro
- Мотор: AKC 3.7 (FBB)
- Город: Санкт-Петербург
- Имя: Константин
- Откуда: Санкт-Петербург
Re: где это - масляный холодильник?
Я не по порядку вставил?Anox писал(а):И то - вставлял не я, не по смыслу получилось.
 Что ж ты мне не отписался?
 Что ж ты мне не отписался?No Quattro - No Chance
						- 
				
								shtepa				    
- Почетный член Клуба
- Сообщения: 11863
- Зарегистрирован: Ср сен 26, 2007 8:21 am
- Награды: 2
- Репутация: 137
- Модель: q7
- Мотор: CASA
- Город: 61 RUS
Re: где это - масляный холодильник?
есть подозрение, что там появилась протечка антифриза (((Anox писал(а):А что с ним случилось?shtepa писал(а):понял, спасибо
- 
				
								Anox				  
- Член Клуба
- Сообщения: 409
- Зарегистрирован: Чт янв 03, 2008 5:39 pm
- Награды: 1
- Репутация: 32
- Модель: S8, 1998
- Мотор: AKH, 4172
- Город: Москва
- Имя: Антон
- Контактная информация:
Re: где это - масляный холодильник?
Кость, извини - все равно моя вина... Я нумерацию ставил, чтобы фотки посчитать просто. А ты их по номерам и вставил... Я не сказал как...O`Breea писал(а):Я не по порядку вставил?Anox писал(а):И то - вставлял не я, не по смыслу получилось.Что ж ты мне не отписался?
Позже гляну и напишу как. Пока разобраться лень было...

Honk your horn three times if you have never been shot at from the S8
- 
				
								shtepa				    
- Почетный член Клуба
- Сообщения: 11863
- Зарегистрирован: Ср сен 26, 2007 8:21 am
- Награды: 2
- Репутация: 137
- Модель: q7
- Мотор: CASA
- Город: 61 RUS
Re: где это - масляный холодильник?
подскажите ссылочку " по чуду " )))Ivan71 писал(а):Кстати, Антох, в твоем шикарном отчете по этому чуду, фотки куда-то пропали, очень жаль.
- 
				
								Anox				  
- Член Клуба
- Сообщения: 409
- Зарегистрирован: Чт янв 03, 2008 5:39 pm
- Награды: 1
- Репутация: 32
- Модель: S8, 1998
- Мотор: AKH, 4172
- Город: Москва
- Имя: Антон
- Контактная информация:
Re: где это - масляный холодильник?
Вот она http://as8.ru/forum/viewtopic.php?f=17& ... 0%BB%D1%8C
Только у меня все фотки на месте...
Вадим, только у тебя там по-другому. На рестайле процедура отличается немного.
			
			
									
									Только у меня все фотки на месте...

Вадим, только у тебя там по-другому. На рестайле процедура отличается немного.
Honk your horn three times if you have never been shot at from the S8
- 
				
								shtepa				    
- Почетный член Клуба
- Сообщения: 11863
- Зарегистрирован: Ср сен 26, 2007 8:21 am
- Награды: 2
- Репутация: 137
- Модель: q7
- Мотор: CASA
- Город: 61 RUS
Re: где это - масляный холодильник?
Спвсибо , ну хоть  приблизительно подготовиться ))) проникнуться духом ))
			
			
									
									
						- 
				
								O`Breea				      
- Почетный член  Клуба 
- Сообщения: 14411
- Зарегистрирован: Ср окт 01, 2008 11:21 pm
- Награды: 3
- Репутация: 196
- Модель: A8 (D2), 2002, Quattro
- Мотор: AKC 3.7 (FBB)
- Город: Санкт-Петербург
- Имя: Константин
- Откуда: Санкт-Петербург
Re: где это - масляный холодильник?
Понял тебя. Буду ждать поправок, исправлю без вопросовAnox писал(а):Позже гляну и напишу как.

No Quattro - No Chance
						

 
		


