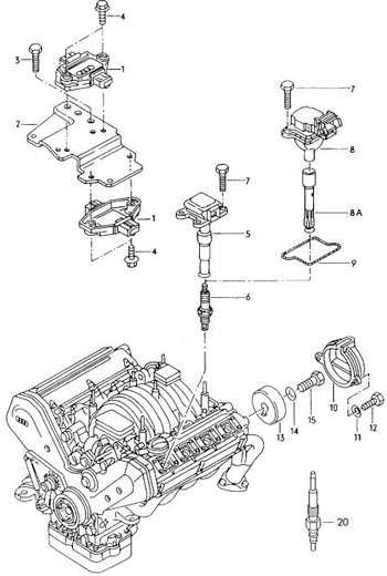
Address 01: Engine
4faults Found:
16684 - Random/Multiple Cylinder Misfire Detected - обнаружен пропуск воспламенения
P0300 - 35-00 - -
17915 - Idle Control Sys: Lower Regulation Limit Reached - Система холостого хода - программируемое значение: достигнут нижний предел
P1507 - 35-10 - - - Intermittent
16688 - Cylinder 4: Misfire Detected - Цилиндр 4: обнаружен пропуск воспламенения
P0304 - 35-00 - -
17546 - Fuel Trim: Bank 2 (Add): System too Lean - Ряд 2, адаптация смеси (на холостом ходу): переобеднение смеси в системе
P1138 - 35-10 - - - Intermittent

Катушки местами менял, свечи новые поставил - ничего не помогло

